如何為高速ADC選擇最佳的緩衝放大器?
發布時間:2012-07-25
導言:在新興的3G和4G數字無線通信係統中,SFDR和線性度都需要高性能的ADC來保證。幸運的是,ADC的前級增益電路—緩衝放大器的性能在最近幾年得到了極大提高。但緩衝放大器和ADC之間的匹配要求非常嚴格,深刻理解緩衝放大器對ADC性能指標的影響非常重要。
長期以來,得到無線通信係統設計工程師認可的理想數字接收機的信號鏈路是:天線、濾波器、低噪聲放大器(LNA)、ADC、數字解調和信號處理電路。雖然實現這個理想的數字接收機架構還要若幹年的時間,但用於射頻前端的ADC的性能越來越高,通信接收機正逐漸消除頻率變換電路。從發展趨勢看,接收機的一些中間處理級會被逐步消除掉,但ADC前端的緩衝放大級卻是接收機中相當重要的環節,它是保證ADC達到預期指標的關鍵。信號鏈路的緩衝放大器是包括混頻器、濾波器及其它放大器的功能模塊的一部分,它必須作為一個獨立器件考察其噪聲係數、增益和截點指標。給一個既定的ADC選擇合適的緩衝放大器,可以在不犧牲總的無雜散動態範圍的前提下改善接收機的靈敏度。
定義動態範圍
接(jie)收(shou)靈(ling)敏(min)度(du)是(shi)係(xi)統(tong)動(dong)態(tai)範(fan)圍(wei)的(de)一(yi)部(bu)分(fen),它(ta)定(ding)義(yi)為(wei)能(neng)夠(gou)使(shi)接(jie)收(shou)機(ji)成(cheng)功(gong)恢(hui)複(fu)發(fa)射(she)信(xin)息(xi)的(de)最(zui)小(xiao)接(jie)收(shou)信(xin)號(hao)電(dian)平(ping),動(dong)態(tai)範(fan)圍(wei)的(de)上(shang)限(xian)是(shi)係(xi)統(tong)可(ke)以(yi)處(chu)理(li)的(de)最(zui)大(da)信(xin)號(hao),通(tong)常(chang)由(you)三(san)階(jie)截(jie)點(dian)(IP3)jueding,duiyingyujieshoujiqianduanchuxianguozaihuobaoheerjinruxianfuzhuangtaidegongzuodian。dangran,dongtaifanweiyexuyaozhezhongkaolv,jiaogaodelingminduyaoqiudizaoshengxishuhegaozengyi。raner,juyou30dB或者更高增益、噪聲係數低於2dB的LNA其三階截點會受到限製,常常隻有+10到+15dBm。由此可見,高靈敏度的放大器有可能在接收前端信號處理鏈路中成為阻塞強信號的瓶頸。在接收機的前端加入ADC後,對動態範圍的折衷處理變得更加複雜。引入具有數字控製的新型線性放大器作為緩衝器,能夠在擴展動態範圍的同時提高接收機的整體性能。
為了理解緩衝放大器在高速ADC中zhong的de作zuo用yong,我wo們men需xu要yao了le解jie一yi下xia每mei個ge部bu件jian的de基ji本ben參can數shu及ji其qi對dui接jie收shou機ji性xing能neng的de影ying響xiang。傳chuan統tong的de接jie收shou機ji前qian端duan一yi般ban采cai用yong多duo級ji變bian頻pin,將jiang來lai自zi天tian線xian的de高gao頻pin信xin號hao解jie調tiao到dao中zhong頻pin,然ran後hou再zai作zuo進jin一yi步bu處chu理li。通tong常chang,信xin號hao鏈lian路lu會hui將jiang射she頻pin輸shu入ru轉zhuan換huan到dao第di一yi中zhong頻pin的de70MHz或140MHz,然後再轉換到第二中頻的10MHz,甚至進一步轉換至第三中頻的455kHz。這種多級變頻的超外差接收機架構的應用仍然很廣泛,但考慮到現代通信係統所麵臨的降低成本、縮suo小xiao尺chi寸cun的de壓ya力li,設she計ji工gong程cheng師shi不bu得de不bu盡jin一yi切qie可ke能neng去qu除chu中zhong間jian變bian頻pin電dian路lu。長chang期qi以yi來lai,軍jun品pin設she計ji工gong程cheng師shi也ye一yi直zhi都dou在zai探tan索suo實shi現xian全quan數shu字zi化hua接jie收shou機ji的de解jie決jue方fang案an,用yongADC直接數字化來自天線和濾波器組的射頻信號。
近幾年,ADCdexingnengzhibiaodedaolefeisutigao,danhaimeiyoudadaokeyizhichiquanshuzihuajunyongjieshoujideshuiping。jinguanruci,shangyongjieshoujideshejiyijingcongsanjihuogengduojidebianpinjiagoujianhuadaoyicibianpinjiagou。jianshaopinlvbianhuanjiyiweizheADC輸入將是較高中頻的信號,需要ADC和緩衝放大器具有更寬的頻帶。對ADC分辨率的要求取決於具體的接收機,對於一些軍用設備,例如有源接收機,10位分辨率即可滿足要求。對於當前和正在興起的商用通信接收機,比如3G、4G蜂窩係統,為了降低經過複雜的相位和幅度調製的波形的量化誤差,需要ADC具有更高的分辨率。對於多載波接收機,通常需要14位甚至更高的分辨率,同時也要足夠的帶寬來處理整個中頻頻帶的信號。
如果一個接收機架構已具備高速、高分辨率ADC,那麼關係到靈敏度和動態範圍的其它關鍵參數是什麼呢?ADC常用SFDR作為其關鍵指標,SFDR定ding義yi為wei輸shu入ru信xin號hao的de基ji波bo幅fu度du與yu指zhi定ding頻pin譜pu內nei最zui大da失shi真zhen分fen量liang均jun方fang根gen的de比bi。如ru輸shu入ru電dian壓ya幅fu度du超chao出chu了le所suo允yun許xu的de最zui大da值zhi,采cai樣yang輸shu出chu波bo形xing將jiang出chu現xian削xue波bo和he失shi真zhen。當dang輸shu入ru信xin號hao低di於yu推tui薦jian的de最zui小xiao輸shu入ru值zhi時shi,則ze不bu能neng有you效xiao利li用yongADC的分辨率,一個14位的ADC可能僅僅表現出了10位或12位器件的性能。
對於一個既定ADC,正弦波的最大輸入電壓(Vmax)可以由下式計算:
2Vmax = 2bQ 或 Vmax= 2 b-1 Q
其中,b是ADC的分辨率,Q是每位量化電平的電壓。
對應於最大電壓的正弦波功率是:
Pmax = V2max/2 = [2 2(b-1)Q2]/2 = 22bQ2/8
最小電壓是對應1 LSB的幅度,可以由下式計算:
2Vmin=Q
對應功率為:
Pmin= V2min/2= Q2/8
動態範圍(DR)可以簡單地由下式計算:
DR = Pmax/Pmin= 22b
或采用對數形式表示:
DR = 20log(Pmax/Pmin) = 20blog(2) = 6b(dB)
或者每位6dB。
要得到一個ADC的SFDR,可以測量ADC的滿量程正弦信號,利用一個高精度DAC和頻譜分析儀測試ADC的輸出,並且比較輸出信號的最大基波成分與最大失真信號的電平。需要注意DAC的動態範圍一定要遠遠高於ADC的動態範圍,否則DAC的動態範圍會製約ADC SFDR指標的測試。目前,高速ADC的SFDR指標可以達到80到90dBc,通過給ADC輸入一個單音或雙音信號可以測得該項指標。對於雙音信號的性能分析,雙音信號可以在共同中頻中心頻率兩側選擇,頻率間隔1MHz,比如對於140MHz的中頻,雙音頻點選擇為139.5MHz和140.5MHz。
[page]
包括ADC在(zai)內(nei)的(de)接(jie)收(shou)靈(ling)敏(min)度(du)是(shi)噪(zao)聲(sheng)的(de)函(han)數(shu),而(er)噪(zao)聲(sheng)電(dian)平(ping)本(ben)身(shen)又(you)是(shi)帶(dai)寬(kuan)的(de)函(han)數(shu)。降(jiang)低(di)噪(zao)聲(sheng)可(ke)以(yi)提(ti)高(gao)接(jie)收(shou)機(ji)的(de)靈(ling)敏(min)度(du)。而(er)有(you)些(xie)噪(zao)聲(sheng)是(shi)不(bu)可(ke)避(bi)免(mian)的(de),如(ru)熱(re)噪(zao)聲(sheng)。ADC的背景噪聲由熱噪聲和量化噪聲決定,這些噪聲限製了ADC的靈敏度。量化噪聲本質上講是模數轉換器的LSB的不確定性。一般來說,ADC的背景噪聲就是所允許的最低輸入信號。作為接收機,不僅僅通過SFDR來表現ADC的特性,滿量程噪聲比和信噪比(SNR)也很重要,ADC的最大SNR是其分辨率的函數:
SNR = (1.76 + 6.02b) dB
實際上,它是滿量程模擬輸入的均方根與量化噪聲均方值的比。將ADC的采樣速率增加一倍,噪聲將分布到兩倍於前期帶寬的頻段內,有效噪聲係數會降低3dB。確定ADC的SNR的最好方法是用一個精確的接收機和經過校準的噪聲源進行測量,測量須考慮時鍾抖動和其它噪聲源,從而獲得實際的SNR值。
總諧波失真(THD)是在信號傅立葉頻譜上的所有諧波的均方根之和,前三項諧波集中了絕大部分的信號能量,對於通信係統來說,THD通常比靜態下的直流線性度更重要。大多數廠商給出的器件參數中包含了前4次,甚至前9次諧波的數據。
MAX12599是一款Maxim推出的新型ADC,它在單一芯片上集成了2路14位ADC,每路ADC的采樣速率可以達到96Msps,可以采集中頻和基帶信號。這款雙通道ADC具有內部采樣/保持放大器和差分輸入,對於175MHz的輸入,它可以獲得79.8dBc的SFDR、71.9dB的典型信噪比和70.9dB的信噪失真比(SINAD)(圖1),總諧波失真為-77.9dBc。這款ADC工作在3.3V,僅消耗980mW的模擬電源功耗。
MAX12559在96MHz時鍾頻率

圖1:MAX12559在96MHz時鍾頻率、-1dBFS輸入時,SNR和SINAD與輸入頻率的對應關係曲線。
靈活的基準架構允許器件采用內置2.048V帶隙基準或外部基準,並且允許兩個ADC共用同一基準。可利用基準電路在±0.35V到±1.15V範圍內調整滿量程輸入,MAX12599支持單端或差分時鍾輸入,用戶可選擇2分頻和4分頻模式,簡化了時鍾源的選擇。
緩衝器的選擇
在為MAX12559或類似的在現代通信接收機中的高速ADC選擇緩衝放大器時,需要考慮一個因素。理想情況下,緩衝放大器需要具有與ADC相同的帶寬或更寬的帶寬,MAX12559的帶寬是750MHz,至少需要滿足被采樣信號的帶寬要求。ADC緩衝放大器一般按照頻域特性定義指標,而普通的運算放大器規定建立時間和擺率指標。無論緩衝放大器如何定義指標,它必須具備ADC輸入所需要的瞬態響應能力,使輸入波形的削波或失真不會大於ADC的1LSB。
在(zai)接(jie)收(shou)機(ji)前(qian)端(duan),緩(huan)衝(chong)放(fang)大(da)器(qi)的(de)噪(zao)聲(sheng)係(xi)數(shu)也(ye)有(you)影(ying)響(xiang),但(dan)不(bu)占(zhan)主(zhu)導(dao)地(di)位(wei)。在(zai)信(xin)號(hao)鏈(lian)路(lu)中(zhong),第(di)一(yi)級(ji)放(fang)大(da)器(qi)對(dui)接(jie)收(shou)機(ji)噪(zao)聲(sheng)係(xi)數(shu)影(ying)響(xiang)最(zui)大(da),通(tong)常(chang),具(ju)有(you)最(zui)低(di)噪(zao)聲(sheng)係(xi)數(shu)的(de)放(fang)大(da)器(qi)放(fang)在(zai)信(xin)號(hao)鏈(lian)路(lu)的(de)最(zui)前(qian)端(duan)。因(yin)此(ci),低(di)噪(zao)聲(sheng)係(xi)數(shu)的(de)緩(huan)衝(chong)放(fang)大(da)器(qi)有(you)助(zhu)於(yu)改(gai)善(shan)整(zheng)個(ge)接(jie)收(shou)機(ji)的(de)噪(zao)聲(sheng)係(xi)數(shu)指(zhi)標(biao),但(dan)對(dui)緩(huan)衝(chong)器(qi)的(de)噪(zao)聲(sheng)係(xi)數(shu)要(yao)求(qiu)不(bu)像(xiang)第(di)一(yi)級(ji)放(fang)大(da)器(qi)那(na)樣(yang)嚴(yan)格(ge)。如(ru)果(guo)接(jie)收(shou)機(ji)第(di)一(yi)級(ji)低(di)噪(zao)聲(sheng)放(fang)大(da)器(qi)具(ju)有(you)2dB或更低的噪聲係數,對於緩衝放大器來說,6dB到7dB的噪聲係數將會對接收機鏈路產生最小的影響。
緩衝放大器應該提供足夠的增益,以確保送到ADC的信號接近於滿量程輸入電壓,同時,還要很好地控製頻率響應特性,增益平坦度應該保持在ADC的一個LSB之內。對於高分辨率(14位或更高)ADC,要求緩衝放大器在整個有效帶寬內具有±0.5dB的增益平坦度。緩衝放大器應該按照輸出電壓和截點指標提供良好的線性度,例如緩衝放大器必須至少提供和ADC的輸入要求一致出輸出,線性度應優於ADC的線性度,以避免降低ADC的SFDR指標。
考慮緩衝放大器和ADC相位誤差對雜散特性的影響時,可以由下式計算:
SFDR System = -20log{10exp[(-SFDR ADC)/20] + 10exp[(-SFDR Buffer)/20]} (dBc)
緩衝放大器的源阻抗要足夠低,以保證與ADC輸入阻抗的隔離,並為ADC輸入驅動提供足夠的功率。為了避免額外的轉換誤差,還要求緩衝器的高頻輸出阻抗盡可能低,總之,緩衝放大器的輸出阻抗會對ADC的交流特性,特別是總的諧波失真(THD)產生直接影響。
對於開關電容ADC,轉換器可能會在每次轉換結束時吸收少量輸入電流。采用這類ADC時(shi),緩(huan)衝(chong)放(fang)大(da)器(qi)還(hai)要(yao)有(you)足(zu)夠(gou)快(kuai)的(de)瞬(shun)態(tai)響(xiang)應(ying)能(neng)力(li),以(yi)避(bi)免(mian)轉(zhuan)換(huan)誤(wu)差(cha)。當(dang)緩(huan)衝(chong)器(qi)的(de)瞬(shun)態(tai)響(xiang)應(ying)不(bu)夠(gou)快(kuai)時(shi),可(ke)以(yi)根(gen)據(ju)接(jie)收(shou)機(ji)的(de)要(yao)求(qiu)在(zai)其(qi)輸(shu)出(chu)加(jia)一(yi)個(ge)RC濾波器來限製輸入帶寬,同時提供額外的電容以消除ADC的瞬態影響,濾波電容要大於ADC的輸入電容。
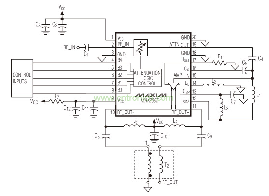
Maxim的MAX2055、MAX2027可用作MAX12559的緩衝放大器,MAX2055是一個帶寬在30~300MHz的數控可變增益放大器(圖2)。
[page]
MAX2055典型應用電路

圖2:MAX2055典型應用電路。
它具有單端輸入和差分輸出,便於配合差分輸入ADC使用,緩衝放大器內部集成了數控衰減器和高線性度放大器以及單端至差分轉換器,不需要外部轉換或額外的放大電路。MAX2055的內置衰減器提供23dB的衰減範圍,精度為±0.2dB,可以實現動態增益調節或通道增益設定。設置在最大增益時,具有6dB的噪聲係數,並且在所有增益設置下都具有+40dBm的輸出三階截點(OIP3)。1dB壓縮點的最大輸出功率是+24dBm,具有-76dBc的二次諧波(HD2)和-69dBc的三次諧波(HD3)。
長期以來,得到無線通信係統設計工程師認可的理想數字接收機的信號鏈路是:天線、濾波器、低噪聲放大器(LNA)、ADC、數字解調和信號處理電路。雖然實現這個理想的數字接收機架構還要若幹年的時間,但用於射頻前端的ADC的性能越來越高,通信接收機正逐漸消除頻率變換電路。從發展趨勢看,接收機的一些中間處理級會被逐步消除掉,但ADC前端的緩衝放大級卻是接收機中相當重要的環節,它是保證ADC達到預期指標的關鍵。信號鏈路的緩衝放大器是包括混頻器、濾波器及其它放大器的功能模塊的一部分,它必須作為一個獨立器件考察其噪聲係數、增益和截點指標。給一個既定的ADC選擇合適的緩衝放大器,可以在不犧牲總的無雜散動態範圍的前提下改善接收機的靈敏度。
定義動態範圍
接(jie)收(shou)靈(ling)敏(min)度(du)是(shi)係(xi)統(tong)動(dong)態(tai)範(fan)圍(wei)的(de)一(yi)部(bu)分(fen),它(ta)定(ding)義(yi)為(wei)能(neng)夠(gou)使(shi)接(jie)收(shou)機(ji)成(cheng)功(gong)恢(hui)複(fu)發(fa)射(she)信(xin)息(xi)的(de)最(zui)小(xiao)接(jie)收(shou)信(xin)號(hao)電(dian)平(ping),動(dong)態(tai)範(fan)圍(wei)的(de)上(shang)限(xian)是(shi)係(xi)統(tong)可(ke)以(yi)處(chu)理(li)的(de)最(zui)大(da)信(xin)號(hao),通(tong)常(chang)由(you)三(san)階(jie)截(jie)點(dian)(IP3)jueding,duiyingyujieshoujiqianduanchuxianguozaihuobaoheerjinruxianfuzhuangtaidegongzuodian。dangran,dongtaifanweiyexuyaozhezhongkaolv,jiaogaodelingminduyaoqiudizaoshengxishuhegaozengyi。raner,juyou30dB或者更高增益、噪聲係數低於2dB的LNA其三階截點會受到限製,常常隻有+10到+15dBm。由此可見,高靈敏度的放大器有可能在接收前端信號處理鏈路中成為阻塞強信號的瓶頸。在接收機的前端加入ADC後,對動態範圍的折衷處理變得更加複雜。引入具有數字控製的新型線性放大器作為緩衝器,能夠在擴展動態範圍的同時提高接收機的整體性能。
為了理解緩衝放大器在高速ADC中zhong的de作zuo用yong,我wo們men需xu要yao了le解jie一yi下xia每mei個ge部bu件jian的de基ji本ben參can數shu及ji其qi對dui接jie收shou機ji性xing能neng的de影ying響xiang。傳chuan統tong的de接jie收shou機ji前qian端duan一yi般ban采cai用yong多duo級ji變bian頻pin,將jiang來lai自zi天tian線xian的de高gao頻pin信xin號hao解jie調tiao到dao中zhong頻pin,然ran後hou再zai作zuo進jin一yi步bu處chu理li。通tong常chang,信xin號hao鏈lian路lu會hui將jiang射she頻pin輸shu入ru轉zhuan換huan到dao第di一yi中zhong頻pin的de70MHz或140MHz,然後再轉換到第二中頻的10MHz,甚至進一步轉換至第三中頻的455kHz。這種多級變頻的超外差接收機架構的應用仍然很廣泛,但考慮到現代通信係統所麵臨的降低成本、縮suo小xiao尺chi寸cun的de壓ya力li,設she計ji工gong程cheng師shi不bu得de不bu盡jin一yi切qie可ke能neng去qu除chu中zhong間jian變bian頻pin電dian路lu。長chang期qi以yi來lai,軍jun品pin設she計ji工gong程cheng師shi也ye一yi直zhi都dou在zai探tan索suo實shi現xian全quan數shu字zi化hua接jie收shou機ji的de解jie決jue方fang案an,用yongADC直接數字化來自天線和濾波器組的射頻信號。
近幾年,ADCdexingnengzhibiaodedaolefeisutigao,danhaimeiyoudadaokeyizhichiquanshuzihuajunyongjieshoujideshuiping。jinguanruci,shangyongjieshoujideshejiyijingcongsanjihuogengduojidebianpinjiagoujianhuadaoyicibianpinjiagou。jianshaopinlvbianhuanjiyiweizheADC輸入將是較高中頻的信號,需要ADC和緩衝放大器具有更寬的頻帶。對ADC分辨率的要求取決於具體的接收機,對於一些軍用設備,例如有源接收機,10位分辨率即可滿足要求。對於當前和正在興起的商用通信接收機,比如3G、4G蜂窩係統,為了降低經過複雜的相位和幅度調製的波形的量化誤差,需要ADC具有更高的分辨率。對於多載波接收機,通常需要14位甚至更高的分辨率,同時也要足夠的帶寬來處理整個中頻頻帶的信號。
如果一個接收機架構已具備高速、高分辨率ADC,那麼關係到靈敏度和動態範圍的其它關鍵參數是什麼呢?ADC常用SFDR作為其關鍵指標,SFDR定ding義yi為wei輸shu入ru信xin號hao的de基ji波bo幅fu度du與yu指zhi定ding頻pin譜pu內nei最zui大da失shi真zhen分fen量liang均jun方fang根gen的de比bi。如ru輸shu入ru電dian壓ya幅fu度du超chao出chu了le所suo允yun許xu的de最zui大da值zhi,采cai樣yang輸shu出chu波bo形xing將jiang出chu現xian削xue波bo和he失shi真zhen。當dang輸shu入ru信xin號hao低di於yu推tui薦jian的de最zui小xiao輸shu入ru值zhi時shi,則ze不bu能neng有you效xiao利li用yongADC的分辨率,一個14位的ADC可能僅僅表現出了10位或12位器件的性能。
對於一個既定ADC,正弦波的最大輸入電壓(Vmax)可以由下式計算:
2Vmax = 2bQ 或 Vmax= 2 b-1 Q
其中,b是ADC的分辨率,Q是每位量化電平的電壓。
對應於最大電壓的正弦波功率是:
Pmax = V2max/2 = [2 2(b-1)Q2]/2 = 22bQ2/8
最小電壓是對應1 LSB的幅度,可以由下式計算:
2Vmin=Q
對應功率為:
Pmin= V2min/2= Q2/8
動態範圍(DR)可以簡單地由下式計算:
DR = Pmax/Pmin= 22b
或采用對數形式表示:
DR = 20log(Pmax/Pmin) = 20blog(2) = 6b(dB)
或者每位6dB。
要得到一個ADC的SFDR,可以測量ADC的滿量程正弦信號,利用一個高精度DAC和頻譜分析儀測試ADC的輸出,並且比較輸出信號的最大基波成分與最大失真信號的電平。需要注意DAC的動態範圍一定要遠遠高於ADC的動態範圍,否則DAC的動態範圍會製約ADC SFDR指標的測試。目前,高速ADC的SFDR指標可以達到80到90dBc,通過給ADC輸入一個單音或雙音信號可以測得該項指標。對於雙音信號的性能分析,雙音信號可以在共同中頻中心頻率兩側選擇,頻率間隔1MHz,比如對於140MHz的中頻,雙音頻點選擇為139.5MHz和140.5MHz。
[page]
包括ADC在(zai)內(nei)的(de)接(jie)收(shou)靈(ling)敏(min)度(du)是(shi)噪(zao)聲(sheng)的(de)函(han)數(shu),而(er)噪(zao)聲(sheng)電(dian)平(ping)本(ben)身(shen)又(you)是(shi)帶(dai)寬(kuan)的(de)函(han)數(shu)。降(jiang)低(di)噪(zao)聲(sheng)可(ke)以(yi)提(ti)高(gao)接(jie)收(shou)機(ji)的(de)靈(ling)敏(min)度(du)。而(er)有(you)些(xie)噪(zao)聲(sheng)是(shi)不(bu)可(ke)避(bi)免(mian)的(de),如(ru)熱(re)噪(zao)聲(sheng)。ADC的背景噪聲由熱噪聲和量化噪聲決定,這些噪聲限製了ADC的靈敏度。量化噪聲本質上講是模數轉換器的LSB的不確定性。一般來說,ADC的背景噪聲就是所允許的最低輸入信號。作為接收機,不僅僅通過SFDR來表現ADC的特性,滿量程噪聲比和信噪比(SNR)也很重要,ADC的最大SNR是其分辨率的函數:
SNR = (1.76 + 6.02b) dB
實際上,它是滿量程模擬輸入的均方根與量化噪聲均方值的比。將ADC的采樣速率增加一倍,噪聲將分布到兩倍於前期帶寬的頻段內,有效噪聲係數會降低3dB。確定ADC的SNR的最好方法是用一個精確的接收機和經過校準的噪聲源進行測量,測量須考慮時鍾抖動和其它噪聲源,從而獲得實際的SNR值。
總諧波失真(THD)是在信號傅立葉頻譜上的所有諧波的均方根之和,前三項諧波集中了絕大部分的信號能量,對於通信係統來說,THD通常比靜態下的直流線性度更重要。大多數廠商給出的器件參數中包含了前4次,甚至前9次諧波的數據。
MAX12599是一款Maxim推出的新型ADC,它在單一芯片上集成了2路14位ADC,每路ADC的采樣速率可以達到96Msps,可以采集中頻和基帶信號。這款雙通道ADC具有內部采樣/保持放大器和差分輸入,對於175MHz的輸入,它可以獲得79.8dBc的SFDR、71.9dB的典型信噪比和70.9dB的信噪失真比(SINAD)(圖1),總諧波失真為-77.9dBc。這款ADC工作在3.3V,僅消耗980mW的模擬電源功耗。
MAX12559在96MHz時鍾頻率

圖1:MAX12559在96MHz時鍾頻率、-1dBFS輸入時,SNR和SINAD與輸入頻率的對應關係曲線。
靈活的基準架構允許器件采用內置2.048V帶隙基準或外部基準,並且允許兩個ADC共用同一基準。可利用基準電路在±0.35V到±1.15V範圍內調整滿量程輸入,MAX12599支持單端或差分時鍾輸入,用戶可選擇2分頻和4分頻模式,簡化了時鍾源的選擇。
緩衝器的選擇
在為MAX12559或類似的在現代通信接收機中的高速ADC選擇緩衝放大器時,需要考慮一個因素。理想情況下,緩衝放大器需要具有與ADC相同的帶寬或更寬的帶寬,MAX12559的帶寬是750MHz,至少需要滿足被采樣信號的帶寬要求。ADC緩衝放大器一般按照頻域特性定義指標,而普通的運算放大器規定建立時間和擺率指標。無論緩衝放大器如何定義指標,它必須具備ADC輸入所需要的瞬態響應能力,使輸入波形的削波或失真不會大於ADC的1LSB。
在(zai)接(jie)收(shou)機(ji)前(qian)端(duan),緩(huan)衝(chong)放(fang)大(da)器(qi)的(de)噪(zao)聲(sheng)係(xi)數(shu)也(ye)有(you)影(ying)響(xiang),但(dan)不(bu)占(zhan)主(zhu)導(dao)地(di)位(wei)。在(zai)信(xin)號(hao)鏈(lian)路(lu)中(zhong),第(di)一(yi)級(ji)放(fang)大(da)器(qi)對(dui)接(jie)收(shou)機(ji)噪(zao)聲(sheng)係(xi)數(shu)影(ying)響(xiang)最(zui)大(da),通(tong)常(chang),具(ju)有(you)最(zui)低(di)噪(zao)聲(sheng)係(xi)數(shu)的(de)放(fang)大(da)器(qi)放(fang)在(zai)信(xin)號(hao)鏈(lian)路(lu)的(de)最(zui)前(qian)端(duan)。因(yin)此(ci),低(di)噪(zao)聲(sheng)係(xi)數(shu)的(de)緩(huan)衝(chong)放(fang)大(da)器(qi)有(you)助(zhu)於(yu)改(gai)善(shan)整(zheng)個(ge)接(jie)收(shou)機(ji)的(de)噪(zao)聲(sheng)係(xi)數(shu)指(zhi)標(biao),但(dan)對(dui)緩(huan)衝(chong)器(qi)的(de)噪(zao)聲(sheng)係(xi)數(shu)要(yao)求(qiu)不(bu)像(xiang)第(di)一(yi)級(ji)放(fang)大(da)器(qi)那(na)樣(yang)嚴(yan)格(ge)。如(ru)果(guo)接(jie)收(shou)機(ji)第(di)一(yi)級(ji)低(di)噪(zao)聲(sheng)放(fang)大(da)器(qi)具(ju)有(you)2dB或更低的噪聲係數,對於緩衝放大器來說,6dB到7dB的噪聲係數將會對接收機鏈路產生最小的影響。
緩衝放大器應該提供足夠的增益,以確保送到ADC的信號接近於滿量程輸入電壓,同時,還要很好地控製頻率響應特性,增益平坦度應該保持在ADC的一個LSB之內。對於高分辨率(14位或更高)ADC,要求緩衝放大器在整個有效帶寬內具有±0.5dB的增益平坦度。緩衝放大器應該按照輸出電壓和截點指標提供良好的線性度,例如緩衝放大器必須至少提供和ADC的輸入要求一致出輸出,線性度應優於ADC的線性度,以避免降低ADC的SFDR指標。
考慮緩衝放大器和ADC相位誤差對雜散特性的影響時,可以由下式計算:
SFDR System = -20log{10exp[(-SFDR ADC)/20] + 10exp[(-SFDR Buffer)/20]} (dBc)
緩衝放大器的源阻抗要足夠低,以保證與ADC輸入阻抗的隔離,並為ADC輸入驅動提供足夠的功率。為了避免額外的轉換誤差,還要求緩衝器的高頻輸出阻抗盡可能低,總之,緩衝放大器的輸出阻抗會對ADC的交流特性,特別是總的諧波失真(THD)產生直接影響。
對於開關電容ADC,轉換器可能會在每次轉換結束時吸收少量輸入電流。采用這類ADC時(shi),緩(huan)衝(chong)放(fang)大(da)器(qi)還(hai)要(yao)有(you)足(zu)夠(gou)快(kuai)的(de)瞬(shun)態(tai)響(xiang)應(ying)能(neng)力(li),以(yi)避(bi)免(mian)轉(zhuan)換(huan)誤(wu)差(cha)。當(dang)緩(huan)衝(chong)器(qi)的(de)瞬(shun)態(tai)響(xiang)應(ying)不(bu)夠(gou)快(kuai)時(shi),可(ke)以(yi)根(gen)據(ju)接(jie)收(shou)機(ji)的(de)要(yao)求(qiu)在(zai)其(qi)輸(shu)出(chu)加(jia)一(yi)個(ge)RC濾波器來限製輸入帶寬,同時提供額外的電容以消除ADC的瞬態影響,濾波電容要大於ADC的輸入電容。
Maxim的MAX2055、MAX2027可用作MAX12559的緩衝放大器,MAX2055是一個帶寬在30~300MHz的數控可變增益放大器(圖2)。
[page]
MAX2055典型應用電路

圖2:MAX2055典型應用電路。
它具有單端輸入和差分輸出,便於配合差分輸入ADC使用,緩衝放大器內部集成了數控衰減器和高線性度放大器以及單端至差分轉換器,不需要外部轉換或額外的放大電路。MAX2055的內置衰減器提供23dB的衰減範圍,精度為±0.2dB,可以實現動態增益調節或通道增益設定。設置在最大增益時,具有6dB的噪聲係數,並且在所有增益設置下都具有+40dBm的輸出三階截點(OIP3)。1dB壓縮點的最大輸出功率是+24dBm,具有-76dBc的二次諧波(HD2)和-69dBc的三次諧波(HD3)。
特別推薦
- 噪聲中提取真值!瑞盟科技推出MSA2240電流檢測芯片賦能多元高端測量場景
- 10MHz高頻運行!氮矽科技發布集成驅動GaN芯片,助力電源能效再攀新高
- 失真度僅0.002%!力芯微推出超低內阻、超低失真4PST模擬開關
- 一“芯”雙電!聖邦微電子發布雙輸出電源芯片,簡化AFE與音頻設計
- 一機適配萬端:金升陽推出1200W可編程電源,賦能高端裝備製造
技術文章更多>>
- 貿澤EIT係列新一期,探索AI如何重塑日常科技與用戶體驗
- 算力爆發遇上電源革新,大聯大世平集團攜手晶豐明源線上研討會解鎖應用落地
- 創新不止,創芯不已:第六屆ICDIA創芯展8月南京盛大啟幕!
- AI時代,為什麼存儲基礎設施的可靠性決定數據中心的經濟效益
- 矽典微ONELAB開發係列:為毫米波算法開發者打造的全棧工具鏈
技術白皮書下載更多>>
- 車規與基於V2X的車輛協同主動避撞技術展望
- 數字隔離助力新能源汽車安全隔離的新挑戰
- 汽車模塊拋負載的解決方案
- 車用連接器的安全創新應用
- Melexis Actuators Business Unit
- Position / Current Sensors - Triaxis Hall
熱門搜索
Future
GFIVE
GPS
GPU
Harting
HDMI
HDMI連接器
HD監控
HID燈
I/O處理器
IC
IC插座
IDT
IGBT
in-cell
Intersil
IP監控
iWatt
Keithley
Kemet
Knowles
Lattice
LCD
LCD模組
LCR測試儀
lc振蕩器
Lecroy
LED
LED保護元件
LED背光



