零轉換PWM DC-DC變換器的拓撲綜述
發布時間:2012-02-17
中心議題:
1 引言
為了減小功率變換器的體積、重量和開關損耗,提高開關頻率和工作效率,在DC-DC變換器中常采用軟開關技術,以實現主開關管的零電壓(零電流)開通或 關斷。具體的方法有四種: 零電壓準諧振變換器(ZVS-QRC),零電壓多諧振變換器(ZVS-MRC),ZVS-PWM變換器和零轉換PWM變換器。
一般而言,ZVS-QRC變換器[1]電壓應力較大,且電壓應力與負載變化範圍成正比;ZVS-MRC變換器[2]也具有較大的電壓應力和電流應 力;ZVS-PWM變換器[3]則因串聯諧振網絡而導致大的導通損耗。而零轉換PWM變換器則不同,它克服了前麵三種結構的缺點,電路性能大為改善。其電 路結構的特點在於:它的諧振網絡與主開關管並聯;在開關轉換期間,諧振網絡產生諧振,獲得零開關條件;在開關轉換結束後,電路又恢複到正常的PWM工作方 式。這種電路結構給其帶來了四個方麵的優點:(1)功率開關器件工作在軟開關條件下,承受的電壓、電流應力較低;(2)在整個輸入電壓和負載範圍內,都能 較好地保持零電壓特性;(3)輔助諧振網絡並不需要處理很大的環流能量,因此電路的導通損耗較小;(4)采用PWM控製方式,實現了恒頻控製。
由於零轉換PWM電路的突出優點,使其得到了廣泛研究和應用。最近幾年裏,出現了許多新的零轉換PWM拓撲結構,其中以ZVT-PWM變換器的一些改進、ZCT-PWM變換器、以及ZCZVT-PWM變換器等幾種特色比較突出。本文將對這幾種拓撲結構作簡要介紹,重點分析它們的工作原理,並剖析它們的優缺點。
2 ZVT-PWM變換器及其改進
2.1 普通的ZVT-PWM變換器
圖1
圖1所示是文獻[4]提出的普通Boost ZVT-PWM變換器的拓撲結構。它在主開關管S之上,並聯了一個由諧振電容Cr(其中包含了主開關S的輸出電容和二極管D的結電容)、諧振電感Lr、輔助開關S1及二極管D1組成的輔助諧振網絡。
在每次主開關管S導通前,先導通輔助開關管S1,使輔助諧振網絡諧振。當S兩端電容電壓諧振到零時,導通S。當S完成導通後,立即關斷S1,使輔助諧振 電路停止工作。之後,電路以常規的PWM方式運行。該拓撲結構在不增加電壓/電流應力的情況下,實現了S的零電壓導通和D的零電流關斷。但由於S1是在大 電流(接近諧振峰值電流)下關斷、大電壓(接近輸出電壓)下開通, S1處於一種非常不好的硬開關環境。
為了解決普通ZVT-PWM變換器的以上缺點,近幾年中人們提出了幾種改進的ZVT-PWM變換器拓撲結構,它們均實現了主開關管和輔助開關管的軟開關,減少開關損耗。下麵對這幾種改進結構分別予以介紹
[page]
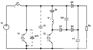
2.2 改進拓撲之一
圖2
圖2所示為文獻[5]提出的一種新穎的ZVT-PWM變換器拓撲。與圖1的普通ZVT-PWM Boost變換器相比,該改進的拓撲隻是在輔助諧振網絡中增加了一個電容
和兩個二極管
,但卻同時實現了主開關管T1和輔助開關管T2的軟通斷,以下對其工作過程進行分析。
在分析中,假定:(1)輸入電壓
為常數,主電感
足夠大,輸入電流
為常數;(2) 輸出電容
足夠大,輸出電壓為常數; (3)諧振電路是理想的;(4)緩衝電感
<<
;(5)忽略半導體器件的電壓降和寄生電容;(6)忽略
其它二極管的反向恢複時間。
設初始狀態為:主功率開關管
及輔助開關管
均為關斷狀態,輸出整流二極管
處於導通狀態。
。電路在穩態時,每個開關周期的工作過程可分為7個模態:
模態1
在
時刻,
導通,
線性下降,
線性上升,直到
,
,該模態結束;
模態2
在
時刻,
達到最大反向恢複電流,主二極管
關斷,
開始諧振,直到
放電到零,轉到模態3;
模態3
在
時刻,
自然導通;
可見,該拓撲結構實現了主開關管T1和輸出整流二極管DF在零電壓下導通和關斷,輔助開關管T2在零電流下導通和零電壓下關斷,兩個開關管都是軟通斷,克服了普通ZVT-PWM變換器的輔助開關管為硬通斷的缺點,減少了關斷損耗。
[page]
2.3 改進拓撲之二
圖3
圖3所示為文獻[6]中提出的另一種新穎的ZVT-PWM變換器拓撲。與圖3的普通ZVT-PWM變換器相比,該改進的拓撲隻是在輔助諧振網絡增加了一個電容,少了一個二極管。以下對其工作過程進行分析。
在分析中,假設與1.2基本相同,並設初始狀態為:
,則電路在穩態時,每個開關周期可劃分為7個模態:
可見,該拓撲結構實現了主開關管 在ZVS條件下通斷,輔助開關管 在零電壓、零電流的條件下關斷與開通,兩個開關管都是軟通斷,改善了開關環境,克服了普通ZVT-PWM變換器的輔助開關管為硬開關的缺點,減小了關斷損耗。
2.4 改進拓撲之三
圖4
圖4所示為文獻[7]提出的另一種改進的ZVT-PWM變換器拓撲。與圖4的普通ZVT-PWM變換器相比,該改進的拓撲隻是在輔助諧振網絡增加了一個 電感、一個二極管和一個電容。其工作原理的分析與前麵的基本相似,具體分析可以參考文獻[7]。從中可知,主開關管S1在零電壓下開通和關斷,輔助開關管 S2在零電流下開通和關斷,從而克服了普通的ZVT-PWM變換器輔助開關管為硬開關的缺點,減小了開關損耗,實現了兩個開關都是軟開關。
3 ZCT-PWM變換器
3.1 普通的ZCT-PWM變換器
圖5
ZVT-PWM變換器能實現在ZVS下開通,消除導通損耗,但卻不能有效地減小關斷損耗。而普通的ZCT-PWM變換器[8],如圖5所示,則能實現主 開關在ZCS下(xia)關(guan)斷(duan),消(xiao)除(chu)關(guan)斷(duan)損(sun)耗(hao)。但(dan)是(shi),其(qi)輔(fu)助(zhu)開(kai)關(guan)仍(reng)然(ran)是(shi)硬(ying)開(kai)關(guan),而(er)且(qie),其(qi)輸(shu)出(chu)整(zheng)流(liu)二(er)極(ji)管(guan)存(cun)在(zai)嚴(yan)重(zhong)的(de)反(fan)向(xiang)恢(hui)複(fu)問(wen)題(ti),導(dao)致(zhi)大(da)的(de)導(dao)通(tong)損(sun)耗(hao)。雖(sui)然(ran)通(tong)過(guo)改(gai)變(bian)控(kong)製(zhi) 策略,使輔助開關導通時間更長一些,可以實現輔助開關管在ZCS下關斷,但輔助開關管的峰值電流將較大。
3.2 改進拓撲之一
文獻[9]提出了一種改進的ZCT-PWM變換器。該改進的拓撲隻是將諧振網絡的輔助開
和嵌位二極管
交換位置,能實現所有的開關管在ZCS下通斷,並減小了輔助開關管的峰值電流。但它的整流二極管
仍存在嚴重的反向恢複問題。
[page]
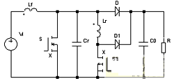
3.3 改進拓撲之二
文獻[10]介紹了一種新穎的ZCT-PWM變換器,它很好地解決了以上所提的各項缺點,如圖6所示。與圖5的普通ZVT-PWM變換器相比,該改進的拓撲在元器件數量方麵沒有增減,隻是改變了組合方式,但同時實現了主開S和輔助開關管
的軟通斷,並解決了輸出整流二極管
嚴重的反向恢複問題。以下對其工作過程進行分析。
圖6
在分析中,假設與1.2基本相同,並設初始狀態為:主功率開關管S及輔助開關管
均為關斷狀態,輸出整流二極管
處於導通狀態。
,則電路在穩態時,每個開關周期可劃分為8個模態:
可見,該拓撲實現了所有開關管和輸出整流二極管
都在較小的
下軟開通,在ZCS下關斷,而且在主開關管S上沒有附加的電流應力和導通損耗,大大減小了輸出整流二極管的反向恢複電流。
4 ZCZVT-PWM變換器
近(jin)些(xie)年(nian),一(yi)些(xie)電(dian)力(li)電(dian)子(zi)研(yan)究(jiu)中(zhong)心(xin)的(de)工(gong)程(cheng)師(shi)們(men)正(zheng)盡(jin)力(li)尋(xun)求(qiu)一(yi)種(zhong)最(zui)優(you)化(hua)的(de)軟(ruan)開(kai)關(guan)技(ji)術(shu),即(ji)用(yong)盡(jin)量(liang)少(shao)的(de)輔(fu)助(zhu)元(yuan)件(jian),實(shi)現(xian)功(gong)率(lv)半(ban)導(dao)體(ti)器(qi)件(jian)同(tong)時(shi)在(zai)零(ling)電(dian)壓(ya)和(he)零(ling)電(dian)流(liu)下(xia)轉(zhuan)換(huan),綜(zong) 合ZVT-PWM變換器和ZCT-PWM變換器的優點,進一步完善零轉換條件。文獻[11]所介紹一種新穎的 ZCZVT-PWM變換器,就能實現主開關管同時在零電壓和零電流下轉換,如圖7所示。以下對其工作過程進行分析。
圖 7
在分析中,假設與1.2基本相同,並設初始狀態為:主功率開關管S及輔助開關管
均為關斷狀態,輸出整流二極管D處於導通狀態,
,則電路在穩態時,每個開關周期可劃分為14個模態:
可見,該拓撲結構實現了主開關管S同時在零電壓和零電流條件下開通和關斷,輔助開關管
在零電流條件下開通,零電壓和零電流條件下關斷,輸出整流二極管D在零電壓下轉換,從而既綜合了ZVT-PWM變換器和ZCT-PWM變換器的優點,又克服了它們各自的缺點,大大減小了開關損耗。
5 總結
零轉換PWM DC-DC變換器是低電壓(電流)應力、高效率的變換器,但傳統的零轉換PWM DC-DC變換器仍存在一些問題。為了解決這些問題,人們提出了許多新的改進拓撲。本文對三種改進的ZVT-PWM變換器、一種改進的ZCT-PWM,以 及一種新穎的ZCZVT-PWM作了詳細介紹和分析。這幾個改進的拓撲都實現了所有開關管的軟通斷,進一步減小了開關損耗,效率大為提高,很值得進一步研 究和完善。
- 零轉換PWM DC-DC變換器的拓撲綜述
- 一種改進的ZCT-PWM變換器
- ZCZVT-PWM變換器
1 引言
為了減小功率變換器的體積、重量和開關損耗,提高開關頻率和工作效率,在DC-DC變換器中常采用軟開關技術,以實現主開關管的零電壓(零電流)開通或 關斷。具體的方法有四種: 零電壓準諧振變換器(ZVS-QRC),零電壓多諧振變換器(ZVS-MRC),ZVS-PWM變換器和零轉換PWM變換器。
一般而言,ZVS-QRC變換器[1]電壓應力較大,且電壓應力與負載變化範圍成正比;ZVS-MRC變換器[2]也具有較大的電壓應力和電流應 力;ZVS-PWM變換器[3]則因串聯諧振網絡而導致大的導通損耗。而零轉換PWM變換器則不同,它克服了前麵三種結構的缺點,電路性能大為改善。其電 路結構的特點在於:它的諧振網絡與主開關管並聯;在開關轉換期間,諧振網絡產生諧振,獲得零開關條件;在開關轉換結束後,電路又恢複到正常的PWM工作方 式。這種電路結構給其帶來了四個方麵的優點:(1)功率開關器件工作在軟開關條件下,承受的電壓、電流應力較低;(2)在整個輸入電壓和負載範圍內,都能 較好地保持零電壓特性;(3)輔助諧振網絡並不需要處理很大的環流能量,因此電路的導通損耗較小;(4)采用PWM控製方式,實現了恒頻控製。
由於零轉換PWM電路的突出優點,使其得到了廣泛研究和應用。最近幾年裏,出現了許多新的零轉換PWM拓撲結構,其中以ZVT-PWM變換器的一些改進、ZCT-PWM變換器、以及ZCZVT-PWM變換器等幾種特色比較突出。本文將對這幾種拓撲結構作簡要介紹,重點分析它們的工作原理,並剖析它們的優缺點。
2 ZVT-PWM變換器及其改進
2.1 普通的ZVT-PWM變換器

圖1所示是文獻[4]提出的普通Boost ZVT-PWM變換器的拓撲結構。它在主開關管S之上,並聯了一個由諧振電容Cr(其中包含了主開關S的輸出電容和二極管D的結電容)、諧振電感Lr、輔助開關S1及二極管D1組成的輔助諧振網絡。
在每次主開關管S導通前,先導通輔助開關管S1,使輔助諧振網絡諧振。當S兩端電容電壓諧振到零時,導通S。當S完成導通後,立即關斷S1,使輔助諧振 電路停止工作。之後,電路以常規的PWM方式運行。該拓撲結構在不增加電壓/電流應力的情況下,實現了S的零電壓導通和D的零電流關斷。但由於S1是在大 電流(接近諧振峰值電流)下關斷、大電壓(接近輸出電壓)下開通, S1處於一種非常不好的硬開關環境。
為了解決普通ZVT-PWM變換器的以上缺點,近幾年中人們提出了幾種改進的ZVT-PWM變換器拓撲結構,它們均實現了主開關管和輔助開關管的軟開關,減少開關損耗。下麵對這幾種改進結構分別予以介紹
[page]
2.2 改進拓撲之一

圖2所示為文獻[5]提出的一種新穎的ZVT-PWM變換器拓撲。與圖1的普通ZVT-PWM Boost變換器相比,該改進的拓撲隻是在輔助諧振網絡中增加了一個電容


在分析中,假定:(1)輸入電壓



為常數;(2) 輸出電容




設初始狀態為:主功率開關管




模態1







模態2






模態3




可見,該拓撲結構實現了主開關管T1和輸出整流二極管DF在零電壓下導通和關斷,輔助開關管T2在零電流下導通和零電壓下關斷,兩個開關管都是軟通斷,克服了普通ZVT-PWM變換器的輔助開關管為硬通斷的缺點,減少了關斷損耗。
[page]
2.3 改進拓撲之二

圖3所示為文獻[6]中提出的另一種新穎的ZVT-PWM變換器拓撲。與圖3的普通ZVT-PWM變換器相比,該改進的拓撲隻是在輔助諧振網絡增加了一個電容,少了一個二極管。以下對其工作過程進行分析。
在分析中,假設與1.2基本相同,並設初始狀態為:



可見,該拓撲結構實現了主開關管 在ZVS條件下通斷,輔助開關管 在零電壓、零電流的條件下關斷與開通,兩個開關管都是軟通斷,改善了開關環境,克服了普通ZVT-PWM變換器的輔助開關管為硬開關的缺點,減小了關斷損耗。
2.4 改進拓撲之三

圖4所示為文獻[7]提出的另一種改進的ZVT-PWM變換器拓撲。與圖4的普通ZVT-PWM變換器相比,該改進的拓撲隻是在輔助諧振網絡增加了一個 電感、一個二極管和一個電容。其工作原理的分析與前麵的基本相似,具體分析可以參考文獻[7]。從中可知,主開關管S1在零電壓下開通和關斷,輔助開關管 S2在零電流下開通和關斷,從而克服了普通的ZVT-PWM變換器輔助開關管為硬開關的缺點,減小了開關損耗,實現了兩個開關都是軟開關。
3 ZCT-PWM變換器
3.1 普通的ZCT-PWM變換器

ZVT-PWM變換器能實現在ZVS下開通,消除導通損耗,但卻不能有效地減小關斷損耗。而普通的ZCT-PWM變換器[8],如圖5所示,則能實現主 開關在ZCS下(xia)關(guan)斷(duan),消(xiao)除(chu)關(guan)斷(duan)損(sun)耗(hao)。但(dan)是(shi),其(qi)輔(fu)助(zhu)開(kai)關(guan)仍(reng)然(ran)是(shi)硬(ying)開(kai)關(guan),而(er)且(qie),其(qi)輸(shu)出(chu)整(zheng)流(liu)二(er)極(ji)管(guan)存(cun)在(zai)嚴(yan)重(zhong)的(de)反(fan)向(xiang)恢(hui)複(fu)問(wen)題(ti),導(dao)致(zhi)大(da)的(de)導(dao)通(tong)損(sun)耗(hao)。雖(sui)然(ran)通(tong)過(guo)改(gai)變(bian)控(kong)製(zhi) 策略,使輔助開關導通時間更長一些,可以實現輔助開關管在ZCS下關斷,但輔助開關管的峰值電流將較大。
3.2 改進拓撲之一
文獻[9]提出了一種改進的ZCT-PWM變換器。該改進的拓撲隻是將諧振網絡的輔助開



[page]
3.3 改進拓撲之二
文獻[10]介紹了一種新穎的ZCT-PWM變換器,它很好地解決了以上所提的各項缺點,如圖6所示。與圖5的普通ZVT-PWM變換器相比,該改進的拓撲在元器件數量方麵沒有增減,隻是改變了組合方式,但同時實現了主開S和輔助開關管



在分析中,假設與1.2基本相同,並設初始狀態為:主功率開關管S及輔助開關管





可見,該拓撲實現了所有開關管和輸出整流二極管


4 ZCZVT-PWM變換器
近(jin)些(xie)年(nian),一(yi)些(xie)電(dian)力(li)電(dian)子(zi)研(yan)究(jiu)中(zhong)心(xin)的(de)工(gong)程(cheng)師(shi)們(men)正(zheng)盡(jin)力(li)尋(xun)求(qiu)一(yi)種(zhong)最(zui)優(you)化(hua)的(de)軟(ruan)開(kai)關(guan)技(ji)術(shu),即(ji)用(yong)盡(jin)量(liang)少(shao)的(de)輔(fu)助(zhu)元(yuan)件(jian),實(shi)現(xian)功(gong)率(lv)半(ban)導(dao)體(ti)器(qi)件(jian)同(tong)時(shi)在(zai)零(ling)電(dian)壓(ya)和(he)零(ling)電(dian)流(liu)下(xia)轉(zhuan)換(huan),綜(zong) 合ZVT-PWM變換器和ZCT-PWM變換器的優點,進一步完善零轉換條件。文獻[11]所介紹一種新穎的 ZCZVT-PWM變換器,就能實現主開關管同時在零電壓和零電流下轉換,如圖7所示。以下對其工作過程進行分析。

在分析中,假設與1.2基本相同,並設初始狀態為:主功率開關管S及輔助開關管




可見,該拓撲結構實現了主開關管S同時在零電壓和零電流條件下開通和關斷,輔助開關管

5 總結
零轉換PWM DC-DC變換器是低電壓(電流)應力、高效率的變換器,但傳統的零轉換PWM DC-DC變換器仍存在一些問題。為了解決這些問題,人們提出了許多新的改進拓撲。本文對三種改進的ZVT-PWM變換器、一種改進的ZCT-PWM,以 及一種新穎的ZCZVT-PWM作了詳細介紹和分析。這幾個改進的拓撲都實現了所有開關管的軟通斷,進一步減小了開關損耗,效率大為提高,很值得進一步研 究和完善。
特別推薦
- 噪聲中提取真值!瑞盟科技推出MSA2240電流檢測芯片賦能多元高端測量場景
- 10MHz高頻運行!氮矽科技發布集成驅動GaN芯片,助力電源能效再攀新高
- 失真度僅0.002%!力芯微推出超低內阻、超低失真4PST模擬開關
- 一“芯”雙電!聖邦微電子發布雙輸出電源芯片,簡化AFE與音頻設計
- 一機適配萬端:金升陽推出1200W可編程電源,賦能高端裝備製造
技術文章更多>>
- 算力爆發遇上電源革新,大聯大世平集團攜手晶豐明源線上研討會解鎖應用落地
- 築基AI4S:摩爾線程全功能GPU加速中國生命科學自主生態
- 一秒檢測,成本降至萬分之一,光引科技把幾十萬的台式光譜儀“搬”到了手腕上
- AI服務器電源機櫃Power Rack HVDC MW級測試方案
- 突破工藝邊界,奎芯科技LPDDR5X IP矽驗證通過,速率達9600Mbps
技術白皮書下載更多>>
- 車規與基於V2X的車輛協同主動避撞技術展望
- 數字隔離助力新能源汽車安全隔離的新挑戰
- 汽車模塊拋負載的解決方案
- 車用連接器的安全創新應用
- Melexis Actuators Business Unit
- Position / Current Sensors - Triaxis Hall
熱門搜索
微波功率管
微波開關
微波連接器
微波器件
微波三極管
微波振蕩器
微電機
微調電容
微動開關
微蜂窩
位置傳感器
溫度保險絲
溫度傳感器
溫控開關
溫控可控矽
聞泰
穩壓電源
穩壓二極管
穩壓管
無焊端子
無線充電
無線監控
無源濾波器
五金工具
物聯網
顯示模塊
顯微鏡結構
線圈
線繞電位器
線繞電阻





