DSP應用係統電磁兼容的設計
發布時間:2011-11-14
中心議題:
- DSP係統的電磁兼容設計目的、內容
- DSP係統給的電磁幹擾傳輸途徑
- DSP係統內EMC設計中采取的措施
- DSP應用係統的電磁兼容設計
1 引言
隨著DSP芯片的迅猛發展,其運算速度和處理能力不斷提高,使得DSP係統的成本、體積、重量及功耗都有很大程度的下降。但與此同時,周圍環境的電磁幹擾源越來越多,使得DSP係統和產品設計人員也麵臨著更加嚴峻的挑戰,即如何抑製日益嚴重的電磁幹擾(EM I) ,提高係統性能,使各種電氣及電子設備達到電磁兼容(EMC) 。
2 電磁兼容設計
2. 1 電磁兼容
電磁兼容(EMC)是指在有限的時間、空間和頻譜資源等條件下,各種用電設備可以共存並不至於引起性能降級的一門學科。而電磁兼容性通常是指設備或係統在其電磁環境下能正常工作,並且不對該環境中任何事物構成不能承受的電磁騷擾的能力。
電磁幹擾( EM I)是指電磁騷擾引起的設備、傳輸通道或係統性能的下降。形成電磁幹擾必須具備三個要素, 即: 電磁騷擾源、耦合途徑和敏感設備。三者關係如圖1所示。

圖1 EMI的三要素
任何形式的自然現象或裝置所發射的電磁能量,使生物受到損傷或使其他設備、係統發生電磁危害,從而導致性能下降或故障,這種自然現象或裝置就稱為電磁騷擾源。如光照、天電噪聲、電子噪聲、發電機等都屬於電磁騷擾源。
耦合途徑是指傳輸電磁騷擾的媒介或途徑。
敏感設備是指當受到電磁幹擾時,會受到傷害的生物及會發生電磁危害,導致性能下降或發生故障的器件、設備或係統。許多器件、設備或係統既是敏感設備又是產生幹擾的電磁騷擾源。
2. 2 電磁兼容設計的目的
電磁兼容性設計的目的:是使電子設備或電子係統在預期的電磁環境中實現電磁兼容。即要求在同一電磁環境中的設備或係統都能正常工作又互不幹擾,達到“兼容”的狀態。滿足電磁兼容( EMC)有以下兩方麵的規定:
(1)能在預期的電磁環境中正常工作,無性能降低或故障;
(2)對該電磁環境來說不是一個幹擾源。如果一個DSP係統符合以下條件,則該係統是電磁兼容的。
- 對電磁騷擾不敏感。
- 對係統自身不產生幹擾。
- 對其他係統不產生幹擾。
為了實現電磁兼容,必須從形成電磁幹擾的基本要素出發,從分析電磁騷擾源、耦合途徑和敏感設備入手,采取有效的技術措施,抑製騷擾源、減弱或消除騷擾的耦合途徑、降低敏感設備對騷擾的響應。
2. 3 電磁兼容設計的基本內容
電磁兼容設計可分為係統間和係統內兩方麵加以考慮。係統間的電磁兼容設計目前已經研究的較多,本文將主要針對係統內的電磁兼容設計加以討論。
通常係統內電磁兼容設計可分為五部分:有源器件的選擇和印製電路板( PCB )的設計、布線、濾波、接地及屏蔽等。如圖2所示。

圖2 係統內EMC設計[page]
2. 4 電磁幹擾的傳輸途徑
電磁騷擾源與敏感設備的耦合途徑有:傳導、感應、輻射或三者的組合。
傳導耦合是電磁騷擾源和敏感設備之間的主要耦合途徑之一。傳導耦合的方式很多,可以通過電源線、信號線、接地導體等進行耦合。防止傳導耦合的方法是避免導線感應噪聲,采取適當的屏蔽或將導線分離,或在幹擾進入敏感電路之前,用濾波的方法將其濾除。
感應耦合是電子元件(例如繼電器、變壓器、電感器等)及導線之間的主要耦合方式。可分為電感應耦合和磁感應耦合兩類。對這兩類耦合可以采用加屏蔽、隔離或改變騷擾源和敏感設備的相對位置的方法加以抑製。
輻射是騷擾傳輸的另一種方式,包括天線、電纜、機殼之間產生的幹擾。
通常,一個設備或係統中存在諸多的耦合途徑,一般采取抑製騷擾源、減小騷擾源和敏感設備之間的耦合、降低敏感設備對騷擾源的靈敏度來設計係統,達到電磁兼容的要求。
3 係統內EMC設計中采取的措施
3. 1 有源器件的選擇和PCB的設計
在數字電路特別是高速數字電路設計中,有源器件的正確選擇和印刷電路板( PCB)設計對防止電磁幹擾( EM I)是至關重要的環節。
在器件的選擇過程中必須注意有源器件的固有電磁敏感度特性和電磁騷擾發射特性。*價敏感器件的重要參數有靈敏度和帶寬,靈敏度越高,帶寬越大,抗擾度越差。電子器件的電磁騷擾發射也是應該注意的,應盡量避免或降低對其他器件或係統產生的幹擾。
在PCB板設計中,應充分考慮板的結構、器件的布局、線路安排及濾波等技術。以下是一些值得參考的技巧:
- 電路中的電流環路應保持最小
- 使用較大的地線平麵以減小地線阻抗
- 信號線和回線應盡可能接近
- 電源線和地線應相互接近
- 在多層板設計中,電源麵和地平麵應當分開
- 采用合適的布線寬度以增加高頻阻抗和降低電容耦合
- 數字地、模擬地等應相互分離
- 采用多點接地降低高頻地阻抗
- 增大相鄰激勵線跡的間距減小串擾
- 盡量減小時鍾信號環路麵積
- 高頻線路和時鍾線要短並盡可能直接連接
- 敏感的線路不要與傳輸高頻大電流開關轉換信號的線路並行
- 不要有浮空數字輸入,以防止產生開關誤動作和噪聲
3. 2 濾波技術
在電子係統設計時經常在電路中加入電容器來滿足係統工作時所要求的電源平穩和潔淨度。
根據電容在電路中的作用可分為:去耦電容、旁路電容和容納電容。去耦電容用來濾除高速器件在電源板上引起的騷擾電流;旁路電容可用來消除高頻輻射噪聲,從而抑製共模幹擾;容納電容則配合去耦電容抑製由電流變化引起的噪聲。
主要的濾波技術包括:
- 對電源線和所有進入PCB的信號進行濾波
- 旁路快速開關器件
- 旁路模擬電路的所有電源供電和基準電壓引腳
- 在器件引線處對電源/地去耦
- 用多級濾波抑製不同頻段的電源噪聲
3. 3 其它降噪措施
- 根據係統功能和實現目標要求可以采用懸浮地、單點接地、多點接地和混合接地等不同的接地方式
- 在適當的地方加屏蔽
- 對有幹擾的引線進行屏蔽或絞在一起以消除相互耦合
- 在感性負載上用箝位二極管等
[page]
4 DSP應用係統的電磁兼容設計
DSP係統具有高精度、小功率、快速邏輯等特點,容易受到寄生阻抗、介質吸收或高頻噪聲的影響 。在高速數字電路中,特別是在快速DSP中,時鍾電路通常是寬帶噪聲的主要和最大產生源,可產生高達300MHz或更高的的諧波幹擾,應采取措施加以克服。此外,係統複位線、中斷線和控製線是較容易受到幹擾的敏感設備。
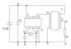
一個電子係統的電磁兼容性很大程度上取決於元件的布局和導線的連接形式。當一段導線和相應的回路中有電流流動時,便產生了天線效應,向外輻射電磁能量,此能量的大小與流過電流的幅值、頻率及該電流環路所包圍的麵積有關。從而形成了一個典型的電磁幹擾源。

圖3 電子係統內部的電流環
如圖3所示,環路A—C—D—B和A—E—F—B中傳輸著係統正常工作所需的能量。然而電路中所消耗的能量不是恒定不變的,zhezhuyaoqujueyuxitongzhonggeyuanjiandeshunshigongzuozhuangtai。xitongzhongmeigeqijiandongzuosuoyinqidebianhuadoujiangfanyingdaozhexiechuanshuxianshang。weilefangzhidianliudekuaisubianhuayinqideganrao,可借助電容Cb加以抑製。由信號線和控製線形成的回路N—F—P—Q 和L—M—F—D所包圍的麵積相對較小,但是由它們引起的高頻噪聲也是不容忽視的。由晶振等元件組成的環路G—H—J—K,通常是係統中信號頻率最高的區域,在進行電磁兼容(EMC)設計時應當重點考慮。
由以上分析可見,在DSP應用係統設計時要重點考慮電源線、高頻信號線和時鍾振蕩電路的設計。
對於電源線來說,可以采用去耦電容和鐵氧體保持供電電源的穩定。信號線及其回路組成環路包圍的麵積越小越好,以減小輻射幹擾( EM I) 。在數字係統中時鍾信號通常是頻率最高的信號。以圖4 為例,當晶振連接C24x係列內部振蕩器時,通過減小高頻電流和電流環路包圍的麵積來抑製電磁幹擾。

圖4 一種推薦的PCB設計方法
晶振具有很高的阻抗(通常為幾百千歐) ,因此其工作時產生的高頻電流幅值很小。然而CMOS電路的輸出是含有高次諧波分量的方波信號,晶振自身對這些信號不具有高阻抗特性,從而將產生較大的諧波電流,可以加一個串聯電阻加以抑製。兩個旁路電容對振蕩器產生的高頻信號來講,呈現出低阻特性,將在Cs—X—Cs之間產生較大的電流。為了減小輻射幹擾,在設計時應盡量縮小這個區域的麵積。
圖中串聯電阻阻值在一千歐範圍內。
5 結束語
針對具體的DSP應用係統,應根據所選芯片類型和功能特點進行電磁兼容設計。例如TMS320C24x DSP,它除了配置有高速數字信號處理的結構,還具有單片電機控製的外設功能,是專門為數字電機控製和其他控製應用係統而設計的。當PCB設計完成後,還可以將C24x PWM單元設置為異步、同步或空間矢量PWM模式,進一步降低電磁幹擾。增強係統的電磁兼容性。
- 噪聲中提取真值!瑞盟科技推出MSA2240電流檢測芯片賦能多元高端測量場景
- 10MHz高頻運行!氮矽科技發布集成驅動GaN芯片,助力電源能效再攀新高
- 失真度僅0.002%!力芯微推出超低內阻、超低失真4PST模擬開關
- 一“芯”雙電!聖邦微電子發布雙輸出電源芯片,簡化AFE與音頻設計
- 一機適配萬端:金升陽推出1200W可編程電源,賦能高端裝備製造
- 算力爆發遇上電源革新,大聯大世平集團攜手晶豐明源線上研討會解鎖應用落地
- 築基AI4S:摩爾線程全功能GPU加速中國生命科學自主生態
- 一秒檢測,成本降至萬分之一,光引科技把幾十萬的台式光譜儀“搬”到了手腕上
- AI服務器電源機櫃Power Rack HVDC MW級測試方案
- 突破工藝邊界,奎芯科技LPDDR5X IP矽驗證通過,速率達9600Mbps
- 車規與基於V2X的車輛協同主動避撞技術展望
- 數字隔離助力新能源汽車安全隔離的新挑戰
- 汽車模塊拋負載的解決方案
- 車用連接器的安全創新應用
- Melexis Actuators Business Unit
- Position / Current Sensors - Triaxis Hall




