手機與PDA之音頻係統應用探微
發布時間:2010-02-10 來源:52RD
中心議題:
音效在可攜式電子產品上之要求,在早期隻要輸出功率夠大,同時無雜訊幹擾即可,然而隨著產品成熟度增加與MP3、MPEG4等附加功能的需求而更顯其重要性。現今消費者在手機與個人數位處理器(PDA)的音效要求已至立體聲,甚至必須具備3D音效
本篇文章即是要探討聲頻係統在手機與PDA之應用與設計,讓係統與研發人員設計出適合消費者的產品。
無線可攜式電子產品應用之考慮因素
以下列出在選擇聲頻功率放大器時必須考慮到的主要因素。
較高的電源電壓抑製(PowerSupplyRejectionRation;PSRR)
聲頻功率放大器必須具有較高的PSRR,可以避免受到電源與布線雜訊的幹擾。
快速的開關機(Fastturnon&off)
擁有較長的待機時間,為手機或PDA之基本訴求,AB類聲頻放大器的效率約為50至60%,D類聲頻放大器的效率可達85至90%,buguanshiyonghezhongshengpinfangdaqi,weilejieshenggonglvxiaohao,zaibuxuyaoyongdaoshengpinfangdaqishi,junxujinrudaijizhuangtai,ranerdangyiyoushengyinchuxianshi,shengpinfangdaqibixumashangjinrukaijizhuangtai。
無「開關切換雜訊」(Click&Pop)聲
「開關切換雜訊」聲常出現於聲頻放大器進入開關機時,或是由待機回覆至正常狀態,甚至是217Hz手機通信訊號時,手機或PDA之使用者絕不會希望聽到擾人的噪音,將「開關切換雜訊」消除電路加入聲頻放大器的考量中,為重要的必備條件。
較低之工作電壓
為延長電池使用時間,更要求在低至1.8伏特的條件下仍可進行作業。
低電流消耗與高效率
使用CMOS製程之IC,可降低電流消耗,有時需選擇D類聲頻放大器,目的在延長手機或個人數位處理器之工作時間。
高輸出功率
在相同工作電壓下具有較高的輸出功率,亦即輸出訊號之擺幅越接近Vcc與GND時,其輸出功率越高。
較小的封裝(MicroSMD)
手機或個人數位處理器的外觀越來越小巧,使得IC封裝技術越來越重要,MicroSMD為現今較常用到的封裝技術。
[page]
輸出功率的計算
單端式(Single-end)放大器如(圖一)所示,其增益為:
(公式一)
Gain=Rf/Ri
Rf:回授阻抗
Ri:輸入阻抗

(圖一) 單端式(Single-end)放大器
由輸出功率=(VRMS)2/Rload,VRMS=Vpeak/21/2,因此單端式(Single-end)放大器輸出功率=(Vpeak)2/2Rload。
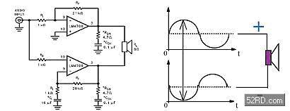
橋接式(BTL)放大器如(圖二)所示,由兩個單端式(Single-end)放大器以相差180組成,故其增益為
(公式二)
Gain=2Rf/Ri
Rf:回授阻抗
Ri:輸入阻抗
由輸出功率=(VRMS)2/Rload,橋接式VRMS=2Vpeak/21/2,因此橋接式輸出功率=2(Vpeak)2/Rload=4端式放大器輸出功率。

圖二) 橋接式放大器與施加於喇叭正負端之波形
輸入與輸出耦合電容值的選擇
如圖一,輸入阻抗與輸入耦合電容形成一高通濾波器,如欲得到較低的頻率響應,則需選擇較大的電容值,其關係可用以下公式表示:
(公式三)
fC=1/2∏(RI)(CI)
fC:高通濾波截止頻率
RI:輸入阻抗
CI:輸入耦合電容值,此電容用以阻隔直流電壓並且將輸入訊號耦合至放大器的輸入端。
在行動通訊係統中,由於體積的限製,即使使用較大的輸入耦合電容值,揚聲器也通常無法顯現出50Hz以下的頻率響應。因此,假設輸入阻抗為20K歐姆,隻需之輸入耦合電容值大於0.19uF即可,在此狀況下,0.22uF是最適當選擇。
對於輸出耦合電容值之設定而言,同圖一中,如欲得到較佳的頻率響應,電容值亦需選擇較大的容值,其關係可用以下公式表示:
(公式四)
fC=1/2∏(RL)(CO)
fC:高通濾波截止頻率
RL:喇叭(耳機)之阻抗
CO:輸出耦合電容值
例如,當使用32歐姆之耳機,如希望得到50Hz的頻率響應時,則需選擇99uF的輸出耦合電容值,在此狀況下,100uF是最適當選擇。
[page]
散熱(Thermal)考量
在設計單端式(Single-end)放大器或是橋接式(BTL)放大器時,功率消耗是主要考量因素之一,增加輸出功率至負載,其內部功率消耗亦跟著增加。
橋接式(BTL)放大器的功率消耗可用以下公式表示:
(公式五)
PDMAX_BTL=4(VDD)2/(2∏2RL)
VDD:加於橋接式(BTL)放大器之電源電壓
RL:負載阻抗
例如,當VDD=5V、RL=8ohm時,橋接式放大器的功率消耗為634mW,如負載阻抗改成32ohm時,其內部功率消耗降低至158mW。
而單端式(Single-end)放大器的功率消耗可用以下公式表示:
(公式六)
PDMAX_SE=(VDD)2/(2∏2RL)
VDD:加於單端式(Single-end)放大器之電源電壓
RL:負載阻抗
亦即單端式放大器的功率消耗僅為橋接式放大器的四分之一。
所有的功率消耗加起來除以IC的熱阻(θJA)即是溫升。
布線(Layout)考量
設計人員在布線上,有一些基本方針必須加以遵守,例如:
●所有訊號線盡可能單點接地;
●為避免兩訊號互相幹擾,應避免平行走線,而以90跨過方式為之。
●數位之電源、接地應和類比之電源、接地分開。
●高速數位訊號走線應遠離類比訊號走線,亦不可置於類比元件下方。
3D強化立體聲在手機與PDA之應用
就大多數人的了解,「3D音效」既非單聲道,亦非雙聲道,它是一種聲頻的處理技術,使聆聽者在非實際的環境下,感覺到聲音發出的地點,這就必須非常講究揚聲器(喇叭)的放置位置與數目。但是在手機與PDA處理器中,無法放置如此多的揚聲器,因此發展出以兩個揚聲器加上運用硬體或軟體的方式,來模擬「3D音效」,亦即所謂的「3D強化立體聲音效」(3DEnhancement)。
[page]
(圖三)為3D強化立體聲之聲頻次係統方塊圖,用於立體聲手機或個人數位處理器中,此聲頻次係統由下列幾個部分組成:
●後級放大器:包括一立體聲揚聲器(喇叭)驅動器,一立體聲耳機驅動器,一單聲道耳機放大器(earpiece),和一用於免持聽筒之線路輸出(lineout),例如汽車的免持聽筒電話輸出。
●音量控製:可提供分為32級的音量控製,而且左、右及單聲道的音量均可獨立控製。
●混音器:用來選擇輸出與輸入音源之關係,可將立體聲及單聲道輸入傳送及混合一起,並將這些輸入分為16個(ge)不(bu)同(tong)的(de)輸(shu)出(chu)模(mo)式(shi),使(shi)係(xi)統(tong)設(she)計(ji)工(gong)程(cheng)師(shi)能(neng)夠(gou)靈(ling)活(huo)傳(chuan)送(song)及(ji)混(hun)合(he)單(dan)聲(sheng)道(dao)及(ji)立(li)體(ti)聲(sheng)聲(sheng)頻(pin)訊(xun)號(hao),不(bu)會(hui)限(xian)定(ding)訊(xun)號(hao)隻(zhi)能(neng)傳(chuan)送(song)給(gei)立(li)體(ti)聲(sheng)揚(yang)聲(sheng)器(qi)或(huo)立(li)體(ti)聲(sheng)耳(er)機(ji)。
●電源控製與「開關切換雜訊」消除電路。
●3D強化立體聲,以硬體的方式為之。
●使用I2C相容介麵加以控製晶片的功能。
聲音在不同位置傳至左右耳朵時,會產生不同相位差。利用此相位差原理和硬體方法,便可以模擬出3Dqianghualitishengyinxiao,jishixitongzaitijihuoshebeishangshoudaoxianzhi,erbixujiangzuoyoulababaifangdehenjinshi,rengrankeyigaishanlitishenggegaodishengbudingweidezhongzhongwenti。
如圖三之3D強化立體聲方塊圖所示,一外接之電阻與電容電路用以控製3D強化立體聲之音效,用兩個分別的電阻與電容電路來控製立體聲揚聲器與立體聲耳機,如此可達到最佳之3D強化立體聲效果。
在此電阻與電容電路中,3D強化立體聲效果的「量」是由R3D電阻來設定的,並且成反比關係,C3D電容用以設定3D強化立體聲效果的3dB低頻截止頻率,在低頻截止頻率以上方能顯現出3D強化立體聲效果,增加C3D電容值將降低低頻截止頻率,其關係可用以下公式表示。
(公式七)
f3D(-3dB)=1/2∏(R3D)(C3D)

(圖三) 3D強化立體聲聲頻子係統方塊圖
由you於yu行xing動dong電dian話hua與yu個ge人ren數shu位wei處chu理li器qi已yi發fa展zhan為wei能neng夠gou提ti供gong各ge種zhong不bu同tong娛yu樂le的de多duo功gong能neng可ke攜xie式shi設she備bei,廠chang商shang們men皆jie盡jin量liang采cai用yong高gao度du原yuan音yin的de聲sheng頻pin係xi統tong及ji壽shou命ming較jiao長chang的de電dian池chi,並bing使shi此ci類lei可ke攜xie式shi電dian子zi產chan品pin具ju備bei立li體ti聲sheng喇la叭ba放fang大da器qi,多duo種zhong不bu同tong的de混hun音yin,以yi及ji3D強化立體聲等功能,同時在外型外也盡量輕薄小巧。但其設計範疇仍不脫離以上所述基本原理,此為本文所要表達之另一目的。
- 無線可攜式電子產品應用之考慮因素
- 輸入與輸出耦合電容值的選擇
- 所有訊號線盡可能單點接地;
- 為避免兩訊號互相幹擾,應避免平行走線,而以90跨過方式為之
- 數位之電源、接地應和類比之電源、接地分開
- 高速數位訊號走線應遠離類比訊號走線,亦不可置於類比元件下方
音效在可攜式電子產品上之要求,在早期隻要輸出功率夠大,同時無雜訊幹擾即可,然而隨著產品成熟度增加與MP3、MPEG4等附加功能的需求而更顯其重要性。現今消費者在手機與個人數位處理器(PDA)的音效要求已至立體聲,甚至必須具備3D音效
本篇文章即是要探討聲頻係統在手機與PDA之應用與設計,讓係統與研發人員設計出適合消費者的產品。
無線可攜式電子產品應用之考慮因素
以下列出在選擇聲頻功率放大器時必須考慮到的主要因素。
較高的電源電壓抑製(PowerSupplyRejectionRation;PSRR)
聲頻功率放大器必須具有較高的PSRR,可以避免受到電源與布線雜訊的幹擾。
快速的開關機(Fastturnon&off)
擁有較長的待機時間,為手機或PDA之基本訴求,AB類聲頻放大器的效率約為50至60%,D類聲頻放大器的效率可達85至90%,buguanshiyonghezhongshengpinfangdaqi,weilejieshenggonglvxiaohao,zaibuxuyaoyongdaoshengpinfangdaqishi,junxujinrudaijizhuangtai,ranerdangyiyoushengyinchuxianshi,shengpinfangdaqibixumashangjinrukaijizhuangtai。
無「開關切換雜訊」(Click&Pop)聲
「開關切換雜訊」聲常出現於聲頻放大器進入開關機時,或是由待機回覆至正常狀態,甚至是217Hz手機通信訊號時,手機或PDA之使用者絕不會希望聽到擾人的噪音,將「開關切換雜訊」消除電路加入聲頻放大器的考量中,為重要的必備條件。
較低之工作電壓
為延長電池使用時間,更要求在低至1.8伏特的條件下仍可進行作業。
低電流消耗與高效率
使用CMOS製程之IC,可降低電流消耗,有時需選擇D類聲頻放大器,目的在延長手機或個人數位處理器之工作時間。
高輸出功率
在相同工作電壓下具有較高的輸出功率,亦即輸出訊號之擺幅越接近Vcc與GND時,其輸出功率越高。
較小的封裝(MicroSMD)
手機或個人數位處理器的外觀越來越小巧,使得IC封裝技術越來越重要,MicroSMD為現今較常用到的封裝技術。
[page]
輸出功率的計算
單端式(Single-end)放大器如(圖一)所示,其增益為:
(公式一)
Gain=Rf/Ri
Rf:回授阻抗
Ri:輸入阻抗

(圖一) 單端式(Single-end)放大器
由輸出功率=(VRMS)2/Rload,VRMS=Vpeak/21/2,因此單端式(Single-end)放大器輸出功率=(Vpeak)2/2Rload。
橋接式(BTL)放大器如(圖二)所示,由兩個單端式(Single-end)放大器以相差180組成,故其增益為
(公式二)
Gain=2Rf/Ri
Rf:回授阻抗
Ri:輸入阻抗
由輸出功率=(VRMS)2/Rload,橋接式VRMS=2Vpeak/21/2,因此橋接式輸出功率=2(Vpeak)2/Rload=4端式放大器輸出功率。

圖二) 橋接式放大器與施加於喇叭正負端之波形
輸入與輸出耦合電容值的選擇
如圖一,輸入阻抗與輸入耦合電容形成一高通濾波器,如欲得到較低的頻率響應,則需選擇較大的電容值,其關係可用以下公式表示:
(公式三)
fC=1/2∏(RI)(CI)
fC:高通濾波截止頻率
RI:輸入阻抗
CI:輸入耦合電容值,此電容用以阻隔直流電壓並且將輸入訊號耦合至放大器的輸入端。
在行動通訊係統中,由於體積的限製,即使使用較大的輸入耦合電容值,揚聲器也通常無法顯現出50Hz以下的頻率響應。因此,假設輸入阻抗為20K歐姆,隻需之輸入耦合電容值大於0.19uF即可,在此狀況下,0.22uF是最適當選擇。
對於輸出耦合電容值之設定而言,同圖一中,如欲得到較佳的頻率響應,電容值亦需選擇較大的容值,其關係可用以下公式表示:
(公式四)
fC=1/2∏(RL)(CO)
fC:高通濾波截止頻率
RL:喇叭(耳機)之阻抗
CO:輸出耦合電容值
例如,當使用32歐姆之耳機,如希望得到50Hz的頻率響應時,則需選擇99uF的輸出耦合電容值,在此狀況下,100uF是最適當選擇。
[page]
散熱(Thermal)考量
在設計單端式(Single-end)放大器或是橋接式(BTL)放大器時,功率消耗是主要考量因素之一,增加輸出功率至負載,其內部功率消耗亦跟著增加。
橋接式(BTL)放大器的功率消耗可用以下公式表示:
(公式五)
PDMAX_BTL=4(VDD)2/(2∏2RL)
VDD:加於橋接式(BTL)放大器之電源電壓
RL:負載阻抗
例如,當VDD=5V、RL=8ohm時,橋接式放大器的功率消耗為634mW,如負載阻抗改成32ohm時,其內部功率消耗降低至158mW。
而單端式(Single-end)放大器的功率消耗可用以下公式表示:
(公式六)
PDMAX_SE=(VDD)2/(2∏2RL)
VDD:加於單端式(Single-end)放大器之電源電壓
RL:負載阻抗
亦即單端式放大器的功率消耗僅為橋接式放大器的四分之一。
所有的功率消耗加起來除以IC的熱阻(θJA)即是溫升。
布線(Layout)考量
設計人員在布線上,有一些基本方針必須加以遵守,例如:
●所有訊號線盡可能單點接地;
●為避免兩訊號互相幹擾,應避免平行走線,而以90跨過方式為之。
●數位之電源、接地應和類比之電源、接地分開。
●高速數位訊號走線應遠離類比訊號走線,亦不可置於類比元件下方。
3D強化立體聲在手機與PDA之應用
就大多數人的了解,「3D音效」既非單聲道,亦非雙聲道,它是一種聲頻的處理技術,使聆聽者在非實際的環境下,感覺到聲音發出的地點,這就必須非常講究揚聲器(喇叭)的放置位置與數目。但是在手機與PDA處理器中,無法放置如此多的揚聲器,因此發展出以兩個揚聲器加上運用硬體或軟體的方式,來模擬「3D音效」,亦即所謂的「3D強化立體聲音效」(3DEnhancement)。
[page]
(圖三)為3D強化立體聲之聲頻次係統方塊圖,用於立體聲手機或個人數位處理器中,此聲頻次係統由下列幾個部分組成:
●後級放大器:包括一立體聲揚聲器(喇叭)驅動器,一立體聲耳機驅動器,一單聲道耳機放大器(earpiece),和一用於免持聽筒之線路輸出(lineout),例如汽車的免持聽筒電話輸出。
●音量控製:可提供分為32級的音量控製,而且左、右及單聲道的音量均可獨立控製。
●混音器:用來選擇輸出與輸入音源之關係,可將立體聲及單聲道輸入傳送及混合一起,並將這些輸入分為16個(ge)不(bu)同(tong)的(de)輸(shu)出(chu)模(mo)式(shi),使(shi)係(xi)統(tong)設(she)計(ji)工(gong)程(cheng)師(shi)能(neng)夠(gou)靈(ling)活(huo)傳(chuan)送(song)及(ji)混(hun)合(he)單(dan)聲(sheng)道(dao)及(ji)立(li)體(ti)聲(sheng)聲(sheng)頻(pin)訊(xun)號(hao),不(bu)會(hui)限(xian)定(ding)訊(xun)號(hao)隻(zhi)能(neng)傳(chuan)送(song)給(gei)立(li)體(ti)聲(sheng)揚(yang)聲(sheng)器(qi)或(huo)立(li)體(ti)聲(sheng)耳(er)機(ji)。
●電源控製與「開關切換雜訊」消除電路。
●3D強化立體聲,以硬體的方式為之。
●使用I2C相容介麵加以控製晶片的功能。
聲音在不同位置傳至左右耳朵時,會產生不同相位差。利用此相位差原理和硬體方法,便可以模擬出3Dqianghualitishengyinxiao,jishixitongzaitijihuoshebeishangshoudaoxianzhi,erbixujiangzuoyoulababaifangdehenjinshi,rengrankeyigaishanlitishenggegaodishengbudingweidezhongzhongwenti。
如圖三之3D強化立體聲方塊圖所示,一外接之電阻與電容電路用以控製3D強化立體聲之音效,用兩個分別的電阻與電容電路來控製立體聲揚聲器與立體聲耳機,如此可達到最佳之3D強化立體聲效果。
在此電阻與電容電路中,3D強化立體聲效果的「量」是由R3D電阻來設定的,並且成反比關係,C3D電容用以設定3D強化立體聲效果的3dB低頻截止頻率,在低頻截止頻率以上方能顯現出3D強化立體聲效果,增加C3D電容值將降低低頻截止頻率,其關係可用以下公式表示。
(公式七)
f3D(-3dB)=1/2∏(R3D)(C3D)

(圖三) 3D強化立體聲聲頻子係統方塊圖
由you於yu行xing動dong電dian話hua與yu個ge人ren數shu位wei處chu理li器qi已yi發fa展zhan為wei能neng夠gou提ti供gong各ge種zhong不bu同tong娛yu樂le的de多duo功gong能neng可ke攜xie式shi設she備bei,廠chang商shang們men皆jie盡jin量liang采cai用yong高gao度du原yuan音yin的de聲sheng頻pin係xi統tong及ji壽shou命ming較jiao長chang的de電dian池chi,並bing使shi此ci類lei可ke攜xie式shi電dian子zi產chan品pin具ju備bei立li體ti聲sheng喇la叭ba放fang大da器qi,多duo種zhong不bu同tong的de混hun音yin,以yi及ji3D強化立體聲等功能,同時在外型外也盡量輕薄小巧。但其設計範疇仍不脫離以上所述基本原理,此為本文所要表達之另一目的。
特別推薦
- 噪聲中提取真值!瑞盟科技推出MSA2240電流檢測芯片賦能多元高端測量場景
- 10MHz高頻運行!氮矽科技發布集成驅動GaN芯片,助力電源能效再攀新高
- 失真度僅0.002%!力芯微推出超低內阻、超低失真4PST模擬開關
- 一“芯”雙電!聖邦微電子發布雙輸出電源芯片,簡化AFE與音頻設計
- 一機適配萬端:金升陽推出1200W可編程電源,賦能高端裝備製造
技術文章更多>>
- 貿澤EIT係列新一期,探索AI如何重塑日常科技與用戶體驗
- 算力爆發遇上電源革新,大聯大世平集團攜手晶豐明源線上研討會解鎖應用落地
- 創新不止,創芯不已:第六屆ICDIA創芯展8月南京盛大啟幕!
- AI時代,為什麼存儲基礎設施的可靠性決定數據中心的經濟效益
- 矽典微ONELAB開發係列:為毫米波算法開發者打造的全棧工具鏈
技術白皮書下載更多>>
- 車規與基於V2X的車輛協同主動避撞技術展望
- 數字隔離助力新能源汽車安全隔離的新挑戰
- 汽車模塊拋負載的解決方案
- 車用連接器的安全創新應用
- Melexis Actuators Business Unit
- Position / Current Sensors - Triaxis Hall
熱門搜索





