分享22個關於PCB布板與EMC的知識點
發布時間:2019-06-17 責任編輯:xueqi
【導讀】若要布出一個精良PCB板一定是開關電源的難點之一(PCB設計不好,可能會導致無論怎麼調試參數都調試布出來的情況,這麼說並非危言聳聽)。原因是PCB布板時考慮的因素還是很多的,如:電氣性能,工藝路線,安規要求,EMC影響等等;考慮的因素之中電氣是最基本的,但是EMC又是最難摸透的,很多項目的進展瓶頸就在於EMC問題;下麵從二十二個方向給大家分享下PCB布板與EMC。


一、熟透電路方可從容進行PCB設計之EMI電路

上麵的電路對EMC的影響可想而知,輸入端的濾波器都在這裏;防雷擊的壓敏;防止衝擊電流的電阻R102(配合繼電器減小損耗);關鍵的慮差模X電容以及和電感配合濾波的Y電容;還有對安規布板影響的保險絲;這裏的每一個器件都至關重要,要細細品味每一個器件的功能與作用。設計電路時就要考慮的EMC嚴酷等級從容設計,比如設置幾級濾波,Y電容數量的個數以及位置。壓敏大小數量選擇,都與我們對EMC的需求密切相關,歡迎大家一起討論看似簡單其實每個元器件蘊含深刻道理的EMI電路。
二、電路與EMC:(最熟悉的反激主拓撲,看看電路中哪些關鍵地方蘊含了EMC的機理)

上圖的電路中打圈幾部分:對EMC影響非常重要(注意綠色部分不是的),比bi如ru輻fu射she大da家jia都dou知zhi道dao電dian磁ci場chang輻fu射she是shi空kong間jian的de,但dan基ji本ben的de原yuan理li是shi磁ci通tong量liang的de變bian化hua,磁ci通tong量liang涉she及ji到dao磁ci場chang有you效xiao截jie麵mian積ji,也ye就jiu是shi電dian路lu中zhong對dui應ying的de環huan路lu。電dian流liu可ke以yi產chan生sheng磁ci場chang,產chan生sheng的de是shi穩wen定ding的de磁ci場chang,不bu能neng向xiang電dian場chang轉zhuan化hua;但變化的電流產生變化的磁場,變化的磁場是可以產生電場(其實這就是有名的麥克斯韋方程我用通俗語言來說),變化的電場同理可產生磁場。所以一定要關注那些有開關狀態的地方,那就是EMC源頭之一,這裏就是EMC源頭之一(這裏說之一當然後續還會講到其它方麵); 比如電路中虛線環路,是開關管開通和關斷的環路,不僅設計電路時開關速度可以調節對EMC影響,布板走線環路麵積也有著重要的影響!另二個環路是吸收環路和整流環路,先提前了解下,後麵再講!
三、PCB設計與EMC的關聯
1.PCB環路對EMC的影響非常重要,比如反激主功率環路,如果太大的話輻射會很差。
2.濾波器走線效果,濾波器是用來濾去幹擾的,但若是PCB走線不好的話,濾波器就可能失去應該有的效果。
3.結構部分,散熱器設計接地不好會影響,屏蔽版的接地等;
4.敏感部分與幹擾源頭過近,比如EMI電路與開關管很近,必然會導致EMC很差,需要有清晰的隔離區域。
5.RC吸收回路的走線。
6.Y電容接地與走線,還有Y電容的位置也很關鍵等等!
等等。先想到這說這些,後續會具體討論,先起個引子。
下麵舉一個小例子:

如上圖中虛線框,X電容引腳走線做了內縮的處理,大家可以學習下,如何讓電容引腳走線外掛(采用擠電流走線)。這樣X電容的濾波效果才能夠達到最佳狀態。
四、PCB設計之準備事項:(準備充分了,方可設計步步穩健,避免設計推翻重來)
大致有以下的一些方麵,都是自己設計過程會去考慮,所有的內容跟別的教程無關,都是隻是自己的經驗總結。
1.外觀結構尺寸,包括定位孔,風道流向,輸入輸出插座,需要與客戶係統匹配,還需要與客戶溝通裝配上的問題,限高等等。
2.安規認證,產品做哪種認證,哪些地方做到基本絕緣爬電距離要留夠,哪些地方做到加強絕緣留夠距離或開槽。
3.封裝設計:有沒有特殊期間,如定製件封裝準備。
4.工藝路線選定:單麵板雙麵板選擇,或是多層板,根據原理圖及板子尺寸,成本等綜合評估。
5.客戶的其他特殊要求。
結jie構gou工gong藝yi相xiang對dui會hui更geng靈ling活huo,安an規gui還hai是shi比bi較jiao固gu定ding的de部bu分fen,做zuo什shen麼me認ren證zheng,過guo什shen麼me安an規gui標biao準zhun,當dang然ran也ye有you一yi些xie安an規gui是shi很hen多duo標biao準zhun中zhong通tong用yong的de,但dan也ye有you一yi些xie特te殊shu產chan品pin比bi如ru醫yi療liao會hui比bi較jiao嚴yan苛ke。
為了新入門工程師朋友們不至於眼花繚亂;
接下來列出些普遍產品通用的,下麵是對於IEC60065總結出來的具體布板要求,針對安規需要牢記,碰到具體產品要會針對性處理:
1.輸入保險絲焊盤製件的距離安規要求大於3.0MM,實際布板按照3.5MM(簡單說保險絲前按照3.5MM爬電距離,之後按照3.0MM爬電距離)
2.整流橋前後安規要求2.0MM,布板按照2.5MM。
3.整流後安規一般不做要求,但是高低壓間根據實際電壓大小留距離,習慣400V高壓留2.0MM以上。
4.初次級間安規要求6.4MM(電氣間隙),爬電距離按照7.6MM為最佳。(注意這個跟實際輸入電壓相關,需要查表具體計算,提供數據僅供參考,以實際場合為準)
5.初次級用冷地,熱地標識清晰;L,N標識,輸入AC INPUT標識,保險絲警告標識等等都需要清晰標出。
大家對上麵有疑問的,也可以討論,互相學習!
再次重申實際安規距離跟實際輸入電壓相關以及工作環境有關,需要查表具體計算,提供數據僅供參考,以實際場合為準;
五、PCB設計之安規考慮其它因素
1.明白自己產品做什麼認證,屬於什麼產品種類,比如醫療,通信,電力,TV等各不相同,但也有很多相通的地方。
2.安規中與PCB布(bu)板(ban)緊(jin)密(mi)的(de)地(di)方(fang),了(le)解(jie)絕(jue)緣(yuan)的(de)特(te)點(dian),哪(na)些(xie)地(di)方(fang)是(shi)基(ji)本(ben)絕(jue)緣(yuan),哪(na)些(xie)地(di)方(fang)是(shi)加(jia)強(qiang)絕(jue)緣(yuan),不(bu)同(tong)標(biao)準(zhun)絕(jue)緣(yuan)距(ju)離(li)是(shi)不(bu)一(yi)樣(yang)的(de)。最(zui)好(hao)是(shi)會(hui)查(zha)標(biao)準(zhun),並(bing)且(qie)會(hui)計(ji)算(suan)電(dian)氣(qi)距(ju)離(li),爬(pa)電(dian)距(ju)離(li)。
3.產品的安規器件重點注意,比如變壓器磁性與原副邊關係;
4.散熱器與周邊距離問題,散熱器接的地不一樣絕緣情況也不一樣,接大地還是冷地,熱地絕緣也布一樣。
5.保險的距離特別注意,要求最嚴格地方。保險絲前後距離布一致。
6.Y電容與漏電流,接觸電流關係。
後續會詳細說明距離該怎麼留,如何做好安規要求。
六、PCB設計之電源布局
1.首先衡量PCB尺寸與器件數量,做到疏密有致,要不然一塊密,一塊稀疏很難看。
2.將電路模塊化,以核心器件為中心,關鍵器件優先放的原則一次放置器件。
3.器件呈垂直或水平防置,一是美觀,二是方便插件作業,特殊情況可以考慮傾斜。
4.布局時需要考慮到走線,擺放到最合理位置方便後續走線。
5.布局時盡可能減小環路麵積,四大環路後麵會詳解到。
做到上述幾點,當然要靈活運用,比較合理的布局很快就會誕生。
下麵是我畫的第一塊處女PCB板,好多年前的事情,當時非常的艱苦完成的,中間可能有小問題,不過大體布局還是值得學習的:

此圖功率密度還是比較高,其中LLC的控製部分,輔助源部分以及BUCK電路驅動(大功率多路輸出)部分在小板上,就沒拿出來,看看主功率方麵的布局特點吧:
1.輸入輸出端子是固定死的,不能動,板子是長方形的,主功率流向如何去選擇?
這裏采用由下至上,由左及右的方式來布局,散熱是依靠外殼。
2.EMI電路還是清晰的流向,這點很重要,要不混亂了不美觀也對EMC不好。
3.大電容的位置盡量考慮到了PFC環路以及LLC主功率環路;
4.副邊的電流比較大,為了走電流,以及整流管散熱,采用了這樣的布局,整流管在上,BUCK電路MOS管在下,散熱分散效果好;大功率的頂層一般走負,底層走正。
每個板子有自己的特點,當然也有自己的難處,如何合理解決是關鍵,大家從中能理解布局合理選取的含義嗎?
七、PCB實例賞析
可以根據之前談論的PCB布bu局ju要yao點dian,檢jian視shi此ci板ban,是shi否fou做zuo的de很hen到dao位wei,我wo認ren為wei是shi做zuo到dao比bi較jiao好hao的de地di方fang了le,當dang然ran瑕xia疵ci總zong會hui有you,也ye可ke以yi提ti出chu來lai,單dan麵mian板ban如ru此ci緊jin湊cou能neng做zuo到dao這zhe樣yang已yi實shi屬shu不bu易yi了le,可ke以yi借jie此ci板ban學xue習xi討tao論lun!後麵還會針對此板講解學習,大家先欣賞下。

八、PCB設計之四大環路認識:(PCB布局的基本要求就是四大環路麵積小)

補充一下,吸收環路(RCD吸收以及MOS管的RC吸收,整流管的RC吸收)也(ye)很(hen)重(zhong)要(yao),也(ye)是(shi)產(chan)生(sheng)高(gao)頻(pin)輻(fu)射(she)的(de)環(huan)路(lu),對(dui)上(shang)圖(tu)有(you)任(ren)何(he)疑(yi)問(wen),都(dou)歡(huan)迎(ying)討(tao)論(lun),不(bu)怕(pa)任(ren)何(he)質(zhi)疑(yi),隻(zhi)要(yao)是(shi)針(zhen)對(dui)問(wen)題(ti)的(de)質(zhi)疑(yi),一(yi)起(qi)討(tao)論(lun)學(xue)習(xi)才(cai)能(neng)更(geng)大(da)的(de)進(jin)步(bu)!
九、PCB設計之熱點(浮動電位點)及地線:

注意事項:
1.針對熱點,一定要特別注意(高頻開關點),是高頻輻射點,布局走線對EMC影響很大。
2.熱點構成的環路小,走線短,並且走線不是越粗越好,而是夠走電流夠用就好。
3.地線要單點接地。主功率地和信號地分開,采樣地單獨走。
4.散熱器的地需要接主功率地。
十、EMC整改心得體會
均(jun)為(wei)個(ge)人(ren)理(li)解(jie),或(huo)許(xu)與(yu)傳(chuan)統(tong)資(zi)料(liao)教(jiao)材(cai)有(you)差(cha)異(yi),請(qing)自(zi)己(ji)斟(zhen)酌(zhuo),反(fan)正(zheng)我(wo)覺(jiao)得(de)很(hen)多(duo)通(tong)用(yong)的(de)教(jiao)材(cai)結(jie)果(guo)沒(mei)我(wo)自(zi)己(ji)總(zong)結(jie)的(de)使(shi)用(yong),自(zi)誇(kua)了(le)。想(xiang)說(shuo)的(de)很(hen)多(duo),可(ke)能(neng)有(you)些(xie)亂(luan),都(dou)是(shi)實(shi)踐(jian)出(chu)來(lai)的(de)!
EMC產生以及測試時測得的結果如何去理解:簡單來說就是如何對症下藥,很多情況拿到第一輪測試結果,怎麼將結果和電源去對照分析;主題思路如下:
1、針對傳導,測試範圍標準15K-30M,常見的EN55022是150K起。傳導的源頭是怎麼產生的呢?針對低頻,主要是開關頻率以及其倍頻(後續有圖解),這zhe種zhong從cong源yuan頭tou是shi無wu法fa解jie決jue的de,開kai關guan頻pin率lv是shi無wu法fa消xiao除chu的de,當dang然ran你ni可ke以yi改gai變bian開kai關guan頻pin率lv,那na也ye隻zhi是shi將jiang測ce試shi結jie果guo移yi動dong了le,並bing沒mei有you真zhen正zheng意yi義yi上shang消xiao除chu。隻zhi能neng通tong過guo濾lv波bo器qi來lai解jie決jue,一yi般ban來lai說shuo對dui於yu低di頻pin采cai用yongR10K這種高磁通材質有很好的效果,磁環大小跟你功率有關係,一般達到10MH感量,甚至更大到20MH,配合Y電容一般能很好解決,低頻不是難點;zhenzhengdenandianshigaopin,gerenrenwei,gaopindeqiyinjiufuzaduole,youkaiguandaozhi,youbianyaqikeneng,yeyoudiangandekeneng,yejiujiushiyiqiecunzaikaiguanzhuangtaidedifangdoukenengcunzai(怎麼判斷具體位置,後續講解),這裏需要一番摸索;找到源頭未必源頭能解決,可能有改善,還是的配合濾波器。針對高頻,采用低磁通材質,如鎳鋅環,感量一般都是UH級別的,配合合適Y電容(比較複雜的電源,建議布板時多留幾個Y電容位置,方便整改);
2、一些配合手段,很多教材都提到增大X電容判斷差模還是共模,有一定意義可能現實幫助不大,設計時一般我們X電容都會放到合適的值。並且增大X電容就能解決差模問題,也是瞎扯,所以很多教材都是提供一定意義指導,個人覺得沒什麼用。我覺得比較好的手段有幾個:1.對照接地和不解地總結差異,不接地可能更差,原因是係統構造的傳導途徑少了;也可能有改善,說明是通過地回路傳導到端口。具體解決措施,針對電路接地的點Y電容進行調節以及加磁珠。2.在輸入端口套磁環,若套低U環有改善,調節第一級濾波電感。3複雜的係統注意EMI電路的屏蔽措施。若措施都沒什麼效果,反省PCB設計,這方麵在PCB設計中會講到。
3、針對輻射:必須找出源頭去解決,觀測第一次測試結果,若是30M附近超出,跟接地相關,係統上找接地,並且要判斷測試時是否接地良好,有時候輸入線都有影響。2.40M-100M以內,一般是MOS管開通關斷引起,有時後為了現場不好直接判斷是開通還是關斷,可針對性整改觀測結果去驗證(當然這都得花錢,後續會講解如何用示波器去判斷,這可是密招)。3 100M以上多為二極管引起,整改二極管吸收電容,大功率的有的可能是同步整流,更改MOS管吸收環路,記住有時候調整C時還得配合R整改。
yaoshuodetaiduo,houxuzhenduijutishiliqubuchongba,xianshoudazhemeduo,fanzhengwodadegouxinku,nengyinqigongminghennan,bijingmeigerendezhenggaijinglichahenduo,jiudanggeixinrenpengyouyixieqishiba,houxuhuijulishuoming!
十一、布板走線之濾波電容走線
濾波電容的走線對濾波效果有至關重要的作用,走的不好,可能失去其應有的濾波效果。
圖一是副邊整流濾波走法,使二個電容效果分攤,避免第二個電容在整流回路中失效。

圖二:為輸出濾波電容走線,一定不要外掛(也就是被旁路掉),走的不好輸出紋波很差。
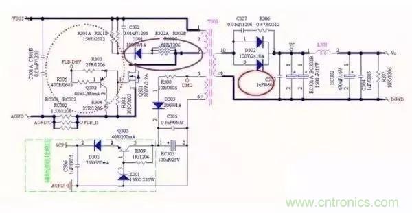
十二、LLC電路的布板與EMC

LLC電路大家最熟悉不過了,虛線圓圈是驅動電路,在電路設計時緊靠MOS管放置,也就是說IC提供的驅動隻需要引二根線拉到驅動電路,驅動電路離MOS管近,避免被幹擾(同時走線時也要注意驅動幹擾到敏感信號,既是敏感信號也是幹擾源);一旦驅動被幹擾電源可想而知。
同理同步整流的MOS管驅動也要離同步整流管近,設計原理圖時像此圖這樣放就能很好理解,假如你將這電路給PCB工程師布板,他就很直觀如何布局走線,你若是畫得很亂,很多PCB工程師對電路理解得布透徹可能就容易布錯板。
另外:原邊有一個重要的環路,PFC電容與MOS管以及變壓器,諧振電感,諧振電容構成的環路麵積小;
副邊整流濾波環路同樣重要,電容的走線之前講過,也很重要;
走線時注意高低壓的距離,有些地方電壓是浮動的,必須當作高壓來對待,比如上管驅動以及對應的參考電壓。
至於EMC方麵LLC的開通是軟開關,開通對EMC幾乎沒有影響,重點關注是關斷速度的快慢對EMC影響;還有MOS管結電容並的電容對EMC影響很大,選擇電容不合適,或是不加(MOS管自身也有結電容)對EMC都可能有影響,這是重點注意的地方;此圖沒有Y電容,在MOS管正或者負防置Y電容也能很好濾去開關幹擾;
十三、電路設計與布板之PFC

上圖是典型的BOOST PFC電路:
左邊綠色方框部分是驅動電路,和之前LLC拓撲驅動一樣,離MOS就近放置,原理圖上就體現出來。
右邊綠色虛線方框部分,是MOS管關斷尖峰吸收電路,一樣與MOS管構成環路要最小;
另外二大重要環路,一是MOS管開通環路(虛線紅色圖),另一個是MOS管關斷環路(實線紅色圖);環路麵積盡可能小;
十四、磁環在EMC中妙用
有的產品EMC很(hen)難(nan)在(zai)源(yuan)頭(tou)上(shang)去(qu)處(chu)理(li)的(de),可(ke)以(yi)采(cai)用(yong)磁(ci)環(huan)濾(lv)波(bo),當(dang)然(ran)我(wo)這(zhe)裏(li)說(shuo)的(de)磁(ci)環(huan)有(you)二(er)個(ge)層(ceng)麵(mian)的(de)意(yi)思(si),一(yi)方(fang)麵(mian)是(shi)輸(shu)入(ru)輸(shu)出(chu)端(duan)的(de)濾(lv)波(bo)電(dian)感(gan),采(cai)用(yong)不(bu)同(tong)材(cai)質(zhi)磁(ci)環(huan),不(bu)同(tong)匝(za)數(shu)會(hui)有(you)對(dui)應(ying)的(de)效(xiao)果(guo),還(hai)有(you)一(yi)方(fang)麵(mian)意(yi)思(si)是(shi)直(zhi)接(jie)在(zai)輸(shu)入(ru)輸(shu)出(chu)線(xian)上(shang)套(tao)磁(ci)環(huan),有(you)時(shi)能(neng)起(qi)到(dao)妙(miao)用(yong),但(dan)不(bu)是(shi)在(zai)所(suo)有(you)場(chang)合(he)都(dou)能(neng)用(yong),起(qi)碼(ma)還(hai)是(shi)能(neng)作(zuo)為(wei)判(pan)斷(duan)依(yi)據(ju);

上圖藍色和黑色線是輸出正負端,上麵套了個磁環,解決了輸出整流管引起的高頻端超出;有些時候端口的幹擾在PCB板上加濾波器未必有效果,在輸出線上放磁環就有想不到的效果。
十五、PCB走線之關鍵信號

注意:
1.CS信號(采樣信號):從采樣電阻R25,R26拉出,注意IC的地線以采樣電阻為基準,采樣電阻的正負差分走線拉倒IC CS腳以及IC 的GND腳。
2.驅動信號從驅動電路拉倒IC驅動引腳,注意不要幹擾到CS腳;如圖走線三根線並排走,並且將地線走在驅動先和CS線中間起到一定屏蔽作用;
3.雙麵板最好將IC一層鋪地屏蔽,鋪地的網絡一定要從IC GND引出,非關鍵信號GND可直接打過孔,關鍵信號地需要單點接地,直接接IC;
4.FB反饋網絡信號注意查分走線並且單點接IC;
5.RCD吸收網絡不要放在主回路;
6.VCC的整流濾波地需要接主功率地,二級濾波可接IC 地;
7.Y電容走線單獨接,不可與主功率混淆,避免幹擾;
十六、主功率及控製部分地接線示意圖

可能很多人看到此圖,雲裏霧裏的,大致介紹下:
1.PFC的驅動和IC共地接PFC管,更具體點是接采樣電阻的地;
2.DC-DC部分的驅動地和控製地接DC開關管部分的采樣地;
3.輔助源部分控製地接輔助源MOS管采樣第,MOS管地再接主功率地;
4.各自IC的供電地通過輔助源EC濾波接IC地,注意RC濾波靠近IC;
總結:注意好各自的單點接地,地線不亂,是走線最重要的地方之一!!!
十七、電磁場屏蔽機理分析
圖一:磁場屏蔽原理

如圖對照:輸入和輸出的電場幹擾可以通過電容傳輸耦合,若增加屏蔽板,則增加了C4的大小,並且C1也會減小,對電場幹擾起到衰減的目的;
圖二:磁場屏蔽原理

如圖:磁(ci)場(chang)屏(ping)蔽(bi)的(de)特(te)點(dian)和(he)磁(ci)場(chang)不(bu)一(yi)樣(yang),需(xu)要(yao)外(wai)殼(ke)屏(ping)蔽(bi),電(dian)場(chang)隻(zhi)需(xu)要(yao)平(ping)麵(mian)屏(ping)蔽(bi)板(ban),故(gu)散(san)熱(re)器(qi)屏(ping)蔽(bi)帶(dai)來(lai)的(de)是(shi)電(dian)場(chang)屏(ping)蔽(bi),有(you)的(de)采(cai)用(yong)外(wai)殼(ke)封(feng)閉(bi)式(shi)電(dian)源(yuan)則(ze)起(qi)到(dao)了(le)一(yi)定(ding)磁(ci)場(chang)屏(ping)蔽(bi);
磁場屏蔽原理,磁場通過屏蔽罩會改變磁路,導致磁力線向周圍擴散,中間磁場幹擾達到屏蔽目的;
十八、開關器件與EMC
對器件的認識對EMC也有著重要的意義,比如MOS管,主開關MOS是很重要的EMC源頭之一,還有整流管的開通以及關斷也會產生高頻輻射(原理是電流產生磁場,變化的電流產生電場);當然這裏主要是介紹半導體開關器件,其他的電感變壓器就不做說明了;
開關器件哪些參數對EMC有重要影響,我們常說快管,慢管是以什麼作為參照的呢?我們都知道快管開通損耗小,為了做高效率都喜歡用,但是為了EMC順利通過,不得不舍棄效率,降低開關速度來減弱開關輻射;
對於MOS管,開通速度是由驅動電阻與輸入結電容決定的;關斷速度是由輸出結電容與管子內阻決定;


參照以上兩圖,是不同型號的MOS管,對比下輸入結電容和輸出結電容,2400PF與800PF;780PF與2200PF;一看就知道第一個規格是快管,第二個是慢管,這時候決定開關速度還要與驅動電阻匹配;常規情況驅動電阻在10R-150R比較多,選取驅動電阻與結電容有關,針對快板驅動電阻可適當增大,慢管驅動電阻可適當減小;
對於二極管,有肖特基二極管,快回複二極管,普通二極管,還有一種用的比較少的SIC二極管,開關速度SIC二極管幾乎為零,等於是沒有反向恢複,開關輻射最小,並且損耗也最小,唯一的缺點就是價格昂貴,故很少用;其次就是肖特基二極管,正向壓降低,反向恢複時間短,依次是快回複和普通二極管;需要在損耗和EMC之間折中;一般可采取改吸收以及套磁珠等措施整改EMC;
十九、EMC之濾波器

濾lv波bo器qi的de架jia構gou選xuan擇ze對dui濾lv波bo器qi的de影ying響xiang很hen重zhong要yao,在zai不bu同tong場chang合he,濾lv波bo器qi是shi根gen據ju阻zu抗kang匹pi配pei來lai達da到dao濾lv波bo效xiao果guo,大da家jia可ke根gen據ju此ci圖tu的de原yuan則ze參can考kao選xuan取qu如ru何he濾lv波bo;比如最常用的輸出整流橋後采用π型濾波以及輸出端采用LC濾波器;

濾波器的材質對設計濾波電感也是至關重要,采用不同初始磁導率的材質會在不同頻率段起作用,選錯材質就完全失去應有的效果;
二十、EMC之反激高頻等效模型分析

先從最簡單的模型理解EMC:
EMC的路徑,當然空間輻射是跟環路有關,環路也是路徑構造成的;分析出反激高頻等效模型,幫助理解EMC形成的機理;我們的測試接收設備會從L,N端接收傳導,為了減小接收的幹擾,就必須讓幹擾通過地回路流通而不從L,N端口流向接收設備;這時候我們的EMI電感以及Y電容通過阻抗匹配就可以實現;另外原邊的幹擾可以通過原副邊Y電容,變壓器雜散電容以及大地耦合到副邊,形成更多的回路;當然一些結電容參數,如MOS管結電容,散熱器結電容也能構成流通路徑;
二十一、輻射的形式以及頻率分布

這個圖可能有些抽象,不過正好EMC是很難做到具體,需要給到我們一些啟示,可知:差模輻射是以環路的形式存在,而共模輻射是以天線的形式發射;因此正好印證前麵說我們布板的時候開關環路的布局以及走線的時候不要走銳角,常規走45度,最好是圓弧走線,當然走線效率會比較低;
這些原理基礎知識理解得好,對實際處理EMC工作以及布板很有用那個,如果沒這種意識,可能毫無用處,因為提供不了直接方法,需要與其他知識想結合;
而且這裏提的很多原理東西,在很多EMC資料中是看不到的,而且也沒這麼集中,需要反複體會!

如圖:一些頻率端與開關電源產生部位的關係,這隻是一般規律,不要完全相信;既是規律又不能盡信是為什麼?規律並不是在所有情況下成立,不同電源的差異也很大,所以原理是幫你分析,而不是按照方法去硬套;
二十二、EMC實例


根gen據ju傳chuan導dao實shi例li,頻pin率lv的de分fen布bu點dian關guan鍵jian是shi具ju體ti的de數shu據ju與yu基ji頻pin之zhi間jian的de關guan係xi,這zhe個ge測ce試shi完wan後hou,需xu要yao揣chuai測ce這zhe些xie數shu值zhi的de規gui律lv,可ke能neng能neng發fa現xian什shen麼me蛛zhu絲si馬ma跡ji;當然對於這些頻率如何通過濾波器去解決的手段前麵也說過了。
特別推薦
- 噪聲中提取真值!瑞盟科技推出MSA2240電流檢測芯片賦能多元高端測量場景
- 10MHz高頻運行!氮矽科技發布集成驅動GaN芯片,助力電源能效再攀新高
- 失真度僅0.002%!力芯微推出超低內阻、超低失真4PST模擬開關
- 一“芯”雙電!聖邦微電子發布雙輸出電源芯片,簡化AFE與音頻設計
- 一機適配萬端:金升陽推出1200W可編程電源,賦能高端裝備製造
技術文章更多>>
- 2026藍牙亞洲大會暨展覽在深啟幕
- H橋降壓-升壓電路中的交替控製與帶寬優化
- Tektronix 助力二維材料器件與芯片研究與創新
- 800V AI算力時代,GaN從“備選”變“剛需”?
- 大聯大世平集團首度亮相北京國際汽車展 攜手全球芯片夥伴打造智能車整合應用新典範
技術白皮書下載更多>>
- 車規與基於V2X的車輛協同主動避撞技術展望
- 數字隔離助力新能源汽車安全隔離的新挑戰
- 汽車模塊拋負載的解決方案
- 車用連接器的安全創新應用
- Melexis Actuators Business Unit
- Position / Current Sensors - Triaxis Hall
熱門搜索



