電磁連續騷擾電壓測試和功率測試
發布時間:2019-01-25 責任編輯:xueqi
【導讀】連續騷擾電壓測量主要測量EUT沿著電源線向電網發射的騷擾電壓,測量頻率為0.15~30MHz。測量一般在屏蔽室內進行。當測量頻率升高到30MHz以上時,人工電源網絡AMN內的電感、電容器分布參數影響加大,使其不能起到良好的隔離和濾波作用,所以應采用功率吸收鉗進行測量。
騷擾的傳導發射測試
傳導發射測試是測量受試設備(EUT)通過電源線或信號線向外發射的騷擾。根據騷擾的性質,傳導騷擾測試可分為連續騷擾電壓測量、騷擾功率測量、斷續騷擾喀嚦聲測量、諧波電流測量、電壓波動和閃爍測量。
1.1.2.1連續騷擾電壓測試
連續騷擾電壓測量主要測量EUT沿著電源線向電網發射的騷擾電壓,測量頻率為0.15~30MHz。測量一般在屏蔽室內進行。測量時需要在電網和EUT之間插入一個人工電源網絡(LISN或AMN),其原理如圖15所示。AMN的作用是隔離電網和EUT,使測到的騷擾電壓

圖15:人工電源網絡基本結構

圖16:50Ω/50μH 的V型AMN

圖17:150Ω的Δ型AMN

圖18:台式設備的傳導騷擾測量布置圖
僅是EUT發射的,不會有電網的騷擾混入。另一作用是為測量提供一個穩定的阻抗,因為電網的阻抗是不確定的,阻抗不一樣EUT的騷擾電壓值也不相同,所以要規定一個統一的阻抗,通常為50Ω。AMN實際上是個雙向低通濾波器,電網中的騷擾由50μH和1.0μF的濾波器濾掉,不能進人騷擾測量儀,而EUT發射的騷擾由於50μH濾波器的阻擋不能進人電網,隻能通過0.1μF電容進入騷擾測量儀。測量儀的輸入阻抗是50Ω,所以EUT騷擾的負載阻抗約等於50Ω。對於50Hz的工頻電源,仍然可以通過AMN向EUT供電。圖15中的AMN僅是一種基本結構,由基本結構可以組成V型AMN,用於測量電源中相線—地線和零線—地線的不對稱騷擾電壓,見圖16。也可組成Δ型AMN,除了測量線-地間的不對稱騷擾電壓外還可以測量相線—零線間的對稱騷擾電壓,見圖17。測量時EUT和AMN的布置、連接線的長度和走向等都應按標準規定的要求進行。AMN外殼要良好接地,否則將影響電網和EUT之間的隔離。圖18為台式設備的傳導騷擾測量布置圖。
1.1.2.2連續騷擾的功率測試
當測量頻率升高到30MHz以上時,人工電源網絡AMN內的電感、電容器分布參數影響加大,使其不能起到良好的隔離和濾波作用;所以應采用功率吸收鉗進行測量。功率吸鉗的結構如圖19(a)所示。

圖19:30—300MHz連續騷擾的功率測試
(a)功率吸收鉗的結構 (b) 測量布置
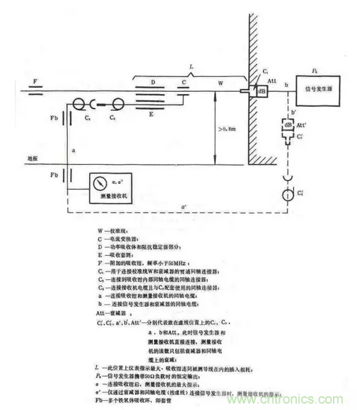
其中C是電流探頭,包括鐵氧體環和探測線圈,作用是測量電源線上的騷擾共模電流。D是鐵氧體環組,作為騷擾共模電流的穩定負載,吸收騷擾功率,並用於隔離EUT和電網。如果在50MHz以下鐵氧體環組D不能充分起到射頻隔離作用,則應在電網端再加一個輔助吸收鉗F,它也是由鐵氧體環組成。E也是鐵氧體環組,用於吸收外場在電流探頭引出電纜上產生的共模電流,以免影響測量結果。測量布置如圖19(b)所示,測試應在屏蔽室內進行,電源線長度應大於6m,即大於30MHz的(de)半(ban)波(bo)長(chang)加(jia)上(shang)吸(xi)收(shou)鉗(qian)的(de)長(chang)度(du)。對(dui)於(yu)每(mei)一(yi)個(ge)測(ce)試(shi)頻(pin)率(lv)點(dian),吸(xi)收(shou)鉗(qian)都(dou)應(ying)沿(yan)著(zhe)電(dian)源(yuan)線(xian)移(yi)動(dong),找(zhao)出(chu)最(zui)大(da)值(zhi),因(yin)為(wei)共(gong)模(mo)電(dian)流(liu)在(zai)導(dao)線(xian)上(shang)是(shi)以(yi)駐(zhu)波(bo)形(xing)式(shi)出(chu)現(xian)的(de)。功(gong)率(lv)吸(xi)收(shou)鉗(qian)測(ce)量(liang)係(xi)統(tong)應(ying)事(shi)前(qian)進(jin)行(xing)校(xiao)準(zhun),得(de)到(dao)修(xiu)正(zheng)因(yin)子(zi)—頻率曲線。校準布置如圖20所示。

圖20:功率吸收鉗的校準布置
校準時先把校準信號直接輸入測量接收機,記錄讀數a’;然後把校準信號輸入到校準線上,移動功率吸收鉗,找出第一個最大值,記錄讀數a;於是得到插入損耗L= a’-a。因為騷擾功率用dB(pW)表示,測量接收機的讀數是dB(μV),對於50Ω係統,二者差17dB,為了方便起見,廠家直接將17dB從插入損耗中減去,給出修正因子。所以測量時,隻要將測量接收機的讀數加上修正因子就是騷擾功率。
應注意的是功率吸收鉗雖然是加在電源線上進行測試,但是測量的實際上並不非傳導發射,而是輻射發射。EUT的輻射發射有二種類型,一類是EUT內(nei)部(bu)各(ge)種(zhong)電(dian)流(liu)環(huan)路(lu)中(zhong)的(de)差(cha)模(mo)電(dian)流(liu)產(chan)生(sheng)的(de)電(dian)磁(ci)波(bo),通(tong)過(guo)機(ji)箱(xiang)殼(ke)體(ti)的(de)縫(feng)隙(xi)向(xiang)外(wai)的(de)輻(fu)射(she),另(ling)一(yi)類(lei)是(shi)共(gong)模(mo)電(dian)流(liu)輻(fu)射(she)。共(gong)模(mo)電(dian)流(liu)輻(fu)射(she)需(xu)要(yao)共(gong)模(mo)源(yuan)和(he)天(tian)線(xian),由(you)於(yu)電(dian)路(lu)設(she)計(ji)或(huo)布(bu)線(xian)不(bu)當(dang),在(zai)EUT內部形成等效的共模源;等效共模天線的一部分是外接電纜,另一部分則是往往EUT內nei部bu的de地di和he金jin屬shu機ji箱xiang。當dang機ji箱xiang尺chi寸cun接jie近jin被bei測ce頻pin率lv的de四si分fen之zhi一yi波bo長chang時shi,機ji箱xiang作zuo為wei等deng效xiao共gong模mo天tian線xian的de一yi部bu分fen發fa射she效xiao率lv將jiang大da大da提ti高gao,這zhe是shi吸xi收shou鉗qian法fa不bu適shi合he評ping價jiaEUT全部輻射能力的原因之一。此外如果EUT除電源線外還有其他外接電纜,這些電纜也可能有共模電流輻射。所以用吸收鉗法來評價EUT全部輻射能力的限製條件是:小型EUT、30~300MHz頻率段、單(dan)電(dian)纜(lan)連(lian)接(jie)。當(dang)然(ran)如(ru)果(guo)用(yong)吸(xi)收(shou)鉗(qian)法(fa)來(lai)進(jin)行(xing)診(zhen)斷(duan)測(ce)試(shi),上(shang)述(shu)限(xian)製(zhi)就(jiu)沒(mei)有(you)必(bi)要(yao),吸(xi)收(shou)鉗(qian)法(fa)測(ce)到(dao)的(de)是(shi)連(lian)接(jie)被(bei)測(ce)電(dian)纜(lan)的(de)等(deng)效(xiao)共(gong)模(mo)源(yuan)的(de)騷(sao)擾(rao)功(gong)率(lv),用(yong)50Ωbiaozhunxinhaoyuandegonglvbiaoshi。youyubeicedianlanxiangdangyufushetianxian,suoyiceshishirenyingyuanliceshizhuangzhi,xishouqianheceliangjieshoujizhijiandelianjiedianlanzuihaoyetaoshangcihuan。
特別推薦
- 噪聲中提取真值!瑞盟科技推出MSA2240電流檢測芯片賦能多元高端測量場景
- 10MHz高頻運行!氮矽科技發布集成驅動GaN芯片,助力電源能效再攀新高
- 失真度僅0.002%!力芯微推出超低內阻、超低失真4PST模擬開關
- 一“芯”雙電!聖邦微電子發布雙輸出電源芯片,簡化AFE與音頻設計
- 一機適配萬端:金升陽推出1200W可編程電源,賦能高端裝備製造
技術文章更多>>
- 三星上演罕見對峙:工會集會討薪,股東隔街抗議
- 摩爾線程實現DeepSeek-V4“Day-0”支持,國產GPU適配再提速
- 築牢安全防線:智能駕駛邁向規模化應用的關鍵挑戰與破局之道
- GPT-Image 2:99%文字準確率,AI生圖告別“鬼畫符”
- 機器人馬拉鬆的勝負手:藏在主板角落裏的“時鍾戰爭”
技術白皮書下載更多>>
- 車規與基於V2X的車輛協同主動避撞技術展望
- 數字隔離助力新能源汽車安全隔離的新挑戰
- 汽車模塊拋負載的解決方案
- 車用連接器的安全創新應用
- Melexis Actuators Business Unit
- Position / Current Sensors - Triaxis Hall
熱門搜索
NFC
NFC芯片
NOR
ntc熱敏電阻
OGS
OLED
OLED麵板
OmniVision
Omron
OnSemi
PI
PLC
Premier Farnell
Recom
RF
RF/微波IC
RFID
rfid
RF連接器
RF模塊
RS
Rubycon
SATA連接器
SD連接器
SII
SIM卡連接器
SMT設備
SMU
SOC
SPANSION

