Buck變換器的EMC分析
發布時間:2011-08-15
中心議題:
- Buck係統的電磁幹擾
- Buck係統電磁幹擾的抑製措施
解決方案:
- Buck係統的濾波、接地、吸收和PCB布板分析和設計
開關電源通過改變開關器件的導通比來有效地控製輸出電壓和電流的大小。通常它在幾十kHz以上的開關頻率下工作,當開關導通時,它將流過浪湧電流Cdv/dt;當開關斷開時,其兩端將會產生浪湧電壓Ldi/dt,形成較強的電磁騷擾源。隨著半導體開關器件的不斷發展,開關頻率將提高到MHz數量級,使電磁騷擾更加嚴重。因此,必須采用相應的措施,加強開關電源的電磁兼容性(EMC)。
電(dian)磁(ci)兼(jian)容(rong)性(xing)是(shi)指(zhi)在(zai)不(bu)損(sun)失(shi)有(you)用(yong)信(xin)號(hao)所(suo)包(bao)含(han)信(xin)息(xi)的(de)條(tiao)件(jian)下(xia),信(xin)息(xi)和(he)幹(gan)擾(rao)共(gong)存(cun)的(de)能(neng)力(li)。電(dian)力(li)電(dian)子(zi)裝(zhuang)置(zhi)在(zai)其(qi)使(shi)用(yong)環(huan)境(jing)下(xia),承(cheng)受(shou)來(lai)自(zi)外(wai)部(bu)電(dian)磁(ci)幹(gan)擾(rao)的(de)同(tong)時(shi)也(ye)向(xiang)周(zhou)圍(wei)環(huan)境(jing)釋(shi)放(fang)幹(gan)擾(rao)。在(zai)設(she)計(ji)製(zhi)造(zao)電(dian)力(li)電(dian)子(zi)裝(zhuang)置(zhi)時(shi),應(ying)考(kao)慮(lv)到(dao)電(dian)力(li)電(dian)子(zi)裝(zhuang)置(zhi)在(zai)工(gong)作(zuo)時(shi)所(suo)產(chan)生(sheng)的(de)電(dian)磁(ci)騷(sao)擾(rao)不(bu)對(dui)在(zai)同(tong)一(yi)環(huan)境(jing)中(zhong)工(gong)作(zuo)的(de)其(qi)它(ta)電(dian)子(zi)設(she)備(bei)的(de)運(yun)行(xing)產(chan)生(sheng)不(bu)良(liang)影(ying)響(xiang),同(tong)時(shi)來(lai)自(zi)外(wai)部(bu)環(huan)境(jing)的(de)電(dian)磁(ci)幹(gan)擾(rao)又(you)不(bu)會(hui)影(ying)響(xiang)電(dian)力(li)電(dian)子(zi)裝(zhuang)置(zhi)的(de)工(gong)作(zuo)。
1 Buck係統的電磁幹擾
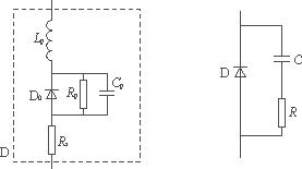
以下結合Buck變換器來具體討論電磁幹擾產生的原因和條件,從而找出抑製和消除的方法。圖1是Buck變換器的原理結構圖。

圖1 Buck原理結構圖
主電路主要由功率開關管S、肖特基二極管D、濾波電容C、電感L、阻性負載Ro以及無感采樣電阻RL組成。此電路的基本參數是輸入端為36V鉛酸蓄電池,輸出要求為10A恒流,開關頻率為50kHz。控製芯片采用SG3525,驅動芯片采用TLP250。輔助電源采用反激。主電路選擇合適的閉環參數是重要的一步,合適的閉環參數可以使電路穩定,產生較小的EMD。
圖2shigaixitongdediancijianrongxingshiyitu,jiehecitufenxixitongsuochudediancihuanjingjiqixianghuzuoyongdeqingkuang。xianran,dianciganraojikefashengzaixitongneibu,youyoukenengfashengzaixitongzhijian。

圖2 係統的電磁兼容性示意圖
從圖2中可以看出,任何一種EMI均由三部分組成:騷擾源、耦(ou)合(he)路(lu)徑(jing)和(he)受(shou)擾(rao)體(ti)。騷(sao)擾(rao)源(yuan)產(chan)生(sheng)的(de)幹(gan)擾(rao)經(jing)耦(ou)合(he)途(tu)徑(jing)進(jin)入(ru)受(shou)擾(rao)體(ti),若(ruo)幹(gan)擾(rao)水(shui)平(ping)超(chao)出(chu)受(shou)擾(rao)體(ti)的(de)敏(min)感(gan)程(cheng)度(du)就(jiu)會(hui)影(ying)響(xiang)其(qi)正(zheng)常(chang)工(gong)作(zuo)而(er)構(gou)成(cheng)幹(gan)擾(rao)。與(yu)數(shu)字(zi)電(dian)路(lu)相(xiang)比(bi),由(you)於(yu)開(kai)關(guan)電(dian)源(yuan)功(gong)率(lv)開(kai)關(guan)管(guan)的(de)高(gao)速(su)開(kai)關(guan)動(dong)作(zuo),它(ta)產(chan)生(sheng)的(de)幹(gan)擾(rao)強(qiang)度(du)較(jiao)大(da);騷擾源主要集中在功率開關器件以及與之相連的高頻變壓器上;開關頻率不高,主要幹擾形式是傳導幹擾和近場幹擾。一般解決EMD針對3方麵:抑製騷擾源、切斷幹擾途徑和提高受擾體的抗幹擾能力。
[page]
由此可知Buck的主要騷擾源是開關管和功率二極管。由於開關頻率較高,傳輸的能量又大,故在開關過程中會產生很高的毛刺。
由於設計的開關電源的幾何尺寸遠小於30MHz電磁場對應的波長,因此,電磁幹擾主要考慮的是傳導幹擾。MOSFET在(zai)開(kai)關(guan)過(guo)程(cheng)中(zhong)產(chan)生(sheng)的(de)電(dian)壓(ya)尖(jian)峰(feng)和(he)振(zhen)蕩(dang)主(zhu)要(yao)通(tong)過(guo)導(dao)線(xian)寄(ji)生(sheng)電(dian)感(gan)和(he)寄(ji)生(sheng)電(dian)容(rong)幹(gan)擾(rao)受(shou)擾(rao)體(ti),開(kai)關(guan)過(guo)程(cheng)越(yue)快(kuai),尖(jian)峰(feng)越(yue)高(gao),振(zhen)蕩(dang)越(yue)明(ming)顯(xian),幹(gan)擾(rao)越(yue)強(qiang)。
2 電磁幹擾的抑製措施
主要從濾波、接地、吸收、PCB布板幾個方麵進行分析和設計。
2.1 濾波
由(you)於(yu)電(dian)池(chi)存(cun)在(zai)一(yi)定(ding)的(de)內(nei)阻(zu)抗(kang),再(zai)加(jia)上(shang)入(ru)端(duan)引(yin)線(xian)上(shang)的(de)寄(ji)生(sheng)電(dian)感(gan)和(he)內(nei)阻(zu),將(jiang)在(zai)輸(shu)入(ru)端(duan)引(yin)起(qi)一(yi)係(xi)列(lie)的(de)高(gao)頻(pin)紋(wen)波(bo)。為(wei)了(le)使(shi)輸(shu)入(ru)端(duan)成(cheng)為(wei)滿(man)足(zu)要(yao)求(qiu)的(de)恒(heng)壓(ya)源(yuan),需(xu)在(zai)電(dian)路(lu)進(jin)線(xian)端(duan)加(jia)上(shang)EMI濾lv波bo器qi,既ji抑yi製zhi了le外wai界jie對dui電dian路lu的de幹gan擾rao,也ye阻zu止zhi了le電dian路lu對dui電dian池chi的de幹gan擾rao。通tong常chang,在zai入ru端duan並bing聯lian電dian解jie電dian容rong和he濾lv高gao頻pin紋wen波bo的de電dian容rong。電dian解jie電dian容rong主zhu要yao濾lv低di頻pin紋wen波bo,濾lv高gao頻pin紋wen波bo的de電dian容rong采cai用yongCBB電容。
由於輸出端對電流波形的要求,必須減小輸出紋波的大小,因此,也需要在輸出端並聯大容量的電解電容和較大容量的濾高頻紋波的CBB電容。
另(ling)外(wai),需(xu)要(yao)對(dui)集(ji)成(cheng)芯(xin)片(pian)的(de)去(qu)耦(ou)濾(lv)波(bo)電(dian)容(rong)進(jin)行(xing)科(ke)學(xue)的(de)配(pei)置(zhi)。每(mei)塊(kuai)集(ji)成(cheng)芯(xin)片(pian)都(dou)接(jie)有(you)去(qu)耦(ou)濾(lv)波(bo)電(dian)容(rong)器(qi),在(zai)每(mei)次(ci)開(kai)關(guan)過(guo)程(cheng)中(zhong)都(dou)重(zhong)新(xin)充(chong)電(dian),以(yi)便(bian)為(wei)芯(xin)片(pian)供(gong)電(dian),去(qu)耦(ou)電(dian)容(rong)器(qi)的(de)取(qu)值(zhi)一(yi)般(ban)在(zai)470pF~1000pF,采用瓷片或者是CBB電(dian)容(rong),用(yong)於(yu)濾(lv)除(chu)高(gao)次(ci)紋(wen)波(bo)。去(qu)耦(ou)濾(lv)波(bo)電(dian)容(rong)器(qi)必(bi)須(xu)緊(jin)靠(kao)集(ji)成(cheng)電(dian)路(lu)安(an)裝(zhuang),力(li)求(qiu)最(zui)短(duan)的(de)電(dian)容(rong)器(qi)引(yin)線(xian)和(he)最(zui)小(xiao)的(de)瞬(shun)態(tai)電(dian)流(liu)回(hui)路(lu)麵(mian)積(ji)。同(tong)時(shi)要(yao)在(zai)整(zheng)個(ge)集(ji)成(cheng)芯(xin)片(pian)的(de)PCB板上放置總體去耦電容器,由電源來對它充電,並應安裝在電源母線進入PCB板的地方。

圖3 采樣電流的波形
係統中最易受幹擾的是電流采樣電阻,而采樣電流的精度將直接影響電路的輸出指標。采樣電流的波形如圖3所示。由於采樣電阻受到開關管導通和關斷的幹擾,所以,需要對采樣電阻上的信號進行濾波,此電路中利用的RC二階無源濾波,電路如下圖4所示。

圖4 二階RC無源濾波電路
2.2 接地
一個係統的接地主要有安全地、信號地、機殼地和屏蔽地。這裏隻討論本係統的公共地的連接方法。
1) 接地係統須具有很低的公共阻抗,使係統中各路電流,通過該公共阻抗產生的直接傳導噪聲電壓最小。
2)在高頻電流的場合,保證“信號地”對“大地”有較低的共模電壓,使通過“信號地”產生的輻射噪音最低。
3)保證地線與信號線構成的電流回路具有最小的麵積,避免由地線構成“地回路”,使外界幹擾磁場穿過該回路產生的差模幹擾電壓最小,同時,也避免由地電位差通過地回路引起過大的地電流,造成傳導幹擾。
本ben係xi統tong中zhong采cai用yong混hun合he接jie地di和he浮fu空kong接jie地di方fang式shi。主zhu功gong率lv采cai用yong浮fu地di方fang式shi,以yi便bian減jian小xiao公gong共gong阻zu抗kang和he大da電dian流liu的de通tong過guo。控kong製zhi係xi統tong內nei部bu先xian串chuan聯lian接jie地di,然ran後hou再zai單dan點dian與yu主zhu功gong率lv地di連lian接jie。驅qu動dong電dian路lu則ze采cai用yong光guang耦ou隔ge離li技ji術shu來lai驅qu動dong開kai關guan管guan的de導dao通tong和he關guan斷duan。
[page]
2.3 緩衝
在采用了以上措施後,發現MOSFET的開關過程中毛刺仍然較高,這是由於電路中流過的電流比較大,很小的寄生電感也能引起很大的毛刺。
緩衝電路的目的是對開關管產生的瞬態噪聲進行抑製。采用的是在開關管兩端並上R—C—D網絡進行抑製,它可以減緩開關管的漏極和源極之間的電壓上升率,如圖5所示。

圖5 R—C—D吸收電路
通過給開關管加緩衝電路後,可以得到比較理想的開關波形,如圖6所示。

圖6 開關管vDS波形
在關斷過程中由於功率二極管會有反向恢複,這是一個重要的騷擾源。
RC緩衝電路是解決功率二極管反向恢複問題的常用方法。在高頻下工作的功率二極管,要考慮寄生參數。圖7(a)為電路模型,其中D0為理想二極管,Lp為引線電感,Cp為結電容,Rp為並聯電阻(高阻值),Rs為引線電阻。如圖7(b)所示,將電容C和電阻R串聯後並聯到功率二極管D上。二極管反向關斷時,寄生電感中的能量對寄生電容充電,同時還通過緩衝電阻R對緩衝電容C充電。在同樣能量的情況下,緩衝電容越大,其上的電壓就越小;當二極管正向導通時,C通過R放電,能量絕大部分在R上消耗。
(a)等效模型 (b)RC緩衝電路

圖7 功率二極管等效模型及RC緩衝電路
通過在功率二極管上並R—C緩衝電路後,可以得到比較理想的開通和反向關斷波形,如圖8所示。

圖8 功率二極管上的波形[page]
2.4 PCB布板
印刷電路板上元器件的放置和布線設計對開關電源EMCxingnengyoujidadeyingxiang,zaigaopinkaiguandianyuanzhong,youyuyinshuabanshangjiyoudidianpingdexiaoxinhaokongzhixian,youyougaoyadadianliudianyuanxian,tongshihaiyouyixiegaopingonglvkaiguan、磁(ci)性(xing)元(yuan)件(jian)。如(ru)何(he)在(zai)印(yin)刷(shua)板(ban)有(you)限(xian)的(de)空(kong)間(jian)內(nei)合(he)理(li)地(di)安(an)排(pai)元(yuan)器(qi)件(jian)位(wei)置(zhi),以(yi)及(ji)合(he)理(li)地(di)布(bu)線(xian)將(jiang)直(zhi)接(jie)影(ying)響(xiang)到(dao)電(dian)路(lu)中(zhong)各(ge)元(yuan)器(qi)件(jian)自(zi)身(shen)的(de)抗(kang)幹(gan)擾(rao)性(xing)和(he)電(dian)路(lu)工(gong)作(zuo)的(de)可(ke)靠(kao)性(xing)。
通過分析印刷導線的特性阻抗,合理地選取布線的放置方式、長度、寬度以及總體布局。單根導線的特性阻抗由直流電阻R和自感L組成。
Z=R+jωL(1)
L=2lln
(2)
式中:l為印刷導線的長度;b為印刷導線的寬度。
可以看出印刷線l越短,直流電阻R越小,自感L也就越小;同時增加印刷線的寬度也可以降低直流電阻R和自感L。
多根印刷線的特性阻抗除了直流電阻R和自感L以外,還有互感M。
M=2l
(3)
式中:s為兩線之間的距離。
由以上分析可知,在設計印刷電路板時,應盡量降低電源線和地線的阻抗。因電源線、地di線xian和he其qi它ta印yin刷shua線xian都dou有you電dian感gan,當dang電dian源yuan電dian流liu變bian化hua較jiao大da時shi,會hui產chan生sheng較jiao大da壓ya降jiang,而er地di線xian壓ya降jiang是shi形xing成cheng公gong共gong阻zu抗kang幹gan擾rao的de重zhong要yao因yin素su,所suo以yi應ying盡jin量liang縮suo短duan地di線xian,盡jin量liang加jia寬kuan電dian源yuan線xian和he地di線xian。
直流供電係統的實際等效電路如圖9所示。

圖9 直流供電係統等效電路
直流供電電路中產生的瞬態噪聲電壓,起源於電源負載電流的突變ΔiL。該電流變化是瞬時的,則因之產生的瞬變電壓的幅值ΔuL是電源供電傳輸線特征阻抗Z0的函數。
Z0=
(4)
ΔuL=ΔiLZ0(5)
為了減小ΔuL,必須使得Z0盡量低,由式(4)可知,要求Lt盡量小,Ct盡量大。為了減小Lt和增大Ct,供gong電dian母mu線xian應ying用yong矩ju形xing截jie麵mian的de導dao線xian,並bing使shi兩liang條tiao母mu線xian盡jin量liang靠kao近jin,用yong兩liang條tiao盡jin量liang寬kuan的de扁bian平ping印yin刷shua線xian。由you於yu使shi用yong的de是shi雙shuang麵mian印yin刷shua板ban,電dian源yuan線xian和he地di線xian平ping行xing布bu線xian,使shi兩liang條tiao功gong率lv線xian流liu過guo的de電dian流liu方fang向xiang相xiang反fan,可ke以yi有you效xiao地di減jian小xiao感gan應ying磁ci通tong。同tong時shi也ye將jiang其qi它ta正zheng、負信號線分別布在印刷板的兩麵,設法使兩個載流體導線彼此間保持平行,因為平行緊靠的正、負載流體導體所產生的外部磁場是趨向於相互抵消的。
對於元器件的放置,由於開關電源的輻射幹擾(E)與電流通路中電流(I)的大小,通路的環路麵積(A),以及電流頻率(f)的平方等三者的乘積成正比,即E=I·A·f2。運用這一關係的前提是通路尺寸遠小於頻率的波長(此電路符合條件)。
利用上述關係式,減小通路麵積是減小輻射幹擾的關鍵。在此Buck電路中,應該使輸入端電容、開關管、功率二極管彼此緊靠,且布線緊湊;同時使輸出端功率二極管、電感、輸出電容、采樣電阻彼此緊靠。
另外,在布線時使開關管的漏極連線盡量短、粗,以減小導線的寄生電感。選擇合適的濾高頻電容(樣機中使用了CBB電容),並使其盡量靠近MOSFET的漏極,電容引線盡量短,以減小導線電感。
根據以上的分析所得出的原則,實際設計的樣機主功率PCB板如圖10所示。

圖10 Buck電路的PCB板
3 結語
開kai關guan電dian源yuan電dian磁ci兼jian容rong設she計ji的de目mu的de,就jiu是shi使shi所suo設she計ji的de產chan品pin不bu但dan能neng在zai一yi定ding的de電dian磁ci幹gan擾rao環huan境jing中zhong正zheng常chang工gong作zuo,而er且qie也ye使shi產chan品pin自zi身shen所suo產chan生sheng的de電dian磁ci騷sao擾rao不bu影ying響xiang其qi它ta設she備bei的de工gong作zuo。本ben文wen通tong過guo各ge個ge方fang麵mian的de分fen析xi,總zong結jie出chu設she計jiBuckdianludiancijianrongdeyuanze,bingyiciyuanzezhizaochushiyanyangji,congerzaishijiandejichushangshuominglezhexieyuanzedekexingxinghezhengquexing,weiyihoukaiguandianyuandediancijianrongshejitigonglehenhaodejingyan。
- 噪聲中提取真值!瑞盟科技推出MSA2240電流檢測芯片賦能多元高端測量場景
- 10MHz高頻運行!氮矽科技發布集成驅動GaN芯片,助力電源能效再攀新高
- 失真度僅0.002%!力芯微推出超低內阻、超低失真4PST模擬開關
- 一“芯”雙電!聖邦微電子發布雙輸出電源芯片,簡化AFE與音頻設計
- 一機適配萬端:金升陽推出1200W可編程電源,賦能高端裝備製造
- 算力爆發遇上電源革新,大聯大世平集團攜手晶豐明源線上研討會解鎖應用落地
- 築基AI4S:摩爾線程全功能GPU加速中國生命科學自主生態
- 一秒檢測,成本降至萬分之一,光引科技把幾十萬的台式光譜儀“搬”到了手腕上
- AI服務器電源機櫃Power Rack HVDC MW級測試方案
- 突破工藝邊界,奎芯科技LPDDR5X IP矽驗證通過,速率達9600Mbps
- 車規與基於V2X的車輛協同主動避撞技術展望
- 數字隔離助力新能源汽車安全隔離的新挑戰
- 汽車模塊拋負載的解決方案
- 車用連接器的安全創新應用
- Melexis Actuators Business Unit
- Position / Current Sensors - Triaxis Hall



