基於單片機電子設備的電磁幹擾問題分析與診斷
發布時間:2010-04-02 來源:電子元件技術網
中心議題:
- 新型測試技術解決單片機係統EMC問題
泰思特公司將於4月9日參加第四屆電路保護和電磁兼容研討會,會議地點為深圳會展中心牡丹廳,同期還將舉行第75屆中國電子展和2010中國(深圳)消費電子展(展位號:1C11B)。屆時蘇州泰思特將討論基於單片機電子設備的電磁幹擾問題分析與診斷。詳細信息請參考:http://m.0-fzl.cn/seminar/emc
蘇州泰思特電子科技有限公司(http://www.3ctest.cn )位於蘇州高新區,集電磁兼容(EMC)測試儀器科研、設計、製造、銷售、服務為一體的技術密集型企業。主要業務是提供電磁幹擾(EMI)和電磁抗幹擾(EMS)產品,以及高壓衝擊(衝流)測試係統,並能夠為客戶提供電磁兼容技術的培訓及全麵解決方案。
單片機由於其價格低廉、控製方式簡單而廣泛應用於各類的工業控製、航天航空、儀yi器qi儀yi表biao以yi及ji家jia用yong電dian器qi中zhong,隨sui著zhe單dan片pian機ji的de廣guang泛fan應ying用yong,其qi電dian磁ci幹gan擾rao問wen題ti也ye受shou到dao了le越yue來lai越yue多duo的de關guan注zhu。電dian磁ci幹gan擾rao問wen題ti不bu僅jin關guan係xi到dao產chan品pin工gong作zuo的de可ke靠kao性xing和he安an全quan性xing,還hai可ke能neng影ying響xiang其qi它ta電dian器qi的de正zheng常chang工gong作zuo,甚shen至zhi導dao致zhi安an全quan危wei險xian。
蘇州3ctest總工程師趙陽表示:“目前,國內很多公司產品設計隻注重性能,而忽視了在設計過程中考慮電磁兼容以及安規問題,導致產品最後電磁兼容、安規不符合認證要求,從而使推向市場速度大大降低。”
針對單片機EMI問題,趙陽表示,國內企業不太了解單片機係統EMI測試與分析方法。針對單片機的主頻,本公司采用近場測試診斷其輻射幹擾機理,並據此設計相應的EMI濾波器以達到噪聲抑製的目的。另一方麵,為了盡量降低企業的成本,所設計的EMI濾波器以電容為主,盡量減小電感的使用。

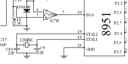
對於該單片機係統的電路圖進行分析,可以發現,引起該係統傳導電磁幹擾噪聲的主要原因是由於單片機的12MHz晶振時鍾信號。

蘇州3ctest的(de)方(fang)案(an)是(shi)根(gen)據(ju)傳(chuan)導(dao)電(dian)磁(ci)幹(gan)擾(rao)噪(zao)聲(sheng)產(chan)生(sheng)機(ji)理(li)對(dui)於(yu)該(gai)係(xi)統(tong)的(de)傳(chuan)導(dao)電(dian)磁(ci)幹(gan)擾(rao)問(wen)題(ti)進(jin)行(xing)診(zhen)斷(duan)與(yu)抑(yi)製(zhi)。其(qi)方(fang)法(fa)是(shi)通(tong)過(guo)對(dui)於(yu)單(dan)片(pian)機(ji)係(xi)統(tong)傳(chuan)導(dao)電(dian)磁(ci)幹(gan)擾(rao)噪(zao)聲(sheng)的(de)模(mo)態(tai)提(ti)取(qu),得(de)到(dao)該(gai)噪(zao)聲(sheng)的(de)共(gong)模(mo)分(fen)量(liang)和(he)差(cha)模(mo)分(fen)量(liang);同(tong)時(shi),測(ce)定(ding)該(gai)噪(zao)聲(sheng)源(yuan)的(de)內(nei)阻(zu)抗(kang)並(bing)與(yu)相(xiang)應(ying)噪(zao)聲(sheng)模(mo)態(tai)相(xiang)結(jie)合(he),從(cong)而(er)設(she)計(ji)出(chu)相(xiang)應(ying)的(de)濾(lv)波(bo)器(qi)用(yong)以(yi)抑(yi)製(zhi)該(gai)係(xi)統(tong)的(de)傳(chuan)導(dao)電(dian)磁(ci)幹(gan)擾(rao)噪(zao)聲(sheng)以(yi)解(jie)決(jue)單(dan)片(pian)機(ji)係(xi)統(tong)的(de)傳(chuan)導(dao)電(dian)磁(ci)幹(gan)擾(rao)問(wen)題(ti)。
- 噪聲中提取真值!瑞盟科技推出MSA2240電流檢測芯片賦能多元高端測量場景
- 10MHz高頻運行!氮矽科技發布集成驅動GaN芯片,助力電源能效再攀新高
- 失真度僅0.002%!力芯微推出超低內阻、超低失真4PST模擬開關
- 一“芯”雙電!聖邦微電子發布雙輸出電源芯片,簡化AFE與音頻設計
- 一機適配萬端:金升陽推出1200W可編程電源,賦能高端裝備製造
- 築基AI4S:摩爾線程全功能GPU加速中國生命科學自主生態
- 一秒檢測,成本降至萬分之一,光引科技把幾十萬的台式光譜儀“搬”到了手腕上
- AI服務器電源機櫃Power Rack HVDC MW級測試方案
- 突破工藝邊界,奎芯科技LPDDR5X IP矽驗證通過,速率達9600Mbps
- 通過直接、準確、自動測量超低範圍的氯殘留來推動反滲透膜保護
- 車規與基於V2X的車輛協同主動避撞技術展望
- 數字隔離助力新能源汽車安全隔離的新挑戰
- 汽車模塊拋負載的解決方案
- 車用連接器的安全創新應用
- Melexis Actuators Business Unit
- Position / Current Sensors - Triaxis Hall




