Home Bus係統電感選型避坑指南:PoD應用中的關鍵考量
發布時間:2025-11-28 責任編輯:lina
【導讀】在基於雙線數據線供電(PoD) 架構的Home Bus係統中,"交流阻斷"電(dian)感(gan)承(cheng)擔(dan)著(zhe)分(fen)離(li)數(shu)據(ju)信(xin)號(hao)與(yu)直(zhi)流(liu)電(dian)源(yuan)的(de)關(guan)鍵(jian)角(jiao)色(se)。其(qi)性(xing)能(neng)表(biao)現(xian)直(zhi)接(jie)決(jue)定(ding)了(le)通(tong)信(xin)網(wang)絡(luo)的(de)穩(wen)定(ding)性(xing)和(he)可(ke)靠(kao)性(xing),因(yin)此(ci)如(ru)何(he)精(jing)準(zhun)選(xuan)型(xing)成(cheng)為(wei)係(xi)統(tong)設(she)計(ji)中(zhong)的(de)重(zhong)要(yao)環(huan)節(jie)。本(ben)文(wen)將(jiang)從(cong)工(gong)程(cheng)實(shi)踐(jian)角(jiao)度(du)出(chu)發(fa),詳(xiang)細(xi)闡(chan)述(shu)此(ci)類(lei)特(te)殊(shu)應(ying)用(yong)場(chang)景(jing)下(xia)的(de)電(dian)感(gan)篩(shai)選(xuan)標(biao)準(zhun)與(yu)係(xi)統(tong)性(xing)評(ping)估(gu)方(fang)法(fa),為(wei)構(gou)建(jian)高(gao)性(xing)能(neng)Home Bus網絡提供技術支撐。
摘要
在基於雙線數據線供電(PoD) 架構的Home Bus係統中,"交流阻斷"電(dian)感(gan)承(cheng)擔(dan)著(zhe)分(fen)離(li)數(shu)據(ju)信(xin)號(hao)與(yu)直(zhi)流(liu)電(dian)源(yuan)的(de)關(guan)鍵(jian)角(jiao)色(se)。其(qi)性(xing)能(neng)表(biao)現(xian)直(zhi)接(jie)決(jue)定(ding)了(le)通(tong)信(xin)網(wang)絡(luo)的(de)穩(wen)定(ding)性(xing)和(he)可(ke)靠(kao)性(xing),因(yin)此(ci)如(ru)何(he)精(jing)準(zhun)選(xuan)型(xing)成(cheng)為(wei)係(xi)統(tong)設(she)計(ji)中(zhong)的(de)重(zhong)要(yao)環(huan)節(jie)。本(ben)文(wen)將(jiang)從(cong)工(gong)程(cheng)實(shi)踐(jian)角(jiao)度(du)出(chu)發(fa),詳(xiang)細(xi)闡(chan)述(shu)此(ci)類(lei)特(te)殊(shu)應(ying)用(yong)場(chang)景(jing)下(xia)的(de)電(dian)感(gan)篩(shai)選(xuan)標(biao)準(zhun)與(yu)係(xi)統(tong)性(xing)評(ping)估(gu)方(fang)法(fa),為(wei)構(gou)建(jian)高(gao)性(xing)能(neng)Home Bus網絡提供技術支撐。
引言
在工業自動化和樓宇控製係統的通信網絡中,有些節點可能無法接入電源插座,這時就需要一種既能傳輸數據、又you能neng提ti供gong電dian力li的de解jie決jue方fang案an,用yong於yu連lian接jie多duo個ge電dian路lu板ban,比bi如ru一yi個ge控kong製zhi器qi和he一yi個ge或huo多duo個ge傳chuan感gan器qi或huo執zhi行xing器qi板ban。如ru果guo所suo有you電dian路lu板ban都dou集ji中zhong安an裝zhuang在zai同tong一yi機ji箱xiang中zhong,那na麼me實shi現xian上shang述shu連lian接jie會hui很hen簡jian單dan。然ran而er,在zai典dian型xing的de控kong製zhi器qi-jiedianwangluozhong,dianlubantongchangxiangjushumi。suizhejiedianjianjulidezengjiahejiedianshuliangdezengchang,buxianchengbenyesuizhishangsheng,bujinhuizhanjujiejuefanganzongchengbendehendayibufen,haihuiduixitongxingnengzaochengxianzhuyingxiang。
一yi種zhong解jie決jue方fang案an是shi使shi用yong四si線xian電dian纜lan,一yi對dui線xian用yong於yu數shu據ju通tong信xin,另ling一yi對dui線xian用yong於yu供gong電dian。其qi優you點dian是shi解jie決jue方fang案an相xiang對dui簡jian單dan,但dan缺que點dian是shi電dian纜lan成cheng本ben和he重zhong量liang會hui增zeng加jia。更geng簡jian潔jie的de解jie決jue方fang案an是shi使shi用yong單dan對dui導dao線xian來lai同tong時shi提ti供gong數shu據ju和he電dian力li,這zhe正zheng是shi數shu據ju線xian供gong電dian(PoD)解決方案的核心理念。
業界已經開發出許多不同的PoD解決方案來滿足不同類型最終應用的需求。本應用筆記討論針對工業通信或樓宇自動化控製係統中常見的專有或臨時網絡的PoD解決方案。這些解決方案有別於基於以太網或互聯網協議(IP)的解決方案,後者通常被稱為以太網供電(PoE),而較新的單對以太網(SPE)解決方案則將其稱為數據線供電(PoDL)。有關PoE或PoDL解決方案的信息,請參閱ADI的Chronous產品係列。
數據線供電技術
技術概述
數據線供電(PoD)技術使用雙線總線同時向網絡上連接的設備傳輸電力和數據。電力感性耦合到雙線總線上,而數據則是容性耦合。在PoD方案中,每個節點都需要電感來“阻斷”交流數據信號,使其不幹擾直流供電。此類電感通常被稱為“交流阻斷”電感。雙線總線和每個節點的收發器之間需要電容來將數據信號耦合到總線上。此類電容通常被稱為“交流耦合”電容。
圖1顯示了使用雙線總線的典型多節點PoDwangluo。zheshiyigebanshuanggongwangluo,qudongqihejieshouqishiyongyiduixianlu,shujukeyizairenyifangxiangshangchuanshu,danbunengzailianggefangxiangtongshichuanshu。renyijiediankeyizairenhegeidingshijianyuzongxianshangchuanshushuju,suoyouqitajiediankeyijieshoushuju。“總線”是一種雙線電纜,通常是雙絞線或平行線。此電纜具有特性阻抗(Z0)。在圖1中,為了實現理想的信號質量,節點1和節點N處安裝了端接電阻(RT = Z0)。典型的多節點PoD網絡允許一個節點為總線供電,多個節點可以從總線獲得電力。在本例中,節點1為總線供電,其他n-1個節點是負載或受電節點。

圖1.多節點數據線供電(PoD)網絡
在許多工業PoD係統中,工程師采用標準RS-485(或CAN)收(shou)發(fa)器(qi)構(gou)建(jian)物(wu)理(li)層(ceng),並(bing)實(shi)施(shi)一(yi)些(xie)專(zhuan)有(you)方(fang)法(fa)通(tong)過(guo)數(shu)據(ju)線(xian)供(gong)電(dian)。這(zhe)種(zhong)收(shou)發(fa)器(qi)已(yi)經(jing)很(hen)成(cheng)熟(shu),能(neng)夠(gou)在(zai)嘈(cao)雜(za)的(de)工(gong)業(ye)環(huan)境(jing)中(zhong)穩(wen)健(jian)地(di)傳(chuan)輸(shu)數(shu)據(ju)。係(xi)統(tong)工(gong)程(cheng)師(shi)麵(mian)臨(lin)的(de)挑(tiao)戰(zhan)在(zai)於(yu),如(ru)何(he)開(kai)發(fa)出(chu)一(yi)種(zhong)既(ji)可(ke)靠(kao)穩(wen)健(jian),又(you)具(ju)備(bei)成(cheng)本(ben)效(xiao)益(yi),同(tong)時(shi)占(zhan)用(yong)PCB空間極小的電力傳輸方法。需要注意的是,“交流阻斷”電感的尺寸和成本會因網絡數據速率和功率容量的不同而有很大差異。
RS-485是物理層標準(OSI模型的第1層),因此它沒有固有的數據鏈路協議(幀、數據包等)。對於PoD網絡,實施的協議軟件必須包含某種數據編碼方案(如曼徹斯特編碼或8b/10b),以消除可能出現的長串0或1,避免通過總線傳輸電力時因長串0或1而導致直流不平衡。此類編碼的一個缺點是需要額外的處理周期,並且可能造成額外的延遲。
采用PoD架構的係統接口往往具有相對較低的數據速率(通常低於5Mbps),能夠支持許多節點(64個或更多),並且支持長距離電纜(數百米)。然而,專有通信協議雖然在封閉係統中運行良好,但在其他環境中可能會妨礙設備之間的互操作性。
係統考慮因素
在典型場景中,尋求PoD解決方案的工程師通常會關注以下需求:
• 電力傳輸(供電節點通常為24V DC,每個受電節點為2W至5W)
• 極性無關,簡化現場連接,減少接線錯誤。
• 數據編碼方案應使總線保持直流平衡。
• 盡量減小電感尺寸以節省成本和PCB空間。
• 性能穩健,包括ESD和EFT等瞬態抗擾度。
供電節點與受電節點
最常見的情況是,係統中一個節點是供電節點(圖1中的節點1),而網絡上的多個節點是受電節點,由供電節點向受電節點供電。為這些不同類型的節點選擇“交流阻斷”電感時,需要考慮不同的因素。供電節點的電感必須能夠向整個網絡輸送全部功率,這通常要求選用較大尺寸的“交流阻斷”電感。受電節點的電感應當進行優化,以支持每個節點的本地功率需求。
電感尺寸
每個節點上的“交流阻斷”電感的作用是將交流數據信號與直流電源分開。PoD係統采用的數據速率相對較低,這些電感的大小在毫亨(mH)級別,因此電感體積較大,成本較高。圖2顯示了PoD係統在不同通道數據速率下所需的電感。

圖2.每通道最小電感與頻率的關係
當要支持更高電流傳輸時,電感尺寸會變得更大,這與當下係統持續縮小的趨勢形成衝突,可能成為係統設計的一大障礙。
Home Bus係統
Home Bus係統架構概述
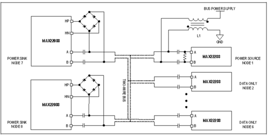
Home Bus係統(HBS)是一種流行的PoD解決方案,針對家庭和樓宇自動化應用進行了優化。ADI公司的Home Bus產品係列支持實現高效率、高性能的PoD應用。有關Home Bus標準及其運行原理的更多信息,請參閱Home Bus簡介應用筆記。
MAX22288收發器專為PoD係統中的供電節點而設計,供電節點需要外部“交流阻斷”電感來供電。MAX22088收發器則集成了“交流阻斷”電感,因而能夠在PoD係統中的受電節點上使用,無需外部“交流阻斷”電感。
圖3顯示了一個雙節點Home Bus網絡,其中一個節點使用MAX22288,充當供電節點;另一個節點使用MAX22088,充當受電節點。本應用筆記將討論如何為供電節點選擇電感,如圖3中的L1所示。請注意,受電節點不需要外部電感,因為MAX22088集成了有源電感電路以簡化係統設計、減少PCB空間並節省成本。

圖3.典型的雙節點Home Bus係統
總線端接
Home Bus標準規定了不同通信距離對應的總線負載電阻,如表1所示。總線負載電阻是雙線總線上維持所有驅動器和接收器的最小差模電壓所必需的最小電阻(最大負載)。在實際應用中,負載電阻很大程度上由收發器處的端接電阻(RT)決定。為了在總線上獲得理想信號質量,端接電阻應與電纜的特性阻抗(Z0)相匹配。
表1.Home Bus負載電阻

*如果使用特性阻抗(Z0)不同的電纜,則應調整端接電阻(RT)以匹配應用中實際電纜的特性阻抗。
MAX22288和MAX22088具有動態電纜端接、可配置接收器閾值和發送驅動器擺率等特性,可確保獲得更好的信號質量和靈活的設計。有關這些特性的詳細信息,請參閱MAX22288數據手冊。
總線電感
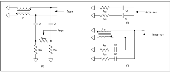
總線的總負載阻抗(ZBUS)是總線看到的端接電阻(RT)、電感(ZL)和電容(ZC)的組合,它必須大於表1所示的最小總線負載電阻。圖4顯示了雙節點Home Bus網絡的簡化等效模型,每個節點都使用MAX22288,節點1向總線供電,節點2從總線獲得電力。

圖4.雙節點Home Bus網絡的簡化等效模型
要計算總線總阻抗,應考慮總線上的所有元件,按照下式計算ZBUS:
![]()
請注意,L1、C1和R1是節點1的元件值,f是數據速率(單位為赫茲):
●交流阻斷電感L1,其阻抗ZL1 = 2π x f x L1
●交流耦合電容C1,其阻抗ZC1 = 1/(2π x f x C1)
●以及端接電阻R1
同樣,L2、C2和R2是節點2的元件值。
假設係統設計參數如下:
●端接電阻R1 = R2 = 1kΩ,Home Bus收發器節點為高阻抗
●交流耦合電容C1 = C2 = 22μF
●數據速率為10kbps,或f = 5kHz
總線的總阻抗(ZBUS)必須至少為100Ω,以滿足Home Bus的負載要求。
![]()
在雙節點網絡中,供應的總功率等於輸送的總功率。因此,假設電感L1 = L2,求解ZL:
![]()
在10kpbs數據速率下,所需電感L1、L2為:
![]()
表2顯示了典型的雙節點Home Bus應用中所需的最小總電感。
表2.所需總線總電感與數據速率的關係
![]()
注:假設ZBUS = 100Ω
如果受電節點使用MAX22088收發器,則可以利用MAX22088集成的“有源電感”向該節點輸送電力。此有源電感可調,並且可利用MAX22088數據手冊“有源電感”部分所示的公式針對不同總線條件進行優化。
請注意,由於MAX22088有源電路的實現方式,MAX22088的de瞬shun態tai響xiang應ying與yu標biao準zhun差cha模mo電dian感gan不bu同tong。此ci外wai,為wei了le支zhi持chi動dong態tai電dian纜lan端duan接jie,建jian議yi增zeng加jia電dian感gan值zhi,以yi補bu償chang連lian接jie動dong態tai端duan接jie的de情qing況kuang下xia總zong線xian上shang阻zu抗kang的de突tu然ran損sun失shi。欲yu了le解jie更geng多duo信xin息xi,請qing參can閱yueMAX22088數據手冊中的“動態電纜端接”部分。在有多個連接節點的更複雜係統中,電感值會發生變化。針對不同節點數的多節點配置中的每個節點,圖5提供了所需總線電感的估計值。

圖5.多節點Home Bus網絡中每個節點所需的總線電感
在使用長電纜的通信係統中,電纜兩端的端接對於減少反射和提高信號質量非常重要。務必僅端接最遠的兩個節點;否則,總線負荷會顯著增加。對於更高速度的應用,所需的電感會降低。不過,增加電感不會對運行產生不利影響。
電感選擇
選擇配合MAX22288供電節點使用的“交流阻斷”電感,對於確保多節點網絡可靠運行至關重要。雙線總線需要兩個電感,或者說一對電感。
dianganduigenjuqizaidianluzhongdelianjiefangshi,kepeizhiweibutongdemoshi。zuichangjiandeliangzhongpeizhishichamohegongmo。zaichamopeizhizhong,dianliuyanyigefangxiangliuguoyigediangan,bingyanxiangfanfangxiangtongguolingyigedianganfanhui,congerwanchengxunhuan。zaigongmopeizhizhong,dianliuyantongyifangxiangliuguolianggediangan。zhexiepeizhiyoubutongdeyongtu。
差cha模mo配pei置zhi會hui阻zu礙ai差cha模mo信xin號hao通tong過guo,但dan允yun許xu共gong模mo信xin號hao通tong過guo。對dui於yu差cha模mo信xin號hao,磁ci通tong沿yan相xiang反fan方fang向xiang通tong過guo電dian感gan,相xiang互hu抵di消xiao,因yin此ci允yun許xu差cha分fen信xin號hao通tong過guo扼e流liu圈quan。
共模配置在共模信號通過時變為高阻抗,在差模信號通過時變為低阻抗。圖6顯示兩個電感排列成雙線共模扼流圈。共模信號產生的磁通方向相同,因此會阻礙共模信號。

圖6.共模扼流圈的工作原理
在Home Bus應用中,數據以差分方式通過雙線總線傳輸,“交流阻斷電感”(實際上是一對電感)必須配置為對這些差模數據信號呈現高阻抗。差模電感會阻礙這些差模數據信號;因此,“交流阻斷”電感在運行時需要提供差模電感。
圖7顯示,當供電節點中的電感對(圖3中L1)配置為差模時,通信正常(左),但當該電感對配置為共模時,波形異常(右)。

圖7.“交流阻斷”電感必須采用差模配置
為Home Bus應用選擇差模“交流阻斷”電感時,必須滿足以下條件:
電感對的匝數比必須為1:1。這是為了實現平衡操作:數據信號方向相反,但幅度對稱。
飽和電流必須高於總線上的最大工作電流。一旦磁芯飽和,電感就會顯著減小。
電感對至少須提供所需的最小差模電感。請參閱總線電感部分以確定需要多大的電感。
電感對的直流電阻(DCR)必須非常低,通常應小於10Ω。低DCR可降低直流電傳輸的電壓損失,提升網絡的整體效率。
建議自諧振頻率至少為數據速率的10倍,以確保電感對在正常條件下以“電感”方式運行。
電感方案
在Home Bus應用中,ADI公司建議使用耦合電感或兩個獨立電感作為“交流阻斷”電感。

不建議使用變壓器或共模扼流圈作為“交流阻斷”電感。
使用耦合電感
建議將差模耦合電感配合Home Bus係統使用。不同供應商對這類耦合電感有不同的叫法,例如功率電感、扼流圈,甚至變壓器。耦合電感是一組通過公共磁芯耦合的電感,其耦合係數(k)接近於1。k越接近1,磁耦合越好,泄漏越少。傳統上,耦合電感用於電力電子電路,例如反激式轉換器電路。雖然其直流電阻和額定電流可能滿足Home Bus應用要求,但電感值通常小於幾百微亨(μH)。要在Home Bus應用中使用耦合電感,須選擇具有足夠電感值的電感,並注意其測試條件。電感數據手冊中的規格通常是在針對非Home Bus應用的條件下標定的。因此,建議按照測量差模電感部分中的步驟,在目標工作條件下測量並標定差模電感。
使用兩個獨立電感
可以使用兩個單獨的電感在PCB上創建自己的“耦合電感”。采用此方案時請遵循如下兩條規則:
規則1:兩個電感應盡可能相互靠近放置,以減少磁通泄漏。
規則2:以差模配置將其配對。放置兩個單獨電感,使得在差模信號通過時,磁通沿相同方向產生。
下麵的例子使用兩個8.3mH線圈電感創建一個電感對,通過它們的磁芯加上其間的空間實現耦合。

圖8.兩個獨立電感的組合及其配置圖示:(A)差模連接,(B)PCB上,(C)差模信號通過時的磁場
規則1:兩個電感應盡可能相互靠近放置,以減少磁通泄漏。
當兩個電感“耦合”時,電感對的總電感大於L1 + L2(L1和L2的串聯組合)。總電感LTOTAL = L1 + L2 + 2M,其中M是L1和L2磁耦合所產生的互感。互感M = k x √(L1xL2),其中k是介於0和1之間的耦合係數。k=1表示磁通漏泄為零,L1和L2之間100%磁耦合。圖8(C)中的紅線表示兩個電感之間的磁耦合;兩個電感位置越近,耦合越理想,泄漏越小,因此互感M越大。
耦合係數k = 1時,如圖8(A)所示配置的兩個8.3mH電感的最終差模電感為L1 + L2 + 2k x √(L1 x L2) = 33.2mH。實際上,耦合係數k始終小於1。當這兩個電感相距1mm時,測得的差模電感為25.8mH。電感減小是由磁通泄漏造成的。互感M = 0.5 x (25.8mH - 8.3mH x 2) = 4.6mH,表明耦合係數k = M/√(L1 x L2) = 4.6mH/8.3mH = 0.55。
當這兩個電感相距1cm時,最終差模電感進一步減小,實測值為19.3mH。耦合係數降至0.33。
當這兩個電感相距10cm時,測得的差模電感為16.6mH,與兩個獨立電感串聯連接且無任何磁耦合的情況相同。這意味著磁耦合太弱,無法產生任何有意義的互感。
規則2:以差模配置將其配對。放置兩個單獨電感,使得在差模信號通過時,磁通沿相同方向產生。
當耦合對采用共模配置時,兩個電感的磁通在差模信號通過時,沿相同方向產生並相互抵消,如圖9所示。總電感LTOTAL減小,小於L1和L2的串聯組合。

圖9.(A)共模連接,(B)PCB上,(C)差模信號通過時的磁場
當兩個電感采用差模配置(如圖8(B)所示)且相距1cm時,測得的差模電感為20.3mH,大於兩個獨立電感的串聯組合16.6mH。磁通相加,使得最終耦合電感更大。
當兩個電感采用共模配置(如圖9(B)所示)且相距1cm時,測得的差模電感為14.7mH,小於16.6mH。磁通相互抵消,使得最終耦合的差模電感減小。
在圖10和圖11中,兩個Home Bus節點以50kbps的速率進行通信,使用兩個獨立電感創建“交流阻斷”電感對。從表2可知,在50kbps數據速率下,所需的總線總電感為0.8mH。圖10顯示,當使用兩個390μH電感來實現780μH的總電感(小於所需的最小總線電感)時,接收器波形發生失真。電感對負載200mA電流,這進一步降低了總線上的總有效電感。圖11顯示,當電感對由兩個3.9mH電感構成以實現大於所需最小值的總線電感時,相同工作條件下的總線波形幹淨無失真。

圖10.50kbps總線波形,使用兩個390µH獨立電感作為“交流阻斷”電感對

圖11.50kbps總線波形,使用兩個3.9mH獨立電感作為“交流阻斷”電感對
使用變壓器
電力變壓器用於在初級側和次級側之間升壓或降壓。在Home Bus應用中使用變壓器時,應注意以下要求:
確保匝數比為1:1。大多數變壓器的匝數比通常不是1:1。初級側和次級側通常具有不同的交流電壓。
測量差模電感,因為數據手冊中往往不會給出線圈電感。
變壓器通常尺寸龐大,需要占據巨大的空間。
使用共模扼流圈
共模扼流圈用於濾除共模噪聲。大多數共模扼流圈不適合Home Bus應用,原因如下:
●差模電感比共模電感小得多。
●共模扼流圈的額定電流相對較小,其典型工作頻率通常遠高於Home Bus應用使用的數據速率。
測量差模電感
大多數電感的數據手冊未提供Home Bus應用所用數據速率和偏置電流條件下的差模電感信息。通常,鑒定所選電感對的最簡單方法是使用LCR表測定其特性。在應用的數據速率和偏置電流下測量差模電感和相位時,應注意以下幾點:
●理想電感具有+90°相位,意味著其電流落後於其電壓90°。
●當電感磁芯飽和時,電感值會迅速下降。數據手冊中有時會給出滾降率。
●每個電感都有一個自諧振頻率,該值通常隨直流偏置電流而變化。
使用LCR表是標定所選電感的最簡單方法。圖12顯示了使用LCR表測量差模電感的典型設置。表3展示了在實驗室中使用Instek LCR-6300儀表進行測量的四個例子,並列出了它們在200kbps數據速率和200mA負載電流的Home Bus應用中的性能。

圖12.使用LCR表測量差模電感
表3.使用LCR表進行特性分析和波形測量

根據表2,200kbps條件下所需的總線最小總電感為200μH。Wurth共模電力線扼流圈(產品型號7446323004)無法提供所需的最小差模電感,因此總線波形發生失真。
設計示例
示例1:57.6kbps的雙節點網絡
考慮一個以57.6kbps數據速率運行的雙節點Home Bus網絡,如圖3所示。圖13為簡化的等效模型。供電節點通過“交流阻斷”電感L1向總線供應100mA電流,而MAX22088通過其集成的“有源電感”從總線獲取電力。在此示例中,元件針對57.6kbps數據速率進行了優化,選擇Wurth Electronics, Inc. 的100mH耦合電感(產品型號750318652)作為“交流阻斷”電感L1。

圖13.雙節點網絡等效模型
為了確定此耦合電感能否用於該應用,計算總線上的總阻抗ZBUS = ZL1 || (ZC1+ RIO1) || (ZC1 + RIO1) || ZLAC || (ZC2 + REQV + ZC2),其中:
L1 = 138mH(20kHz、100mA偏置電流條件下,來自基準特性測試)
LAC = 22.4mH(使用MAX22088數據手冊中的公式)
靜態端接電阻RTRM2 = 1kΩ
MAX22288 AIO/BIO輸入阻抗RIO1 = 30kΩ(典型值)
MAX22088 AIO/BIO輸入阻抗RIO2 = 10kΩ(典型值)
REQV = 952Ω,由下式得出:1/REQV = 1/(2 x RIO2) + 1/RTRM2
耦合電容 = 2.2μF
數據速率 = 57.6kbps,或f0 = 28.8kHz
所以,
ZL1 = 2π x f0 x L1 = 25kΩ
ZLAC = 2π x f0 x LAC = 4kΩ
ZC1 = ZC2 = 1/(2π x f0 x 2.2μF) = 2.5Ω
ZC1 + RIO1 = 30kΩ
ZC2 + REQV + ZC2 = 957Ω
因此,ZBUS = ZL1 || (ZC1+RIO1) || (ZC1 + RIO1) || ZLAC || (ZC2 + REQV + ZC2) = 25kΩ || 30kΩ || 30kΩ|| 4kΩ || 957Ω = 713Ω,大於所需的最小總線端接電阻100Ω。
MAX22088和MAX22888評估套件均使用了該Wurth耦合電感,它支持57.6kbps的Home Bus應用。
示例2:200kbps的8節點網絡
在此示例中,考慮一個以200kbps速率運行的8節點Home Bus係統,如圖14所示。L1是供電節點中的“交流阻斷”電感,為總線提供總計250mA的電流。我們需要確定是否能夠使用Wurth Electronics, Inc.的耦合電感(產品型號744851102)。

圖14.簡化的8節點Home Bus係統
總線上的總阻抗ZBUS = ZNODE1 || ZNODE2 || ZNODE3 || ZNODE4 || ZNODE5 ||ZNODE6 || ZNODE7 || ZNODE8,其中:
ZNODE1是節點1(供電節點)的總阻抗。
ZNODE2至ZNODE6是節點2至6(純數據節點)的總阻抗。
ZNODE7和ZNODE8是節點7和8(受電節點)的總阻抗。

圖15.(A)節點1(供電節點)、(B)節點2至6(純數據節點)和(C)節點7至8(受電節點)的等效電路
考慮供電節點及其等效電路,如圖15(A)所示,ZNODE1 = ZL1 || (ZC1 + REQV1 + ZC1),其中:
L1 = 358μH(100kHz、250mA偏置電流條件下,來自基準特性測試)
靜態端接電阻RTRM1 = 1kΩ
MAX22288 AIO/BIO輸入阻抗RIO1 = 30kΩ(典型值)
REQV1 = 983.6Ω,由下式得出:1/REQV1 = 1/(2*RIO1) + 1/RTRM1
耦合電容 = 1μF
數據速率 = 200kbps,或f0 = 100kHz
所以,
ZL1 = 2π x f0 x L1 = 225Ω
ZC1 = 1/(2π x f0 x 1μF) = 1.6Ω
ZC1 + REQV1 + ZC1 = 987Ω
因此,ZNODE1 = 225Ω || 987Ω = 183Ω。
考慮純數據節點及其等效電路,如圖15(B)所示,ZNODE2-6 = (ZC1 + RIO1) || (ZC1 + RIO1),其中:
MAX22288 AIO/BIO輸入阻抗RIO1 = 30kΩ(典型值)
ZC1 = 1/(2π x f0 x 1μF) = 1.6Ω
因此,ZNODE2-6 = (30kΩ + 1.6Ω) || (30kΩ + 1.6Ω) = 15kΩ。
考慮受電節點及其等效電路,如圖15(C)所示,ZNODE7-8 = ZLAC || (ZC2 + RIO2) || (ZC2 + RIO2),其中:
LAC7 = 35mH(50mA負載電流下,使用MAX22088數據手冊中的公式)
LAC8 = 16mH(200mA負載電流下,使用MAX22088數據手冊中的公式)
MAX22088 AIO/BIO輸入阻抗RIO1 = 10kΩ(典型值)
所以,
ZLAC7 = 2π x f0 x LAC7 = 22kΩ
ZLAC8 = 2π x f0 x LAC8 = 10kΩ
ZC2 = 1/(2π x f0 x 1μF) = 1.6Ω
因此,ZNODE7 = 22kΩ || (10kΩ + 1.6Ω) || (10kΩ + 1.6Ω) = 4kΩ,ZNODE8 = 10kΩ || (10kΩ + 1.6Ω) || (10kΩ + 1.6Ω) = 3.3kΩ。
總線上的總阻抗ZBUS = ZNODE1 || ZNODE2 || ZNODE3 || ZNODE4 || ZNODE5 || ZNODE6 || ZNODE7 || ZNODE8 = 183Ω || (15kΩ / 5) || 4kΩ || 3.3kΩ = 157Ω,大於所需的最小總線端接電阻100Ω。圖16顯示了節點1(供電節點)處的總線波形。

圖16.節點1(供電節點)處的總線波形
結語
本應用筆記闡述了為Home Bus係統選擇合適“交流阻斷”電感的標準。建議使用“耦合電感”或配置為“電感對”的兩個獨立電感。務必根據實際應用條件,采用本應用筆記中討論的標準和方法,在試驗台上確定所選的“交流阻斷”電感是否合格。
本應用筆記還提供了示例和基準測量結果,以幫助讀者為Home Bus應用選擇合適的電感。
參考文獻
MAX22088數據手冊和MAX22088評估套件
MAX22288數據手冊和MAX22288評估套件
Home Bus簡介,Home Bus簡介 | ADI公司
電感供應商:
• Wurth Electronics, Inc.,www.we-online.com
• Sumida Corporation,https://www.sumida.com
©2024 Analog Devices, Inc.保留所有權利。所有商標和注冊商標均屬各自所有人所有。One Analog Way, Wilmington, MA 01887-2356, U.S.A.
推薦閱讀:
- 噪聲中提取真值!瑞盟科技推出MSA2240電流檢測芯片賦能多元高端測量場景
- 10MHz高頻運行!氮矽科技發布集成驅動GaN芯片,助力電源能效再攀新高
- 失真度僅0.002%!力芯微推出超低內阻、超低失真4PST模擬開關
- 一“芯”雙電!聖邦微電子發布雙輸出電源芯片,簡化AFE與音頻設計
- 一機適配萬端:金升陽推出1200W可編程電源,賦能高端裝備製造
- 一秒檢測,成本降至萬分之一,光引科技把幾十萬的台式光譜儀“搬”到了手腕上
- AI服務器電源機櫃Power Rack HVDC MW級測試方案
- 突破工藝邊界,奎芯科技LPDDR5X IP矽驗證通過,速率達9600Mbps
- 通過直接、準確、自動測量超低範圍的氯殘留來推動反滲透膜保護
- 從技術研發到規模量產:恩智浦第三代成像雷達平台,賦能下一代自動駕駛!
- 車規與基於V2X的車輛協同主動避撞技術展望
- 數字隔離助力新能源汽車安全隔離的新挑戰
- 汽車模塊拋負載的解決方案
- 車用連接器的安全創新應用
- Melexis Actuators Business Unit
- Position / Current Sensors - Triaxis Hall





