電源架構革新:多通道PMIC並聯實現大電流輸出的設計秘籍
發布時間:2025-11-24 責任編輯:lina
【導讀】隨著高性能處理器與FPGA的功率需求持續攀升,傳統單通道電源方案已難以滿足嚴苛的電流供給要求。本文將深入探討多通道PMIC的創新應用方案——通(tong)過(guo)並(bing)聯(lian)多(duo)個(ge)穩(wen)壓(ya)輸(shu)出(chu)通(tong)道(dao),實(shi)現(xian)單(dan)路(lu)大(da)電(dian)流(liu)輸(shu)出(chu)的(de)技(ji)術(shu)路(lu)徑(jing)。該(gai)方(fang)案(an)不(bu)僅(jin)顯(xian)著(zhu)提(ti)升(sheng)了(le)係(xi)統(tong)的(de)電(dian)流(liu)供(gong)給(gei)能(neng)力(li),更(geng)通(tong)過(guo)精(jing)密(mi)的(de)均(jun)流(liu)控(kong)製(zhi)確(que)保(bao)了(le)優(you)異(yi)的(de)電(dian)壓(ya)調(tiao)節(jie)精(jing)度(du)與(yu)熱(re)平(ping)衡(heng)性(xing)能(neng)。這(zhe)種(zhong)創(chuang)新(xin)的(de)電(dian)源(yuan)架(jia)構(gou)在(zai)簡(jian)化(hua)設(she)計(ji)複(fu)雜(za)度(du)的(de)同(tong)時(shi),有(you)效(xiao)優(you)化(hua)了(le)電(dian)路(lu)板(ban)空(kong)間(jian)利(li)用(yong)率(lv),為(wei)數(shu)字(zi)信(xin)號(hao)處(chu)理(li)器(qi)、高端處理器及複雜可編程邏輯器件提供了更為高效可靠的熱管理與電源分配解決方案。
摘要
隨著高性能處理器與FPGA的功率需求持續攀升,傳統單通道電源方案已難以滿足嚴苛的電流供給要求。本文將深入探討多通道PMIC的創新應用方案——通(tong)過(guo)並(bing)聯(lian)多(duo)個(ge)穩(wen)壓(ya)輸(shu)出(chu)通(tong)道(dao),實(shi)現(xian)單(dan)路(lu)大(da)電(dian)流(liu)輸(shu)出(chu)的(de)技(ji)術(shu)路(lu)徑(jing)。該(gai)方(fang)案(an)不(bu)僅(jin)顯(xian)著(zhu)提(ti)升(sheng)了(le)係(xi)統(tong)的(de)電(dian)流(liu)供(gong)給(gei)能(neng)力(li),更(geng)通(tong)過(guo)精(jing)密(mi)的(de)均(jun)流(liu)控(kong)製(zhi)確(que)保(bao)了(le)優(you)異(yi)的(de)電(dian)壓(ya)調(tiao)節(jie)精(jing)度(du)與(yu)熱(re)平(ping)衡(heng)性(xing)能(neng)。這(zhe)種(zhong)創(chuang)新(xin)的(de)電(dian)源(yuan)架(jia)構(gou)在(zai)簡(jian)化(hua)設(she)計(ji)複(fu)雜(za)度(du)的(de)同(tong)時(shi),有(you)效(xiao)優(you)化(hua)了(le)電(dian)路(lu)板(ban)空(kong)間(jian)利(li)用(yong)率(lv),為(wei)數(shu)字(zi)信(xin)號(hao)處(chu)理(li)器(qi)、高端處理器及複雜可編程邏輯器件提供了更為高效可靠的熱管理與電源分配解決方案。
引言
在現代電子係統設計中,電源管理集成電路(PMIC)因其能為複雜電源架構帶來設計靈活性而越來越受到重視。傳統電源解決方案主要關注效率和電壓調節,而PMIC則更進一步,將多個電源軌、時序控製邏輯、故障保護和遙測功能集成於一個緊湊的器件中。多通道PMIC通tong常chang用yong於yu管guan理li多duo個ge電dian源yuan輸shu出chu,每mei個ge通tong道dao為wei係xi統tong的de特te定ding部bu分fen提ti供gong穩wen定ding的de電dian壓ya。這zhe些xie器qi件jian還hai可ke以yi配pei置zhi為wei多duo相xiang模mo式shi,方fang法fa是shi組zu合he多duo個ge通tong道dao來lai供gong應ying單dan個ge大da電dian流liu軌gui,從cong而er有you效xiao取qu代dai單dan通tong道dao大da電dian流liu調tiao節jie器qi。此ci方fang法fa涉she及ji並bing聯lian多duo個ge通tong道dao,以yi確que保bao各ge個ge通tong道dao均jun等deng分fen擔dan負fu載zai,防fang止zhi任ren何he單dan一yi通tong道dao過guo載zai。這zhe種zhong靈ling活huo性xing在zai需xu要yao大da電dian流liu傳chuan輸shu,同tong時shi保bao持chi效xiao率lv和he可ke靠kao性xing的de應ying用yong中zhong特te別bie有you用yong。此ci類leiPMIC通常用於數字信號處理器、處理器、FPGA和微控製器等複雜器件中,其中多個子係統需要不同的功率水平。
為了滿足不同應用的大電流需求,LT7200S采用薄型5 mm × 6 mm、48引腳LQFN封裝,ADP5055和ADP5056采用5.00 mm × 5.50 mm LGA封裝,而且全都具有並聯能力以實現大電流供電。
典型應用
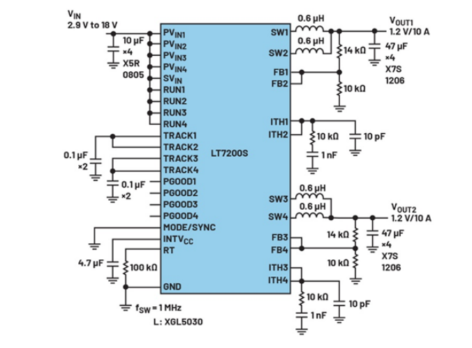
隨著數據速度的提升和工作負載的增長,FPGA和SoC不(bu)斷(duan)演(yan)進(jin),以(yi)滿(man)足(zu)不(bu)斷(duan)上(shang)升(sheng)的(de)速(su)度(du)和(he)容(rong)量(liang)需(xu)求(qiu)。電(dian)源(yuan)也(ye)必(bi)須(xu)隨(sui)之(zhi)發(fa)展(zhan),在(zai)提(ti)供(gong)更(geng)大(da)電(dian)流(liu)的(de)同(tong)時(shi),實(shi)現(xian)更(geng)高(gao)的(de)功(gong)率(lv)密(mi)度(du)。此(ci)外(wai),簡(jian)便(bian)性(xing)和(he)可(ke)靠(kao)性(xing)同(tong)樣(yang)重(zhong)要(yao)。對(dui)於(yu)需(xu)要(yao)15 A以上電流的係統,可以並聯多個LT7200S穩壓器並錯相運行,確保功率輸送高效穩定。圖1和圖2展示了LT7200S的de典dian型xing應ying用yong原yuan理li圖tu,它ta支zhi持chi雙shuang相xiang和he四si相xiang操cao作zuo,通tong過guo並bing聯lian為wei負fu載zai提ti供gong更geng高gao的de輸shu出chu電dian流liu。這zhe款kuan器qi件jian采cai用yong四si相xiang架jia構gou,四si個ge內nei部bu同tong步bu降jiang壓ya型xing穩wen壓ya器qi通tong道dao能neng夠gou高gao效xiao並bing聯lian。每mei個ge通tong道dao能neng夠gou輸shu出chu或huo吸xi收shou±5 A的電流。當四相並聯時,合計可向公共輸出端提供高達±20 A的電流。而這是通過精密電流模式控製實現的,它能確保所有通道間精確均流,從而提升熱平衡和係統可靠性。

圖1.四相並聯,用作20 A單輸出PMIC

圖2.雙相並聯,用作10 A/10 A雙輸出PMIC
這款器件通過PHMODE引腳支持相位交錯,允許每個通道與其他通道錯相運行,從而顯著減少輸入和輸出紋波。此外,MODE/SYNC引腳支持與外部時鍾同步,從而實現協調切換,並盡可能減少敏感應用中的噪聲。
工作頻率可通過外部電阻設置在400 kHz至3 MHz範圍內。用於對開關噪聲敏感的應用時,工作頻率支持外部同步。獨特的“可鎖相、受控導通時間、恒定頻率、電流模式”架構非常適合要求快速瞬態響應的高頻、高降壓應用。
LT7200S采用Silent Switcher® 2技術,憑借創新的設計和封裝工藝,能夠在實現高效率的同時降低電磁幹擾(EMI)。得益於這項獨特技術,這些穩壓器對PCB布局變化的敏感度大幅降低,不僅簡化了設計流程,還顯著提升了整體性能表現。
LT7200S性能圖
圖3顯示了四相LT7200S解決方案的效率。四相配置與圖1所示配置類似,開關頻率為1 MHz,電壓從12 V降至1.2 V。它可提供高達20 A的連續負載電流。PHMODE引腳接GND,導致每個通道發生90°相移。這種交錯操作能夠減少輸入電流紋波,使熱負荷在整個電路板上均勻分布,降低對輸入和輸出電容的要求,盡可能減少EMI,並提高係統整體穩定性。為確保在穩態和啟動期間更好地均流,應將ITH、FB和TRACK/SS連接在一起。
這款器件在12 V輸入下實現了88%的峰值效率,並在20 A滿負載電流下保持86%的效率。圖4顯示了LT7200S在12 V降至1.2 V/20 A條件下工作的熱圖像,表明它在四相操作期間實現了良好的均流。

圖3.LT7200S四相效率,12 V降至1.2 V,1 MHz

圖4.LT7200S熱圖像:12 V降至1.2 V,20 A,1 MHz,無氣流,TA = 25°C
類似地,ADP5055和ADP5056在一個43引腳LGA封裝中集成了三個高性能降壓型穩壓器,可滿足嚴苛的性能和電路板空間要求。
這些器件可直接連接高達18 V的輸入電壓,無需使用前置調節器。所有通道均同時集成高邊和低邊功率MOSFET,以優化解決方案的效率。通道1和2提供3.5 A或7 A的可編程輸出電流,或在並聯工作模式下提供高達14 A的單路輸出電流。通道3提供1.5 A或3 A的可編程輸出電流。
ADP5055集成了高精度8位數模轉換器(DAC),可通過兼容PMBus®的雙線接口,實現輸出電壓動態調節(DVS)。PMBus接口提供了其他靈活配置,例如啟動和關斷時序控製、單獨的強製脈寬調製(FPWM)或省電模式(PSM)選擇、輸出放電開關和電源良好信號。這些器件的額定結溫範圍是-40°C至+150°C。
結語
ADP5056、ADP5055和LT7200S等大電流PMIC更適合需要高效、靈活、可靠電源管理的應用,具備高性能、靈活性和高集成度,是電信、數(shu)據(ju)中(zhong)心(xin)和(he)工(gong)業(ye)自(zi)動(dong)化(hua)等(deng)複(fu)雜(za)係(xi)統(tong)的(de)理(li)想(xiang)選(xuan)擇(ze)。並(bing)聯(lian)特(te)性(xing)支(zhi)持(chi)多(duo)個(ge)器(qi)件(jian)協(xie)同(tong)工(gong)作(zuo),從(cong)而(er)提(ti)升(sheng)電(dian)流(liu)能(neng)力(li)和(he)可(ke)靠(kao)性(xing),對(dui)於(yu)需(xu)要(yao)可(ke)擴(kuo)展(zhan)且(qie)穩(wen)健(jian)電(dian)源(yuan)解(jie)決(jue)方(fang)案(an)的(de)客(ke)戶(hu)至(zhi)關(guan)重(zhong)要(yao)。
推薦閱讀:
- 噪聲中提取真值!瑞盟科技推出MSA2240電流檢測芯片賦能多元高端測量場景
- 10MHz高頻運行!氮矽科技發布集成驅動GaN芯片,助力電源能效再攀新高
- 失真度僅0.002%!力芯微推出超低內阻、超低失真4PST模擬開關
- 一“芯”雙電!聖邦微電子發布雙輸出電源芯片,簡化AFE與音頻設計
- 一機適配萬端:金升陽推出1200W可編程電源,賦能高端裝備製造
- 築基AI4S:摩爾線程全功能GPU加速中國生命科學自主生態
- 一秒檢測,成本降至萬分之一,光引科技把幾十萬的台式光譜儀“搬”到了手腕上
- AI服務器電源機櫃Power Rack HVDC MW級測試方案
- 突破工藝邊界,奎芯科技LPDDR5X IP矽驗證通過,速率達9600Mbps
- 通過直接、準確、自動測量超低範圍的氯殘留來推動反滲透膜保護
- 車規與基於V2X的車輛協同主動避撞技術展望
- 數字隔離助力新能源汽車安全隔離的新挑戰
- 汽車模塊拋負載的解決方案
- 車用連接器的安全創新應用
- Melexis Actuators Business Unit
- Position / Current Sensors - Triaxis Hall




