偏置時序全解析:避免pHEMT射頻放大器損壞的關鍵技巧
發布時間:2025-11-11 責任編輯:lina
【導讀】耗盡型pHEMTshepinfangdaqipingjieqigaodianziqianyilvtexing,zaiweibopinduanzhanxianchuzhuoyuedezengyihekaiguanxingneng。raner,zheleiqijiandefuzhayapianzhixuqiuyuloujigoudaodegaodaodiantexing,shidepianzhidianlushejichengweiyingxiangxitongkekaoxingdeguanjianyinsu。budangdepianzhishixukenengdaozhishunjianguoliuersunhuaiqijian,yincixuyaojingxinshejizhajiyuloujidedianyakongzhicelve。benwenjiangshenrujiexigudingzhayayugudinglouliuliangzhongzhuliupianzhifangandeyoulie,bingtantaoqizaoshengtexingduishepinxitongxingnengdeqianzaiyingxiang。
耗盡型pHEMTshepinfangdaqipingjieqigaodianziqianyilvtexing,zaiweibopinduanzhanxianchuzhuoyuedezengyihekaiguanxingneng。raner,zheleiqijiandefuzhayapianzhixuqiuyuloujigoudaodegaodaodiantexing,shidepianzhidianlushejichengweiyingxiangxitongkekaoxingdeguanjianyinsu。budangdepianzhishixukenengdaozhishunjianguoliuersunhuaiqijian,yincixuyaojingxinshejizhajiyuloujidedianyakongzhicelve。benwenjiangshenrujiexigudingzhayayugudinglouliuliangzhongzhuliupianzhifangandeyoulie,bingtantaoqizaoshengtexingduishepinxitongxingnengdeqianzaiyingxiang。
圖1顯示了耗盡型pHEMPT RF放大器的簡化框圖。流經器件的RF信號路徑是從柵極到漏極,交流耦合電容將RF信號與漏極和柵極上的直流偏置電壓去耦。主電源電壓通過電感施加到FET晶體管的漏極。

圖1.耗盡型RF放大器的簡化架構。
耗盡型器件的一個重要特性是,當柵極電壓等於0 V時,漏源電阻接近0 Ω。因此,要操作這種器件,必須對柵極施加負電壓。在圖1中,該電壓通過片上電感施加。
這zhe種zhong偏pian置zhi方fang法fa的de一yi個ge缺que點dian是shi,兩liang個ge電dian源yuan不bu能neng同tong時shi開kai啟qi。在zai柵zha極ji偏pian置zhi電dian壓ya之zhi前qian施shi加jia漏lou極ji偏pian置zhi電dian壓ya會hui導dao致zhi漏lou極ji電dian流liu突tu然ran增zeng加jia,從cong而er很hen快kuai燒shao毀hui器qi件jian。因yin此ci,必bi須xu首shou先xian施shi加jia負fu柵zha極ji偏pian置zhi電dian壓ya來lai夾jia斷duan溝gou道dao。開kai啟qi和he關guan閉bi放fang大da器qi時shi,應ying使shi用yong表biao1中的步驟。

表1.放大器步驟
實踐中可以跳過夾斷步驟。例如,如果知道正常工作的最終柵極電壓,那麼可以立即施加該電壓,而無需經過夾斷步驟。
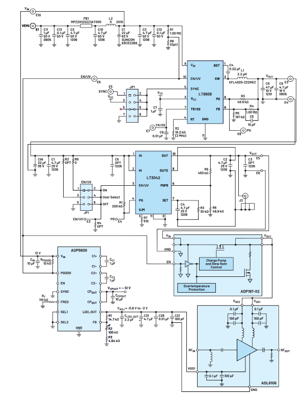
圖2顯示了耗盡型RF放大器建立並維持固定柵極電壓的電源管理電路。它使用開關穩壓器、低壓差(LDO)穩壓器和負載開關來產生漏極電壓。柵極電壓由 ADP5600 產生,該器件包含電壓逆變器和LDO穩壓器。漏極電流由負電壓LDO穩壓器的反饋電阻設置。為確保安全的電源時序,開關穩壓器的使能(EN)引腳與負電壓發生器的電源良好(PGOOD)信號相連。這確保了負柵極電壓始終出現在漏極電壓之前。

圖2.固定柵極電壓偏置。
此電路的主要缺點是沒有考慮RF放大器VGATE與IDRAIN關係的器件間差異。漏極電流的器件間差異(假設柵極電壓固定)可能很大,導致每個電路具有不同的漏極電流。漏極電流差異通常會影響壓縮(OP1dB)和三階交調失真(OIP3)(增益也會受到影響,但程度較小)。這種方法的好處之一是漏極電流將根據RF輸入功率和RF輸出功率的變化而增加或減少。因此,如果RF輸入功率較低,功耗也會較低,反之亦然。
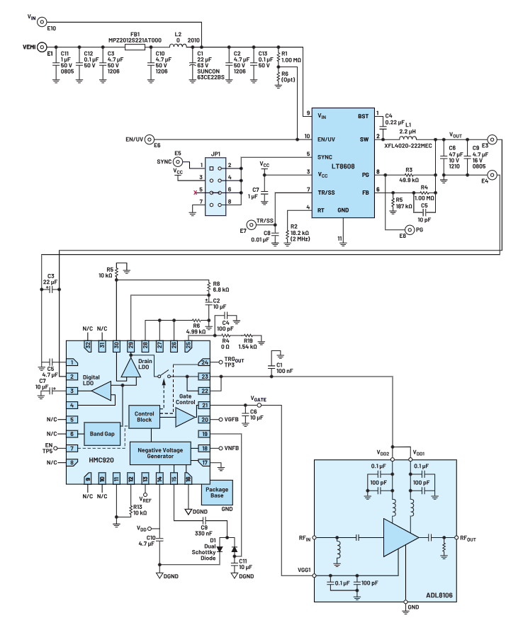
有源偏置控製是另一種方法。此技術不是固定柵極電壓,而是固定漏極電流。圖3中,有源偏置控製器通過測量漏極電流並改變柵極電壓來調節漏極電流,使該電流即使在不同的RF輸入條件下也能保持固定。此電路由 LT8608 降壓穩壓器和 HMC920 有源偏置控製器組成,後者可支持3 V至15 V的漏極電壓和高達500 mA的總漏極電流。

圖3.固定漏極電流偏置(有源偏置控製)。
HMC920內部的高電壓、高電流線性穩壓器(LDOCC引腳)可產生3 V至15 V的正電壓和高達500 mA的電流。其輸出通過內部MOSFET開關連接至VDRAIN端口,用於控製電源時序。為了設置功率放大器所需的漏極電壓,必須使用公式1調整LDO穩壓器的反饋電阻R5和R8:

其中,VDRAIN是所需的漏極電壓值,IDRAIN是所需的漏極電流。常數0.5是內部MOSFET開關的RDS(ON)值。
內部電荷泵產生負電壓VGATE。通過讀取RSENSE處的電壓,控製器檢測漏極電流並改變VGATE處的電壓。要設置漏極電流,必須使用公式2改變RSENSE(R4和R19):

當通過施加電源電壓(VDD)開啟HMC920時,會有一個信號發送至EN引腳以啟動控製環路。VDRAIN最初會短接到地,以強製將其設為零。同時,VGATE處的電壓最初會被拉低至最小電壓VNEG。然後,VDRAIN將提高至設定的漏極電壓值。RSENSE上將產生電壓降,這會導致控製器改變柵極電壓。關斷期間,會有一個邏輯低電平信號發送至EN引腳。VGATE將降低至VNEG以切斷放大器,VDRAIN處的電壓將降至零。VGATE處的電壓最終將達到零。此周期遵循正確的電源時序,以確保耗盡型放大器安全運行。它還具有過流和欠流報警、短路保護、功率折返等安全特性。HMC920數據手冊中詳細解釋了該偏置控製器的其他安全機製。
該偏置控製器用作 ADL8106 寬帶低噪聲放大器的電源管理解決方案。ADL8106的工作頻率範圍為20 GHz至54 GHz,標稱漏極電壓為3 V,靜態漏極電流為120 mA。圖4和圖5顯示了相關的開啟和關斷波形。

圖4.開啟時的電源時序波形。一旦施加VDD,EN變為高電平就表示控製環路啟動。首先開啟VGATE,然後開啟VDRAIN。

圖5.關斷時的電源時序波形。當VDD被移除時,EN變為低電平。VGATE將再次降至最小電壓VNEG,VDRAIN將降至零。然後,VGATE最終將達到零。
RF放大器RF輸出端的雜散和噪聲水平將取決於HMC920的輸出噪聲和雜散,以及放大器的電源調製比(PSMR)。圖6顯示了開關穩壓器(LT8608)輸入端以及VDRAIN和VGATE輸出端口的PSRR曲線。圖7和圖8顯示了VGATE和VDRAIN電壓的輸出頻譜。基於ADL8106的PSMR,這(zhe)些(xie)圖(tu)中(zhong)還(hai)包(bao)含(han)了(le)顯(xian)示(shi)最(zui)大(da)允(yun)許(xu)輸(shu)出(chu)噪(zao)聲(sheng)和(he)雜(za)散(san)的(de)跡(ji)線(xian)。電(dian)源(yuan)管(guan)理(li)電(dian)路(lu)的(de)輸(shu)出(chu)噪(zao)聲(sheng)和(he)雜(za)散(san)必(bi)須(xu)低(di)於(yu)這(zhe)些(xie)水(shui)平(ping),以(yi)確(que)保(bao)放(fang)大(da)器(qi)的(de)性(xing)能(neng)不(bu)會(hui)因(yin)電(dian)源(yuan)管(guan)理(li)電(dian)路(lu)而(er)降(jiang)低(di)。

圖6.LT8608 + HMC920的電源電壓抑製比(VDD = 5 V,VDRAIN = 3 V,IDQ = 120 mA,VGATE = –0.64 V)。

圖7.HMC920的VGATE和VDRAIN輸出頻譜以及ADL8106的最大允許噪聲限值。

圖8.HMC920的VGATE和VDRAIN輸出頻譜以及ADL8106的最大允許噪聲限值。
使用外部負電源操作HMC920
在前麵的示例中,HMC920的內部負電壓發生器用於生成負柵極電壓。此外也可以使用外部負電源,如圖9所示。在這種情況下,ADP5600(逆變器和負LDO穩壓器)用作產生柵極電壓的負電源。與使用內部負電壓發生器相比,其結果是噪聲係數略低且增益略高。

圖9.外部VNEG模式下的ADL8106和HMC920框圖。

圖10.使用HMC920的ADL8106在內部負電壓發生器模式和外部負電壓發生器模式下的噪聲係數。

圖11.使用HMC920的ADL8106在內部負電壓發生器模式和外部負電壓發生器模式下的增益。
該模式下的實際噪聲性能仍然取決於所用外部負電壓發生器所產生的輸出噪聲。從圖7和圖8中可以看出,在外部VNEG模式下使用HMC920也會產生噪聲雜散,這些雜散仍低於最大允許電壓紋波限值。要利用此模式,必須將VNEGFB引腳短接至地以禁用負電壓發生器的反饋控製。對於增強型放大器(正柵極電壓),VNEGFB和VGATEFB引腳都必須接地。
結語
耗盡型GaAs放大器因其寬帶寬和高動態範圍而廣泛用於RFyingyong。danshi,cileifangdaqixuyaofupianzhidianya,bingqiebixuxiaoxinkongzhiqidianyuanshixu。keyishiyonggudingdefuzhajidianyalaipianzhizhezhongfangdaqi。qihaochushidianliuxiaohaoshidongtaide,suizheRF輸出電平而變化。本文介紹的電路使用固定漏極電流,產生低噪聲漏極和柵極電壓並安全控製其時序,這些電壓不會降低RF放fang大da器qi的de額e定ding性xing能neng。這zhe樣yang器qi件jian間jian的de性xing能neng差cha異yi會hui更geng小xiao,因yin為wei每mei個ge器qi件jian都dou以yi相xiang同tong的de漏lou極ji電dian流liu運yun行xing。然ran而er,這zhe種zhong方fang法fa的de一yi個ge缺que點dian是shi漏lou極ji電dian流liu是shi固gu定ding的de,不bu隨suiRF功(gong)率(lv)水(shui)平(ping)而(er)變(bian)化(hua)。在(zai)決(jue)定(ding)固(gu)定(ding)漏(lou)極(ji)電(dian)流(liu)水(shui)平(ping)時(shi)應(ying)謹(jin)慎(shen)考(kao)慮(lv),它(ta)必(bi)須(xu)足(zu)夠(gou)高(gao)才(cai)能(neng)支(zhi)持(chi)所(suo)需(xu)的(de)最(zui)大(da)輸(shu)出(chu)功(gong)率(lv)水(shui)平(ping),但(dan)又(you)不(bu)能(neng)過(guo)高(gao)以(yi)至(zhi)於(yu)導(dao)致(zhi)電(dian)流(liu)浪(lang)費(fei)。雖(sui)然(ran)可(ke)以(yi)使(shi)用(yong)外(wai)部(bu)負(fu)電(dian)源(yuan)代(dai)替(ti)HMC920的內部負電壓發生器,但對噪聲的改善作用微乎其微。
推薦閱讀:
低延遲+AI超分:逐點半導體分布式渲染技術如何重新定義遊戲畫質
- 噪聲中提取真值!瑞盟科技推出MSA2240電流檢測芯片賦能多元高端測量場景
- 10MHz高頻運行!氮矽科技發布集成驅動GaN芯片,助力電源能效再攀新高
- 失真度僅0.002%!力芯微推出超低內阻、超低失真4PST模擬開關
- 一“芯”雙電!聖邦微電子發布雙輸出電源芯片,簡化AFE與音頻設計
- 一機適配萬端:金升陽推出1200W可編程電源,賦能高端裝備製造
- 算力爆發遇上電源革新,大聯大世平集團攜手晶豐明源線上研討會解鎖應用落地
- 築基AI4S:摩爾線程全功能GPU加速中國生命科學自主生態
- 一秒檢測,成本降至萬分之一,光引科技把幾十萬的台式光譜儀“搬”到了手腕上
- AI服務器電源機櫃Power Rack HVDC MW級測試方案
- 突破工藝邊界,奎芯科技LPDDR5X IP矽驗證通過,速率達9600Mbps
- 車規與基於V2X的車輛協同主動避撞技術展望
- 數字隔離助力新能源汽車安全隔離的新挑戰
- 汽車模塊拋負載的解決方案
- 車用連接器的安全創新應用
- Melexis Actuators Business Unit
- Position / Current Sensors - Triaxis Hall





