如何利用OTT技術實現模擬前端的80V過壓保護
發布時間:2025-09-24 責任編輯:lina
【導讀】在工業自動化、電力監控等複雜環境中,模擬前端(AFE)的運算放大器時常需要直麵一個嚴峻挑戰:輸(shu)入(ru)電(dian)壓(ya)瞬(shun)態(tai)超(chao)越(yue)其(qi)供(gong)電(dian)電(dian)源(yuan)軌(gui)。這(zhe)種(zhong)過(guo)壓(ya)情(qing)況(kuang),即(ji)便(bian)持(chi)續(xu)時(shi)間(jian)短(duan)暫(zan),也(ye)極(ji)易(yi)導(dao)致(zhi)傳(chuan)統(tong)運(yun)放(fang)內(nei)部(bu)二(er)極(ji)管(guan)導(dao)通(tong),引(yin)發(fa)性(xing)能(neng)劣(lie)化(hua)甚(shen)至(zhi)永(yong)久(jiu)性(xing)損(sun)壞(huai)。雖(sui)然(ran)可(ke)通(tong)過(guo)外(wai)部(bu)分(fen)立(li)元(yuan)件(jian)(如二極管、限流電阻)搭建保護電路,但這種方法會引入漏電流、增加噪聲與板麵積,並非最優解。本文將深入剖析一種更集成的解決方案——采用Over-The-Top(OTT)技術的放大器(如ADA4098-1/ADA4099-1),闡述其如何憑借獨特內部結構,在不犧牲精度與簡潔性的前提下,提供高達80V的過壓耐受能力。
在工業自動化、電力監控等複雜環境中,模擬前端(AFE)的運算放大器時常需要直麵一個嚴峻挑戰:輸(shu)入(ru)電(dian)壓(ya)瞬(shun)態(tai)超(chao)越(yue)其(qi)供(gong)電(dian)電(dian)源(yuan)軌(gui)。這(zhe)種(zhong)過(guo)壓(ya)情(qing)況(kuang),即(ji)便(bian)持(chi)續(xu)時(shi)間(jian)短(duan)暫(zan),也(ye)極(ji)易(yi)導(dao)致(zhi)傳(chuan)統(tong)運(yun)放(fang)內(nei)部(bu)二(er)極(ji)管(guan)導(dao)通(tong),引(yin)發(fa)性(xing)能(neng)劣(lie)化(hua)甚(shen)至(zhi)永(yong)久(jiu)性(xing)損(sun)壞(huai)。雖(sui)然(ran)可(ke)通(tong)過(guo)外(wai)部(bu)分(fen)立(li)元(yuan)件(jian)(如二極管、限流電阻)搭建保護電路,但這種方法會引入漏電流、增加噪聲與板麵積,並非最優解。本文將深入剖析一種更集成的解決方案——采用Over-The-Top(OTT)技術的放大器(如ADA4098-1/ADA4099-1),闡述其如何憑借獨特內部結構,在不犧牲精度與簡潔性的前提下,提供高達80V的過壓耐受能力。
OTT技術核心:雙輸入級協同工作
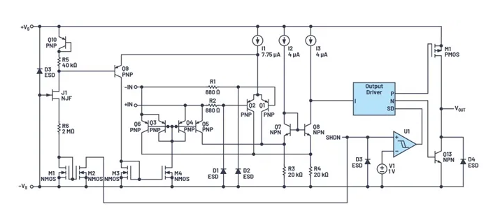
OTT放大器的過人之處在於其精巧的雙輸入級架構。以ADA4098-1為例,其內部包含兩個互補的PNP晶體管輸入級:
主差分輸入級:負責處理從負電源軌(-VS)到略低於正電源軌(約+VS - 1.25V)的正常工作信號。
共基極輸入級(OTT級):當輸入共模電壓接近或超過+VS時,該級被激活,放大器進入“Over-The-Top”模式。
這種設計確保了無論輸入信號處於正常範圍還是遭遇高壓瞬變,放大器始終有相應的電路進行處理。當輸入電壓遠超+VS時,OTT模式能使放大器輸出飽和至+VS,同時內部電路能安全承受高達80V的差模或70V的共模電壓。一旦過壓消失,放大器能瞬間恢複線性工作,且直流精度不受影響。

圖1. 內部結構的簡化表示(取自ADA4098-1)。
典型應用場景與設計要點
OTT放大器尤其適合易出現過壓場景的信號調理,例如:
高邊電流檢測:在電機驅動或電源管理中,負載突變可能引起檢測電阻兩端電壓瞬間超過運放供電軌。OTT放大器能有效抵禦此衝擊。
4mA至20mA電流環接收器:長線傳輸中可能感應高壓浪湧,OTT特性可為接收端提供內在保護。
傳感器接口:靠近動力線的傳感器信號可能串入高壓噪聲。

圖2. 采用ADA4098-1的電流測量示例。
在設計時需注意:
增益設置:通常由外部反饋電阻網絡決定,需選擇適當精度(如1%)以減小輸入偏置電流引起的誤差。
容性負載驅動:若需驅動較大容性負載,可在輸出端串聯小電阻(如50Ω)以增強穩定性。
關斷模式:ADA4098-1提供SHDN引腳,關斷後輸出呈高阻態,但OTT保護功能依然有效。
結論:集成化保護提升係統可靠性
麵對工業環境中的過壓風險,Over-The-Top放大器提供了一種高度集成、魯棒性強的保護方案。它通過內部雙輸入級智能切換,省去了複雜的外部保護電路,不僅節省了PCB空間,更避免了引入額外漏電流和噪聲,同時確保了信號鏈的測量精度與長期可靠性。對於追求高穩健性的工業AFE設計而言,ADA4098-1與ADA4099-1等OTT放大器是實現過壓保護的理想選擇。
推薦閱讀:
- 噪聲中提取真值!瑞盟科技推出MSA2240電流檢測芯片賦能多元高端測量場景
- 10MHz高頻運行!氮矽科技發布集成驅動GaN芯片,助力電源能效再攀新高
- 失真度僅0.002%!力芯微推出超低內阻、超低失真4PST模擬開關
- 一“芯”雙電!聖邦微電子發布雙輸出電源芯片,簡化AFE與音頻設計
- 一機適配萬端:金升陽推出1200W可編程電源,賦能高端裝備製造
- 築基AI4S:摩爾線程全功能GPU加速中國生命科學自主生態
- 一秒檢測,成本降至萬分之一,光引科技把幾十萬的台式光譜儀“搬”到了手腕上
- AI服務器電源機櫃Power Rack HVDC MW級測試方案
- 突破工藝邊界,奎芯科技LPDDR5X IP矽驗證通過,速率達9600Mbps
- 通過直接、準確、自動測量超低範圍的氯殘留來推動反滲透膜保護
- 車規與基於V2X的車輛協同主動避撞技術展望
- 數字隔離助力新能源汽車安全隔離的新挑戰
- 汽車模塊拋負載的解決方案
- 車用連接器的安全創新應用
- Melexis Actuators Business Unit
- Position / Current Sensors - Triaxis Hall




