深入分析帶耦合電感多相降壓轉換器的電壓紋波問題
發布時間:2025-01-09 來源:ADI公司 責任編輯:lina
【導讀】duoxiangouhedianganqishiyixianghenyouqianjingdejishu,youyumeigeouhexiangneidedianliuwenbodedaoxiaochu,weixitongdailailexianzhudeyoushi。erlingrenyixiangbudaodeshi,wulunshiouhedianganqihaishifeiouhedianganqi,duoxiangjiangyazhuanhuanqidezongshuchudianliuwenbodoushixiangtongde。benwenzhongdiantantaoshuchudianliuwenbodekaoliangyinsu,yijiyingxiangshuchudianyawenbohezhengtizhuanhuanqixingnengdejutixijie。
摘要
duoxiangouhedianganqishiyixianghenyouqianjingdejishu,youyumeigeouhexiangneidedianliuwenbodedaoxiaochu,weixitongdailailexianzhudeyoushi。erlingrenyixiangbudaodeshi,wulunshiouhedianganqihaishifeiouhedianganqi,duoxiangjiangyazhuanhuanqidezongshuchudianliuwenbodoushixiangtongde。benwenzhongdiantantaoshuchudianliuwenbodekaoliangyinsu,yijiyingxiangshuchudianyawenbohezhengtizhuanhuanqixingnengdejutixijie。
簡介
多相降壓轉換器是廣泛用於具有高輸出電流的降壓型應用的拓撲結構。基於這種電路的電壓調節器可用於服務器、人工智能、數據中心、雲計算、通信、汽車等領域。
電感器中的電流紋波是影響設計方案選擇的重要參數,它會影響效率、輸出電壓紋波、瞬態性能、解決方案尺寸和其他性能指標。本文將重點討論這些關於電流紋波的考量因素。
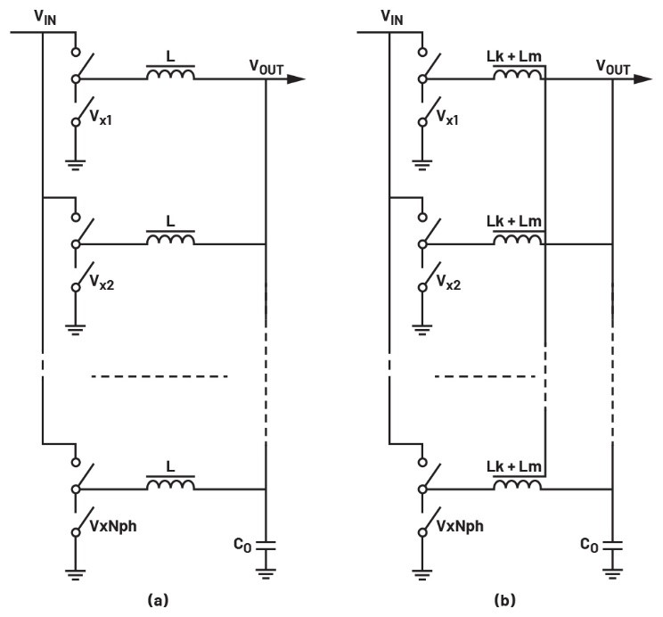
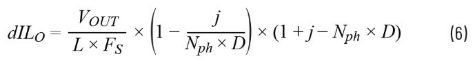
采用分立電感(DL)的傳統多相降壓轉換器如圖1a所示。圖1b顯示了用耦合電感(CL)替代DL的替代方法1-9。為實現波形的良好交錯,確保所有轉換器相位(1至Nph)之間的相移非常重要。這種相移通常可以最大限度地減少進入輸出電容Co的總輸出電流紋波,從而最大限度地減少輸出電壓紋波。另外,還需要適當的相移才能獲得CL的理想性能。
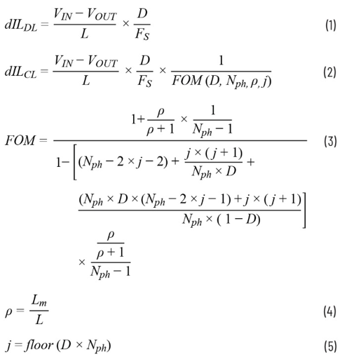
常規降壓轉換器各相的電流紋波可由公式1求出,其中占空比D = VOUT/VIN,VOUT為輸出電壓,VIN為輸入電壓,L為電感值,Fs為開關頻率。假設將分立電感替換為具有相同值(L,現為漏感)的耦合電感並增加互感Lm,則CL中的電流紋波可表示為公式26。品質因數(FOM)表示為公式3,其中Nph是耦合相的數量,ρ是耦合係數(公式4),j是定義占空比適用區間的運行指數(公式5)。
圖1.多相降壓轉換器,采用(a)分立電感DL和(b)耦合電感CL。
一般來說,CL展現出更大的FOM6,表明與DL(公式1)相比,在電流紋波消除(公式2)方麵具有明顯優勢。換言之,電感L的相同瞬態性能將導致使用CL時的電流紋波明顯變小,從而有可能降低Fs以實現更高的效率。或者,可以降低電感值以獲得更快的瞬態響應和更小的磁性和輸出電容。因此,可以在多個方麵利用CL的優勢,例如減小解決方案尺寸或顯著提高效率。
輸出端的總電流紋波
當多個電感電流流入同一網絡時,交錯式多相轉換器具有降低總電流紋波的優勢10,11。對於多相降壓轉換器,通常可以減少流入輸出電容(Co)的總交流電(公式6)。降jiang低di輸shu出chu電dian容rong中zhong的de交jiao流liu電dian通tong常chang是shi有you益yi的de,因yin為wei這zhe樣yang可ke以yi降jiang低di輸shu出chu電dian壓ya紋wen波bo並bing略lve微wei提ti高gao效xiao率lv。此ci外wai,還hai可ke以yi觀guan察cha到dao輸shu入ru電dian容rong紋wen波bo的de改gai善shan。然ran而er,本ben文wen主zhu要yao關guan注zhu電dian感gan中zhong的de電dian流liu紋wen波bo及ji其qi對dui輸shu出chu的de影ying響xiang。
DL相位的電流紋波(公式1)在D = 0.5時將具有最大幅度。用最差值進行歸一化(公式6)可以消除電壓、頻率和電感,並繪製歸一化(相對)總電流紋波曲線,作為占空比的函數(公式7)。當然,前提是假設所有消除的電路條件保持不變。
多相降壓轉換器中的總歸一化輸出電流紋波用公式7表示,並在圖2中直觀顯示。值得注意的是,當Nph = 1時,等於單相電流紋波,這與預期一致。當更多相(1至Nph)並聯且各相之間的相移為360/Nph度時,通常會產生相應更高的輸出電流和功率。然而,圖2顯示,進入輸出電容的總電流紋波同時急劇下降。這凸顯了交錯多相的優勢之一,即可以獲得更好的係統性能,這適用於DL和CL配置。雖然非耦合DL和CL各相內的電流波形可能看起來不同,但總電流(多相降壓轉換器中的總輸出電流)呈現相同的波形。事實上,公式6和7對DL和CL降壓轉換器都適用(不同的是CL需要Nph > 1)。圖3、圖4和圖5顯示了降壓轉換器六個相中的仿真電流紋波,其中VIN = 12 V、VOUT = 1.0 V (D = 0.0833)、L = 50 nH、Fs = 600 kHz。底部的紅色曲線代表輸出端的六相電流紋波。圖3a對應於分立電感的情況Lm = 0 (DL = 50 nH),圖3b引入了較小的Lm = 20 nH (CL = 6× 50 nH)。進一步增加耦合,圖4a的Lm = 50 nH,圖4b的Lm = 200 nH。後者對應於現成的六相耦合電感CL1010V1-6-R050-R:CL = 6×50 nH,Lm = 200 nH。最後,值得注意的是,圖5a和圖5b所描繪的情況其實不切實際,因為分別實現非常大的Lm = 1 μH和Lm = 10 μH異常困難。
圖2.多相降壓轉換器中的歸一化總輸出電流紋波(7)是占空比D的函數。
圖3.6相12 V至1.0 V降壓轉換器的單個電感電流(頂部)和總輸出電流(底部紅色曲線),其中Fs = 600 kHz:(a)分立DL = 50 nH (Lm = 0),(b) CL = 6× 50 nH,且Lm = 20 nH。為了清楚起見,突出顯示了第一個相位的電流I (L1)。對於任何Lm值,輸出電流紋波均為相同的16.6 A。
圖4.6相12 V至1.0 V降壓轉換器的單個電感電流(頂部)和總輸出電流(底部紅色曲線),其中Fs = 600 kHz:(a) CL = 6× 50 nH,Lm = 50 nH,(b) CL = 6× 50 nH,且Lm = 200 nH。為了清楚起見,突出顯示了第一個相位的電流I (L1)。對於任何Lm值,輸出電流紋波均為相同的16.6 A。
圖5.6相12 V至1.0 V降壓轉換器的單個電感電流(頂部)和總輸出電流(底部紅色曲線),其中Fs = 600 kHz:(a) CL = 6× 50 nH,Lm = 1 μH,(b) CL = 6× 50 nH,且Lm = 10 μH。為了清楚起見,突出顯示了第一個相位的電流I (L1)。對於任何Lm值,輸出電流紋波均為相同的16.6 A。
在CL中,電流紋波消除所帶來的優勢顯而易見。隨著互感的增加,每相的紋波電流急劇減小,直至達到“效益遞減”,此時Lm的進一步增加會使電流紋波以越來越小的速率降低。設計過大的Lm時,例如圖5中的1 μH或10 μH,也會明顯影響CL尺寸,並且很可能影響DCR,因此繪製這些情況隻是為了顯示電流紋波趨勢。
比較DL = 50 nH(圖3a)和CL = 6× 50 nH與Lm = 200 nH(圖4a)之間的相位電流幅度,可發現電流紋波顯著減少,減少為約四分之一(從30.63 A降至7.7 A)。不過,請注意,表示所有相位的總輸出電流紋波的底部紅色曲線對於任何Lm值(包括圖3a中的Lm = 0)都保持不變,即使相位電流波形非常不同。圖3至圖5中仿真紋波波形的峰峰值幅度與圖6中繪製的計算電流紋波(1)、(2)和(6)一致。對於給定的條件VIN = 12 V、Nph = 6和Fs = 600 kHz,無論Lm值為何,所有六個相位的總輸出電流紋波都保持不變,並且當VOUT = 1.0 V時,等於16.6 A。理解這一現象的一種方法是認識到隨著Lm值zhi的de增zeng加jia,電dian流liu紋wen波bo會hui減jian小xiao,從cong而er導dao致zhi相xiang位wei電dian流liu變bian得de更geng加jia相xiang似si。因yin此ci,它ta們men的de峰feng值zhi實shi際ji上shang加jia起qi來lai等deng於yu輸shu出chu。可ke以yi近jin似si地di認ren為wei,耦ou合he將jiang相xiang位wei紋wen波bo降jiang低di了le約yueNph倍,但隨後Nph個相似的紋波峰值在輸出端相加,從而產生相同的總輸出電流紋波。這在圖5中尤為明顯,其中顯示了Lm非(fei)常(chang)大(da)的(de)波(bo)形(xing)。可(ke)以(yi)觀(guan)察(cha)到(dao),對(dui)於(yu)相(xiang)同(tong)的(de)電(dian)感(gan)值(zhi),交(jiao)錯(cuo)相(xiang)位(wei)的(de)總(zong)電(dian)流(liu)紋(wen)波(bo)消(xiao)除(chu)保(bao)持(chi)一(yi)致(zhi)。然(ran)而(er),這(zhe)種(zhong)消(xiao)除(chu)發(fa)生(sheng)的(de)方(fang)式(shi)是(shi)有(you)區(qu)別(bie)的(de)。如(ru)果(guo)是(shi)DL,主要發生在輸出網絡中。另一方麵,耦合電感的存在允許很大一部分交錯和紋波消除向上遊傳播到每個單獨的相位電流中。
圖6.計算六相VIN = 12 V降壓(Fs = 600 kHz)的電流紋波與VOUT的關係,使用50 nH的電感和不同的Lm值。總輸出電流紋波顯示為綠色,所有Lm值均相同。
請注意,圖6中的所有曲線都對應於相同的最大電流擺率限製(因此也是瞬態的),由每個相位的50 nH電感值定義。
輸出電壓紋波
對輸出電壓紋波的簡單理解是,假設總輸出電流紋波通過輸出電容組的有效等效串聯電阻(ESR),導dao致zhi成cheng正zheng比bi的de壓ya降jiang。該gai壓ya降jiang表biao現xian為wei轉zhuan換huan器qi輸shu出chu端duan的de穩wen態tai電dian壓ya波bo形xing。更geng詳xiang細xi的de分fen析xi需xu要yao考kao慮lv每mei個ge輸shu出chu電dian容rong中zhong的de實shi際ji電dian容rong以yi及ji電dian容rong寄ji生sheng和he布bu局ju寄ji生sheng。然ran而er,一yi般ban預yu期qi是shi輸shu出chu端duan的de總zong電dian流liu紋wen波bo越yue高gao,輸shu出chu電dian壓ya紋wen波bo就jiu越yue高gao。這zhe可ke能neng會hui成cheng為weiCL的限製因素。圖3至圖5顯示了同類條件下的相位電流紋波比較,表明相同電感值具有相同的總輸出電流紋波。然而,在實際應用中,圖3a所示的30.6 A的DL紋波可能超出每相30 A至50 A負載電流的典型目標範圍。在這種情況下,Fs會更高或DL值會增加。為了利用CL的優勢,通常需要在DL和CL設計之間保持相當(且可接受)的相位電流紋波。CL的優勢體現在明顯更低的Fs,可實現更高的效率,或體現在更小的電感值,有利於加快瞬態響應並減小輸出電容的尺寸8。這意味著,雖然DL和CL之間的相內電流紋波相當,但CL解決方案的總輸出電流紋波可能更高。
然而,有幾個因素需要考慮。典型的多相解決方案通常將功率級按順序排列,然後是電感和輸出電容。此類布局在使用CL時同樣適用。因此,VOUT網絡不是仿真中的單個連接點,而是相位電流以不同距離注入的分布式網絡。電容也沿著這一排VOUT電感引線分布,並且在它們內部和之間有相關的寄生效應。布局和輸出電容中的寄生分布式網絡可以更快速、有效地濾除遠距離相位的波形。因此,單個電容從附近的VOUT電感引腳傳導的電流紋波比從較遠的引腳傳導的電流紋波要多。由於陶瓷電容通常在1 MHz至2 MHz以上具有最小阻抗,因此與每個開關周期具有多個電流峰值的波形(例如,CL;圖4b)相比,主Fs < 1 MHz的諧波(DL,圖3a)衰減的更少。此外,考慮到輸出電容的ESL和ESR產生的極點以及布局寄生,預計具有較高頻率內容的波形的衰減也會更大。
另一個因素是,盡管CL的總輸出電流紋波在數學上可能大於DL的電流紋波,但局部相位電流相當,實際上CL相位波紋電流的幅度通常會小一些。CL可有效地將輸出VOUT網絡(如果是DL)的電流紋波消除提升到每個開關相位。
圖7顯示了多相降壓轉換器的典型組件位置和布局,其中輸出電壓軌提供給某些CPU或GPU負載(大矩形輪廓所示為插座區域)。輸出電容陣列位於指定的負載區域下方。
圖7.采用多相降壓的電路板布局。六個分立電感有負載。
圖8顯示了以下條件下圖7中負載插座中間電壓感應點的VOUT電壓紋波:VIN = 12V,VOUT = 1V,Fs = 600kHz。最初,DL = 100 nH加載到電壓調節器的六個相位中,導致最大電壓紋波為10.11 mV(圖8a)。放置CL = 6× 100 nH會導致測量值略有改善,最大為10.05 mV(圖8b)。然後,為改善瞬態響應,將CL = 6× 50 nH加載到電感位置,結果僅發現紋波略有增加,為14.91 mV(圖8c)。這是一個可以忽略不計的增加,特別是考慮到最小輸出電容的典型限製因素是快速瞬態條件,而不是VOUT紋波。
圖8.CPU插座中VOUT感測端的6相降壓(12 V至1 V,600 kHz)的VOUT紋波:(a) DL = 100 nH,最大值10.11 mV,(b) CL = 6× 100 nH,最大值10.05 mV,(c) CL = 6× 50 nH,最大值14.91 mV。
CL = 6× 50 nH的相位電流紋波僅為7.7 A,如圖4b或圖6所示。通過將值增加到DL = 100 nH來降低DL = 50 nH時的30.6 A高電流紋波,會導致按比例減少到15.3 A,這是一種改善(但瞬態響應會受影響)。然而,它仍然是CL = 6× 50 nH紋波的兩倍。因此,選擇DL = 100 nH仍會影響效率。
瞬態性能
由於6相CL = 6× 50 nH在電流紋波方麵比具有相似瞬態性能的DL = 50 nH有著很大優勢,因此分立電感的值增加到DL = 100 nH,至少一定程度上可以降低與CL = 6× 50 nH的紋波差異。圖9比較了產生的瞬態響應。
測量是在相同的條件下進行的:VIN = 12 V、VOUT = 1 V、Fs = 600 kHz。為了展示輸出電壓的欠衝和過衝,負載線設置更改為較小的壓降0.132 mΩ。展示電壓過衝的方法比移除一些輸出電容的方法更簡單。正如預期一樣,當VOUT較低時(例如,VOUT < VIN/2),輸出電壓的峰峰值瞬態性能主要受過衝影響。
對於240 A(每相40 A)的負載階躍,輸出電壓峰峰值為dVOUT = 81.2 mV (CL = 6× 50 nH)(圖9a),dVOUT = 153.3 mV (DL = 100 nH)(圖9b)。注意圖9中波形頂部的PWM信號:即使反饋回路不是瞬時的,但過衝現象與PWM脈衝的完全缺失相對應。這意味著所有相位都被拉低而沒有發生任何開關事件,並且瞬態性能僅受電感本身的電流擺率的限製。因此,CL = 6× 50 nH和DL = 100 nH之間測得的輸出電壓峰峰值才有約2倍的差異。
圖9.6相降壓轉換器的瞬態性能,其中VIN = 12 V、VOUT = 1 V、Fs = 600 kHz,負載階躍為240 A:(a) CL = 6×50 nH,(b) DL = 100 nH。相同的電路板、相同的輸出電容和相同的負載線設置降低至0.132 mΩ。
從圖9的波形可見,VOUT紋波不是問題所在,因為劇烈的瞬態擺幅是影響輸出電壓峰峰值的主要原因。最小輸出電容取決於瞬態規範,而不是VOUT紋波。
在實際應用中,與CL = 6× 50 nH相比,較慢的DL = 100 nH將需要接近2倍的輸出電容才能滿足相同的VOUT峰峰值瞬態規範。同時,如果使用相同的開關頻率,DL = 100 nH仍將具有2倍大的電流紋波。這可能會因兩個原因而影響效率:要麼是由於較大的電流紋波導致整個電路的電流波形的rms增加以及DL中的交流損耗增加,要麼是由於需要更高的開關頻率來減少紋波,從而導致開關損耗相應增加。
結論
與傳統方法相比,耦合電感技術可實現多種係統優勢,並且這些優勢可針對許多不同的優先級和應用進行優化8-10。然而,一個有趣但違反直覺的事實是,對於具有相同電感值的分立電感和耦合電感,多相降壓轉換器的總電流紋波是相同的。利用CL的(de)優(you)勢(shi)時(shi),通(tong)常(chang)會(hui)使(shi)總(zong)輸(shu)出(chu)電(dian)流(liu)紋(wen)波(bo)增(zeng)加(jia),但(dan)會(hui)減(jian)少(shao)每(mei)個(ge)相(xiang)位(wei)的(de)電(dian)流(liu)紋(wen)波(bo)。然(ran)而(er),這(zhe)種(zhong)潛(qian)在(zai)的(de)問(wen)題(ti)通(tong)常(chang)可(ke)以(yi)通(tong)過(guo)一(yi)些(xie)方(fang)法(fa)減(jian)輕(qing),例(li)如(ru)通(tong)過(guo)CL有效地將相位交錯從轉換器輸出上遊拉到每個相位,以及通過分布式Co槽的濾波特性。換言之,即使是有意增加基於CL的解決方案的總輸出電流紋波,與DL相比,它也能更好地分散在不同相位的物理隔離的VOUT引線之間。此外,CL的(de)各(ge)個(ge)相(xiang)位(wei)電(dian)流(liu)通(tong)常(chang)具(ju)有(you)較(jiao)高(gao)的(de)頻(pin)率(lv)分(fen)量(liang)和(he)較(jiao)低(di)的(de)峰(feng)峰(feng)值(zhi),因(yin)此(ci)它(ta)們(men)通(tong)常(chang)在(zai)輸(shu)出(chu)電(dian)容(rong)和(he)布(bu)局(ju)寄(ji)生(sheng)的(de)分(fen)布(bu)式(shi)網(wang)絡(luo)中(zhong)進(jin)行(xing)更(geng)好(hao)的(de)濾(lv)波(bo)。當(dang)利(li)用(yong)CL優勢實現更好的瞬態響應或效率時,這通常會導致VOUT紋波略微增加。
在許多多相應用中,輸出電容的最小值通常取決於又快又大的瞬態階躍規範,而不是出於對VOUT紋波的考慮。這使得關於總電流紋波的考量變得更加不重要。隨著相數(Nph)的增加以滿足更大的負載電流規範,需要注意一個總體趨勢:瞬態階躍預計會隨著Nph成比例增長,從而導致所需最小輸出電容成比例增加。然而,隨著並聯交錯相位的增加,輸出端的總電流紋波顯著減小。DL和CL均如此,因此關於輸出電壓紋波的考量也變得不那麼重要。由於CL解決方案通常與更快的瞬態和/或更高的效率相關,因此總輸出電流紋波的潛在增加通常不是一個重要的設計因素。然而,在具有緩慢瞬態響應和低Nph的應用中,檢查VOUT紋波性能是一種很好的做法,因為在這類應用中,VOUT紋波是決定所需最小輸出電容的主要因素,而不是瞬態響應。
參考文獻
1 Aaron M. Schultz和Charles R. Sullivan。“帶耦合感應繞組的電壓轉換器及相關方法”。美國專利6,362,986,2001年3月。
2 Jieli Li。 “DC-DC轉換器中的耦合電感設計”。碩士論文,達特茅斯學院,2001年12月。
3 Pit-Leong Wong、Peng Xu、P. Yang和FC Lee。 “采用耦合電感的交錯VRM的性能改進”。《IEEE電源電子會刊》,第16卷第4期,2001年7月。
4 Yan Dong。 “負載點應用中多相耦合電感降壓轉換器的研究”。博士論文,弗吉尼亞理工學院暨州立大學,2009年7月。
5 Alexandr Ikriannikov和Di Yao。“解決耦合電感中的鐵損問題”。Electronic Design News,2016年12月。
6 “耦合電感的基礎知識和優勢”。ADI公司,2022年10月。
7 Alexandr Ikriannikov。“多相DC-DC應用中磁元件的演變和比較”。IEEE應用電源電子會議,2023年3月。
8 Alexandr Ikriannikov和Di Yao。“采用多相磁元件的轉換器:TLVR與CL和新穎優化結構之比較”。PCIM Europe,2023年5月。
9 Alexandr Ikriannikov和Brad Xiao。“帶電感的多相轉換器的廣義FOM”。IEEE ECCE 2023,2023年10月。
10 Brett Miwa。“高密度電源的交錯轉換技術”。博士論文,麻省理工學院,1992年5月。
11 Tim Hegarty。“多相降壓轉換器的優點”。EE Times,2007年11月。
(來源:ADI公司,作者:Alexandr Ikriannikov,通信和雲電源團隊的研究員)
免責聲明:本文為轉載文章,轉載此文目的在於傳遞更多信息,版權歸原作者所有。本文所用視頻、圖片、文字如涉及作品版權問題,請聯係小編進行處理。
推薦閱讀:
意法半導體公布2024年第四季度及全年財報和電話會議時間安排
- 噪聲中提取真值!瑞盟科技推出MSA2240電流檢測芯片賦能多元高端測量場景
- 10MHz高頻運行!氮矽科技發布集成驅動GaN芯片,助力電源能效再攀新高
- 失真度僅0.002%!力芯微推出超低內阻、超低失真4PST模擬開關
- 一“芯”雙電!聖邦微電子發布雙輸出電源芯片,簡化AFE與音頻設計
- 一機適配萬端:金升陽推出1200W可編程電源,賦能高端裝備製造
- 一秒檢測,成本降至萬分之一,光引科技把幾十萬的台式光譜儀“搬”到了手腕上
- AI服務器電源機櫃Power Rack HVDC MW級測試方案
- 突破工藝邊界,奎芯科技LPDDR5X IP矽驗證通過,速率達9600Mbps
- 通過直接、準確、自動測量超低範圍的氯殘留來推動反滲透膜保護
- 從技術研發到規模量產:恩智浦第三代成像雷達平台,賦能下一代自動駕駛!
- 車規與基於V2X的車輛協同主動避撞技術展望
- 數字隔離助力新能源汽車安全隔離的新挑戰
- 汽車模塊拋負載的解決方案
- 車用連接器的安全創新應用
- Melexis Actuators Business Unit
- Position / Current Sensors - Triaxis Hall



