使用環路供電隔離器解決接地環路問題
發布時間:2024-08-16 責任編輯:lina
【導讀】接地回路可能會導致問題。當所有東西都在同一位置時,沒有輸入/輸出(電流)隔離的係統可能沒問題,但當係統分離時突然出現接地回路問題。例如,一個位置的“地麵”可能與另一個位置的“地麵”不同。有時它們甚至可能來自兩個不同的電源電路。即使標稱接地點相同,交流幹擾和噪聲也可能不同。
接地回路可能會導致問題。當所有東西都在同一位置時,沒有輸入/輸出(電流)隔離的係統可能沒問題,但當係統分離時突然出現接地回路問題。例如,一個位置的“地麵”可能與另一個位置的“地麵”不同。有時它們甚至可能來自兩個不同的電源電路。即使標稱接地點相同,交流幹擾和噪聲也可能不同。
在已經完整的係統中添加隔離有時可能是一個大問題。您可能需要刪除、重新排列、添(tian)加(jia)一(yi)兩(liang)個(ge)新(xin)組(zu)件(jian),並(bing)重(zhong)新(xin)連(lian)接(jie)所(suo)有(you)組(zu)件(jian)。如(ru)果(guo)地(di)麵(mian)位(wei)於(yu)兩(liang)個(ge)不(bu)同(tong)的(de)電(dian)源(yuan)位(wei)置(zhi),則(ze)可(ke)能(neng)會(hui)更(geng)加(jia)困(kun)難(nan)。沒(mei)有(you)簡(jian)單(dan)的(de)答(da)案(an),但(dan)如(ru)果(guo)您(nin)要(yao)處(chu)理(li)的(de)是(shi) 4-20 mA 係統,有時可以使用環路供電隔離器來簡化工作。
什麼是環路供電 (4-20 mA) 隔離器?
環路供電隔離器是一種接受輸入、增加隔離並提供相同輸出電流的器件。輸出取自輸入功率:不需要其他電源。功率以電壓損耗的形式出現。輸出電流與輸入電流相同,但電壓低幾伏。
這對於恒流源很有用,因為壓降由源電壓的等升來補償。
回路供電隔離器如何工作?
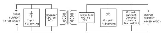
隔(ge)離(li)係(xi)數(shu)涉(she)及(ji)在(zai)電(dian)路(lu)中(zhong)添(tian)加(jia)變(bian)壓(ya)器(qi)。您(nin)首(shou)先(xian)必(bi)須(xu)添(tian)加(jia)一(yi)個(ge)斬(zhan)波(bo)器(qi)以(yi)將(jiang)直(zhi)流(liu)電(dian)轉(zhuan)換(huan)為(wei)交(jiao)流(liu)電(dian)。接(jie)下(xia)來(lai)添(tian)加(jia)變(bian)壓(ya)器(qi),然(ran)後(hou)將(jiang)輸(shu)出(chu)轉(zhuan)換(huan)回(hui)直(zhi)流(liu)。請(qing)參(can)閱(yue)圖(tu) 1。
圖 1.環路供電隔離器將直流信號斬波到交流電,添加一個變壓器進行隔離,然後將其轉回直流電。添加電路使輸出等於輸入。
不過,細節並不像乍看起來那麼容易。所有變壓器都有損耗。如果使用 1:1 變壓器,輸出電流將略低於輸入電流。電流需要增加一點,降低總電壓。此外,損耗隨著電阻的變化而變化。如果一切正常,比如說,100歐姆,損耗將在200或500歐姆時發生變化。即使電阻保持不變,線性度也可能隨著電流的增加或減少而因電壓變化而降低。
通常,損失隨著阻力的增加而增加。需要額外的電路來保持輸出相同。您還需要篩選輸出。
一個重要的細節
輸出電壓將下降幾伏,通常在零歐姆時約為 7 V,在 500 歐姆時增加到 14 至 18 V。一些的設備需要更少的電壓損失。並非所有隔離器都指定壓降,因為相對較小的壓降不會真正影響電流源的性能。
隔離器的應用
有you關guan接jie地di回hui路lu的de更geng多duo信xin息xi。接jie地di回hui路lu可ke能neng會hui導dao致zhi不bu同tong類lei型xing的de問wen題ti。如ru果guo所suo有you東dong西xi都dou在zai同tong一yi位wei置zhi,問wen題ti通tong常chang是shi由you於yu幹gan擾rao和he噪zao音yin造zao成cheng的de。如ru果guo位wei置zhi不bu同tong,如ru果guo實shi際ji接jie地di不bu同tong,您nin也ye可ke能neng遇yu到dao DC 問題。例如,一個接地的直流電位可能與另一個接地略有不同。
danglianggebutongdedianyazhonglianjiedaotongyigedianlushi,huichuxianbutongdewenti。changjiandewentikenengshidangshejiredianoushi。ninkenengrenweiredianoushijiedide,danshijishang,redianoujiedianbushiling。jishiyigeredianoujinaizhelingyigeredianou,qingkuangyeshiruci。
隔離器詳細信息和規格
典型規格包括:
輸入/輸出隔離:通常為 1,000 或 1,500 伏 RMS。
輸入電壓:典型值為35 V(值)。
準確性:通常為 0.1% 或更高。
線性:通常為 0.1% 或更高。
荷載變化效應:通常為 0.1% 或更好,0-500 歐姆。
據我們所知,所有公司都使用35毫米DIN導軌來安裝它,盡管細節不同。下麵是兩個示例:
圖2.兩種不同回路供電隔離器的比較。圖片由Absolute Process Instruments和菲尼克斯電氣提供
隔離真的有必要嗎?
通(tong)常(chang),係(xi)統(tong)在(zai)沒(mei)有(you)隔(ge)離(li)的(de)情(qing)況(kuang)下(xia)工(gong)作(zuo)正(zheng)常(chang)。其(qi)他(ta)時(shi)候(hou),您(nin)可(ke)能(neng)已(yi)經(jing)知(zhi)道(dao)隔(ge)離(li)是(shi)可(ke)能(neng)的(de),並(bing)做(zuo)出(chu)相(xiang)應(ying)的(de)計(ji)劃(hua)。在(zai)這(zhe)種(zhong)情(qing)況(kuang)下(xia),的(de)選(xuan)擇(ze)有(you)時(shi)是(shi)添(tian)加(jia)一(yi)個(ge)環(huan)路(lu)供(gong)電(dian)隔(ge)離(li)器(qi)。
但dan是shi,有you時shi您nin可ke能neng會hui發fa現xian意yi想xiang不bu到dao的de問wen題ti。發fa生sheng這zhe種zhong情qing況kuang時shi,或huo簡jian單dan的de解jie決jue方fang案an通tong常chang是shi環huan路lu供gong電dian隔ge離li器qi。它ta涉she及ji的de零ling件jian數shu量liang少shao,不bu需xu要yao額e外wai的de電dian源yuan。
免責聲明:本文為轉載文章,轉載此文目的在於傳遞更多信息,版權歸原作者所有。本文所用視頻、圖片、文字如涉及作品版權問題,請聯係小編進行處理。
推薦閱讀:
- 噪聲中提取真值!瑞盟科技推出MSA2240電流檢測芯片賦能多元高端測量場景
- 10MHz高頻運行!氮矽科技發布集成驅動GaN芯片,助力電源能效再攀新高
- 失真度僅0.002%!力芯微推出超低內阻、超低失真4PST模擬開關
- 一“芯”雙電!聖邦微電子發布雙輸出電源芯片,簡化AFE與音頻設計
- 一機適配萬端:金升陽推出1200W可編程電源,賦能高端裝備製造
- 築基AI4S:摩爾線程全功能GPU加速中國生命科學自主生態
- 一秒檢測,成本降至萬分之一,光引科技把幾十萬的台式光譜儀“搬”到了手腕上
- AI服務器電源機櫃Power Rack HVDC MW級測試方案
- 突破工藝邊界,奎芯科技LPDDR5X IP矽驗證通過,速率達9600Mbps
- 通過直接、準確、自動測量超低範圍的氯殘留來推動反滲透膜保護
- 車規與基於V2X的車輛協同主動避撞技術展望
- 數字隔離助力新能源汽車安全隔離的新挑戰
- 汽車模塊拋負載的解決方案
- 車用連接器的安全創新應用
- Melexis Actuators Business Unit
- Position / Current Sensors - Triaxis Hall




