GaAs 二極管在高性能功率轉換中的作用
發布時間:2024-03-26 責任編輯:lina
【導讀】高壓矽二極管具有較低的正向傳導壓降,但由於其反向恢複行為,會在功率轉換器中產生顯著的動態損耗。SiC 二極管表現出可忽略不計的反向恢複行為,但確實表現出比矽更高的體電容和更大的正向傳導壓降。由於 GaAs 技術能夠提供矽和 SiC 的有用特性,本文探討了一項比較 10kW、100kHz 相移全橋 (PSFB) 性能的練習。該應用中 GaAs、SiC 和超快矽二極管的基準測試結果表明,GaAs 二極管的整體效率與 SiC 相當,但成本卻顯著降低。
高壓矽二極管具有較低的正向傳導壓降,但由於其反向恢複行為,會在功率轉換器中產生顯著的動態損耗。SiC 二極管表現出可忽略不計的反向恢複行為,但確實表現出比矽更高的體電容和更大的正向傳導壓降。由於 GaAs 技術能夠提供矽和 SiC 的有用特性,本文探討了一項比較 10kW、100kHz 相移全橋 (PSFB) 性能的練習。該應用中 GaAs、SiC 和超快矽二極管的基準測試結果表明,GaAs 二極管的整體效率與 SiC 相當,但成本卻顯著降低。
為什麼選擇砷化镓?
成本 - 用於 GaAs 二極管的晶圓的原材料成本及其固有的較低製造工藝成本代表著以低得多的價格實現 SiC 性能的重要機會。封裝 GaAs 二極管的典型成本約為同類 SiC 器件的 50% 至 70%。
可用性——砷(shen)化(hua)镓(jia)材(cai)料(liao)已(yi)廣(guang)泛(fan)應(ying)用(yong)於(yu)射(she)頻(pin)應(ying)用(yong),是(shi)世(shi)界(jie)上(shang)第(di)二(er)大(da)使(shi)用(yong)的(de)半(ban)導(dao)體(ti)材(cai)料(liao)。由(you)於(yu)其(qi)廣(guang)泛(fan)使(shi)用(yong),它(ta)可(ke)以(yi)從(cong)多(duo)個(ge)來(lai)源(yuan)獲(huo)得(de),其(qi)製(zhi)造(zao)工(gong)藝(yi)類(lei)似(si)於(yu)矽(gui)。這(zhe)些(xie)因(yin)素(su)都(dou)支(zhi)持(chi)該(gai)技(ji)術(shu)的(de)低(di)成(cheng)本(ben)基(ji)礎(chu)。
軟切換還是硬切換?
雖(sui)然(ran)與(yu)主(zhu)流(liu)矽(gui)相(xiang)比(bi),碳(tan)化(hua)矽(gui)的(de)性(xing)能(neng)在(zai)二(er)極(ji)管(guan)和(he)晶(jing)體(ti)管(guan)開(kai)關(guan)特(te)性(xing)方(fang)麵(mian)有(you)了(le)顯(xian)著(zhe)改(gai)進(jin),但(dan)近(jin)年(nian)來(lai)的(de)趨(qu)勢(shi)是(shi)使(shi)用(yong)軟(ruan)開(kai)關(guan)拓(tuo)撲(pu)來(lai)在(zai)整(zheng)個(ge)轉(zhuan)換(huan)器(qi)中(zhong)提(ti)取(qu)水(shui)平(ping)的(de)性(xing)能(neng)。這(zhe)些(xie)軟(ruan)開(kai)關(guan)拓(tuo)撲(pu)非(fei)常(chang)適(shi)合(he) GaAs 二極管,使設計人員能夠受益於比 SiC 更低的傳導損耗,而不會遭受普通矽會產生的額外動態損耗。
圖 1:二極管基準比較
對於給定的功率輸出,軟開關拓撲通常在功率半導體中運行更高的 RMS 電流,因為強製零電壓轉換所需的循環諧振能量。GaAs等具有較低正向壓降的技術可以減少這種循環能量造成的損耗,並充分發揮開關零電壓操作的優勢。
二極管造成的功率損耗
“理想”二極管將在不產生任何損耗的情況下執行其功能,但任何實際二極管(包括寬帶隙器件)都(dou)會(hui)偏(pian)離(li)這(zhe)種(zhong)理(li)想(xiang)狀(zhuang)態(tai),其(qi)現(xian)實(shi)世(shi)界(jie)行(xing)為(wei)的(de)不(bu)同(tong)方(fang)麵(mian)會(hui)導(dao)致(zhi)功(gong)率(lv)損(sun)耗(hao)。在(zai)大(da)多(duo)數(shu)轉(zhuan)換(huan)器(qi)中(zhong),次(ci)級(ji)側(ce)二(er)極(ji)管(guan)造(zao)成(cheng)的(de)損(sun)耗(hao)可(ke)分(fen)為(wei)三(san)個(ge)主(zhu)要(yao)領(ling)域(yu)之(zhi)一(yi):
非零正向壓降會導致二極管傳導電流時產生傳導損耗。這種損耗機製與拓撲相關,但通常不是頻率的函數。
由於二極管體電容造成的損耗,電容越高,損耗越高。這是依賴於拓撲/頻率的,並且由此產生的損耗會施加在轉換器中的其他組件上。
由拓撲/頻率相關的反向恢複效應引起的損耗。這些損耗是在轉換器中的二極管和其他組件中實現的。
上述損耗類型的相對水平取決於各個二極管的特性、拓撲選擇和工作頻率。正向傳導損耗相對容易計算,而二極管電容和 Trr 造成的損耗則更為複雜。
二極管行為比較
在基準測試中對三種二極管進行了比較,主要比較如圖 1 所示。
數據比較表明,從正向傳導性能的角度來看,矽和砷化镓的性能都更好,特別是在高結溫下。從開關角度來看,SiC 具有明顯更高的電容,但反向恢複時間基本為零。問題是,對於我們的 10kW PSFB 應用,這些二極管特性將如何影響整體效率?
二極管造成的 PSFB 損耗
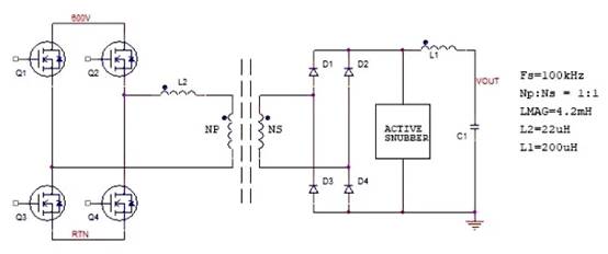
圖 2 顯示了典型的 PSFB 拓撲,其中二極管在位置 D1 至 D4 處進行基準測試。
PSFB 通過以 50% 的占空比運行 Q1/Q3 和 Q2/Q4 晶體管對來運行,並通過控製其相對相位來控製功率流。此操作允許初級側器件 Q1-Q4 在較寬的負載條件範圍內以零電壓開關操作。
D1-D4 的組合電容添加到電源變壓器和 PCB 的分布電容上,導致開關轉換期間 D1-D4 上產生諧振電壓。
圖 2:PSFB 拓撲
為了防止損壞 D1-D4,使用緩衝器將諧振電壓鉗位到可接受的水平。在 PSFB 中,有源緩衝器吸收的能量的量化是衡量動態特性(電容和 Trr)影響的直接方法。整體轉換器效率與緩衝器耗散的綜合知識允許在此應用中準確地對二極管行為進行基準測試。
基準測試結果
原型轉換器設計用於 500V/30A/10kW 的輸出曲線,圖 3 顯示了轉換器在 600V 輸入下以 330V/20A 輸出運行的示例圖。示波器圖中的藍色跡線 (C3) xianshiyouyuanhuanchongqishangcedededianya,bingqieyouyuqianweigonglvshiqianweidianyadezhijiehanshu,yinciyouyuanhuanchongqishejiweiyiqizijidekongzhihuanluyunxing,yiyunxuyonghujiangqianweidianyashezhizaigudingshuiping。zaitu 3 的示例圖中,電壓為 800V。
利用圖 2 中詳述的設計參數,可以實現如圖 4 所示的輸出曲線,其中彩色區域顯示主 MOSFET 出現 ZVS 的區域,而輪廓則顯示所需的相移。基準測試使用固定的 600Vdc 輸入和輸出上使用的恒流負載進行相移,然後更改設置輸出電壓。針對 10A、15A 和 20A 的輸出電流,測量了效率和緩衝器功耗與輸出電壓的函數關係。
從圖 5 的結果可以得出幾個結論:
基於 GaAs 和 SiC 的解決方案的整體轉換器效率幾乎相同,尤其是在較高負載電流下。在較高的輸出電流下,GaAs 有限 Trr 導致的稍高的緩衝器損耗被較低的傳導損耗所抵消,從而獲得相同的整體效率。
由於緩衝器耗散水平較高(即與 Trr 相關的顯著損耗),超快矽效率在此應用中非常差。由於測量的緩衝器功率水平較高,超快矽測試僅限於低功率。
GaAs 和 SiC 緩衝器功率表現出類似的行為,表明 GaAs 有限 Trr 造成的額外損耗在很大程度上被 SiC 器件較高的本機電容所抵消。
圖 3:PSFB 轉換器工作波形(C1/C2 是 Q1/Q3 和 Q2/Q4 對產生的電壓,C4 是輸出整流器 D1-D4 兩端的電壓,C3 是 L2 中的電流)
圖 4:帶有 ZVS 區域和恒定相移輪廓的 PSFB 輸出 VI 圖
根據這項實證工作,我們開發了一個分析模型來對緩衝器損耗進行建模,作為二極管電容和 Trr 的函數。分析表明,在 Trr 期間,額外的能量被加載到諧振電路中,從而導致額外的鉗位耗散。因此,對於給定的工作點,緩衝器功率是二極管電容和 Trr 的函數。在本文詳細介紹的 PSFB 的情況下,對於 500V/20A 輸出的工作點,分析模型可用於預測作為二極管電容和 Trr 函數的緩衝器損耗。這樣就可以比較三種二極管類型的行為,如圖 6 所示。
圖 6 顯示,對於 GaAs 和 SiC,緩衝器功率大致相同,其優點是 SiC 中的零 Trr 被其較高的本機電容所抵消。就超快矽而言,低二極管電容的優勢被長反向恢複帶來的高得多的功率水平所淹沒。GaAs 的低固有電容和 Trr 提供了類似於 SiC 的動態性能,並具有減少正向傳導損耗的額外優勢。
圖 5:GaAs、SiC 和超快矽的 PSFB 效率(左)和緩衝器耗散(右)基準測試
圖 6:PSFB 在 500V/20A 輸出下運行時,緩衝器功率與二極管 Trr 和電容的函數關係
在原型 PSFB 中,變壓器、輸出電感器和 PCB 布局給出了 300pF 的總負載電容。圖 6 中顯示的數據包括所有情況下的基線電容,總二極管電容基於四個二極管的貢獻。
結論
在考慮整體轉換器效率時,了解所有主要損耗機製(包括由二極管動態特性引起的損耗機製)非常重要。事實證明,GaAs 二極管中的低正向壓降、低電容和低/穩定 Trr 的組合為相移全橋等軟開關應用提供了出色的特性組合。高增長應用(例如電動汽車充電)中的高性能電力電子器件可以從 GaAs 二er極ji管guan提ti供gong的de係xi統tong級ji成cheng本ben降jiang低di機ji會hui中zhong獲huo益yi匪fei淺qian。詳xiang細xi了le解jie實shi際ji應ying用yong中zhong二er極ji管guan引yin起qi的de正zheng向xiang傳chuan導dao行xing為wei和he動dong態tai損sun耗hao,可ke為wei設she計ji人ren員yuan提ti供gong優you化hua性xing能neng和he成cheng本ben的de工gong具ju。
免責聲明:本文為轉載文章,轉載此文目的在於傳遞更多信息,版權歸原作者所有。本文所用視頻、圖片、文字如涉及作品版權問題,請聯係小編進行處理。
推薦閱讀:
意法半導體突破20納米技術節點,提升新一代微控製器的成本競爭力
- 噪聲中提取真值!瑞盟科技推出MSA2240電流檢測芯片賦能多元高端測量場景
- 10MHz高頻運行!氮矽科技發布集成驅動GaN芯片,助力電源能效再攀新高
- 失真度僅0.002%!力芯微推出超低內阻、超低失真4PST模擬開關
- 一“芯”雙電!聖邦微電子發布雙輸出電源芯片,簡化AFE與音頻設計
- 一機適配萬端:金升陽推出1200W可編程電源,賦能高端裝備製造
- 貿澤EIT係列新一期,探索AI如何重塑日常科技與用戶體驗
- 算力爆發遇上電源革新,大聯大世平集團攜手晶豐明源線上研討會解鎖應用落地
- 創新不止,創芯不已:第六屆ICDIA創芯展8月南京盛大啟幕!
- AI時代,為什麼存儲基礎設施的可靠性決定數據中心的經濟效益
- 築基AI4S:摩爾線程全功能GPU加速中國生命科學自主生態
- 車規與基於V2X的車輛協同主動避撞技術展望
- 數字隔離助力新能源汽車安全隔離的新挑戰
- 汽車模塊拋負載的解決方案
- 車用連接器的安全創新應用
- Melexis Actuators Business Unit
- Position / Current Sensors - Triaxis Hall





