低壓MOS在步進電機驅動器上的應用
發布時間:2024-03-08 來源:RS瑞森半導體 責任編輯:lina
【導讀】步(bu)進(jin)電(dian)機(ji)驅(qu)動(dong)器(qi)是(shi)一(yi)種(zhong)用(yong)於(yu)控(kong)製(zhi)步(bu)進(jin)電(dian)機(ji)運(yun)動(dong)的(de)裝(zhuang)置(zhi),它(ta)是(shi)將(jiang)控(kong)製(zhi)信(xin)號(hao)轉(zhuan)換(huan)成(cheng)步(bu)進(jin)電(dian)機(ji)可(ke)以(yi)識(shi)別(bie)的(de)控(kong)製(zhi)電(dian)壓(ya)或(huo)電(dian)流(liu)的(de)電(dian)路(lu)。它(ta)在(zai)工(gong)業(ye)自(zi)動(dong)化(hua)領(ling)域(yu)有(you)著(zhe)廣(guang)泛(fan)的(de)應(ying)用(yong),如(ru)機(ji)器(qi)人(ren)、印刷機、木工機床、噴繪機等。
一、前言
步(bu)進(jin)電(dian)機(ji)驅(qu)動(dong)器(qi)是(shi)一(yi)種(zhong)用(yong)於(yu)控(kong)製(zhi)步(bu)進(jin)電(dian)機(ji)運(yun)動(dong)的(de)裝(zhuang)置(zhi),它(ta)是(shi)將(jiang)控(kong)製(zhi)信(xin)號(hao)轉(zhuan)換(huan)成(cheng)步(bu)進(jin)電(dian)機(ji)可(ke)以(yi)識(shi)別(bie)的(de)控(kong)製(zhi)電(dian)壓(ya)或(huo)電(dian)流(liu)的(de)電(dian)路(lu)。它(ta)在(zai)工(gong)業(ye)自(zi)動(dong)化(hua)領(ling)域(yu)有(you)著(zhe)廣(guang)泛(fan)的(de)應(ying)用(yong),如(ru)機(ji)器(qi)人(ren)、印刷機、木工機床、噴繪機等。步進電機驅動器的組成結構主要由以下部分:
1、步進電機是一種驅動裝置,它可以將電能轉換成精確的位移,是控製機械裝置精確運動的重要元件。
2、步進電機驅動器的驅動電路是控製步進電機的重要部分,其主要由換流器、放大器、比較器、驅動電路等組成。
3、控製電路將外部的控製信號轉換成步進電機可以識別的控製電壓或電流,從而實現步進電機的控製。
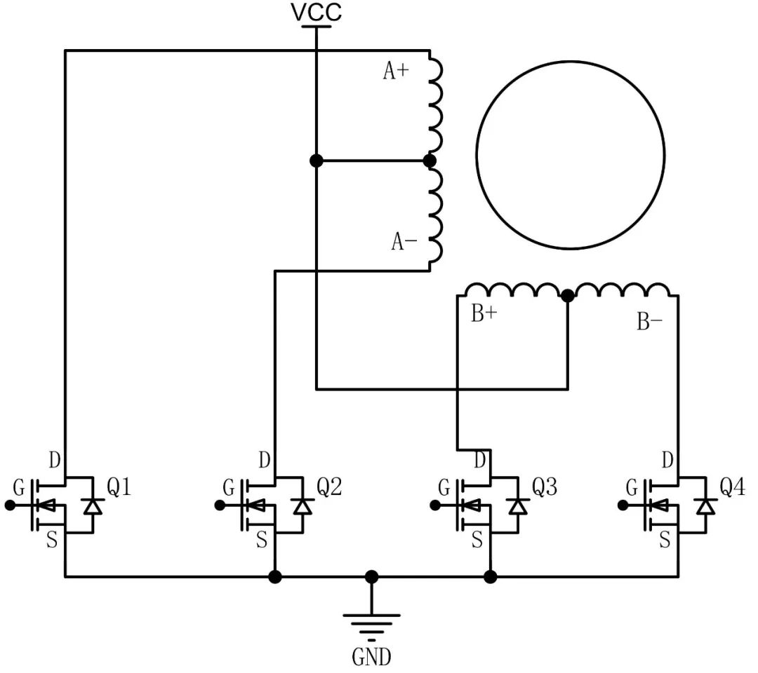
二、典型應用拓撲圖
步進電機驅動電路使用N溝道功率MOS組成上下對管,常見的為2-4對MOS管,控製器通過接受步進電機的反饋,選擇適當的開啟時序,控製MOS的通斷,完成換相,定位,調速等執行動作。
三、典型應用及選型推薦
針對步進電機驅動電路推薦使用瑞森半導體低壓MOS-Trench係列,其優勢:
n Trench工藝,更小的Ronsp,串並聯隨意搭配。
n 低導通電阻,結電容適中,高效率,高可靠性。
免責聲明:本文為轉載文章,轉載此文目的在於傳遞更多信息,版權歸原作者所有。本文所用視頻、圖片、文字如涉及作品版權問題,請聯係小編進行處理。
推薦閱讀:
Wolfspeed 功率模塊如何變革三相工業低電壓電機驅動器
- 噪聲中提取真值!瑞盟科技推出MSA2240電流檢測芯片賦能多元高端測量場景
- 10MHz高頻運行!氮矽科技發布集成驅動GaN芯片,助力電源能效再攀新高
- 失真度僅0.002%!力芯微推出超低內阻、超低失真4PST模擬開關
- 一“芯”雙電!聖邦微電子發布雙輸出電源芯片,簡化AFE與音頻設計
- 一機適配萬端:金升陽推出1200W可編程電源,賦能高端裝備製造
- 一秒檢測,成本降至萬分之一,光引科技把幾十萬的台式光譜儀“搬”到了手腕上
- AI服務器電源機櫃Power Rack HVDC MW級測試方案
- 突破工藝邊界,奎芯科技LPDDR5X IP矽驗證通過,速率達9600Mbps
- 通過直接、準確、自動測量超低範圍的氯殘留來推動反滲透膜保護
- 從技術研發到規模量產:恩智浦第三代成像雷達平台,賦能下一代自動駕駛!
- 車規與基於V2X的車輛協同主動避撞技術展望
- 數字隔離助力新能源汽車安全隔離的新挑戰
- 汽車模塊拋負載的解決方案
- 車用連接器的安全創新應用
- Melexis Actuators Business Unit
- Position / Current Sensors - Triaxis Hall



