I-NPC三電平電路的雙脈衝及短路測試方法
發布時間:2024-01-24 責任編輯:lina
【導讀】雙脈衝測試(DPT)是一種被廣泛接受的評估功率器件動態特性的方法。以IGBT在(zai)兩(liang)電(dian)平(ping)橋(qiao)式(shi)電(dian)路(lu)中(zhong)應(ying)用(yong)為(wei)例(li),如(ru)下(xia)圖(tu),通(tong)過(guo)調(tiao)節(jie)直(zhi)流(liu)母(mu)線(xian)電(dian)壓(ya)和(he)第(di)一(yi)個(ge)脈(mai)衝(chong)持(chi)續(xu)時(shi)間(jian),可(ke)以(yi)在(zai)第(di)一(yi)個(ge)脈(mai)衝(chong)結(jie)束(shu)和(he)第(di)二(er)個(ge)脈(mai)衝(chong)開(kai)始(shi)時(shi)捕(bu)捉(zhuo)到(dao)被(bei)測(ce)器(qi)件(jian)在(zai)任(ren)何(he)所(suo)需(xu)的(de)電(dian)壓(ya)和(he)電(dian)流(liu)條(tiao)件(jian)下(xia)的(de)開(kai)關(guan)瞬(shun)態(tai)行(xing)為(wei)。DPT結果量化了功率器件的開關性能,並為功率變換器的設計(如開關頻率和死區時間的確定、熱管理和效率評估)提供了參考依據,那麼對於三電平電路,雙脈衝測試需要怎麼做呢?
雙脈衝測試(DPT)是一種被廣泛接受的評估功率器件動態特性的方法。以IGBT在(zai)兩(liang)電(dian)平(ping)橋(qiao)式(shi)電(dian)路(lu)中(zhong)應(ying)用(yong)為(wei)例(li),如(ru)下(xia)圖(tu),通(tong)過(guo)調(tiao)節(jie)直(zhi)流(liu)母(mu)線(xian)電(dian)壓(ya)和(he)第(di)一(yi)個(ge)脈(mai)衝(chong)持(chi)續(xu)時(shi)間(jian),可(ke)以(yi)在(zai)第(di)一(yi)個(ge)脈(mai)衝(chong)結(jie)束(shu)和(he)第(di)二(er)個(ge)脈(mai)衝(chong)開(kai)始(shi)時(shi)捕(bu)捉(zhuo)到(dao)被(bei)測(ce)器(qi)件(jian)在(zai)任(ren)何(he)所(suo)需(xu)的(de)電(dian)壓(ya)和(he)電(dian)流(liu)條(tiao)件(jian)下(xia)的(de)開(kai)關(guan)瞬(shun)態(tai)行(xing)為(wei)。DPT結果量化了功率器件的開關性能,並為功率變換器的設計(如開關頻率和死區時間的確定、熱管理和效率評估)提供了參考依據,那麼對於三電平電路,雙脈衝測試需要怎麼做呢?

圖1 兩電平典型DPT電路

圖2 DPT典型測試波形
1. I-NPC三電平電路的換流方式與雙脈衝測試方法
首先我們從三電平橋臂的工作模態看起,以I型NPC(Neutral Point Clamped)三電平電路為例:

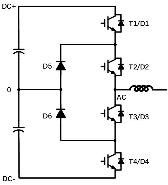
圖3 I-NPC三電平橋臂

圖4 I-NPC三電平橋臂輸出電壓電流波形
圖4所示為I-NPC橋臂在輸出功率因數為零時一個工頻周期內輸出電壓及電流的波形,二者相位差為90度,一個周期可分為ABCD段,包含I-NPC電路工作的四種換流方式。
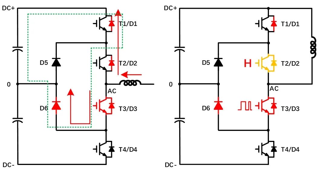
A時段
A時段(V>0,I>0)為逆變工況,電壓、電流方向均為正(規定電流流出橋臂為正),NPC橋臂中點輸出電平在+Vdc和0以開關頻率跳變,T2常通,T1與D5換流,為小換流回路如圖5虛線所示。此時段內存在T1,T2,D5的導通損耗以及T1,D5的開關損耗。
對此種工況進行DPT,可將負載電感連接於直流母線中點與交流出線端間,T3、T4保持關斷,T2保持導通,T1施加雙脈衝,第一個脈衝到來後,電流流經T1、T2、負載電感,電流線性上升,第一個脈衝結束後,T1關斷,電感電流通過D5、T2續流,T1第二個脈衝到來後,電流繼續流經T1、T2、負載電感,D5被強迫關斷,該工況下測試對象為T1與D5。

圖5 T1與D5換流及DPT方法
B時段
B時段(V>0,I<0)為整流工況,電流流入橋臂,電壓依舊為正方向,T2保持開通,T3與D1換流,也就是所謂的大換流回路如圖6虛線所示。此時段內存在T3,D6,D1,D2的導通損耗以及T3,D1的開關損耗。
對此種工況進行DPT,可將負載電感連接於直流母線正端與交流出線端間,T1、T4保持關斷,T2保持導通,T3施加雙脈衝,第一個脈衝到來後,電流流經負載電感、T3、D6,電流線性上升,第一個脈衝結束後,T3關斷,電感電流通過T1、T2的反並聯二極管D1、D2續流,T3第二個脈衝到來後,電流繼續流經負載電感、T3、D6,T1反並聯二極管D1被強迫關斷,該工況下測試對象為T3與D1。

圖6 T3與D1換流及DPT方法
C時段
C時段(V<0,I<0)與A時段工況對稱,為逆變工況,T3保持開通,T4與D6換流,換流回路為小回路,此時段內存在T3,T4,D6的導通損耗以及T4,D6的開關損耗。對此工況的DPT方法與A時段工況方法是對稱的,這裏不再贅述,負載電感連接於直流母線中點與交流出線端間,測試對象為T4與D6。

圖7 T4與D6換流及DPT方法
D時段
D時段(V<0,I>0)與B時段工況對稱,為整流工況,T3保持開通,T2與D4換流,換流回路為大回路。此時段內存在D5,T2,D3,D4的導通損耗以及T2,D4的開關損耗。對此工況的DPT方法與B時段工況方法是對稱的,負載電感連接於直流母線負端與交流出線端間,測試對象為T2與D4。

圖8 T2與D4換流及DPT方法
2. I-NPC三電平電路的雙脈衝實測
圖13所示為應用英飛淩F3L400R10W3S7 EasyPACK™ 3B三san電dian平ping模mo塊kuai產chan品pin的de雙shuang脈mai衝chong實shi測ce波bo形xing。可ke以yi看kan到dao在zai關guan斷duan同tong樣yang電dian流liu時shi,長chang換huan流liu回hui路lu中zhong內nei管guan關guan斷duan時shi的de電dian壓ya尖jian峰feng明ming顯xian更geng大da,因yin此ci就jiu需xu要yao在zai設she計ji應ying用yong過guo程cheng中zhong通tong過guoDPT評(ping)估(gu)惡(e)劣(lie)工(gong)況(kuang)下(xia)內(nei)管(guan)的(de)電(dian)壓(ya)應(ying)力(li),優(you)化(hua)外(wai)圍(wei)直(zhi)流(liu)母(mu)線(xian)及(ji)功(gong)率(lv)走(zou)線(xian)雜(za)散(san)電(dian)感(gan)或(huo)是(shi)調(tiao)整(zheng)外(wai)圍(wei)驅(qu)動(dong)參(can)數(shu)以(yi)改(gai)善(shan)內(nei)管(guan)的(de)電(dian)壓(ya)應(ying)力(li),避(bi)免(mian)器(qi)件(jian)過(guo)壓(ya)失(shi)效(xiao)。

圖13 F3L400R10W3S7雙脈衝實測波形
同時通過DPT也可量化兩種換流回路雜散電感的大小,如圖13虛線框所示,可以在DPT中被測器件第二次開通時觀測電壓平台的跌落與對應電流的變化率以求得,短換流回路雜感約為30nH,長換流回路雜感約為60nH。

對於更大功率的係統,通常采用半橋模塊來拚搭三電平電路,在構成I-NPC三(san)電(dian)平(ping)電(dian)路(lu)時(shi),主(zhu)要(yao)采(cai)用(yong)下(xia)圖(tu)所(suo)示(shi)方(fang)案(an),短(duan)換(huan)流(liu)工(gong)況(kuang)時(shi)隻(zhi)涉(she)及(ji)一(yi)個(ge)半(ban)橋(qiao)模(mo)塊(kuai),長(chang)換(huan)流(liu)回(hui)路(lu)則(ze)會(hui)涉(she)及(ji)所(suo)有(you)三(san)個(ge)功(gong)率(lv)模(mo)塊(kuai),因(yin)此(ci)在(zai)功(gong)率(lv)模(mo)組(zu)設(she)計(ji)中(zhong),母(mu)排(pai)的(de)設(she)計(ji)需(xu)要(yao)格(ge)外(wai)優(you)化(hua)盡(jin)可(ke)能(neng)減(jian)小(xiao)長(chang)換(huan)流(liu)回(hui)路(lu)的(de)雜(za)散(san)電(dian)感(gan)以(yi)增(zeng)加(jia)功(gong)率(lv)模(mo)組(zu)的(de)電(dian)流(liu)輸(shu)出(chu)能(neng)力(li)。圖(tu)15所示為FF1800R12IE5在I-NPC電路裏的雙脈衝實測波形,在室溫及額定電流條件下,為了降低長換流回路IGBT的關斷電壓尖峰,使用了更大的門級關斷電阻,最終T1與T2的最大關斷尖峰電壓分別為1010V與1100V。

圖14 PrimePACK™ 3+半橋模塊構建I-NPC三電平電路示意
圖15 FF1800R12IE5雙脈衝實測波形
3. I-NPC三電平電路的短路測試
對於I-NPC三電平橋臂的短路測試,通過模擬短路點位置與實際驅動時序(內管先開後關),給出以下幾種推薦的測試工況:
AC點與DC+短接,模擬T3開通時短路,短路電流流過T3,D6;
AC點與DC-短接,模擬T2開通時短路,短路電流流過D5,T2;
AC點與直流中點短接,模擬T1或T4開通時短路,短路電流流過T1,T2或T3,T4;
直流中點與上橋鉗位點短接,模擬T1開通時短路,短路電流流過T1;
直流中點與下橋鉗位點短接,模擬T4開通時短路,短路電流流過T4;
AC點與上橋或下橋鉗位點短接,模擬外管開通時短路,短路電流流過T1,T2,D6或D5,T3,T4。

圖16 I-NPC三電平橋臂短路測試工況
總結
本篇介紹了I-NPCsandianpingdianludejizhongbutonghuanliugongkuang,jiyuci,tongguotiaozhengdianganweizhijigonglvqijiandequdongfangshikeyimonishijigongkuangjinxingduiyingdeshuangmaichongceshi,tongshiyegeichuleyixieI-NPC電路DPT的實測波形,需要格外注意長換流回路雜散電感的優化設計,最後列出了一些I-NPC電路短路工況供大家在測試中參考。下一期,我們會繼續分析T-NPC電路的雙脈衝測試與短路測試評估。
免責聲明:本文為轉載文章,轉載此文目的在於傳遞更多信息,版權歸原作者所有。本文所用視頻、圖片、文字如涉及作品版權問題,請聯係小編進行處理。
推薦閱讀:
利用低電平有效輸出驅動高端MOSFET輸入開關以實現係統電源循環
10BASE-T1L MAC-PHY如何簡化低功耗處理器以太網連接
- 噪聲中提取真值!瑞盟科技推出MSA2240電流檢測芯片賦能多元高端測量場景
- 10MHz高頻運行!氮矽科技發布集成驅動GaN芯片,助力電源能效再攀新高
- 失真度僅0.002%!力芯微推出超低內阻、超低失真4PST模擬開關
- 一“芯”雙電!聖邦微電子發布雙輸出電源芯片,簡化AFE與音頻設計
- 一機適配萬端:金升陽推出1200W可編程電源,賦能高端裝備製造
- 貿澤EIT係列新一期,探索AI如何重塑日常科技與用戶體驗
- 算力爆發遇上電源革新,大聯大世平集團攜手晶豐明源線上研討會解鎖應用落地
- 創新不止,創芯不已:第六屆ICDIA創芯展8月南京盛大啟幕!
- AI時代,為什麼存儲基礎設施的可靠性決定數據中心的經濟效益
- 矽典微ONELAB開發係列:為毫米波算法開發者打造的全棧工具鏈
- 車規與基於V2X的車輛協同主動避撞技術展望
- 數字隔離助力新能源汽車安全隔離的新挑戰
- 汽車模塊拋負載的解決方案
- 車用連接器的安全創新應用
- Melexis Actuators Business Unit
- Position / Current Sensors - Triaxis Hall



