如何設計簡單的電壓控製雙向電流源
發布時間:2023-04-20 責任編輯:lina
【導讀】dangninsuozuodezhishihuizhiyuanlitushi,dianyayuanhedianliuyuantongyangrongyishixian。raner,dangwomenjinrudianlushejidexianshishijiehou,womenzhujianyishidaochanshenghuoduohuoshaohengdingdedianliu,buzhiweihe,yaobichanshenghuoduohuoshaohengdingdedianyakunnandeduo。danshi,zhebingmeiyougaibiandianliuyuanyoushifeichangyouyongdeshishi,erqiecongmingdegongchengshichuangzaolegezhongshiyongdedianliuyuandianlushiyijianhaoshi。
本文是 AAC 模擬電路文集的一部分,介紹了一種高性能電流源,它隻需要幾個現成的組件。
dangninsuozuodezhishihuizhiyuanlitushi,dianyayuanhedianliuyuantongyangrongyishixian。raner,dangwomenjinrudianlushejidexianshishijiehou,womenzhujianyishidaochanshenghuoduohuoshaohengdingdedianliu,buzhiweihe,yaobichanshenghuoduohuoshaohengdingdedianyakunnandeduo。danshi,zhebingmeiyougaibiandianliuyuanyoushifeichangyouyongdeshishi,erqiecongmingdegongchengshichuangzaolegezhongshiyongdedianliuyuandianlushiyijianhaoshi。
如果您更喜歡使用運算放大器,Howland 電流泵可產生電壓控製電流,並且隻需要一個運算放大器和四個電阻器。
Howland 電流泵。
如果您不喜歡使用分立晶體管並且(出於某種原因)手頭沒有任何運算放大器,您可能需要考慮將其中一個線性穩壓器轉換為電流源。
吉姆·威廉姆斯當前資源
這絕不是該電路的名稱,我當然不想暗示它是 Jim Williams 設計的電流源——我不會驚訝於他提出了六個創新的,高性能電流源拓撲結構。盡管如此,他是應用筆記的作者,我不知道該電路還能叫什麼。
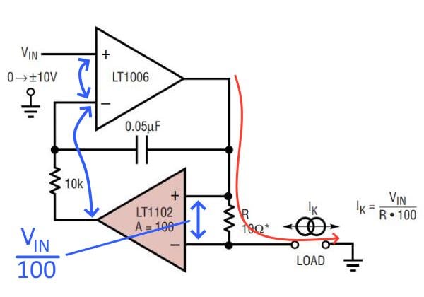
如下圖所示,該電流源需要兩個放大器 IC 和一些無源元件。
圖表取自LT1102 的數據表。
LT1006 是典型的精密運算放大器,LT1102 是高精度儀表放大器。應用筆記是 1991 年出版的,所以這些都是一些舊的 IC。我在仿真中使用了 LT1006 和 LT1102(將在下一篇文章中討論)隻是為了確保仿真中的所有內容都與原始設計一致——實際上,Digi-Key 仍將這兩個部分歸類為“有源器件” ” 盡管如此,我鼓勵您嚐試使用一些更新的(並且可能性能更高)替代這些遺留 IC。
以下列表重點介紹了 Jim Williams 電流源拓撲的一些特性。
它是電壓控製和雙向的——負載電流的大小和方向由輸入電壓的大小和極性決定。
它以地麵為參考;負載電阻的一側直接接地。
如上圖中包含的等式所示,電流幅度還受 R 影響,即儀表放大器輸入端子之間的電阻值。
如果為 R 使用超高精度電阻,使得該元件引入的誤差可以忽略不計,則電路的初始精度和溫度穩定性對應於儀表放大器的增益精度和溫度係數。
該電路穩定性好,能適應輸入電壓的快速變化。
了解電路
該gai電dian流liu源yuan運yun行xing的de關guan鍵jian是shi儀yi表biao放fang大da器qi的de使shi用yong。通tong過guo檢jian測ce與yu負fu載zai串chuan聯lian的de固gu定ding電dian阻zu兩liang端duan的de電dian壓ya,我wo們men可ke以yi生sheng成cheng不bu受shou負fu載zai電dian阻zu值zhi影ying響xiang的de輸shu出chu電dian流liu。
下麵是我嚐試逐步解釋該電路如何工作的嚐試。
運算放大器 (A1) 在負反饋配置下運行。反饋路徑中儀表放大器 (A2) 的存在不會改變反饋環路已閉合的事實。
負反饋的存在使我們可以使用虛空假設。因此,A2 的輸出必須等於輸入電壓。
虛擬短路情況並非憑空出現;相反,虛擬短路是由運算放大器輸出端子的動作強加的。由於 A2 的增益為 100,A1 的輸出將采取任何必要措施以確保 R 兩端的電壓等於輸入電壓除以 100。
由於 R 是一個固定電阻,並且由於 R 兩端的電壓總是與輸入電壓成正比,我們從歐姆定律知道流過 R 的電流總是與輸入電壓成正比。
由於負載與電阻器 R 串聯,輸出電流始終與輸入電壓成正比,與負載電阻無關(當然在限製範圍內,例如,您無法通過 1 MΩ 驅動 10 mA負載,除非你能找到接受電源電壓高達 10,000 V 左右的放大器)。
電容器和另一個電阻器決定了電路的頻率響應,我假設選擇的值是為了產生理想的相位裕度。
免責聲明:本文為轉載文章,轉載此文目的在於傳遞更多信息,版權歸原作者所有。本文所用視頻、圖片、文字如涉及作品版權問題,請聯係小編進行處理。
推薦閱讀:
- 噪聲中提取真值!瑞盟科技推出MSA2240電流檢測芯片賦能多元高端測量場景
- 10MHz高頻運行!氮矽科技發布集成驅動GaN芯片,助力電源能效再攀新高
- 失真度僅0.002%!力芯微推出超低內阻、超低失真4PST模擬開關
- 一“芯”雙電!聖邦微電子發布雙輸出電源芯片,簡化AFE與音頻設計
- 一機適配萬端:金升陽推出1200W可編程電源,賦能高端裝備製造
- 算力爆發遇上電源革新,大聯大世平集團攜手晶豐明源線上研討會解鎖應用落地
- 築基AI4S:摩爾線程全功能GPU加速中國生命科學自主生態
- 一秒檢測,成本降至萬分之一,光引科技把幾十萬的台式光譜儀“搬”到了手腕上
- AI服務器電源機櫃Power Rack HVDC MW級測試方案
- 突破工藝邊界,奎芯科技LPDDR5X IP矽驗證通過,速率達9600Mbps
- 車規與基於V2X的車輛協同主動避撞技術展望
- 數字隔離助力新能源汽車安全隔離的新挑戰
- 汽車模塊拋負載的解決方案
- 車用連接器的安全創新應用
- Melexis Actuators Business Unit
- Position / Current Sensors - Triaxis Hall



