基於無線傳感器超低功率能量收集器的供電係統設計
發布時間:2023-01-18 責任編輯:lina
【導讀】測量和控製所需的超低功率無線傳感器用量的激增、再加上新型能量采集技術的運用,使得能夠製造出由局部環境能量而非電池供電的全自主型係統。
測量和控製所需的超低功率無線傳感器用量的激增、再加上新型能量采集技術的運用,使得能夠製造出由局部環境能量而非電池供電的全自主型係統。
在替換或維護電池不方便、昂貴或危險時,這顯然是有好處的。由收集能量供電的傳感器節點可以在樓宇自動化、無線 / 自動測量、前瞻性維護、和其他很多工業、軍事、qichehexiaofeileiyingyongzhongshiyong。nengliangshoujidehaochushixianeryijiande,danshiyouxiaodenengliangshoujixitongxuyaozhinengdianyuanguanlidianlu,yijiangweiliangmianfeinengliangzhuanhuanchengwuxianchuanganqixitongkeshiyongdexingshi。
歸根結底是占空比問題
很hen多duo無wu線xian傳chuan感gan器qi係xi統tong消xiao耗hao非fei常chang低di的de平ping均jun功gong率lv,從cong而er成cheng為wei由you收shou集ji的de能neng量liang供gong電dian的de主zhu要yao對dui象xiang。因yin為wei傳chuan感gan器qi節jie點dian常chang常chang用yong來lai監jian視shi緩huan慢man變bian化hua的de物wu理li量liang,所suo以yi可ke以yi不bu經jing常chang進jin行xing測ce量liang,也ye不bu需xu要yao經jing常chang發fa送song測ce量liang數shu據ju,因yin此ci傳chuan感gan器qi節jie點dian是shi以yi非fei常chang低di的de占zhan空kong比bi工gong作zuo的de,相xiang應ying地di,平ping均jun功gong率lv需xu求qiu也ye很hen小xiao。例li如ru,如ru果guo一yi個ge傳chuan感gan器qi係xi統tong在zai工gong作zuo時shi需xu要yao 3.3V/30mA (100mW),但是每 10s 僅有 10ms 時間在工作,那麼所需平均功率僅為 0.1mW,假定在傳送突發的間隔期間不工作時,傳感器係統電流降至數 uA。
電源管理:迄今為止在能量收集中仍然缺失的一環
僅消耗 uW 功率的微處理器和模擬傳感器以及小型、低成本、低功率 RF 收發器得到了廣泛采用。在實現實際的能量收集係統時,缺失的一環始終是可以靠一個或多個常見免費能源工作的電源轉換器 / 電源管理構件。LTC3108 能在輸入電壓低至 20mV 時啟動,為熱能收集補上了缺失的這一環。LTC3108 采用 3mm x 4mm x 0.75mm 12 引腳 DFN 或 16 引腳 SSOP 封裝,為用熱電發生器 (TEG)、以低至 1°C 的溫度差 (?T) 給無線傳感器供電提供了一個緊湊、簡單和高度集成的電源管理解決方案。
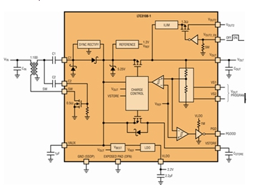
參見圖 1,LTC3108 用一個小的升壓型變壓器和一個內部 MOSFET 形成一個諧振振蕩器。變壓器的升壓比為 1:100 時,該轉換器能以低至 20mV 的輸入電壓啟動。變壓器的次級繞組向充電泵和整流器電路饋送電壓,然後給該 IC 供電,並給輸出電容器充電。2.2V LDO 的輸出設計成首先進入穩定狀態,以盡快給微處理器供電。然後,給主輸出電容器充電至由 VS1 和 VS2 引腳設定的電壓 (2.35V、3.3V、4.1V 或 5.0V),以給傳感器、模擬電路或 RF 收發器供電。當無線傳感器工作並發送數據因而出現低占空比負載脈衝時,VOUT 存儲電容器提供所需的突發能量。還提供一個開關輸出 (VOUT2),以給沒有停機或休眠模式的電路供電。電源良好輸出提醒主機,主輸出電壓接近其穩定值了。一旦 VOUT 進入穩定狀態,那麼所收集的電流就被導向 VSTORE 引腳,以給可選存儲電容器或可再充電電池充電。如果能量收集電源是間歇性的,那麼這個存儲組件就可用來給係統供電。還有一個 LTC3108-1 版本的器件,除了提供一套不同的可選輸出電壓 (2.5V、3.0V、3.7V 或 4.5V) 以外,與 LTC3108 完全相同。
圖 1:LTC3108 方框圖
熱電發生器的基本原理
熱電發生器 (TEG) 其實就是逆向工作的熱電冷卻器 (TEC)。熱電發生器應用席貝克效應 (Seebeck Effect) 將設備 (通過該設備產生熱量流動) 上的溫度差轉換成電壓。輸出電壓的幅度和極性取決於 TEG 上溫度差的幅度和極性。如果 TEG 的熱端和冷端掉換過來,那麼輸出電壓就改變極性。TEG 可以用一個受溫度影響的電壓源模型加一個串聯電阻 (規定為 AC 電阻) 來代表。
TEG 的尺寸和電氣規格多種多樣。大多數模組都是方形的,每邊的長度從 10mm 至 50mm 不等,標準厚度為 2mm 至 5mm。它們的開路輸出電壓視尺寸不同而不同,範圍為 10mV/K 至 50mV/K。一般而言,對於給定的 ?T,較大的模組可提供較大的 VOUT,但是有更高的 AC 阻抗和更低的熱阻。就給定應用而言,所需要的 TEG 大小取決於可用的 ?T、負載需要的最大平均功率、以及用來冷卻 TEG 一側的散熱器熱阻。
為了從 TEG 抽取可獲得的最大功率,轉換器輸入阻抗必須相對於 TEG AC 電阻提供合理的負載匹配。LTC3108 轉換器呈現約 2.5? 的輸入阻抗,這剛好在大多數 TEG AC 電阻 (0.5? 至 7.5?) 範圍的中間。
需要考慮的熱量問題
當在一個溫暖的表麵放置 TEG 以收集能量時,必須給 TEG 溫度較低的一側增加散熱器,以允許熱量傳送到周圍空氣中。由於散熱器的熱阻,在 TEG 上呈現的 ?T 將低於溫暖表麵和環境之間的溫度差,因為 TEG 具有相對較低的熱阻 (典型情況下在 1°C/W 至 20°C/W 範圍內)。
參見圖 2 所示的簡單熱模型,考慮如下例子,一個大型機器在周圍環境溫度為 25°C、表麵溫度為 35°C 的情況下工作。將一個 TEG 連接到這台機器上,同時在 TEG 溫度較低 (環境溫度) 的一側加上一個散熱器。
圖 2:TEG 和散熱器簡單的熱模型
散熱器和 TEG 的熱阻確定了 10oC總溫差 (?T) 的哪一部分存在於 TEG 的兩端。假定熱源 (RS) 的熱阻可忽略不計,如果 TEG 的熱阻 (RTEG) 為 4°C/W,散熱器的熱阻 (RHS) 也為 4°C/W,那麼落在 TEG 上的 ?T 僅為 5°C。
由於較大的 TEG 表麵積增大了,所以大型 TEG 比小型 TEG 熱阻低,因此需要較大的散熱器才有利。在受到尺寸或成本限製而必須使用相對較小的散熱器的應用中,較小的 TEG 也許比大型 TEG 提供更多的輸出功率。熱阻等於或小於 TEG 熱阻的散熱器可最大限度地提高 TEG 上的溫度差,因此能最大限度地提高電輸出。
脈衝負載應用設計例子
由 TEG 供電的典型無線傳感器應用如圖 3 所示。在這個例子中,TEG 上至少有 4°C 的溫差可用,因此選擇 1:50 的變壓器升壓比,以實現最高的輸出功率。
圖 3:無線傳感器應用例子
LTC3108 提供一個典型的無線傳感器所需的多個輸出。2.2V LDO 輸出給微處理器供電,而 VOUT 利用 VS1 和 VS2 引腳設定到 3.3V,以給 RF 發送器供電。開關 VOUT (VOUT2) 由微處理器控製,以僅在需要時給 3.3V 傳感器供電。當 VOUT 達到穩定值的 93% 時,PGOOD 輸出向微處理器發出指示信號。為了在輸入電壓不存在時保持工作,在後台從 VSTORE 引腳給 0.1F 存儲電容器充電。這個電容器可以充電至高達 VAUX 並聯穩壓器的 5.25V 箝位電壓。如果失去輸入電壓源,那麼就自動由存儲電容器提供能量,以給該 IC 供電,並保持 VLDO 和 VOUT 的穩定。
根據以下公式確定 COUT 存儲電容器的大小,以在 10ms 的持續時間內支持 15mA 的總負載脈衝,從而在負載脈衝期間允許 VOUT 有 0.33V 的下降。請注意,IPULSE 包括 VLDO 和 VOUT2 以及 VOUT 上的負載,但充電電流未包括在內,因為與負載相比,它可能非常小。
考慮到這些要求,C必須至少為 454?F,因此選擇了一個 470F 的電容器。
采用所示 TEG (以及大小合適的散熱器),在 ?T 為 5°K 時工作,那麼 LTC3108 在 3.3V 時提供的平均充電電流約為 560?A。用這些數據,我們可以計算出,首次給 VOUT 存儲電容器充電需要花多長時間,以及該電路能以多大頻度發送脈衝。假定充電階段 VLDO 和 VOUT 上的負載非常小,那麼 VOUT 最初的充電時間為:
假定發送脈衝之間的負載電流非常小,那麼一種簡單估計最大發送速率的方法是,用從 LTC3108 可獲得的平均輸出功率 (在本例情況下為 3.3V ? 560?A = 1.85mW) 除以脈衝期間所需功率 (在本例情況下為 3.3V ? 15mA = 49.5mW)。收集器可以支持的最大占空比為 1.85mW/49.5mW = 0.037 或 3.7%。因此最大脈衝發送速率為 0.01/0.037 = 0.27 秒或約為 3.7Hz。
請注意,如果平均負載電流 (如發送速率所決定的那樣) 是收集器所能支持的最大電流,那麼會沒有剩餘的收集能量給存儲電容器充電。因此,在這個例子中,發送速率設定為 2Hz,從而留出幾乎一半的可用能量給存儲電容器充電。VSTORE 電容器提供的存儲時間利用以下公式計算:
上述計算包括 LTC3108 所需的 6uA 靜態電流,而且假定發送脈衝之間的負載極小。一旦存儲電容器達到滿充電狀態,它就能以 2Hz 的發送速率支持負載 637 秒,或支持總共 1274 個發送脈衝。
熱量收集應用需要自動極性
有些熱量收集應用 (如無線 HVAC 傳感器或地熱供電的傳感器) 要求電源管理器不僅能以非常低的輸入電壓工作,而且能以任一極性工作,因為 TEG 上的 T 的極性可能改變。
LTC3109 是惟一適合克服這種挑戰的器件。LTC3109 運用兩個具 1:100 升壓比的變壓器,能以低至 ±30mV 的輸入電壓工作。LTC3109 與 LTC3108 的功能相同,包括一個 LDO、一個數字可編程的輸出電壓、一個電源良好輸出、一個開關輸出和一個能量存儲輸出。LTC3109 采用 4mm x 4mm 20 引腳 QFN 和 20 引腳 SSOP 封裝。圖 4 顯示了 LTC3109 在自動極性應用中的一個典型例子。如圖 5 所示,該轉換器的輸出電流隨 VIN 變化的曲線說明,該器件在任一極性的輸入電壓時,都能同樣良好地工作。
圖 4:自動極性應用例子
結論
LTC3108 和 LTC3109 能獨特地在輸入電壓低至 20mV shigongzuo,huozheyifeichangdiderenyijixingdianyagongzuo,tigonglejiandanheyouxiaodedianyuanguanlijiejuefangan,nengshixianrenengshouji,keyongchangjianredianqijianweiwuxianchuanganqiheqitadigonglvyingyonggongdian。zhexiechanpincaiyong 12 引腳 DFN 或 16 引腳 SSOP 封裝 (LTC3108 和 LTC3108-1) 和 20 引腳 QFN 或 SSOP 封裝 (LTC3109),提供了前所未有的低壓能力和高集成度,可最大限度地減小解決方案占板麵積。LTC3108、LTC3108-1 和 LTC3109 提供了與現有低功率基本構件無縫連接所需的所有輸出,以支持自主型無線傳感器應用。
免責聲明:本文為轉載文章,轉載此文目的在於傳遞更多信息,版權歸原作者所有。本文所用視頻、圖片、文字如涉及作品版權問題,請聯係小編進行處理。
推薦閱讀:
- 噪聲中提取真值!瑞盟科技推出MSA2240電流檢測芯片賦能多元高端測量場景
- 10MHz高頻運行!氮矽科技發布集成驅動GaN芯片,助力電源能效再攀新高
- 失真度僅0.002%!力芯微推出超低內阻、超低失真4PST模擬開關
- 一“芯”雙電!聖邦微電子發布雙輸出電源芯片,簡化AFE與音頻設計
- 一機適配萬端:金升陽推出1200W可編程電源,賦能高端裝備製造
- 築基AI4S:摩爾線程全功能GPU加速中國生命科學自主生態
- 一秒檢測,成本降至萬分之一,光引科技把幾十萬的台式光譜儀“搬”到了手腕上
- AI服務器電源機櫃Power Rack HVDC MW級測試方案
- 突破工藝邊界,奎芯科技LPDDR5X IP矽驗證通過,速率達9600Mbps
- 通過直接、準確、自動測量超低範圍的氯殘留來推動反滲透膜保護
- 車規與基於V2X的車輛協同主動避撞技術展望
- 數字隔離助力新能源汽車安全隔離的新挑戰
- 汽車模塊拋負載的解決方案
- 車用連接器的安全創新應用
- Melexis Actuators Business Unit
- Position / Current Sensors - Triaxis Hall





