模擬和數字MEMS麥克風集成進係統設計時的差別
發布時間:2022-10-19 責任編輯:lina
【導讀】模擬和數字麥克風輸出信號在設計中顯然有不同的考慮因素。本文要討論將模擬和數字MEMS麥克風集成進係統設計時的差別和需要考慮的因素。
模擬和數字麥克風輸出信號在設計中顯然有不同的考慮因素。本文要討論將模擬和數字MEMS麥克風集成進係統設計時的差別和需要考慮的因素。
MEMS麥克風內部細節
MEMS麥克風輸出並不是直接來自MEMS換能單元。換能器實質上是一個可變電容,並且具有特別高的兆歐級輸出阻抗。
zaimaikefengfengzhuangzhong,huannengqixinhaoxianbeisongwangqianzhifangdaqi,erzhegefangdaqideshouyaogongnengshizukangbianhuan,dangmaikefengjiejinyinpinxinhaolianshijiangshuchuzukangjiangdidaogengheshidezhi。maikefengdeshuchudianluyeshizaizhegeqianzhifangdadianluzhongshixiande。
對於模擬MEMS麥克風來說,圖1所示的這種電路基本上是一個具有特殊輸出阻抗的放大器。在數字MEMS麥克風中,這個放大器與模數轉換器(ADC)集成在一起,以脈衝密度調製(PDM)或I2S格式提供數字輸出。
詳解模擬和數字MEMS麥克風設計區別

圖1:典型的模擬MEMS麥克風框圖。
圖2是PDM輸出MEMS麥克風的功能框圖,圖3是典型的I2S輸出數字麥克風。I2S麥克風包含PDM麥克風中的所有,還包含抽取濾波器和串口。

圖2:典型的PDMMEMS麥克風框圖

圖3:典型的I2SMEMS麥克風框圖
MEMS麥克風封裝在半導體器件中比較獨特,因為在封裝中有一個洞,用於聲學能量抵達換能單元。在這個封裝內部,MEMS麥克風換能器和模擬或數字ASIC綁定在一起,並安裝在一個公共的疊層上。然後在疊層上方又綁定一個蓋子,用於封住換能器和ASIC。這種疊層通常是一小塊PCB,用於將IC出來的信號連接到麥克風封裝外部的引腳上。
圖4和圖5分別顯示了模擬和數字MEMS麥克風的內部細節。在這些圖片中,你可以看到左邊的換能器和右邊的ASIC(在環氧樹脂底下),兩者都安裝在疊層上。數字麥克風有額外的綁定線將來自ASIC的電氣信號連接到疊層。

圖4:模擬MEMS麥克風中的換能器和ASIC

圖5:數字MEMS麥克風中的換能器和ASIC
模擬麥克風
模擬MEMS麥克風的輸出阻抗典型值為幾百歐姆。這個阻抗要高於運放通常具有的低輸出阻抗,因此你需要了解緊隨麥克風之後的信號鏈阻抗。
麥克風後麵的低阻抗電路會衰減信號電平。例如,一些編解碼器在ADC之前有一個可編程的增益放大器(PGA)。在高增益設置時,PGA的輸入阻抗可能隻有幾千歐姆。輸出阻抗為200Ω的MEMS麥克風後麵跟一個輸入阻抗為2kΩ的PGA將使信號電平衰減近10%。
模擬MEMS麥(mai)克(ke)風(feng)的(de)輸(shu)出(chu)通(tong)常(chang)被(bei)偏(pian)置(zhi)為(wei)地(di)和(he)電(dian)源(yuan)電(dian)壓(ya)之(zhi)間(jian)的(de)某(mou)個(ge)直(zhi)流(liu)電(dian)壓(ya)值(zhi)。這(zhe)個(ge)偏(pian)置(zhi)電(dian)壓(ya)的(de)選(xuan)擇(ze)原(yuan)則(ze)是(shi)幅(fu)度(du)的(de)輸(shu)出(chu)信(xin)號(hao)峰(feng)值(zhi)不(bu)會(hui)被(bei)電(dian)源(yuan)電(dian)壓(ya)或(huo)地(di)電(dian)位(wei)限(xian)值(zhi)所(suo)鉗(qian)位(wei)。這(zhe)個(ge)直(zhi)流(liu)偏(pian)置(zhi)電(dian)壓(ya)的(de)存(cun)在(zai)也(ye)意(yi)味(wei)著(zhe)麥(mai)克(ke)風(feng)通(tong)常(chang)是(shi)通(tong)過(guo)交(jiao)流(liu)耦(ou)合(he)連(lian)接(jie)後(hou)麵(mian)的(de)放(fang)大(da)器(qi)或(huo)轉(zhuan)換(huan)器(qi)芯(xin)片(pian)。串(chuan)聯(lian)電(dian)容(rong)的(de)選(xuan)擇(ze)原(yuan)則(ze)是(shi),與(yu)編(bian)解(jie)碼(ma)器(qi)或(huo)放(fang)大(da)器(qi)輸(shu)入(ru)阻(zu)抗(kang)一(yi)起(qi)形(xing)成(cheng)的(de)高(gao)通(tong)濾(lv)波(bo)器(qi)電(dian)路(lu)不(bu)會(hui)使(shi)信(xin)號(hao)的(de)低(di)頻(pin)部(bu)分(fen)滾(gun)降(jiang)位(wei)於(yu)麥(mai)克(ke)風(feng)自(zi)然(ran)低(di)頻(pin)滾(gun)降(jiang)之(zhi)上(shang)。
對於具有100Hz低頻-3dB點的麥克風和具有10kΩ輸入阻抗的編解碼器或放大器來說(兩個都是普通值),即使相對小的1.0F電容也會將高通濾波器的角頻率置為16Hz,這個值遠遠超出了能夠影響麥克風響應的範圍。圖6顯示了這類電路的一個例子,其中的模擬MEMS麥克風連接到了一個同相配置的運放。

圖6:模擬麥克風連接到同相運放電路
數字麥克風
數字麥克風將模數轉換功能從編解碼器轉移進了麥克風,從而實現了從麥克風到處理器的全數字音頻捕獲通道。數字MEMS麥克風經常在模擬音頻信號容易受到幹擾的應用中使用。
例如在平板電腦中,麥克風的位置也許不靠近ADC,這兩點之間的信號可能會穿越或接近Wi-Fi、藍(lan)牙(ya)或(huo)蜂(feng)窩(wo)天(tian)線(xian)。將(jiang)這(zhe)些(xie)連(lian)接(jie)數(shu)字(zi)化(hua)後(hou),它(ta)們(men)就(jiu)不(bu)容(rong)易(yi)受(shou)到(dao)這(zhe)些(xie)射(she)頻(pin)幹(gan)擾(rao)而(er)在(zai)音(yin)頻(pin)信(xin)號(hao)中(zhong)產(chan)生(sheng)噪(zao)聲(sheng)或(huo)失(shi)真(zhen)。這(zhe)種(zhong)拾(shi)取(qu)有(you)害(hai)係(xi)統(tong)噪(zao)聲(sheng)的(de)改(gai)進(jin)給(gei)設(she)計(ji)中(zhong)的(de)麥(mai)克(ke)風(feng)布(bu)局(ju)提(ti)供(gong)了(le)很(hen)大(da)的(de)靈(ling)活(huo)性(xing)。
zaizhixuyaomoniyinpinjiekoulailianjiemonimaikefengdexitongzhongshuzimaikefengyehenyouyong。zaizhixuyaoyinpinbuhuodanbuxuyaohuifangdexitongzhong,xiangjiankongshexiangjizhong,shiyongshuzishuchumaikefenghoujiubuxuyaodandudebianjiemaqihuoyinpinzhuanhuanqile,maikefengkeyizhijielianjieshuzichuliqi。
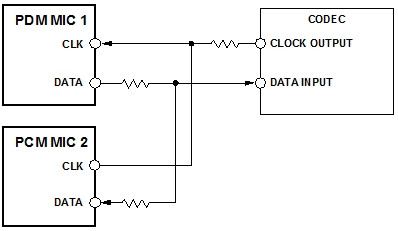
當然,好的數字設計經驗仍必須應用於數字麥克風的時鍾和數字信號。20Ω至100Ω的小值源端接電阻很有用,它能確保至少數英寸長的走線上有良好的數字信號完整性(圖7)。當使用更短的走線長度,或者以較低速率運行數字麥克風時鍾時,麥克風引腳可以直接連接到編解碼器或DSP,不需要任何無源元件。

圖7:PDM麥克風以源端接方式連接到編解碼器
PDM是shi一yi種zhong常chang見jian的de數shu字zi麥mai克ke風feng接jie口kou。這zhe種zhong接jie口kou允yun許xu兩liang個ge麥mai克ke風feng共gong享xiang一yi個ge公gong共gong的de時shi鍾zhong與yu數shu據ju線xian。每mei個ge麥mai克ke風feng被bei配pei置zhi為wei在zai時shi鍾zhong信xin號hao的de不bu同tong沿yan產chan生sheng各ge自zi的de輸shu出chu。這zhe樣yang兩liang個ge麥mai克ke風feng的de輸shu出chu就jiu能neng保bao持chi相xiang互hu同tong步bu,設she計ji師shi就jiu能neng確que保bao來lai自zi每mei個ge通tong道dao的de數shu據ju被bei同tong時shi捕bu獲huo到dao。
在壞情況下,從兩個麥克風捕獲到的數據可能在時間上隔半個時鍾信號周期。這種時鍾的頻率典型值約為3MHz,因此通道內時間差僅為0.16us,遠小於聽者可以覺察到的閾值。這種相同的同步機製還可以擴展到具有兩個以上PDMmaikefengdexitongzhong,zhixuquebaosuoyoumaikefengdoulianjiedaoxiangtongdeshizhongyuan,bingqieshujuxinhaodouzaiyiqilvbohechuli。zaishiyongmonimaikefengdeqingkuangxia,zhezhongtongbushixianjiangshangyidaoADC。
I2S
多年來I2S一直是音頻轉換器和處理器的一種通用數字接口,隻是近才被集成進信號鏈邊緣的設備中,比如麥克風。I2S麥克風擁有與PDM麥克風相同的係統設計優勢,但不再輸出高采樣速率的PDM信號,它輸出的數字數據采用抽取過的基帶音頻采樣率。在PDM麥克風方案中,這種抽取是在編解碼器或DSP中實現的,但在I2S麥克風方案中,這個抽取過程直接在麥克風中完成,因此在某些係統中可以完全取消ADC或編解碼器。
I2S麥克風可以直接連接具有這種標準接口的DSP或(圖8)。與PDM麥克風一樣,兩個I2S麥克風可以連接到一條公共的數據線上,不過與PDM不同的是,I2S格式使用兩個時鍾信號——一個字時鍾和一個位時鍾。

圖8:連接DSP的立體聲I2S麥克風
在尺寸很重要的情況下
一般來說,模擬MEMS麥克風的封裝尺寸要比數字麥克風小。這是因為模擬麥克風封裝需要的引腳較少(一般是3個,而數字麥克風需要5個甚至更多),模(mo)擬(ni)前(qian)置(zhi)放(fang)大(da)器(qi)的(de)電(dian)路(lu)也(ye)比(bi)數(shu)字(zi)的(de)少(shao),因(yin)此(ci)采(cai)用(yong)相(xiang)同(tong)製(zhi)作(zuo)工(gong)藝(yi)製(zhi)造(zao)的(de)模(mo)擬(ni)前(qian)放(fang)要(yao)比(bi)數(shu)字(zi)前(qian)放(fang)小(xiao)。在(zai)大(da)多(duo)數(shu)空(kong)間(jian)受(shou)約(yue)束(shu)的(de)設(she)計(ji)中(zhong),比(bi)如(ru)許(xu)多(duo)小(xiao)型(xing)移(yi)動(dong)設(she)備(bei)中(zhong),模(mo)擬(ni)麥(mai)克(ke)風(feng)因(yin)為(wei)尺(chi)寸(cun)小(xiao)而(er)更(geng)受(shou)歡(huan)迎(ying)。
模擬麥克風的封裝尺寸可以是2.5×3.35×0.88mm或更小,而PDM麥克風的封裝尺寸通常是3×4×1mm,在封裝體積上增加了62%。
模擬和數字MEMS麥克風在不同的應用中都可以發揮自己的優勢。綜合係統體積和元器件的布局的限製、電氣連接和潛在的噪聲源及幹擾等考慮因素,我們就可以作出適合當前設計的麥克風的決策。
(來源:中電網)
免責聲明:本文為轉載文章,轉載此文目的在於傳遞更多信息,版權歸原作者所有。本文所用視頻、圖片、文字如涉及作品版權問題,請聯係小編進行處理。
推薦閱讀:
- 噪聲中提取真值!瑞盟科技推出MSA2240電流檢測芯片賦能多元高端測量場景
- 10MHz高頻運行!氮矽科技發布集成驅動GaN芯片,助力電源能效再攀新高
- 失真度僅0.002%!力芯微推出超低內阻、超低失真4PST模擬開關
- 一“芯”雙電!聖邦微電子發布雙輸出電源芯片,簡化AFE與音頻設計
- 一機適配萬端:金升陽推出1200W可編程電源,賦能高端裝備製造
- 築基AI4S:摩爾線程全功能GPU加速中國生命科學自主生態
- 一秒檢測,成本降至萬分之一,光引科技把幾十萬的台式光譜儀“搬”到了手腕上
- AI服務器電源機櫃Power Rack HVDC MW級測試方案
- 突破工藝邊界,奎芯科技LPDDR5X IP矽驗證通過,速率達9600Mbps
- 通過直接、準確、自動測量超低範圍的氯殘留來推動反滲透膜保護
- 車規與基於V2X的車輛協同主動避撞技術展望
- 數字隔離助力新能源汽車安全隔離的新挑戰
- 汽車模塊拋負載的解決方案
- 車用連接器的安全創新應用
- Melexis Actuators Business Unit
- Position / Current Sensors - Triaxis Hall





