電流互感器如何接線
發布時間:2021-12-31 責任編輯:lina
【導讀】suizhedianliuxitongdefazhan,zairujindedianlixitongdangzhong,dianliuhuganqidedaoleguangfandeyingyong,tebieshidiancishidianliuhuganqi,qigongzuoyuanliyubianyaqileisi,doushitongguoyunyongdianciganyingdedeyuanlicongerjinxinggongzuo。genjucidongshipinghengdeyuanli,tiexin2的一個與二次的激磁按匝相同,通過匝數比實現電流的變換。
suizhedianliuxitongdefazhan,zairujindedianlixitongdangzhong,dianliuhuganqidedaoleguangfandeyingyong,tebieshidiancishidianliuhuganqi,qigongzuoyuanliyubianyaqileisi,doushitongguoyunyongdianciganyingdedeyuanlicongerjinxinggongzuo。genjucidongshipinghengdeyuanli,tiexin2的一個與二次的激磁按匝相同,通過匝數比實現電流的變換。
電流互感器在工頻測量領域有著非常悠久的曆史,到目前為止已經發展成非常成熟的產品。電流互感器不論是適用性還是jing度指標方麵已經完全適應當今的工頻測量,電流互感器的接線圖也相對比較簡單,隻要稍加注意,在實際使用中就可以得到很好應用。
一相式接線
該接線方式電流線圈通過的電流,反應—次電路相應相的電流。通常用於負荷平衡的三相電路如低壓動力線路中,供測量電流、電能或接過 負荷保護裝置之用。

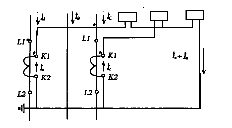
兩相V形接線
該(gai)接(jie)線(xian)方(fang)式(shi)也(ye)稱(cheng)為(wei)兩(liang)相(xiang)不(bu)完(wan)全(quan)星(xing)形(xing)接(jie)線(xian)。在(zai)繼(ji)電(dian)保(bao)護(hu)裝(zhuang)置(zhi)中(zhong)稱(cheng)為(wei)兩(liang)相(xiang)兩(liang)繼(ji)電(dian)器(qi)接(jie)線(xian)。在(zai)中(zhong)性(xing)點(dian)不(bu)接(jie)地(di)的(de)三(san)相(xiang)三(san)線(xian)製(zhi)電(dian)路(lu)中(zhong),廣(guang)泛(fan)用(yong)於(yu)測(ce)量(liang)三(san)相(xiang)電(dian)流(liu)、電能及作過電流繼電保護之用。兩V形接線的公共線上的電流反映的是未接電流互感器那一相的相電流。

兩相電流差接線
在(zai)繼(ji)電(dian)保(bao)護(hu)裝(zhuang)置(zhi)中(zhong),此(ci)接(jie)線(xian)也(ye)稱(cheng)為(wei)兩(liang)相(xiang)一(yi)繼(ji)電(dian)器(qi)接(jie)線(xian)。該(gai)接(jie)線(xian)方(fang)式(shi)適(shi)於(yu)中(zhong)性(xing)點(dian)不(bu)接(jie)地(di)的(de)三(san)相(xiang)三(san)線(xian)製(zhi)電(dian)路(lu)中(zhong)作(zuo)過(guo)電(dian)流(liu)繼(ji)電(dian)保(bao)護(hu)之(zhi)用(yong)。該(gai)接(jie)線(xian)方(fang)式(shi)電(dian)流(liu)互(hu)感(gan)器(qi)二(er)次(ci)側(ce)公(gong)共(gong)線(xian)上(shang)的(de)電(dian)流(liu)量(liang)值(zhi)為(wei)相(xiang)電(dian)流(liu)的(de)1.73(根號三,注:可 能前麵顯示不出)倍(bei)。也(ye)僅(jin)用(yong)於(yu)三(san)相(xiang)三(san)線(xian)製(zhi)電(dian)路(lu)中(zhong),中(zhong)性(xing)點(dian)不(bu)接(jie)地(di),也(ye)無(wu)中(zhong)性(xing)線(xian),這(zhe)種(zhong)接(jie)線(xian)的(de)優(you)點(dian)是(shi)不(bu)但(dan)節(jie)省(sheng)一(yi)塊(kuai)電(dian)流(liu)互(hu)感(gan)器(qi),而(er)且(qie)也(ye)可(ke)以(yi)用(yong)一(yi)塊(kuai)繼(ji)電(dian)器(qi)反(fan)映(ying)三(san)相(xiang)電(dian)路(lu)中(zhong)的(de)各(ge)種(zhong)相(xiang)間(jian)短(duan)路(lu)故(gu)障(zhang),亦(yi)即(ji)用(yong)少(shao)的(de)繼(ji)電(dian)器(qi)完(wan)成(cheng)三(san)相(xiang)過(guo)電(dian)流(liu)保(bao)護(hu),節(jie)省(sheng)投(tou)資(zi)。但(dan)故(gu)障(zhang)形(xing)式(shi)不(bu)同(tong)時(shi),其(qi)靈(ling)敏(min)度(du)不(bu)同(tong)。這(zhe)種(zhong)接(jie)線(xian)方(fang)式(shi)常(chang)用(yong)於(yu) 10kV 及以下的配電網作相間短路保護。由於此種保護靈敏度低,現代已經很少用了。

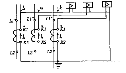
三相星形接線
這種接線方式中的三個電流線圈,正好反映各相的電流。廣泛用在負荷一般不平衡的i相四線製係統中,也用在負荷可能不平衡的三相三線製係統中,作三相電流、電能測量 及過電流繼電保護之用。

(來源:維庫電子市場網)
免責聲明:本文為轉載文章,轉載此文目的在於傳遞更多信息,版權歸原作者所有。本文所用視頻、圖片、文字如涉及作品版權問題,請電話或者郵箱聯係小編進行侵刪。
推薦閱讀:
- 噪聲中提取真值!瑞盟科技推出MSA2240電流檢測芯片賦能多元高端測量場景
- 10MHz高頻運行!氮矽科技發布集成驅動GaN芯片,助力電源能效再攀新高
- 失真度僅0.002%!力芯微推出超低內阻、超低失真4PST模擬開關
- 一“芯”雙電!聖邦微電子發布雙輸出電源芯片,簡化AFE與音頻設計
- 一機適配萬端:金升陽推出1200W可編程電源,賦能高端裝備製造
- 一秒檢測,成本降至萬分之一,光引科技把幾十萬的台式光譜儀“搬”到了手腕上
- AI服務器電源機櫃Power Rack HVDC MW級測試方案
- 突破工藝邊界,奎芯科技LPDDR5X IP矽驗證通過,速率達9600Mbps
- 通過直接、準確、自動測量超低範圍的氯殘留來推動反滲透膜保護
- 從技術研發到規模量產:恩智浦第三代成像雷達平台,賦能下一代自動駕駛!
- 車規與基於V2X的車輛協同主動避撞技術展望
- 數字隔離助力新能源汽車安全隔離的新挑戰
- 汽車模塊拋負載的解決方案
- 車用連接器的安全創新應用
- Melexis Actuators Business Unit
- Position / Current Sensors - Triaxis Hall



