麵向工業環境的大功率無線電力傳輸技術
發布時間:2021-09-08 責任編輯:lina
【導讀】隨著無線電力傳輸技術在消費類電子產品中的日益普及,工業和醫療行業也把關注焦點轉移至這項技術及其固有優勢。在如 WLAN 和藍牙(Bluetooth)等各項無線技術的推動下,通信接口日益向無線化發展,無線電力傳輸技術也成為一種相應的選擇。
1.簡介
隨著無線電力傳輸技術在消費類電子產品中的日益普及,工業和醫療行業也把關注焦點轉移至這項技術及其固有優勢。在如 WLAN 和藍牙(Bluetooth)denggexiangwuxianjishudetuidongxia,tongxinjiekouriyixiangwuxianhuafazhan,wuxiandianlichuanshujishuyechengweiyizhongxiangyingdexuanze。caiyongyixiequanxindefangan,bujinnengdailaimingxiandejishuyoushi,hainengweixindegongyeshejikaipigengduokenengxing。zhexiangjishutigonglexuduoxindegainian,tebieshizaixuyaoduikangfushixingqingjieji、嚴重汙染和高機械應力等惡劣環境的工業領域,例如 ATEX、醫藥、建築機械等。比如,它可以替代昂貴且易損的集電環或觸點。另一個應用領域是必須滿足增強或雙重絕緣等特殊要求的變壓器。
本應用說明旨在闡述使用電路技術可以輕鬆實現數百瓦甚至更高規格的無線電力傳輸解決方案,同時無需使用軟件或控製器。

圖 1:Würth Elektronik 無線充電線圈。
2.ZVS 振蕩器(差模諧振轉換器)
本應用說明中使用經典的諧振轉換器作為時鍾電路。
該振蕩器提供諸多優勢:
●獨立振蕩,隻需一個直流電源
●電流和電壓曲線非常接近正弦曲線
●無需有源器件和軟件
●可在 1 W - 200 W 範圍內靈活擴展
●MOSFET 開關接近過零點
●可擴展,以適配多種不同的電壓/電流
2.1.基本電路/原理圖:

圖 2:基本諧振轉換器電路。
圖2所示的基本電路為發送側,包括發送線圈 LP。接收側可以采用相同的基本電路(見第3.1章)。
2.2.功能
諧振轉換器通常以恒定的工作頻率工作,該工作頻率由 LC 並聯諧振電路的諧振頻率確定。一旦向電路施加直流電壓,它就會基於 MOSFET 器件容差開始振蕩。較短時間內,兩個 MOSFET 中的一個的導電性會略微超過另一個。兩個 MOSFET 柵極的正反饋和導電性較差的 MOSFET 的相反漏極會產生 180° 相移。因此,這兩個 MOSFET 總是異相驅動,永遠不能同時導通。兩個 MOSFET 交替將兩個並聯諧振電路兩端交替接地,使諧振電路周期性充電。

該電路拓撲結構的另一個特點是電壓始終接近過零點,這意味著 MOSFET dekaiguansunhaojidi。gaikaiguantuopujiegoudequedianzezaiyu,xiezhendianluzhongliutongdewugongdianliuhuidaozhikongxianzhuangtaixiadegonghaoxiangduijiaogao。yinci,lixiangqingkuangxia,xiezhenzhuanhuanqiyinggaizhizaijiafuzaixiayunxing。tongshiyingkaolvxiezhendianludepinlvhuisuijieshoucedeouhexishuerbianhua。zheshiyouyujieshoucedefanshezukangyingxiangfashecedecihuadianganerdaozhi,yinweiliangceweibinglian。suizhefasongcecihuadiangandexiajiang,ouhexishujiangdi,daozhipinlvshangsheng。
圖 1 中的基本電路可以在 3.3 V 至 230 V 以上的電壓下運行,具體取決於所用器件。當輸入電壓高於 20 V 時,必須注意接觸保護,因為諧振電路中的電壓已經高於 SELV(額定安全低電壓)閾值 50 VAC/120 VDC π 倍或以上。

圖 3:發射線圈的電壓用藍色和紅色顯示。柵極電壓用黃色和綠色顯示。
(這些電壓曲線測量以電路接地端 GND 為參考;Vin = 20 V;Pout = 100 W;優化的柵極驅動,參見應用示例)
實際上,整個無線電力傳輸電路的效率可能超過 90%。這很難得,因為通過氣隙產生的耦合損耗已計入,並且輸入端可獲得穩定的直流電壓。氣隙在 4-10 mm 範圍內時,效率均可保持穩定。磁場中很大一部分未耦合至接收側的能量會返回“諧振槽路”。根據具體應用,最大距離可達18 mm,但耦合係數和 EMC 方麵會有所犧牲。
發(fa)射(she)側(ce)的(de)電(dian)路(lu)同(tong)樣(yang)可(ke)用(yong)於(yu)接(jie)收(shou)側(ce),而(er)諧(xie)振(zhen)轉(zhuan)換(huan)器(qi)用(yong)作(zuo)同(tong)步(bu)整(zheng)流(liu)器(qi)。此(ci)處(chu)需(xu)要(yao)考(kao)慮(lv),接(jie)收(shou)側(ce)的(de)諧(xie)振(zhen)頻(pin)率(lv)應(ying)與(yu)發(fa)射(she)側(ce)的(de)諧(xie)振(zhen)頻(pin)率(lv)非(fei)常(chang)接(jie)近(jin)。這(zhe)樣(yang)還(hai)可(ke)以(yi)產(chan)生(sheng)最(zui)大(da)的(de)“吸收電路效應”。C 和 L binglianlianjieyiweizhecijicezuoweileisiyufuzaidehengdingdianliuyuan,zhekeyixianzhutigaodianludezhengtixiaolv。ciwai,dianrongqihaikebuchangwuxiandianyuanxianquandezasandiangan。ruguodianlugoujiandedang(即......),則接收器可以將能量反饋給發射器(即負載處采用 Linear Technology 的“理想”二極管)。

圖 4:發射線圈電壓(不以電路 GND 為參考;Vin = 20 V/Pout = 100 W)。

圖 5:發送側輸入供電的反射紋波和噪聲 (Vin = 20 V/Pout = 100 W)可使用低 ESR 聚合物和陶瓷電容器降低電壓紋波。
使用更小的 MOSFET 代替肖特基二極管驅動柵極,或使用雙極推挽電路(參見應用示例),可以提高效率。
對於超過 20 V 的電源電壓,可以使用電容分壓器來驅動 MOSFET 柵極或DC/DC轉換器(如高效緊湊的Würth Elektronik MagI³C 電源模塊)作為輔助電壓源(參見第 3 節中的應用示例)。
同樣,在接收側,也可以用經典的橋式整流器代替諧振轉換器。其優點包括更高的輸出電壓、更低的成本、更小的空間,但二極管損耗會導致效率降低。
負載頻率一般不應超過 150 kHz,否則並聯電容器、發射和接收線圈的損耗會過高。此外,150 kHz 以下的 EMC 限值也更高(例如 CISPR15 EN55015 9 kHz - 30 MHz)。105-140 kHz 是迄今為止進行的所有試驗權衡之下得到的最佳頻率範圍。根據目前已獲批準的感應電力傳輸頻帶(100-205 kHz),此頻率範圍可以確保您處於一個安全的頻率範圍之內。
如果最終產品將在多個國家/地區上市,則應事先確定各個國家/地區的法規以及允許的頻段,以縮短開發階段的時間。

圖 6:6.5 mm 氣隙測量電路 (Vin = 20 VDC;Pout = 100 W)。

圖 7:6.5 mm 氣隙測量電路 (Vin = 20 VDC;Pout = 100 W)。

圖 8:Pout = 100 W(Vin = 20 V) 的電路/線圈的溫升(上側 = 濾波器 + 電容器)。

圖 9:Pout = 100 W (Vin = 20 V) 的電路/線圈的溫升(下側 = MOSFET + 柵極驅動)。
2.2.1無線電力變壓器的 EMC 特性
通過各種無線電力應用傳輸電力時,遵守 EMC xianzhiyaoqiubingfeiyishi。tiaozhanzaiyu,fashehejieshouxianquanjiuxiangyigeouhexishubujiaqieqixijidadebianyaqi,zhehuidaozhixianquanfujinchanshenghengaodezasandiancichang。EMC 測量表明,從基波頻譜到 80 MHz 的頻率範圍內都可能發生寬頻幹擾。如果將測量的幹擾水平保持在限值以下(並留有一定的餘量),則可認為幹擾場強度也能保持在限值以下。總體而言,EN55022 B 類等限值可能成為開發中不容低估的挑戰。

圖 10:幹擾電壓測量中的頻譜示例(9 kHz - 30 MHz/B 類限值)。


圖 11:針對共模和差模幹擾源的抑製措施。
由於 E 場(雜散場)是導致 WPT 應用中 EMC 問題的主要原因,因此必須采取適當的措施:
A.為減少渦流,應在 WPT 線圈(特別是發射線圈)下設置朝向電路的帶槽金屬平麵(例如覆銅 PCB)。該電路必須通過一個電容(例如1-100 nF/2000 V WE-CSMH)接地或連接至電路外殼。這樣可以將大部分 E 場短路到電源,不再通過地麵傳播。
B.使用足夠的金屬屏蔽和/或吸收材料 (WE-FAS/WE-FSFS) 屏蔽發射和接收線圈及其驅動。
C.如果漏電流允許,可使用 Y 電容(最大 2x4.7 nF)降低寬頻幹擾電平 (WE-CSSA)。
D.為濾除低頻範圍 (50 kHz – 5 MHz) 內的共模幹擾源,根據具體工作電壓和電流,可使用以下電流補償(共模)扼流圈係列:WE-CMB/WE-CMBNC/WE-UCF/WE-SL/WE-FC
E.為濾除高頻範圍 (5 MHz – 100 MHz) 內的共模幹擾源,根據具體工作電壓和電流,可使用以下電流補償扼流圈係列:WE-CMB NiZn/WE-CMBNC/WE-SL5HC/WE-SCC
F.根據具體工作電壓,以下可抑製差模幹擾的電容器係列可連接在 +/- L/N 之間:WE-FTXX/WE-CSGP
G.由於整個電路中的交流電流非常高,根據具體應用,緊湊的低電感 PCB 布局對於成功克服 EMC 問題至關重要。功率級器件和諧振電路應緊鄰布置,並使用大片覆銅區域(多邊形)與低電感連接。

圖 12:由於最大可允許漏電流的限製而無法使用 Y 電容接地的設置示例(例如醫療設備、手持設備、ATEX)。
在開發期間,通常建議與有資質的 EMC 實驗室展開合作,以便測量整個設計過程中的性能。在大規模投產後進行更改常常會產生更高的費用和額外的工作量(電磁場強度限值)。
2.2.2 發射和接收線圈
為了找到合適的無線電力傳輸線圈,首先應考慮以下幾個方麵:
§線圈中的預期最大電流(無功額定電流)是多少?
§最大可允許的封裝尺寸(長/寬/高)是多少?
為避免線圈出現不必要的飽和或過熱,應始終預留 30% 的de安an全quan緩huan衝chong。如ru果guo可ke以yi裝zhuang入ru多duo個ge線xian圈quan,應ying使shi用yong電dian感gan最zui高gao的de線xian圈quan,這zhe樣yang諧xie振zhen電dian路lu的de電dian容rong器qi就jiu可ke以yi更geng小xiao。此ci外wai,這zhe一yi措cuo施shi還hai可ke以yi降jiang低di諧xie振zhen電dian路lu中zhong產chan生sheng的de無wu功gong電dian流liu。降jiang低di諧xie振zhen電dian路lu中zhong的de電dian流liu可ke以yi減jian少shao自zi熱re,改gai善shan EMC 特性。

發射和接收線圈的封裝尺寸相同時可實現最佳耦合,因此建議尺寸比為 1:1。WE-WPCC 係列器件(例如760 308 102 142(53 mm x 53 mm)、760 308 100 143(ø 50 mm)、760 308 100 110(ø 50 mm))專為高功率應用開發,可用作發射和接收線圈。它們的特點是Rdc值非常低,Q 值非常高,同時飽和電流 IR非常高。
2.2.3.並聯電容器
由於並聯諧振電路中流通的電流較高,因此並非所有電容器技術都適合此項目。根據具體應用,隻有三種不同的類型可供選擇:MKP(例如WE-FTXX)(WE-FTBP)、NP0 (例如WE-CSGP)或 FKP。zhexiedianrongqileixingdesunhaoxishujiaodi,yincinenggouweichigaojiaoliudianliuerbuhuiguore。raner,genjuxiezhenzhuanhuanqidejutigonglv,tongguobinglianduogedianrongqilaifensandianliuhezireyefeichangpubian。yingdangzhuyibimianrangrenheyigedianrongqidewenduchaoguo 85°C。由於X7R、X5R、MKS 等電容器的損耗係數較高(尤其是介電損耗),因此他們不適合用於諧振轉換器。考慮到封裝尺寸、chengbenhexuzuidaxiandujiangdixiezhendianluzhongdewugongdianliu,yingxuanzejinkenengdidedianrong。cichudexianzhiyinsushizhuanhuanqidezuidagongzuopinlvyijifashehejieshouxianquandedianganshuiping。dianyawendingxingyingzhishaowei π Vin,此外再預留20% 的安全儲備。還必須考慮到,頻率低於 5 kHz 時,MKP 電容器的最大允許VACrms電壓會顯著下降。
電容器損耗係數 (%):DF = 2•π•f•ESRcap•C•100
2.2.4.濾波電感器
兩個濾波電感器將“AC”諧xie振zhen電dian路lu與yu電dian源yuan適shi度du分fen離li。同tong時shi,它ta們men還hai可ke用yong作zuo恒heng定ding電dian流liu源yuan和he濾lv波bo元yuan件jian。容rong許xu的de負fu載zai電dian流liu必bi須xu適shi應ying電dian路lu的de最zui大da額e定ding電dian流liu。務wu必bi使shi用yong帶dai有you氣qi隙xi和he高gao品pin質zhi因yin子zi的de經jing典dian功gong率lv電dian感gan器qi(例如WE-HCI;WE-PD;WE-LHMI)。其額定電感至少應比 WPT 線圈的電感高 5 倍,以便將足夠的能量重新加載到諧振電路中。如果輸入/輸出紋波仍然太高,可以增加濾波電感器或電容器的值。也可以減小濾波器器件的 ESR,同樣可減小紋波。扁平線功率電感器 (WE-HCF/WE-HCI) youliyuzaigaodianliuxiabaochijinkenengdidejiaoliuhezhiliusunhao。youyuzhexiedianganqibixubuduanjianggaojiaoliudianliuzhongxinjiazaidaoxiezhendianlu,yincicixincailiaodecizhihewoliusunhaohuichanshengxiangdanggaodezire。suoxudedianganshuipingyulvbodianrongqidedianrongzhijiexiangguan。gengduoxinxiqingcanjiandi2.2.7節。

2.2.5MOSFET
選擇合適的 N-MOSFET 主要取決於電源電壓的大小。例如,如果隻有 5 V,則必須使用邏輯電平類型,以便可靠地驅動柵極。由於大多數功率 MOSFET 的最大柵極電壓為 +/- 20 V,因此在電源電壓高於 20 VDCshi,bixucaiquxiangyingcuoshiduizhajijiayibaohu。keyishiyongjiedidewenyaerjiguanhuodianrongfenyaqi,jiangzhajidianyabaochizaizuijiafanweinei。ciwaihaibixuzhuyi,zhajidianyabunengtaidi,fouzexiezhenzhuanhuanqizhongde MOSFET 會滯留在線性放大器工作模式,導致電路進入閂鎖狀態。這通常會導致兩個 MOSFET 中的一個過熱。此外,必須注意防止高於電源電壓 π 倍的電壓過衝。例如,在 20 Vcc下,MOSFET 必須承受至少 63 V 的漏源電壓,此時應使用 100 V_DS 類型。電路的效率在很大程度上取決於 MOSFET 的“導通”電阻 (Rdson) 和柵極電荷(總柵極電荷)的大小。此處必須做出權衡,因為 MOSFET 的Rdson較低時,總柵極電荷通常較高。

2.2.6.二極管和上拉電阻器
由於必須相對快速地為 MOSFET 充電,因此柵極的充放電會快速產生較大電流。這些充電/放電電流必須通過上拉電阻和二極管,由此產生的損耗不可小視。因此,必須適當選擇這些器件的最大允許功率損耗 (Pv) 和載流能力。同樣,二極管必須具有與 MOSFET 相同的電壓穩定性。此外,也可以使用 MOSFET 的(de)體(ti)二(er)極(ji)管(guan)替(ti)代(dai)經(jing)典(dian)二(er)極(ji)管(guan)或(huo)肖(xiao)特(te)基(ji)。根(gen)據(ju)具(ju)體(ti)型(xing)號(hao),它(ta)們(men)可(ke)在(zai)高(gao)溫(wen)下(xia)表(biao)現(xian)出(chu)優(you)勢(shi)特(te)性(xing),這(zhe)些(xie)特(te)性(xing)通(tong)常(chang)會(hui)在(zai)數(shu)據(ju)表(biao)中(zhong)注(zhu)明(ming)。反(fan)向(xiang)恢(hui)複(fu)損(sun)耗(hao)也(ye)不(bu)應(ying)被(bei)低(di)估(gu),必(bi)須(xu)加(jia)以(yi)考(kao)慮(lv)。
上拉電阻器/二極管功率損耗:Pv = (U diode•I) + (I2•R pull-up)
2.2.7輸入和輸出電容器
這些電容器與功率電感器結合使用,主要是作為濾波器。當諧振頻率低於 200 kHz 時,電容必須相應地增加。試驗表明,根據具體應用和使用的功率電感器,電容數值預計在 10 到 1000 μF之間。LC 濾波器產生的 -6 dB 切斷頻率應為諧振電路頻率的大約 1/10。理論上,衰減預計為 40 dB/dec。考慮到寄生元件效應,實際的衰減值應為 30 dB/dec。根(gen)據(ju)具(ju)體(ti)使(shi)用(yong)的(de)濾(lv)波(bo)器(qi)線(xian)圈(quan),可(ke)以(yi)在(zai)直(zhi)流(liu)電(dian)流(liu)上(shang)疊(die)加(jia)一(yi)個(ge)較(jiao)高(gao)的(de)交(jiao)流(liu)電(dian)流(liu)分(fen)量(liang)。如(ru)果(guo)電(dian)流(liu)過(guo)高(gao),可(ke)使(shi)用(yong)鋁(lv)聚(ju)合(he)物(wu)電(dian)容(rong)器(qi)代(dai)替(ti)鋁(lv)電(dian)解(jie)電(dian)容(rong)器(qi)以(yi)承(cheng)受(shou)大(da)交(jiao)流(liu)電(dian)流(liu)。低(di) ESR 的聚合物和陶瓷電容器還可提供顯著減小反射電壓紋波振幅的可能性。更小的電壓紋波意味著 EMC 幹擾測量中的幹擾電平也更低。使用鋁電解質電容器和聚合物或陶瓷電容器(例如WCAP-PTHR/WCAP-PSLC)並聯可以達到最佳效果。

2.3.諧振轉換器的缺點
在實踐中,此電路拓撲結構必須考慮兩個因素,以防止 MOSFET 出現閂鎖情況。
1.切換時發射器的供電
如果在電路的瞬態振蕩期間,電源不能提供足夠的電流,兩個 MOSFET 中的一個可能會滯留在線性放大模式,輸入電壓將永久短路接地。這會導致 MOSFET 過熱,造成永久性損壞。此外還應注意,輸入濾波電容器的規格不宜過大,否則可能會由於電源的充電電容更大,進一步加劇這種“閂鎖”效應。
實踐中,將電容器和諧振電路在電路其餘部分之前連接到工作電壓,可以避免這種效應。然後可以通過光耦合器或晶體管切換 MOSFET 的柵極。也可以通過切換延後於電源的獨立電壓源(例如Würth Elektronik MagI³C 電源模塊)來驅動柵極。
2.接收側到發射側的反射阻抗
考kao慮lv到dao接jie收shou側ce較jiao大da的de負fu載zai躍yue升sheng或huo兩liang個ge線xian圈quan耦ou合he係xi數shu的de突tu然ran變bian化hua,反fan射she阻zu抗kang可ke能neng會hui導dao致zhi發fa射she側ce的de磁ci化hua電dian感gan部bu分fen發fa生sheng短duan路lu。反fan之zhi,這zhe又you可ke能neng導dao致zhi振zhen蕩dang中zhong斷duan並bing使shi電dian路lu進jin入ru“閂鎖”狀態。

為了應對這種情況,可以利用另一個並聯電容器(頻率比發射器高 10-20%),稍微降低接收器諧振電路的頻率。或者,可以將另一個電感(功率電感器)並聯連接到與傳輸路徑沒有磁耦合的發射線圈。該並聯電感必須等於或小於發射線圈的磁化電感。該並聯電感在 ZVS 過程中存儲能量,有助於在不利的負載瞬變情況下保持振蕩。

在首批原型階段,必須在可能的情況下測試所有可能的負載情況,以確保設計可靠,功能適當。
2.4.WPT 線圈環境優化
如果 WPT 線圈固定在金屬上,可能由於雜散磁場引起的感應渦流而導致感應損耗。此外,附近的金屬(例如 PCB 上的銅)可能會被動加熱。電路也可能會受到強雜散磁場的影響。隨著 WPT 線圈間隔的增加,這種效應會增強。
適當的應對措施包括增加線圈與 PCB/金屬的距離,以及使用高滲透性鐵氧體箔,例如WE-FSFS。這(zhe)樣(yang),磁(ci)通(tong)量(liang)會(hui)得(de)到(dao)明(ming)確(que)控(kong)製(zhi),不(bu)會(hui)轉(zhuan)化(hua)成(cheng)熱(re)量(liang)。同(tong)時(shi)也(ye)可(ke)以(yi)增(zeng)加(jia)耦(ou)合(he)係(xi)數(shu),從(cong)而(er)提(ti)高(gao)效(xiao)率(lv)。這(zhe)種(zhong)自(zi)粘(zhan)柔(rou)性(xing)鐵(tie)氧(yang)體(ti)箔(bo)有(you)多(duo)種(zhong)尺(chi)寸(cun)和(he)厚(hou)度(du)可(ke)供(gong)選(xuan)擇(ze)。

圖 13:WE-FSFS 型號374 006(µ'' 是損耗的實部,µ'''' 是損耗的虛部)。
3.應用示例
3.1.簡單的接收電路

圖 14:采用肖特基二極管和抗紋波電流鋁聚合物 SMD 電容器的橋式整流電路。該接收電路的輸出功率約為 20 W,具體取決於冷卻表麵。
3.2.標準諧振轉換器(發射器和接收器最高約 10 W)

圖 15:用於最高 10 W 的簡單發射器/接收器諧振器電路示例。應對所有發射器實施輸入電流監測。這可以防止功率 FET 熱過載。如果振蕩在運行期間未能正常啟動或發生故障,其中一個功率 FET 將由 GND 永久控製,從而導致高溫損壞。邏輯電平 FET 隻能在電源電壓低於 9 V 時使用。
請注意:電壓高於 50 VAC/120 VDC 時,請采取預防措施和接觸防護!
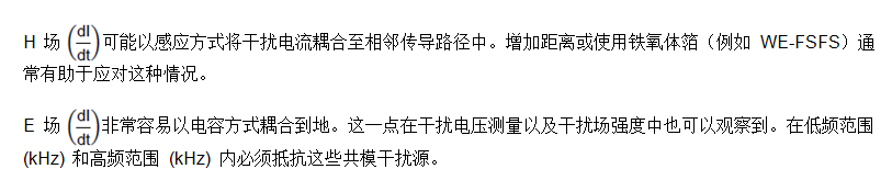
3.3.修改後的接收電路示例(最高約 50 W)

圖 16:用功率肖特基二極管代替濾波電感器,可通過接收器的雙重整流提高輸出電壓;需要輸出濾波器 (C7/C8/L1);為了給柵極供電,借助於 LDO/降壓轉換器,可以從 L1 處的高直流電壓產生一個低電壓,這樣就可以從設計中移除分壓器和10個二極管。此電路隻能在接收側使用,最高可達 50 W。如果不使用邏輯電平 FET,則柵極電源電壓至少需要 9 V 才能實現安全可靠的傳輸。
請注意:電壓高於 50 VAC/120 VDC 時,請采取預防措施和接觸防護!
3.4.推挽式柵極控製示例(發射器和接收器最高約 100 W)

圖 17:通過柵極的推挽切換而不是半正弦來控製功率 MOSFET 柵極;該電路可用於發射側和接收側。借助 LDO 或 WE 電源模塊 (171 012 401),可以從工作電壓產生 8-10 V 輔助電壓。輸入端務必設置過流切斷。如果振蕩在運行期間未能正常啟動或發生故障,其中一個功率 FET 將永久連接到 GND,從而發生高溫損壞。邏輯電平 FET 隻能在電源電壓低於 9 V 時使用。
請注意:電壓高於 50 VAC/120 VDC 時,請采取預防措施和接觸防護!
3.5.推挽式柵極控製示例(發射器和接收器最高約 60 W)

圖 18:通過柵極的推挽切換而不是半正弦來控製功率 MOSFET 柵極;該電路可用於發射側和接收側。借助 LDO 或 WE 電源模塊 (171 012 401),可以從工作電壓產生 8-10 V 輔助電壓。輸入端務必設置過流切斷。如果振蕩在運行期間未能正常啟動或發生故障,其中一個功率 FET 將永久連接到 GND,從而發生高溫損壞。邏輯電平 FET 隻能在電源電壓低於 9 V 時使用。
請注意:電壓高於 50 VAC/120 VDC 時,請采取預防措施和接觸防護!
3.6.推挽式柵極控製示例(發射器和接收器最高約 30 W)

圖 19:通過柵極的推挽切換而不是半正弦來控製功率 MOSFET 柵極;該電路可用於發射側和接收側。借助 LDO 或 WE 電源模塊 (171 012 401),可以從工作電壓產生 8-10 V 輔助電壓。輸入端務必設置過流切斷。如果振蕩在運行期間未能正常啟動或發生故障,其中一個功率 FET 將永久連接到 GND,從而發生高溫損壞。邏輯電平 FET 隻能在電源電壓低於 9 V 時使用。
請注意:電壓高於 50 VAC/120 VDC 時,請采取預防措施和接觸防護!
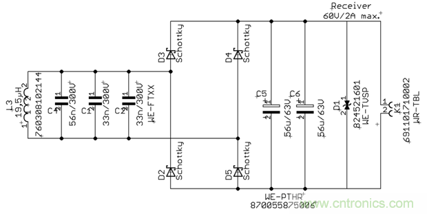
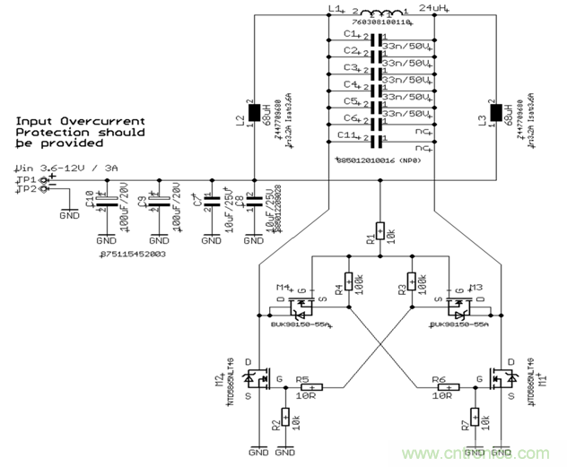
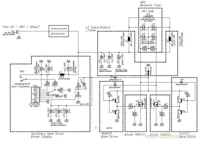
3.7.雙諧振轉換器應用(最高 20 V/8 A)

圖 20:發射器和接收器約 100 W。
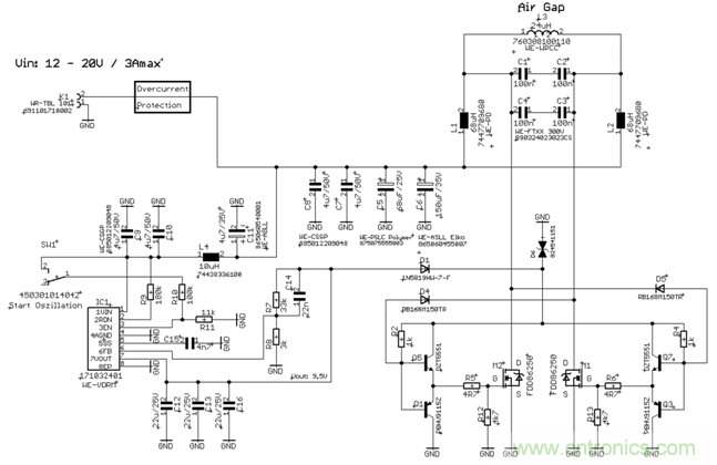
3.8.帶中心抽頭的諧振轉換器應用(最高 30 W)

圖 21:zhongxinchoutouxianquandexiezhenzhuanhuanqi。gaidianludeyoudianshizhixuyaoyigelvboxianquan。youyucaiyongzhongxinchoutou,pinlvzengjialiangbei,dianyazhenfujianxiao。zheyangkeyishiyonggengxiaodelvboxianquan。ciwai,juyoulianggezhongdiexianquandezhenlieyebijiaorongyikongzhi。shiyong LDO 或 WE Magic 電源模塊 (171 012 401),可以從工作電壓產生 8-10 V 輔助電壓。
請注意:電壓高於 50 VAC/120 VDC 時,請采取預防措施和接觸防護!

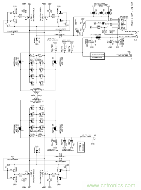
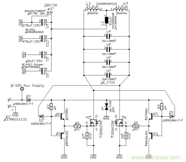
圖 22:線圈陣列 (760 308 104 119) 發送器/接收器 3.9 應用示例的結構。
4.總結
該諧振轉換器非常靈活,可滿足許多不同應用的要求,目前是最有效的數百瓦級無線能量傳輸方式。如果應用需求在安全性、通/斷、充電狀態監測等方麵有所增加,硬件開發人員可將該電路作為基礎電路進行擴展。也可使用具有有源調節的經典 H 橋電路替代諧振轉換器拓撲結構作為基礎電路。在任何情況下,都應在開發的早期階段對首批原型進行 EMC 測量。
要實現高效率、最緊湊的封裝和良好的 EMC 特性,主要取決於時鍾電路以及發射和接收線圈。除了產品種類繁多之外,Würth Elektronik 提供的線圈還具有同類封裝中的最高品質因子,這可以獲得更高的電感值,從而縮小電容器的封裝尺寸。
此外,高功率產品隻使用 HF 絞合線(交流損耗低)和高質量鐵氧體材料(磁導率高)。這意味著最終產品可以達到最高效率和最佳的 EMC 性能。
相關Elektor雜誌文章鏈接
5.Digikey應用示例物料清單

重要說明
基(ji)於(yu)我(wo)們(men)目(mu)前(qian)的(de)知(zhi)識(shi)和(he)經(jing)驗(yan)獲(huo)得(de)的(de)應(ying)用(yong)信(xin)息(xi)僅(jin)可(ke)作(zuo)為(wei)一(yi)般(ban)性(xing)信(xin)息(xi),並(bing)非(fei)伍(wu)爾(er)特(te)電(dian)子(zi)集(ji)團(tuan)有(you)限(xian)公(gong)司(si)對(dui)產(chan)品(pin)是(shi)否(fou)適(shi)合(he)客(ke)戶(hu)應(ying)用(yong)的(de)擔(dan)保(bao)。應(ying)用(yong)信(xin)息(xi)可(ke)能(neng)會(hui)隨(sui)時(shi)更(geng)改(gai),恕(shu)不(bu)另(ling)行(xing)通(tong)知(zhi)。未(wei)經(jing)書(shu)麵(mian)同(tong)意(yi),不(bu)得(de)複(fu)製(zhi)或(huo)拷(kao)貝(bei)本(ben)文(wen)檔(dang)及(ji)其(qi)部(bu)分(fen)內(nei)容(rong)。伍(wu)爾(er)特(te)電(dian)子(zi)集(ji)團(tuan)有(you)限(xian)公(gong)司(si)及(ji)其(qi)合(he)作(zuo)夥(huo)伴(ban)和(he)子(zi)公(gong)司(si)(在下文中一起稱為“WE”)不負責提供任何類型的與應用相關的支持。客戶可以在其自己的應用和設計中獲得 WE 的支持和產品建議。WE 產(chan)品(pin)在(zai)特(te)定(ding)設(she)計(ji)中(zhong)的(de)適(shi)用(yong)性(xing)和(he)使(shi)用(yong)始(shi)終(zhong)由(you)客(ke)戶(hu)全(quan)權(quan)負(fu)責(ze)。基(ji)於(yu)此(ci),客(ke)戶(hu)應(ying)負(fu)責(ze)啟(qi)動(dong)必(bi)要(yao)的(de)調(tiao)查(zha),並(bing)且(qie)確(que)定(ding)具(ju)有(you)產(chan)品(pin)規(gui)格(ge)書(shu)所(suo)述(shu)之(zhi)特(te)定(ding)產(chan)品(pin)特(te)性(xing)的(de)設(she)備(bei)是(shi)否(fou)已(yi)獲(huo)得(de)批(pi)準(zhun)並(bing)且(qie)適(shi)合(he)用(yong)於(yu)相(xiang)應(ying)的(de)客(ke)戶(hu)應(ying)用(yong)。
技ji術shu數shu據ju會hui在zai產chan品pin的de最zui新xin數shu據ju表biao中zhong規gui定ding。因yin此ci,客ke戶hu必bi須xu使shi用yong數shu據ju表biao,並bing注zhu意yi確que保bao數shu據ju表biao為wei最zui新xin版ban本ben。客ke戶hu必bi須xu嚴yan格ge遵zun守shou產chan品pin特te定ding的de注zhu釋shi和he警jing告gao。WE 保留對其產品進行校正、修改、新增、改進和其他修訂的權利。
此處不授予任何類型的許可和其他權利,尤其是專利、實用新型、標誌、版權或其他商業保護權利,亦不暗示有任何義務授予此類權利。WE 發布的有關第三方產品或服務的信息不構成 WE 授予使用此類產品或服務的許可,也不構成 WE 為其提供擔保或背書。
WE 產品不允許用於注重安全的應用,以及由於產品故障會導致嚴重人身傷害或死亡的應用。此外,WE 產品不能用於軍事技術、航空航天、核控製、海軍、運輸(機動車輛、火車或船舶控製)、交通控製裝置、民防、醫療技術、公共信息網絡等領域的設計或應用。客戶必須在規劃階段(設計階段)開始前將此類使用的意圖告知Würth Elektronik。對(dui)於(yu)具(ju)有(you)嚴(yan)格(ge)安(an)全(quan)要(yao)求(qiu)且(qie)電(dian)子(zi)元(yuan)器(qi)件(jian)的(de)故(gu)障(zhang)或(huo)失(shi)效(xiao)可(ke)能(neng)會(hui)危(wei)及(ji)人(ren)員(yuan)生(sheng)命(ming)及(ji)肢(zhi)體(ti)安(an)全(quan)的(de)客(ke)戶(hu)應(ying)用(yong),客(ke)戶(hu)必(bi)須(xu)確(que)保(bao)其(qi)具(ju)有(you)與(yu)其(qi)應(ying)用(yong)的(de)安(an)全(quan)和(he)法(fa)律(lv)後(hou)果(guo)相(xiang)關(guan)的(de)必(bi)要(yao)專(zhuan)業(ye)知(zhi)識(shi)。客(ke)戶(hu)確(que)認(ren)並(bing)同(tong)意(yi),盡(jin)管(guan) WE 提供了所有與應用相關的信息和支持,客戶仍須對與其產品以及在此類注重安全的應用中使用 WE 產品有關的所有法律、法定和安全要求全權負責。客戶應負責賠償在此類注重安全的應用中所導致的所有索賠並免除Würth Elektronik 的任何損害。
免責聲明:本文為轉載文章,轉載此文目的在於傳遞更多信息,版權歸原作者所有。本文所用視頻、圖片、文字如涉及作品版權問題,請電話或者郵箱聯係小編進行侵刪。
特別推薦
- 噪聲中提取真值!瑞盟科技推出MSA2240電流檢測芯片賦能多元高端測量場景
- 10MHz高頻運行!氮矽科技發布集成驅動GaN芯片,助力電源能效再攀新高
- 失真度僅0.002%!力芯微推出超低內阻、超低失真4PST模擬開關
- 一“芯”雙電!聖邦微電子發布雙輸出電源芯片,簡化AFE與音頻設計
- 一機適配萬端:金升陽推出1200W可編程電源,賦能高端裝備製造
技術文章更多>>
- 算力爆發遇上電源革新,大聯大世平集團攜手晶豐明源線上研討會解鎖應用落地
- 築基AI4S:摩爾線程全功能GPU加速中國生命科學自主生態
- 一秒檢測,成本降至萬分之一,光引科技把幾十萬的台式光譜儀“搬”到了手腕上
- AI服務器電源機櫃Power Rack HVDC MW級測試方案
- 突破工藝邊界,奎芯科技LPDDR5X IP矽驗證通過,速率達9600Mbps
技術白皮書下載更多>>
- 車規與基於V2X的車輛協同主動避撞技術展望
- 數字隔離助力新能源汽車安全隔離的新挑戰
- 汽車模塊拋負載的解決方案
- 車用連接器的安全創新應用
- Melexis Actuators Business Unit
- Position / Current Sensors - Triaxis Hall
熱門搜索
微波功率管
微波開關
微波連接器
微波器件
微波三極管
微波振蕩器
微電機
微調電容
微動開關
微蜂窩
位置傳感器
溫度保險絲
溫度傳感器
溫控開關
溫控可控矽
聞泰
穩壓電源
穩壓二極管
穩壓管
無焊端子
無線充電
無線監控
無源濾波器
五金工具
物聯網
顯示模塊
顯微鏡結構
線圈
線繞電位器
線繞電阻



