經典MOSFET柵極驅動電路
發布時間:2021-07-28 責任編輯:lina
【導讀】首先查看電源IC手冊,了解最大峰值驅動電流,因為不同的IC芯片具有不同的驅動能力。其次,檢查MOSFET的寄生電容,如圖中的C1、C2和C3,如果容值較大,導通MOS管所需的能量也比較大。如果電源IC沒有足夠的峰值驅動電流,晶體管將以較慢的速度開啟。
今天分享四種常見的MOS管柵極驅動電路,都用過嗎?
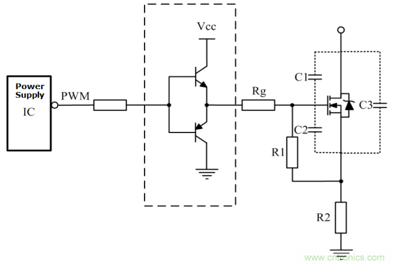
1、IC直接驅動型
這種電源IC的直接驅動是最常見、最簡單的驅動方式。

圖1 IC直接驅動MOS柵極使用這種方法,我們應該注意幾個參數及其影響。首先查看電源IC手冊,了解最大峰值驅動電流,因為不同的IC芯片具有不同的驅動能力。其次,檢查MOSFET的寄生電容,如圖中的C1、C2和C3,如果容值較大,導通MOS管所需的能量也比較大。如果電源IC沒有足夠的峰值驅動電流,晶體管將以較慢的速度開啟。如果驅動能力不足,上升沿可能會出現高頻振蕩,即使減小圖1中的Rg也無法解決問題!而IC驅動能力、MOSFET寄生電容、MOSFET開關速度等因素,也會影響驅動電阻的選擇,所以Rg不能無限減小。
2、圖騰柱電路增強驅動
gaiqudongdianludezuoyongshizengjiadianliugongyingnengli,kuaisuwanchengzhajidianrongshurudechongdianguocheng。zhezhongtuopuzengjialekaitongsuoxudeshijian,danjianshaoleguanduanshijian,kaiguanguannenggoukuaisukaitong,bimianshangshengyandegaopinzhendang。

圖2 圖騰柱電路增強驅動
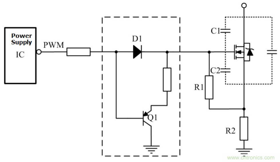
3、驅動電路加速MOS管的關斷
在關斷的瞬間,驅動電路可以提供盡可能低阻抗的通路,使MOSFET的柵極和源極之間的電容快速放電,保證開關管可以快速關斷。為了保證柵源極間電容C2的快速放電,在Rg1上並聯了一個Rg2和一個二極管D1。其中D1通常采用快恢複二極管,縮短了關斷時間並降低了關斷損耗;Rg2的作用是防止電源IC在關斷時因電流過大而燒壞。

圖3 加速MOS管關斷電路圖騰柱電路也可以加速關斷,當電源IC的驅動能力足夠時,圖2中的電路可以改進為下圖這種形式。

圖4 改善型加速MOS管關斷電路用三極管釋放GS電容的電是很常見的,如果Q1的發射極沒有電阻,PNP晶體管導通時柵極與源極之間的電容會短路,可以在最短的時間內實現放電,最大限度地減小關斷時的交叉損耗。圖4,因為三極管的存在,柵極和源極之間電容電流不會直接通過電源IC放電,提高了電路可靠性。
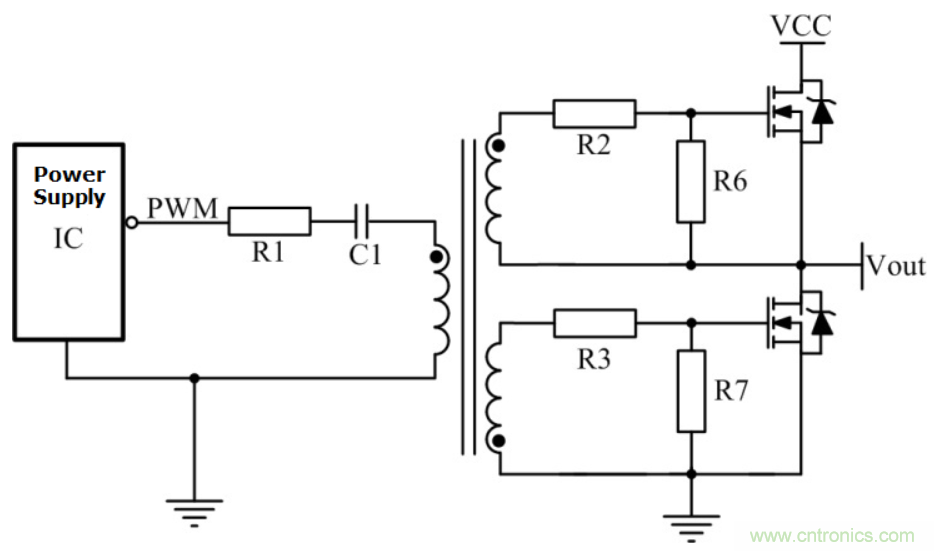
4、變壓器驅動電路加速MOS管的關斷
為了滿足驅動高邊MOS管的要求,如圖5所示,通常使用變壓器驅動器,有時也用於安全隔離。使用R1的目的是抑製PCB板上的寄生電感與C1形成LC振蕩,其設計目的是隔離直流,通過交流,同時防止磁芯飽和。

圖5 高邊MOSFET驅動電路
(來源:星球號,作者:liuxiaofei126 )
免責聲明:本文為轉載文章,轉載此文目的在於傳遞更多信息,版權歸原作者所有。本文所用視頻、圖片、文字如涉及作品版權問題,請電話或者郵箱聯係小編進行侵刪。
特別推薦
- 噪聲中提取真值!瑞盟科技推出MSA2240電流檢測芯片賦能多元高端測量場景
- 10MHz高頻運行!氮矽科技發布集成驅動GaN芯片,助力電源能效再攀新高
- 失真度僅0.002%!力芯微推出超低內阻、超低失真4PST模擬開關
- 一“芯”雙電!聖邦微電子發布雙輸出電源芯片,簡化AFE與音頻設計
- 一機適配萬端:金升陽推出1200W可編程電源,賦能高端裝備製造
技術文章更多>>
- 貿澤EIT係列新一期,探索AI如何重塑日常科技與用戶體驗
- 算力爆發遇上電源革新,大聯大世平集團攜手晶豐明源線上研討會解鎖應用落地
- 創新不止,創芯不已:第六屆ICDIA創芯展8月南京盛大啟幕!
- AI時代,為什麼存儲基礎設施的可靠性決定數據中心的經濟效益
- 矽典微ONELAB開發係列:為毫米波算法開發者打造的全棧工具鏈
技術白皮書下載更多>>
- 車規與基於V2X的車輛協同主動避撞技術展望
- 數字隔離助力新能源汽車安全隔離的新挑戰
- 汽車模塊拋負載的解決方案
- 車用連接器的安全創新應用
- Melexis Actuators Business Unit
- Position / Current Sensors - Triaxis Hall
熱門搜索
微波功率管
微波開關
微波連接器
微波器件
微波三極管
微波振蕩器
微電機
微調電容
微動開關
微蜂窩
位置傳感器
溫度保險絲
溫度傳感器
溫控開關
溫控可控矽
聞泰
穩壓電源
穩壓二極管
穩壓管
無焊端子
無線充電
無線監控
無源濾波器
五金工具
物聯網
顯示模塊
顯微鏡結構
線圈
線繞電位器
線繞電阻



