H橋電路的有刷直流電機驅動:高邊電壓線性控製
發布時間:2021-03-11 責任編輯:lina
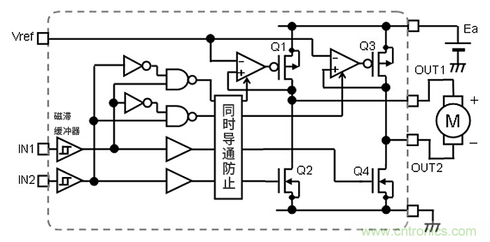
【導讀】從本文開始,我們會介紹幾種使用H橋電路來驅動有刷直流電機的方法。在該有刷直流電機驅動的驅動器電路示例中,可以通過線性控製高邊Pch MOSFET來更改OUT引腳的H電壓,從而控製施加到電機的電壓。OUT引腳的H電壓由施加到Vref引腳的直流電壓控製,理論上的電壓與施加到Vref的電壓相同。這就可以控製電機的轉速/轉矩。
從本文開始,我們會介紹幾種使用H橋電路來驅動有刷直流電機的方法。
H橋電路的有刷直流電機驅動:
高邊電壓線性控製
在該有刷直流電機驅動的驅動器電路示例中,可以通過線性控製高邊Pch MOSFET來更改OUT引腳的H電壓,從而控製施加到電機的電壓。OUT引腳的H電壓由施加到Vref引腳的直流電壓控製,理論上的電壓與施加到Vref的電壓相同。這就可以控製電機的轉速/轉矩。

在該示例中,當高邊MOSFET(Q1,Q3)通過H橋切換控製邏輯導通時,運算放大器會給高邊MOSFET的柵極偏壓,使MOSFET導通,並且MOSFET的(de)漏(lou)極(ji)電(dian)壓(ya)被(bei)反(fan)饋(kui)至(zhi)運(yun)算(suan)放(fang)大(da)器(qi)的(de)同(tong)相(xiang)輸(shu)入(ru)。根(gen)據(ju)運(yun)算(suan)放(fang)大(da)器(qi)反(fan)饋(kui)電(dian)路(lu)的(de)原(yuan)理(li),該(gai)電(dian)路(lu)執(zhi)行(xing)反(fan)饋(kui)控(kong)製(zhi),以(yi)使(shi)反(fan)相(xiang)輸(shu)入(ru)和(he)同(tong)相(xiang)輸(shu)入(ru)具(ju)有(you)相(xiang)同(tong)的(de)電(dian)壓(ya)。在(zai)該(gai)示(shi)例(li)中(zhong),施(shi)加(jia)到(dao)Vref引腳的電壓=運算放大器的反相引腳電壓等於運算放大器同相引腳=MOSFET的漏極電壓=OUT引腳的H電壓。由於該反饋電路的增益為+1,因此Vref和OUT的電壓比也為1:1。
可能對於反饋到該同相引腳的電路感覺有點不協調,但是由於Pch MOSFET為活動狀態的L,因此會反饋運算放大器輸出的反向電壓。這與使用PNP晶體管作為升壓器的反饋電路的思路相同。
有刷直流電機驅動的H橋控製電路的工作與“輸出狀態的切換”中所述的工作相同。
關鍵要點:
・有刷直流電機驅動時,可以線性控製H橋電路高邊電壓的電路結構。
・有刷直流電機驅動時,通過控製OUT引腳的H電壓,可以線性控製電機轉速/轉矩。
免責聲明:本文為轉載文章,轉載此文目的在於傳遞更多信息,版權歸原作者所有。本文所用視頻、圖片、文字如涉及作品版權問題,請電話或者郵箱聯係小編進行侵刪。
特別推薦
- 噪聲中提取真值!瑞盟科技推出MSA2240電流檢測芯片賦能多元高端測量場景
- 10MHz高頻運行!氮矽科技發布集成驅動GaN芯片,助力電源能效再攀新高
- 失真度僅0.002%!力芯微推出超低內阻、超低失真4PST模擬開關
- 一“芯”雙電!聖邦微電子發布雙輸出電源芯片,簡化AFE與音頻設計
- 一機適配萬端:金升陽推出1200W可編程電源,賦能高端裝備製造
技術文章更多>>
- 築基AI4S:摩爾線程全功能GPU加速中國生命科學自主生態
- 一秒檢測,成本降至萬分之一,光引科技把幾十萬的台式光譜儀“搬”到了手腕上
- AI服務器電源機櫃Power Rack HVDC MW級測試方案
- 突破工藝邊界,奎芯科技LPDDR5X IP矽驗證通過,速率達9600Mbps
- 通過直接、準確、自動測量超低範圍的氯殘留來推動反滲透膜保護
技術白皮書下載更多>>
- 車規與基於V2X的車輛協同主動避撞技術展望
- 數字隔離助力新能源汽車安全隔離的新挑戰
- 汽車模塊拋負載的解決方案
- 車用連接器的安全創新應用
- Melexis Actuators Business Unit
- Position / Current Sensors - Triaxis Hall
熱門搜索
微波功率管
微波開關
微波連接器
微波器件
微波三極管
微波振蕩器
微電機
微調電容
微動開關
微蜂窩
位置傳感器
溫度保險絲
溫度傳感器
溫控開關
溫控可控矽
聞泰
穩壓電源
穩壓二極管
穩壓管
無焊端子
無線充電
無線監控
無源濾波器
五金工具
物聯網
顯示模塊
顯微鏡結構
線圈
線繞電位器
線繞電阻


