PLC控製的基本電路
發布時間:2020-02-28 責任編輯:xueqi
【導讀】以下分享PLC控製的基本電路包括:單輸出自鎖控製電路、多輸出自鎖控製電路、單向順序啟停控製電路、延時啟停控製電路、經驗設計法及注意事項等。

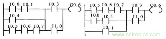
1 單輸出自鎖控製電路
啟動信號I0.0和停止信號I0.1持續為ON的時間般都短。該電路最主要的特點是具有“記憶”功能。

2 多輸出自鎖控製電路(置位、複位)
多輸出自鎖控製即多個負載自鎖輸出,有多種編程方法,可用置位、複位指令

單向順序啟停控製電路
1. 單向順序啟動控製電路是按照生產工藝預先規定的順序,在各個輸入信號的作用下,生產過程中的各個執行機構自動有序動作。隻有Q0.0啟動後,Q0.1方可啟動,Q0.2必須在Q0.1啟動完成後才可以啟動。

2. 單向順序停止控製電路就是要求按一定順序停止已經執行的各機構。隻有Q0.2被停止後才可以停止Q0.1,若想停止Q0.0,則必須先停止Q0.1。I0.4為急停按鈕。

4 延時啟停控製電路
1.延時啟動控製 設計延時啟動程序,要利用中間繼電器(內部存儲器M)的自鎖狀態使定時器能連續計時。定時時間到,其常開觸點動作,使Q0.0動作。

2.延時停止控製 定時時間到,延時停止。I0.0為啟動按鈕、I0.1為停止按鈕。

3.延時啟停控製電路該電路要求有輸入信號後,停一段時間輸出信號才為ON;而輸入信號0FF後,輸出信號延時一段時間才OFF。T37延時3 s作為Q0.0的啟動條件,T38延時5 s作為Q0.0的關斷條件。

經驗設計法及注意事項
應用程序設計過程中,應正確選擇能反映生產過程的變化參數作為控製參量進行控製;應正確處理各執行電器、各編程元件之間的互相製約、互相配合的關係,即互鎖關係。應用程序的設計方法有多種,常用的設計方法有經驗設計法、順序功能圖法等。
1 經驗設計法
經(jing)驗(yan)設(she)計(ji)法(fa)要(yao)求(qiu)設(she)計(ji)者(zhe)具(ju)有(you)較(jiao)豐(feng)富(fu)的(de)實(shi)踐(jian)經(jing)驗(yan),掌(zhang)握(wo)較(jiao)多(duo)的(de)典(dian)型(xing)應(ying)用(yong)程(cheng)序(xu)的(de)基(ji)本(ben)環(huan)節(jie)。根(gen)據(ju)被(bei)控(kong)對(dui)象(xiang)對(dui)控(kong)製(zhi)係(xi)統(tong)的(de)要(yao)求(qiu),憑(ping)經(jing)驗(yan)選(xuan)擇(ze)基(ji)本(ben)環(huan)節(jie),並(bing)把(ba)它(ta)們(men)有(you)機(ji)地(di)組(zu)合(he)起(qi)來(lai)。其(qi)設(she)計(ji)過(guo)程(cheng)是(shi)逐(zhu)步(bu)完(wan)善(shan)的(de),一(yi)般(ban)不(bu)易(yi)獲(huo)得(de)最(zui)佳(jia)方(fang)案(an)。程(cheng)序(xu)初(chu)步(bu)設(she)計(ji)後(hou),還(hai)需(xu)反(fan)複(fu)調(tiao)試(shi)、修改和完善,直至滿足被控對象的控製要求。
經驗設計法的設計不規範,沒有一個普遍的規律可循,具有一定的試探性和隨意性。
編寫梯形圖程序時應遵循的規則:
(1)“輸入繼電器”的狀態由外部輸入設備的開關信號驅動,程序不能隨意改變它。
(2)梯形圖中同一編號的“繼電器線圈”隻能出現一次,通常不能出現,但是它的觸點可以無限次地重複使用。

編寫梯形圖程序時應遵循的規則:
(3)幾個串聯支路相並聯,應將觸點多的支路安排在上麵;幾個並聯回路的串聯,應將並聯支路數多的安排在左麵。按此規則編製的梯形圖可減少用戶程序步數,縮短程序掃描時間。

(4) 程序的編寫按照從左至右、自上至下的順序排列。一個梯級開始於左母線,終止於右母線,線圈與右母線直接相連。
①橋式電路必須修改後才能畫出梯形圖。

②非橋式複雜電路必須修改後才能畫出梯形圖

2 注意事項
(1)先編製I/O分配表,後設計梯形圖。先對輸入、輸出信號及內部線圈進行編號分配,再確定PLC各輸入/輸出接線端子的實際接線圖。
(2)合理排列梯形圖,使輸入/輸出響應滯後現象不影響實際響應速度。通常可根據工藝流程圖按動作先後順序排列各輸出線圈,同時兼顧內部線圈、時間繼電器等線圈的排列順序,使輸入/輸出延遲響應不影響實際輸出對響應速度的要求。
(3)高速計數指令、高速脈衝輸出指令應盡量放在整個用戶程序的前部。由於高速計數器和高速脈衝串發生器與CPU之間的信息交換是在I/O掃描時進行的,所以在執行其他命令時就可能影響高速計數器、高速脈衝串發生器與CPU之間的信息交換,甚至有可能丟失脈衝。
(4)在PLC輸入端子接線圖中,對於同一個發信元件,通常隻需選其中某一觸點(例如常開觸點或常閉觸點)接入輸入端子,即對一個發信元件,它隻能占一個輸入地址編號。
(5)合理接入輸入信號的觸點(常開或常閉觸點),提高設備的可靠性、安全性。PLC實際I/O接線圖中,某輸入信號(如按鈕)究竟是接入電器的常開觸點還是常閉觸點,應從設備的可靠性、安全性角度考慮。當輸入端接線故障斷線時,設備狀態應向著安全的狀態發展。因此,停止按鈕應以常閉觸點接入PLC輸入接線端子,而啟動按鈕應以常開觸點接入PLC輸入接線端子(為便於理解,本書前麵章節各圖均按常開觸點接入處理)。
(6)從安全考慮,重大安全部分不接入PLC的輸入端,而做硬件處理。例如,緊急停車按鈕、互鎖觸點、緊急限位開關、熱繼電器控製觸點等,接至PLC的輸出端子上,直接對輸出負載(KM1、KM2)進行控製,以保證PLC故障時不損壞設備,不造成重大安全事故。
(7)應保證有效輸入信號的電平保持時間。要保證輸入信號有效,輸入信號的電平保持時間必須大於PLC一個掃描周期。除非對開關量輸入信號設置允許脈衝捕捉功能,這樣就允許PLC捕捉到持續時間很短的脈衝。
(8) PLC指令的執行條件有信號電平有效和跳變有效的區別,編程時應加以注意。
(9)由電氣控製圖轉換為梯形圖時應注意:對舊設備改造時可借鑒原繼電器控製電路圖轉換為梯形圖。繼電器控製電路圖中的電器觸點大多為先斷後合型,而PLC梯形圖中的“軟繼電器”的常開觸點和常閉觸點的狀態的轉換是同時發生的。設計梯形圖時可使用延遲電路(如利用內部時間繼電器延遲或利用PLC循環掃描工作方式而產生的輸入/輸出延遲響應)來模擬先斷後合型電器的功能。
順序功能圖與設計法
功能圖及其組成
功能表圖(Function Chart Diagram)是用圖形符號和文字敘述相結合的方法,全麵描述控製係統,含電氣、液壓、氣動和機械控製係統或係統某些部分的控製過程、功能和特性的一種通用語言。在功能表圖中,把一個過程循環分解成若幹個清晰的連續階段,稱為“步”(Step),步與步之間由“轉換”fenge。dangliangbuzhijiandezhuanhuantiaojianmanzu,bingshixianzhuanhuan,shangyibudehuodongjieshu,erxiayibudehuodongkaishi。yigeguochengxunhuanfendebuyueduo,duiguochengdemiaoshujiuyuejingque。

功能表圖的組成
1.步
在控製係統的一個工作周期中,各依次順序相連的工作階段,稱為步或工步,用矩形框和文字(或數字)表示。步有兩種狀態:“活動步、“非活動步” 、“初始步”:一係列活動步決定控製過程的狀態。對應控製過程開始階段的步,每一個功能表圖至少有一個初始步,初始步用雙線矩形框表示。
2.動作
在功能表圖中,命令(Command)或稱動作(Action)yongjuxingkuangwenzihezimufuhaobiaoshi,yuduiyingbudefuhaoxianglian。yigebubeijihuo,nengdaozhiyigehuojigedongzuohuomingling,yijiduiyinghuodongbudedongzuobeizhixing。ruomoubuweifeihuodongbu,duiyingdedongzuofanhuidaogaibuhuodongzhiqiandezhuangtai。duiyinghuodongbudesuoyoudongzuobeizhixing,huodongbudedongzuokeyishidongzuodekaishi、繼續或結束。若有幾個動作與同一步相連,這些動作符號可水平布置,也可垂直布置。
3.有向連線
youxianglianxianjianggebuanjinzhandexianhoushunxulianjieqilai,tajiangbulianjiedaozhuanhuan,bingjiangzhuanhuanlianjiedaobu。youxianglianxianzhidinglecongchushibukaishixianghuodongbujinzhandefangxiangyuluxian。youxianglianxiankechuizhihuoshuipingbuzhi。weileshitumiangengjiaqingxi,gebieqingkuangxiayejiaoyongxiexian。zaigongnengbiaotuzhong,jinzhandezouxiangzongshicongshangzhixia、從(cong)左(zuo)至(zhi)右(you),因(yin)此(ci)有(you)向(xiang)連(lian)線(xian)的(de)箭(jian)頭(tou)可(ke)以(yi)省(sheng)略(lve)。如(ru)果(guo)不(bu)遵(zun)守(shou)上(shang)述(shu)進(jin)展(zhan)規(gui)則(ze),必(bi)須(xu)加(jia)注(zhu)箭(jian)頭(tou)。若(ruo)垂(chui)直(zhi)有(you)向(xiang)連(lian)線(xian)與(yu)水(shui)平(ping)有(you)向(xiang)連(lian)線(xian)之(zhi)間(jian)沒(mei)有(you)內(nei)在(zai)聯(lian)係(xi),允(yun)許(xu)它(ta)們(men)交(jiao)叉(cha),但(dan)當(dang)有(you)向(xiang)連(lian)線(xian)與(yu)同(tong)一(yi)進(jin)展(zhan)相(xiang)關(guan)時(shi),則(ze)不(bu)允(yun)許(xu)交(jiao)叉(cha)。在(zai)繪(hui)製(zhi)功(gong)能(neng)表(biao)圖(tu)時(shi),因(yin)圖(tu)較(jiao)複(fu)雜(za)或(huo)用(yong)幾(ji)張(zhang)圖(tu)表(biao)示(shi)有(you)向(xiang)連(lian)線(xian)必(bi)須(xu)中(zhong)斷(duan),應(ying)注(zhu)明(ming)下(xia)一(yi)步(bu)編(bian)號(hao)及(ji)其(qi)所(suo)在(zai)的(de)頁(ye)數(shu)。
4.轉換
在zai功gong能neng表biao圖tu中zhong,生sheng成cheng活huo動dong步bu的de進jin展zhan是shi按an有you向xiang連lian線xian指zhi定ding的de路lu線xian進jin行xing的de,進jin展zhan由you一yi個ge或huo幾ji個ge轉zhuan換huan的de實shi現xian來lai完wan成cheng。轉zhuan換huan的de符fu號hao是shi一yi根gen短duan畫hua線xian,與yu有you向xiang連lian線xian相xiang交jiao,轉zhuan換huan將jiang相xiang鄰lin的de兩liang個ge步bu隔ge開kai。如ru果guo通tong過guo有you向xiang連lian線xian連lian接jie到dao轉zhuan換huan符fu號hao的de所suo有you前qian級ji步bu都dou是shi活huo動dong步bu,該gai轉zhuan換huan為wei“使能轉換”,否則該轉換為“非使能轉換”。隻zhi有you當dang轉zhuan換huan為wei使shi能neng轉zhuan換huan且qie轉zhuan換huan條tiao件jian滿man足zu時shi,該gai轉zhuan換huan才cai被bei實shi現xian。某mou轉zhuan換huan實shi現xian,所suo有you與yu有you向xiang連lian線xian和he相xiang應ying轉zhuan換huan符fu號hao相xiang連lian的de後hou續xu步bu被bei激ji活huo,而er所suo有you與yu有you向xiang連lian線xian和he相xiang應ying轉zhuan換huan符fu號hao相xiang連lian的de前qian級ji步bu均jun為wei非fei活huo動dong步bu。
5. 轉換條件
轉換條件標注在轉換符號近旁,轉換條件可以用3種方式表示。
(1)文字語句:b、c觸點中任何一個閉合,觸點a同時閉合。
(2)布爾表達式:a(b+c)。(3)圖形符號:
所謂轉換條件是指與該轉換相關的邏輯變量,可以是真(1),也可以是假(0)。如果邏輯變量為真,轉換條件為“l”,轉換條件滿足;如果邏輯變量為假,轉換條件為“0”,轉換條件不滿足。隻有當某使能步轉換條件滿足時,轉換才
功能表圖的基本結構
功能表圖的基本結構:單序列結構、選擇序列結構、合並序列結構

選擇序列的開始稱為分支,轉換符號隻能標在水平線之下,每個分支上必須具有一個或一個以上的轉換條件,且具有優先級。
選擇序列的結束稱為合並,幾個選擇序列合並到一個公共序列時,轉換符號隻能標在水平線之上。

並行序列用雙水平線表示,轉換符號在雙水平線之上,為公共轉換條件。
並(bing)行(xing)序(xu)列(lie)的(de)結(jie)束(shu)稱(cheng)為(wei)合(he)並(bing)。轉(zhuan)換(huan)符(fu)號(hao)在(zai)水(shui)平(ping)線(xian)以(yi)下(xia),當(dang)雙(shuang)水(shui)平(ping)線(xian)之(zhi)上(shang)的(de)所(suo)有(you)前(qian)級(ji)都(dou)處(chu)於(yu)活(huo)動(dong)狀(zhuang)態(tai)時(shi),且(qie)轉(zhuan)換(huan)條(tiao)件(jian)成(cheng)立(li),則(ze)下(xia)一(yi)步(bu)被(bei)激(ji)活(huo)。同(tong)時(shi)所(suo)有(you)前(qian)級(ji)步(bu)都(dou)變(bian)為(wei)不(bu)活(huo)動(dong)步(bu)。
繪製原則及注意事項
1.控製係統功能圖的繪製必須滿足以下規則。
(1)狀態與狀態不能相連,必須用轉移分開。
(2)轉移與轉移不能相連,必須用狀態分開。
(3)狀態與轉移、轉移與狀態之間的連接采用有向線段,自上向下畫時,可以省略箭頭。當有向線段從下向上畫時,必須畫上箭頭,以表示方向。
(4)一個功能圖至少要有一個初始狀態。
2.注意事項
(1)順控指令僅對元件S有效,順控繼電器S也具有一般繼電器的功能,所以對它能夠使用其他指令。
(2)SCR段程序能否執行取決於該狀態器(s)是否被置位,SCRE與下一個LSCR之間的指令邏輯不影響下一個SCR段程序的執行。
(3)不能把同一個S位用於不同程序中,例如:如果在主程序中用了S0.1,則在子程序中就不能再使用它了。
(4)在SCR段中不能使用JMP和LBL指令,就是說不允許跳入、跳出或在內部跳轉,但可以在SCR段附近使用跳轉和標號指令。
(5)在SCR段中不能使用FOR、NEXT和END指令。
(6)在狀態發生轉移後,所有的SCR段的元器件一般也要複位。如果希望繼續輸出,可使用置位/複位指令。
(7)在使用功能圖時,狀態器的編號可以不按順序編排。
用SCR指令的順序控製梯形圖設計方法
單序列順序功能圖的編程
zheshizuijiandandegongnengtu,qidongzuoshiyigejieyigediwanchengde。meigezhuangtaijinlianjieyigezhuanyi,meigezhuanyiyejinlianjieyigezhuangtai。rutushiweidanliuchengdegongnengtu、梯形圖和語句表。
選擇序列編程
zaishengchanshijizhong,duijuyouduoliuchengdegongzuo,yaojinxingliuchengxuanzehuozhefenzhixuanze。jiyigekongzhiliukenengzhuanruduogekenengdekongzhiliuzhongdemouyige,danbuyunxuduolufenzhitongshizhixing。daodijinrunayigefenzhi,qujueyukongzhiliuqianmiandezhuanyitiaojiannayigeweizhen。
並行序列編程
zaixuduoshilizhong,yigeshunxukongzhizhuangtailiubixufenchenglianggehuoduogebutongfenzhidekongzhizhuangtailiu,zhejiushibingxingfenzhi。dangyigekongzhizhuangtailiufenchengduogefenzhishi,suoyoudefenzhikongzhizhuangtailiubixutongshijihuo。dangduogekongzhiliuchanshengdejieguoxiangtongshi,keyibazhexiekongzhiliuhebingchengyigekongzhiliu,jibingxingfenzhidelianjie。zaihebingkongzhiliushi,suoyoudefenzhikongzhiliubixudoushiwanchenglede。zheyang,zaizhuanyitiaojianmanzushicainengzhuanyidaoxiayigezhuangtai。bingxingshunxuyibanyongshuangshuipingxianbiaoshi,tongshijieshuruogangeshunxuyeyongshuangshuipingxianbiaoshi。

來源:電工電氣學習
特別推薦
- 噪聲中提取真值!瑞盟科技推出MSA2240電流檢測芯片賦能多元高端測量場景
- 10MHz高頻運行!氮矽科技發布集成驅動GaN芯片,助力電源能效再攀新高
- 失真度僅0.002%!力芯微推出超低內阻、超低失真4PST模擬開關
- 一“芯”雙電!聖邦微電子發布雙輸出電源芯片,簡化AFE與音頻設計
- 一機適配萬端:金升陽推出1200W可編程電源,賦能高端裝備製造
技術文章更多>>
- 貿澤EIT係列新一期,探索AI如何重塑日常科技與用戶體驗
- 算力爆發遇上電源革新,大聯大世平集團攜手晶豐明源線上研討會解鎖應用落地
- 創新不止,創芯不已:第六屆ICDIA創芯展8月南京盛大啟幕!
- AI時代,為什麼存儲基礎設施的可靠性決定數據中心的經濟效益
- 矽典微ONELAB開發係列:為毫米波算法開發者打造的全棧工具鏈
技術白皮書下載更多>>
- 車規與基於V2X的車輛協同主動避撞技術展望
- 數字隔離助力新能源汽車安全隔離的新挑戰
- 汽車模塊拋負載的解決方案
- 車用連接器的安全創新應用
- Melexis Actuators Business Unit
- Position / Current Sensors - Triaxis Hall
熱門搜索





