SiC 在電動車功率轉換中的應用
發布時間:2020-02-24 責任編輯:lina
【導讀】電動車 (EV) 的發貨量正在迅速增長,預計 21 世紀 20 年(nian)代(dai)還(hai)將(jiang)加(jia)速(su)發(fa)展(zhan)。主(zhu)要(yao)汽(qi)車(che)製(zhi)造(zao)商(shang)都(dou)已(yi)經(jing)推(tui)出(chu)了(le)電(dian)動(dong)車(che)或(huo)已(yi)製(zhi)定(ding)了(le)推(tui)出(chu)計(ji)劃(hua),它(ta)們(men)還(hai)積(ji)極(ji)與(yu)夥(huo)伴(ban)合(he)作(zuo),研(yan)究(jiu)最(zui)佳(jia)的(de)動(dong)力(li)電(dian)子(zi)學(xue)方(fang)案(an),從(cong)而(er)盡(jin)量(liang)延(yan)長(chang)單(dan)次(ci)充(chong)電(dian)行(xing)駛(shi)裏(li)程(cheng)和(he)降(jiang)低(di)成(cheng)本(ben)。
電動車 (EV) 的發貨量正在迅速增長,預計 21 世紀 20 年(nian)代(dai)還(hai)將(jiang)加(jia)速(su)發(fa)展(zhan)。主(zhu)要(yao)汽(qi)車(che)製(zhi)造(zao)商(shang)都(dou)已(yi)經(jing)推(tui)出(chu)了(le)電(dian)動(dong)車(che)或(huo)已(yi)製(zhi)定(ding)了(le)推(tui)出(chu)計(ji)劃(hua),它(ta)們(men)還(hai)積(ji)極(ji)與(yu)夥(huo)伴(ban)合(he)作(zuo),研(yan)究(jiu)最(zui)佳(jia)的(de)動(dong)力(li)電(dian)子(zi)學(xue)方(fang)案(an),從(cong)而(er)盡(jin)量(liang)延(yan)長(chang)單(dan)次(ci)充(chong)電(dian)行(xing)駛(shi)裏(li)程(cheng)和(he)降(jiang)低(di)成(cheng)本(ben)。SiC 器件的主要應用如圖 1 所示,預測數據表明,到 2030 年,SiC 的發貨量有望達到 100 億(yi)美(mei)元(yuan)。電(dian)動(dong)車(che)最(zui)重(zhong)要(yao)的(de)動(dong)力(li)元(yuan)件(jian)是(shi)電(dian)動(dong)車(che)牽(qian)引(yin)逆(ni)變(bian)器(qi),我(wo)們(men)將(jiang)在(zai)之(zhi)後(hou)的(de)文(wen)章(zhang)中(zhong)討(tao)論(lun)。其(qi)他(ta)重(zhong)要(yao)轉(zhuan)換(huan)器(qi)有(you)車(che)載(zai)充(chong)電(dian)器(qi)和(he)直(zhi)流(liu)轉(zhuan)換(huan)器(qi)。它(ta)們(men)越(yue)來(lai)越(yue)多(duo)地(di)涉(she)及(ji)雙(shuang)向(xiang)功(gong)率(lv)流(liu),並(bing)因(yin)快(kuai)速(su)開關和出色的寄生二極管行為而大大獲益。SiC FET 產品現已符合 AEC-Q101 要求,可滿足這些需求。我們會討論主要拓撲結構,查看使用 SiC 器件的優勢,尤其是在電壓較高 (500-800V) 的電池係統中。

圖 1:UnitedSiC 優勢
車載充電器拓撲結構
車載充電器 (OBC) weiyuchenei,suoyitabixunenggoushiyonggonglvmiduhenengxiaodoujinkenenggaodezhuanhuanqituopujiegou,yibianjianxiaozishentijihezhongliang。xuanzenazhongtuopujiegouqujueyugonglvfanwei,keyishi 6.6KW、11KW,也可以是 22KW(電動客車)。在(zai)部(bu)分(fen)情(qing)況(kuang)下(xia),車(che)載(zai)充(chong)電(dian)器(qi)可(ke)以(yi)是(shi)雙(shuang)向(xiang)的(de),這(zhe)意(yi)味(wei)著(zhe)電(dian)路(lu)不(bu)僅(jin)允(yun)許(xu)電(dian)池(chi)從(cong)電(dian)網(wang)獲(huo)得(de)電(dian)流(liu),電(dian)動(dong)車(che)還(hai)可(ke)以(yi)充(chong)當(dang)分(fen)布(bu)式(shi)電(dian)源(yuan)向(xiang)電(dian)網(wang)饋(kui)電(dian)。在(zai)這(zhe)種(zhong)模(mo)式(shi)下(xia),電(dian)是(shi)反(fan)向(xiang)流(liu)動(dong)的(de),但(dan)是(shi)峰(feng)值(zhi)運(yun)行(xing)功(gong)率(lv)可(ke)能(neng)比(bi)電(dian)池(chi)充(chong)電(dian)額(e)定(ding)值(zhi)低(di)(一半)。
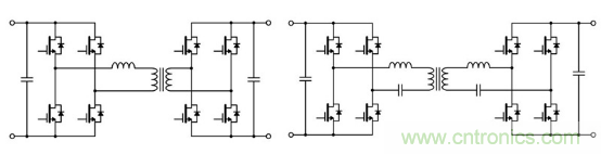
圖 2 顯xian示shi的de是shi專zhuan為wei單dan向xiang功gong率lv流liu設she計ji的de車che載zai充chong電dian器qi的de兩liang種zhong配pei置zhi。電dian路lu有you兩liang個ge主zhu要yao部bu分fen,前qian端duan整zheng流liu器qi級ji和he直zhi流liu轉zhuan換huan器qi級ji。整zheng流liu器qi級ji對dui交jiao流liu主zhu電dian源yuan電dian壓ya進jin行xing整zheng流liu,提ti供gong具ju有you統tong一yi功gong率lv因yin數shu的de直zhi流liu軌gui。之zhi後hou,直zhi流liu到dao直zhi流liu全quan橋qiao移yi相xiang級ji提ti供gong精jing確que控kong製zhi的de輸shu出chu,以yi便bian為wei電dian池chi組zu充chong電dian。在zai鋰li離li子zi電dian池chi充chong電dian過guo程cheng中zhong,電dian路lu首shou先xian在zai控kong製zhi電dian流liu模mo式shi下xia運yun行xing,然ran後hou在zai功gong率lv恒heng定ding模mo式shi下xia運yun行xing以yi實shi現xian快kuai速su充chong電dian,最zui後hou在zai電dian壓ya恒heng定ding模mo式shi下xia運yun行xing,直zhi至zhi電dian池chi充chong滿man。

圖 2:專為單向功率流設計的車載充電器中的兩種配置
為了盡可能提高整流器級的能效,無橋拓撲結構越來越受歡迎,因為它可以避免二極管整流器橋的導電損耗。圖 2 顯示的圖騰柱 (TPPFC) 電路,可以用於功率電平較低的情況。該電路含快速開關相腳,而其他電路則以線路頻率開關。快速開關腳可以在連續導電模式 (CCM) 和臨界導電模式 (CRM) 下運行。在連續導電模式下,開關打開存在困難,最佳選項是使用含有出色低 QRR 寄生二極管的寬帶隙開關。圖 3 比較了器件參數,包括將 UnitedSiC FET 的 QRR 與先進的超結器件進行比較。如果開關頻率超過 20kHz,則必須使用寬帶隙開關,而 UnitedSiC FET 提供的標準柵極驅動將使得插入 UnitedSiC FET 以及從超結器件升級為 UnitedSiC FET 變得十分簡單。

圖 3:器件參數比較,包括 UnitedSiC FET 的 QRR 與先進的超級器件的比較
如(ru)果(guo)使(shi)用(yong)臨(lin)界(jie)導(dao)電(dian)模(mo)式(shi),則(ze)峰(feng)值(zhi)電(dian)流(liu)會(hui)變(bian)得(de)更(geng)高(gao),為(wei)感(gan)應(ying)器(qi)帶(dai)來(lai)額(e)外(wai)的(de)約(yue)束(shu),並(bing)需(xu)要(yao)導(dao)通(tong)電(dian)阻(zu)更(geng)低(di)的(de)開(kai)關(guan)。在(zai)沒(mei)有(you)硬(ying)打(da)開(kai)的(de)情(qing)況(kuang)下(xia),可(ke)以(yi)使(shi)用(yong)矽(gui)基(ji)超(chao)結(jie) FET,至少在較低的總線電壓下可以。即使在這種情況下,使用 SiC FET 也行得通,因為現在有導通電阻非常低的選件,而與采用類似導通電阻的超結 FET 相比,SiC FET 的價格也越來越有競爭力。此外,利用 1200V SiC FET,該拓撲結構可以擴展到更高的直流軌電壓,從而使用最小的開關次數增加功率輸出。
對於 11-22KW 這樣較高的功率電平而言,3 相有源前端整流器是出色的選件。總線電壓通常為 600-800V,因而需要使用 1200V 器件。此外,圖 2 中的雙電平 3 相電路需要開關損耗低且 QRR 低的開關,從而使得 SiC FET 取代 IGBT 成為更好的選擇。圖 4 顯示的是 35mohm,1200V,TO247-4L (UF3C120040K4S) UnitedSiC FAST FET 的打開特征和關閉特征。鑒於器件的打開和關閉損耗非常低,這些器件並聯使用,以實現高能效的有源前端整流器。使用 4 腳開爾文封裝時,用戶可以更快地開關,而且損耗更低,柵極波形也更清晰。

圖 4:35mohm,1200V,TO247-4L (UF3C120040K4S) UnitedSiC FAST FET 的打開特征和關閉特征
前端整流器的替代方案是 Vienna 整流器,如圖 5 所示,它允許將 650V 矽基超結器件與 SiC 肖(xiao)特(te)基(ji)二(er)極(ji)管(guan)聯(lian)用(yong),以(yi)降(jiang)低(di)成(cheng)本(ben)。在(zai)這(zhe)個(ge)電(dian)路(lu)中(zhong),開(kai)關(guan)並(bing)不(bu)會(hui)進(jin)行(xing)硬(ying)開(kai)關(guan)。不(bu)過(guo)需(xu)要(yao)的(de)半(ban)導(dao)體(ti)數(shu)量(liang)更(geng)多(duo),且(qie)二(er)極(ji)管(guan)壓(ya)降(jiang)限(xian)製(zhi)了(le)能(neng)實(shi)現(xian)的(de)最(zui)佳(jia)能(neng)效(xiao)。

圖 5:Vienna 整流器,允許將 650V 矽基超結器件與 SiC 肖特基二極管聯用,以降低成本
直流轉換器
如圖 2 所示,電池充電器和提供 12V/24V 電能的主力直流轉換器都是移相全橋轉換器。在滿負荷下時,該電路采用以零壓開關 (ZVS) 方式打開的 FET,並采用緩衝電容器來盡量降低整個器件的關閉損耗。該電路可以在高頻 (100-300kHz) 下運行,且能效高。SiC FET 的導電損耗和關閉損耗低,且其柵極驅動要求簡單,是理想的選擇。對於可在 0 至 12V 下驅動或由輸出 -12/0/12V 電壓的簡單脈衝變壓器驅動的 UnitedSiC FET,情況也是如此。在輕負荷條件下,可能會發生硬開關,這會導致超結 FET 出現問題,也更容易發生二極管恢複感應故障,且 IGBT 電路容易產生更大的損耗。
圖 6 中顯示的 LLC 拓tuo撲pu結jie構gou是shi一yi個ge非fei常chang出chu色se的de選xuan擇ze,尤you其qi是shi在zai輸shu出chu電dian壓ya固gu定ding時shi。這zhe個ge拓tuo撲pu結jie構gou在zai輸shu出chu固gu定ding的de直zhi流liu轉zhuan換huan器qi級ji中zhong最zui為wei常chang見jian,而er移yi相xiang全quan橋qiao拓tuo撲pu結jie構gou則ze更geng適shi合he處chu理li可ke變bian輸shu出chu電dian壓ya。在zai總zong線xian電dian壓ya較jiao低di時shi,LLC 電路中會使用超結 FET 與快速二極管。而在電壓較高時,IGBT 功率損耗變得過高,因而更適合選擇 SiC FET。

圖 6:在總線電壓較低時,LLC 電路中使用超結 FET 與快速二極管。在電壓較高時,IGBT 功率損耗會變得過高,因而適合選擇 SiC FET
即使在總線電壓較低的情況下,UnitedSiC 650V SiC FET 也能實現非常低的柵極電荷,非常短的輸出電容充電時間和非常低的寄生二極管導電損耗,可以用於將 LLC 運行頻率從 100kHz 提高到 500kHz。TO247-4L 封裝中的導通電阻現在可以低至 7mohm,650V。對於低輪廓空間約束的應用,可以在行業標準 DFN8x8 封裝中使用 27mohm,650V 器件。
對於雙向直流轉換,圖 7 顯示的是雙有源橋 (DAB) 和 CLLC 電路,其中輸出側采用有源開關。對於電池充電,因為輸出電壓變化範圍廣,所以可以通過變換柵極 PWM 波形從固定的直流總線控製 DAB。如果采用 CLLC 拓撲結構,則為了維持直流轉直流級的運行近共振,必須通過改變有源整流器級(圖騰柱 PFC 或 3 相有源前端)的控製方案來改變總線電壓。在這兩種情況下,都必須在副邊側使用 SiC FET 以便在反模式下有效進行硬開關。這些 FET 可以是 650V 至 1200V FET(用於電池充電),也可以是 100-150V 等級內的較低壓矽 FET(可實現 12V/24V 輸出)。

圖 7:雙有源橋 (DAB) 和 CLLC 電路,其中輸出側采用有源開關
輕鬆過渡
寬帶隙 SiC FET 支持使用更完善的拓撲結構和更高的頻率來實現大功率密度和能效目標。係統層麵的電動車空間增加可以輕易抵消較高的開關成本。UnitedSiC FET 具備與所有類型柵極驅動電壓兼容這個重要優勢,所以可以插入基於矽的設計和 SiC MOSFET 設計中。在全世界設計師越來越多地采用 SiC 器件部署的過程中,這個優勢可以讓他們輕鬆完成過渡,有時隻需對現有的基於矽的設計進行升級即可。
近期發展
下一階段很可能要涉及集成驅動器和 FET 級,例如圖 8 中所示的帶驅動器的 SIP 半橋,它使用 35mohm,1200V 堆疊式共源共柵開關。開關波形表明,此類器件支持非常快、非常清晰的開關,可以用作本文中所述的所有電路選項的構建塊。

圖 8:集成驅動器和 FET 級,例如所示的帶驅動器的 SIP 半橋,它使用 35mohm,1200V 堆疊式共源共柵開關
SiC FET 技術迅速發展,正在開發中的 2020 版本開關的性能表征能提高 2 倍。再加上分立封裝改進與基於 SiC 的智能功率模塊的推出,這三項進步會隨著電動車部署的不斷增加進一步提高功率密度。
(來源:中電網)
特別推薦
- 噪聲中提取真值!瑞盟科技推出MSA2240電流檢測芯片賦能多元高端測量場景
- 10MHz高頻運行!氮矽科技發布集成驅動GaN芯片,助力電源能效再攀新高
- 失真度僅0.002%!力芯微推出超低內阻、超低失真4PST模擬開關
- 一“芯”雙電!聖邦微電子發布雙輸出電源芯片,簡化AFE與音頻設計
- 一機適配萬端:金升陽推出1200W可編程電源,賦能高端裝備製造
技術文章更多>>
- 貿澤EIT係列新一期,探索AI如何重塑日常科技與用戶體驗
- 算力爆發遇上電源革新,大聯大世平集團攜手晶豐明源線上研討會解鎖應用落地
- 創新不止,創芯不已:第六屆ICDIA創芯展8月南京盛大啟幕!
- AI時代,為什麼存儲基礎設施的可靠性決定數據中心的經濟效益
- 矽典微ONELAB開發係列:為毫米波算法開發者打造的全棧工具鏈
技術白皮書下載更多>>
- 車規與基於V2X的車輛協同主動避撞技術展望
- 數字隔離助力新能源汽車安全隔離的新挑戰
- 汽車模塊拋負載的解決方案
- 車用連接器的安全創新應用
- Melexis Actuators Business Unit
- Position / Current Sensors - Triaxis Hall
熱門搜索



