各種PLC輸出電路區別和注意事項
發布時間:2019-09-24 責任編輯:xueqi
【導讀】PLC的輸出電路形式一般分為:繼電器輸出,晶體管輸出和晶閘管輸出三種。弄清這三種輸出形式的區別,對於PLC的硬件設計工作非常有必要。下麵以三菱PLC為例,簡要介紹一下這三種輸出電路形式的區別和注意事項,其它公司的PLC輸出電路形式也大同小異。
1、晶體管輸出電路
晶體管輸出電路形式相比於繼電器輸出響應快(一般在0.2ms以下),適用於要求快速響應的場合;由於晶體管是無機械觸點,因此比繼電器輸出電路形式的壽命長。
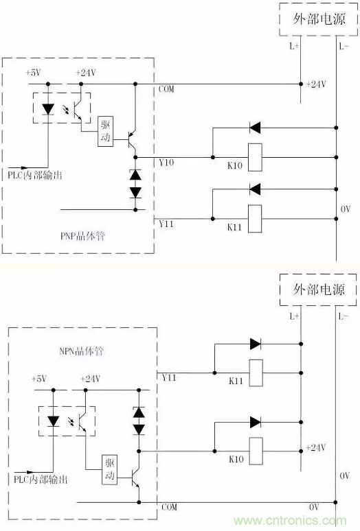
晶(jing)體(ti)管(guan)輸(shu)出(chu)型(xing)電(dian)路(lu)的(de)外(wai)接(jie)電(dian)源(yuan)隻(zhi)能(neng)是(shi)直(zhi)接(jie)電(dian)源(yuan),這(zhe)是(shi)其(qi)應(ying)用(yong)局(ju)限(xian)的(de)一(yi)方(fang)麵(mian)。另(ling)外(wai),晶(jing)體(ti)管(guan)輸(shu)出(chu)驅(qu)動(dong)能(neng)力(li)要(yao)小(xiao)於(yu)繼(ji)電(dian)器(qi)輸(shu)出(chu),允(yun)許(xu)負(fu)載(zai)電(dian)壓(ya)一(yi)般(ban)為(wei)DC5V~30V,允許負載電流為0.2A~0.5A。這兩點的使用晶體管輸出電路形式時要注意。
晶體管輸出電路的形式主要有兩種:NPN和PNP型集電極開路輸出。如下圖所示:

由以上兩圖可看出這兩種晶體管輸出電路形式的區別:NPN型集電極開路輸出形式的公共端COM隻能接外接電源的負極,而PNP型的COM端隻能接外接電源的正極。
和繼電器輸出形式電路一樣,在驅動感性負載時也要在負載兩端反向並聯二極管(二極管的陰極接電源的正極)防止過電壓,保護PLC的輸出電路。
2、繼電器輸出電路
這是PLC輸出電路常見的一種形式,其電路形式如下圖所示。該種輸出電路形式外接電源既可以是直流,也可以是交流。

圖1繼電器輸出
PLC繼電器輸出電路形式允許負載一般是AC250V/50V以下,負載電流可達2A,容量可達80~100VA(電壓×電流),因此,PLC的輸出一般不宜直接驅動大電流負載(一般通過一個小負載來驅動大負載,如PLC的輸出可以接一個電流比較小的中間繼電器,再由中間繼電器觸點驅動大負載,如接觸器線圈等)。
PLC繼電器輸出電路的形式繼電器觸點的使用壽命也有限製(一般數十萬次左右,根據負載而定,如連接感性負載時的壽命要小於阻性負載)。此外,繼電器輸出的響應時間也比較慢(10ms)左右,因此,在要求快速響應的場合不適合使用此種類型的電路輸出形式(可以根據場合使用下麵介紹的兩種輸出形式)。
當連接感性負載時,為了延長繼電器觸點的使用壽命,對於外接直流電源時的情況,通常應在負載兩端加過電壓抑製二極管(如上圖中並在外接繼電器線圈上的二極管);對於交流負載,應在負載兩端加RC抑製器。
3、雙向
晶閘管輸出電路雙向晶閘管輸出電路隻能驅動交流負載,響應速度也比繼電器輸出電路形式要快,壽命要長。其電路形式如下圖所示:

圖4 雙向晶閘管輸出
雙向晶閘管輸出的驅動能力要比繼電器輸出的要小,允許負載電壓一般為AC85~242V;單點輸出電流為0.2A~0.5A,當多點共用公共端時,每點的輸出電流應減小(如單點驅動能力為0.3A的雙向晶閘管輸出,在4點共用公共端時,最大允許輸出為0.8A/4點)。
注意
為了保護晶閘管,通常在PLC內部電路晶閘管的兩端並接RC阻容吸收元件(一般為0.015uF/22Ω左右)和壓敏電阻,因此在晶閘管關斷時,PLC的輸出仍然有1~2mA的開路漏電流,這就可能導致一些小型繼電器在PLC輸出OFF時無法關斷的情況。
特別推薦
- 噪聲中提取真值!瑞盟科技推出MSA2240電流檢測芯片賦能多元高端測量場景
- 10MHz高頻運行!氮矽科技發布集成驅動GaN芯片,助力電源能效再攀新高
- 失真度僅0.002%!力芯微推出超低內阻、超低失真4PST模擬開關
- 一“芯”雙電!聖邦微電子發布雙輸出電源芯片,簡化AFE與音頻設計
- 一機適配萬端:金升陽推出1200W可編程電源,賦能高端裝備製造
技術文章更多>>
- 貿澤EIT係列新一期,探索AI如何重塑日常科技與用戶體驗
- 算力爆發遇上電源革新,大聯大世平集團攜手晶豐明源線上研討會解鎖應用落地
- 創新不止,創芯不已:第六屆ICDIA創芯展8月南京盛大啟幕!
- AI時代,為什麼存儲基礎設施的可靠性決定數據中心的經濟效益
- 矽典微ONELAB開發係列:為毫米波算法開發者打造的全棧工具鏈
技術白皮書下載更多>>
- 車規與基於V2X的車輛協同主動避撞技術展望
- 數字隔離助力新能源汽車安全隔離的新挑戰
- 汽車模塊拋負載的解決方案
- 車用連接器的安全創新應用
- Melexis Actuators Business Unit
- Position / Current Sensors - Triaxis Hall
熱門搜索
Future
GFIVE
GPS
GPU
Harting
HDMI
HDMI連接器
HD監控
HID燈
I/O處理器
IC
IC插座
IDT
IGBT
in-cell
Intersil
IP監控
iWatt
Keithley
Kemet
Knowles
Lattice
LCD
LCD模組
LCR測試儀
lc振蕩器
Lecroy
LED
LED保護元件
LED背光


