34種常用電路原理圖彙總
發布時間:2019-08-05 責任編輯:xueqi
【導讀】以下分享各種常用電路原理圖,包括:可控矽調速電路, 電磁調速電機控製圖,三相四線電度表互感器接線,能耗製動,順序起動,逆序停止,鍋爐水位探測裝置等。
1. 可控矽調速電路

2. 電磁調速電機控製圖

3. 三相四線電度表互感器接線

4. 能耗製動

5. 順序起動,逆序停止

6. 鍋爐水位探測裝置

7. 電機正反轉控製電路

8. 電葫蘆吊機電路

9. 單相漏電開關電路

10. 單相電機接線圖

11. 帶點動的正反轉起動電路

12. 紅外防盜報警器

13. 雙電容單相電機接線圖

14. 自動循環往複控製線路

15. 定子電路串電阻降壓啟動控製線路

16. 按啟動鈕延時運行電路

17. 星形 - 三角形啟動控製線路

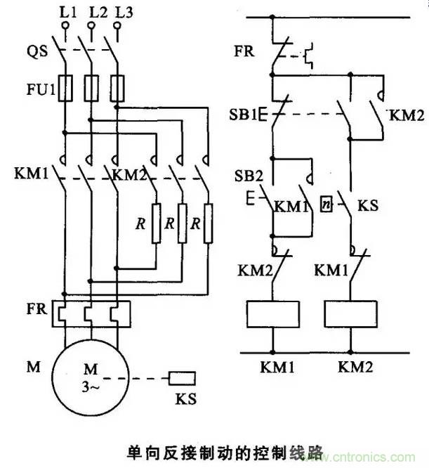
18. 單向反接製動的控製線路

19. 具有反接製動電阻的可逆運行反接製動的控製線路

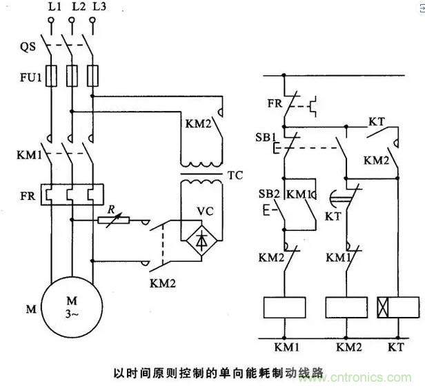
20. 以時間原則控製的單向能耗製動線路

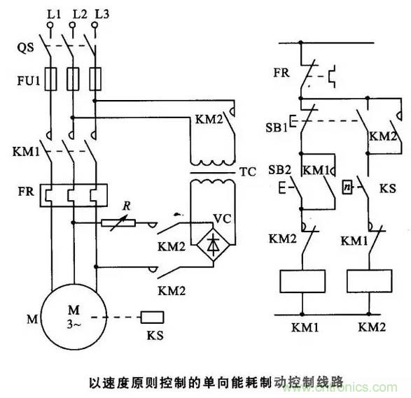
21. 以速度原則控製的單向能耗製動控製線路

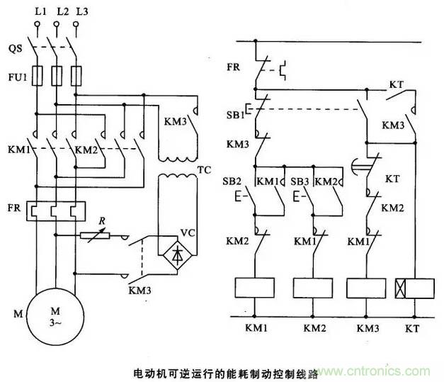
22. 電動機可逆運行的能耗製動控製線路

23. 雙速電動機改變極對數的原理

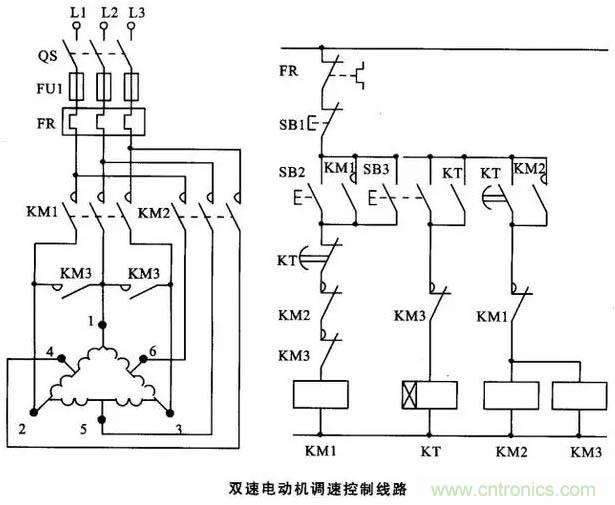
24. 雙速電動機調速控製線路

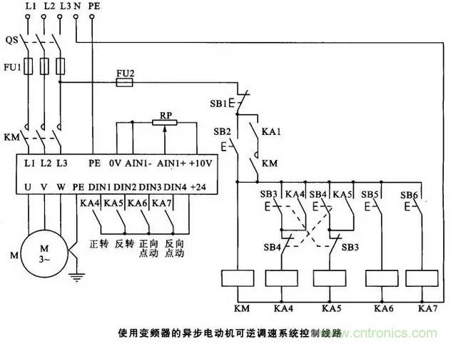
25. 使用變頻器的異步電動機可逆調速係統控製線路

26. 正確連接電器的觸點

27. 線圈的連接

28. 繼電器開關邏輯函數

29. 三相半波整流電路圖

30. 三相全波整流電路圖

31. 三相全波6脈衝整流原理圖

32. 六相12脈衝整流原理圖

33. 負載兩端的電壓

34. 直流調速原理功能圖

特別推薦
- 噪聲中提取真值!瑞盟科技推出MSA2240電流檢測芯片賦能多元高端測量場景
- 10MHz高頻運行!氮矽科技發布集成驅動GaN芯片,助力電源能效再攀新高
- 失真度僅0.002%!力芯微推出超低內阻、超低失真4PST模擬開關
- 一“芯”雙電!聖邦微電子發布雙輸出電源芯片,簡化AFE與音頻設計
- 一機適配萬端:金升陽推出1200W可編程電源,賦能高端裝備製造
技術文章更多>>
- 築基AI4S:摩爾線程全功能GPU加速中國生命科學自主生態
- 一秒檢測,成本降至萬分之一,光引科技把幾十萬的台式光譜儀“搬”到了手腕上
- AI服務器電源機櫃Power Rack HVDC MW級測試方案
- 突破工藝邊界,奎芯科技LPDDR5X IP矽驗證通過,速率達9600Mbps
- 通過直接、準確、自動測量超低範圍的氯殘留來推動反滲透膜保護
技術白皮書下載更多>>
- 車規與基於V2X的車輛協同主動避撞技術展望
- 數字隔離助力新能源汽車安全隔離的新挑戰
- 汽車模塊拋負載的解決方案
- 車用連接器的安全創新應用
- Melexis Actuators Business Unit
- Position / Current Sensors - Triaxis Hall
熱門搜索
微波功率管
微波開關
微波連接器
微波器件
微波三極管
微波振蕩器
微電機
微調電容
微動開關
微蜂窩
位置傳感器
溫度保險絲
溫度傳感器
溫控開關
溫控可控矽
聞泰
穩壓電源
穩壓二極管
穩壓管
無焊端子
無線充電
無線監控
無源濾波器
五金工具
物聯網
顯示模塊
顯微鏡結構
線圈
線繞電位器
線繞電阻




