半橋逆變電路的工原理及常見錯誤
發布時間:2019-07-26 責任編輯:lina
【導讀】半ban橋qiao逆ni變bian電dian路lu是shi電dian子zi鎮zhen流liu器qi和he電dian子zi節jie能neng燈deng中zhong最zui常chang用yong也ye是shi最zui基ji本ben的de電dian路lu,正zheng確que地di理li解jie它ta的de工gong作zuo原yuan理li,將jiang有you助zhu於yu我wo們men合he理li地di選xuan擇ze元yuan器qi件jian如ru磁ci環huan變bian壓ya器qi、扼流電感、啟動電容等元件的參數,正確地安排三極管的驅動電路,以降低它的功耗與熱量,提高整燈的可靠性。
半ban橋qiao逆ni變bian電dian路lu是shi電dian子zi鎮zhen流liu器qi和he電dian子zi節jie能neng燈deng中zhong最zui常chang用yong也ye是shi最zui基ji本ben的de電dian路lu,正zheng確que地di理li解jie它ta的de工gong作zuo原yuan理li,將jiang有you助zhu於yu我wo們men合he理li地di選xuan擇ze元yuan器qi件jian如ru磁ci環huan變bian壓ya器qi、扼流電感、啟動電容等元件的參數,正確地安排三極管的驅動電路,以降低它的功耗與熱量,提高整燈的可靠性。遺憾地是過去受觀測儀器(如示波器)和測試手段的局限,我們無法觀測到電路中關鍵點如三極管各個電極電流的正確波形(如文獻4的電流iB、ic的起始波形就是錯誤的),因而無法作出符合實際情況的定量分析和判斷,以至形成一些錯誤的概念。最近看到深愛公司葉文浩先生發表在中國照明電器(刊載於04年11、12期)的文章,受到不少啟發,到歐普照明公司後,利用比較先進的示波器TDS5000,對dui電dian路lu關guan鍵jian點dian的de電dian流liu和he電dian壓ya波bo形xing,進jin行xing了le仔zai細xi的de測ce試shi,感gan到dao認ren識shi上shang有you所suo提ti高gao,澄cheng清qing了le過guo去qu不bu少shao胡hu塗塗概gai念nian,特te撰zhuan寫xie本ben文wen,拋pao磚zhuan引yin玉yu,與yu葉ye先xian生sheng商shang榷que,並bing就jiu教jiao於yu國guo內nei方fang家jia。
半橋逆變電路的工原理,盡管這個電路是眾所周知的,但人們對它的理解卻並不十分正確,存在一些錯誤觀念。
半橋逆變電路工作原理如圖1

工作原理:
①tl時間:開關K1導通,K2截止,電流方向如圖中①,電源給主變T供電,並給電容C2充電。
②t2時間:開關K1、K2都截止,負截無電流通過(死區)。
③t3時間:開關K1截止,K2導通,電容C2向負載放電。
④t4時間:開關K1、K2均截止,又形成死區。如此反複在負載上就得到了如圖2的電流,實現了逆變的目的。
IGBT焊機的工作原理
①電源供給:
和場效應管作逆變開關的焊機一樣,焊機電源由市電供給,經整流、濾波後供給逆變器。
②逆變:
由於IGBT的工作電流大,可采用半橋逆變的形式,以IGBT作為開關,其開通與關閉由驅動信號控製。
③驅動信號的產生:
驅動信號仍然采用處理脈寬調製器輸出信號的形式。使得兩路驅動信號的相位錯開(有死區),以防止兩個開關管同時導通而產生過大電流損壞開關管。驅動信號的中點同樣下沉一定幅度,以防幹擾使開關管誤導通。
④保護電路:
IGBT焊機也設置了過流、過壓、過熱保護等,有些機型也有截流,以保證焊機及人身安全,其工作原理與場效應管焊機相似。
逆(ni)變(bian)與(yu)整(zheng)流(liu)是(shi)兩(liang)個(ge)相(xiang)反(fan)的(de)概(gai)念(nian),整(zheng)流(liu)是(shi)把(ba)交(jiao)流(liu)電(dian)變(bian)換(huan)為(wei)直(zhi)流(liu)電(dian)的(de)過(guo)程(cheng),而(er)逆(ni)變(bian)則(ze)使(shi)把(ba)直(zhi)流(liu)電(dian)改(gai)變(bian)為(wei)交(jiao)流(liu)電(dian)的(de)過(guo)程(cheng),采(cai)用(yong)逆(ni)變(bian)技(ji)術(shu)的(de)弧(hu)焊(han)電(dian)源(yuan)稱(cheng)為(wei)逆(ni)變(bian)焊(han)機(ji)。逆(ni)變(bian)過(guo)程(cheng)需(xu)要(yao)大(da)功(gong)率(lv)電(dian)子(zi)開(kai)關(guan)器(qi)件(jian),采(cai)用(yong)絕(jue)緣(yuan)柵(zha)雙(shuang)極(ji)晶(jing)體(ti)管(guan)IGBT作為開關器件的逆變焊機成為IGBT逆變焊機。
逆變焊機的工作過程如下:將三相或單相工頻交流電整流,經濾波後得到一個較平滑的直流電,由IGBT組成的逆變電路將該直流電變為幾十KHZ的交流電,經主變壓器降壓後,再經整流濾波獲得平穩的直流輸出焊接電流。
逆變電焊機優點:由you於yu逆ni變bian工gong作zuo頻pin率lv很hen高gao,所suo以yi主zhu變bian壓ya器qi的de鐵tie心xin截jie麵mian積ji和he線xian圈quan匝za數shu大da大da減jian少shao,因yin此ci,逆ni變bian焊han機ji可ke以yi在zai很hen大da程cheng度du上shang節jie省sheng金jin屬shu材cai料liao,減jian少shao外wai形xing尺chi寸cun及ji重zhong量liang,大da大da減jian少shao電dian能neng損sun耗hao,更geng重zhong要yao的de是shi,逆ni變bian焊han機ji能neng夠gou在zai微wei妙miao級ji的de時shi間jian內nei對dui輸shu出chu電dian流liu進jin行xing調tiao整zheng,所suo以yi就jiu能neng實shi現xian焊han接jie過guo程cheng所suo要yao求qiu的de理li想xiang控kong製zhi過guo程cheng,獲huo得de滿man意yi的de焊han接jie效xiao果guo。
半橋逆變電路的工作原理
1、半橋逆變電路的等效電路:

2、半橋逆變電路的工作原理:上圖中,A、B分別為兩個半橋中點,uAB是它們之間的電壓,R是等效電阻,L為扼流電感,LC構成串聯諧振電路,將uAB的方波輸入轉變為C兩端的近似正弦波,完成了逆變過程。
3、典型電子日光燈電路中的應用:

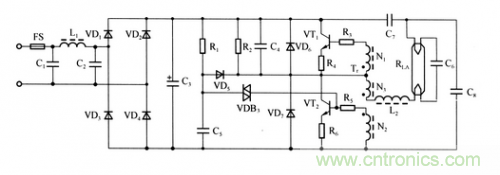
圖中L2、C6、RLA,就是半橋逆變電路,燈管等效電阻是由燈管電壓和燈管電流決定。
左側電路將直流電轉換成方波(為了順利起振和持續振蕩,電路比較複雜),由高頻變壓器提供半橋中點,由C7、C8組成無源半橋中點,實現了由直流到交流的逆變。
特別推薦
- 噪聲中提取真值!瑞盟科技推出MSA2240電流檢測芯片賦能多元高端測量場景
- 10MHz高頻運行!氮矽科技發布集成驅動GaN芯片,助力電源能效再攀新高
- 失真度僅0.002%!力芯微推出超低內阻、超低失真4PST模擬開關
- 一“芯”雙電!聖邦微電子發布雙輸出電源芯片,簡化AFE與音頻設計
- 一機適配萬端:金升陽推出1200W可編程電源,賦能高端裝備製造
技術文章更多>>
- 築基AI4S:摩爾線程全功能GPU加速中國生命科學自主生態
- 一秒檢測,成本降至萬分之一,光引科技把幾十萬的台式光譜儀“搬”到了手腕上
- AI服務器電源機櫃Power Rack HVDC MW級測試方案
- 突破工藝邊界,奎芯科技LPDDR5X IP矽驗證通過,速率達9600Mbps
- 通過直接、準確、自動測量超低範圍的氯殘留來推動反滲透膜保護
技術白皮書下載更多>>
- 車規與基於V2X的車輛協同主動避撞技術展望
- 數字隔離助力新能源汽車安全隔離的新挑戰
- 汽車模塊拋負載的解決方案
- 車用連接器的安全創新應用
- Melexis Actuators Business Unit
- Position / Current Sensors - Triaxis Hall
熱門搜索




