41種電工常用接線方法,電機、變壓器、接觸器等(上)
發布時間:2019-03-01 責任編輯:xueqi
【導讀】以下將介紹電機、變壓器、接觸器、晶閘管、自耦調壓器等各種常用接線方法,總共41種,你想找的,這裏都有,一起來看看吧。
01電動機接線
一般常用三相交流電動機接線架上都引出6個接線柱,當電動機銘牌上標為Y形接法時,D6、D4、D5相連接,D1~D3接電源;為△形接法時,D6與D1連接,D4與D2連接,D5與D3連接,然後D1~D3接電源。可參見圖1所示連接方法連接。

圖1:三相交流電動機Y形和△形接線方法
02三相吹風機接線
有部分三相吹風機有6個接線端子,接線方法如圖2所示。采用△形接法應接入220V三相交流電源,采用Y形接法應接入380V三相交流電源。一般3英寸、3.5英寸、4英寸、4.5英寸的型號按此法接。其他吹風機應按其銘牌上所標的接法連接。

圖2:三相吹風機六個引出端子接線方法
03單相電容運轉電動機接線
單相電動機接線方法很多,如果不按要求接線,就會有燒壞電動機的可能。因此在接線時,一定要看清銘牌上注明的接線方法。
圖247為IDD5032型單相電容運轉電動機接線方法。其功率為60W,電容選用耐壓500V、容量為4μF的產品。圖3(a)為正轉接線,圖3(b)為反轉接線。

圖3:IDD5032型單相電容運轉電動機接線方法
04單相電容運轉電動機接線

圖4:JX07A-4型單相電容運轉電動機接線方法
圖4是JX07A-4型單相電容運轉電動機接線方法。電動機功率為60W,用220V/50Hz交流電源、電流為0.5A。它的轉速為每分鍾1400轉。電容選用耐壓400~500V、容量8μF的產品。圖4(a)為正轉接線,圖4(b)為反轉接線。
05單相吹風機接線

圖5:單相吹風機四個引出端子接線方法
有的單相吹風機引出4個接線端子,接線方法如圖5所示。采用並聯接法應接入110V交流電源,采用串聯接法應接入220V交流電源。
06 Y100LY係列電動機接線
目前,Y係列電動機被廣泛應用。Y係列電動機具有體積小、外形美觀、節電等優點。它的接線方式有兩種:一種為△形,它的接線端子W2與U1相連,U2與V1相連,V2與W1相連,然後接電源;另一種為Y形,接線端子W2、U2、V2相連接,其餘3個接線端子U1、V1、W1接電源。接線見圖6。

圖6:Y100LY係列電動機接線方法
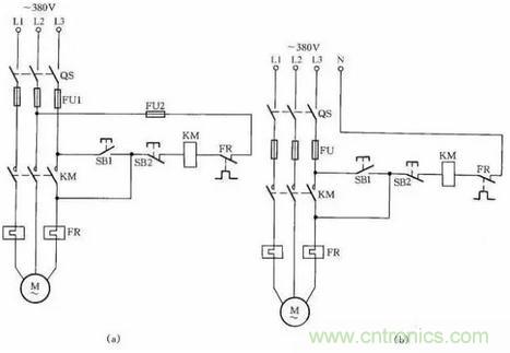
07低壓變壓器短路保護線路
目前,機床的工作燈、行燈都采用低壓變壓器提供36V安全電壓,由於燈具在使用中經常移動,極易發生短路故障,造成熔斷器熔斷甚至燒壞變壓器。如果使用36V小型中間繼電器或36V交流接觸器做變壓器的通斷開關,可避免燒壞變壓器。線路如圖7所示。

圖7:低壓變壓器短路保護線路
工作原理:閉合S後,按下按鈕SB1,變壓器得電輸出36V低電壓,使得繼電器或交流接觸器KA吸合。放鬆按鈕SB1後,KA自鎖觸點使KA保持吸合,繼續給變壓器接通電源。如果變壓器次級發生短路故障,繼電器線圈電壓為零,此時KA便失電釋放,將變壓器電源斷開,保護變壓器不被破壞。
08雙速電動機2Y/2Y接線方法
圖8所示是2Y/2Y電動機雙速定子線組的引出線接線方法。
按圖8(a)連接是一種轉速,按圖8(b)連接得到另一種轉速。

圖8:雙速電動機2Y/2Y接線方法
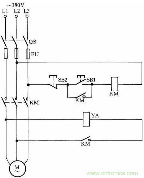
09直流電磁鐵快速退磁線路
直流電磁鐵停電後,因有剩磁存在,有時會造成不良後果。因此,必須設法消除剩磁。圖9中,YA是直流電磁鐵線圈,KM是控製YA啟停的接觸器。KM吸合時,YA通電勵磁;KM複位時,YA斷直流電,並進行快速退磁。
快速退磁的工作原理是:直流電磁鐵斷電後,交流電源通過橋式整流器和YA向電容C充電,隨著電容C兩端電壓的不斷升高,充電電流越來越小,而通過YA的電流又是交變的,從而使電磁鐵快速退磁。電容C的容量要根據電磁鐵的實際情況現場試驗決定。R為放電電阻。

圖9:直流電磁鐵快速退磁線路
10防止製動電磁鐵延時釋放線路
caiyongjiaoliudiancitiezhidongdesanxiangyibudiandongjiyoushihuiyinzhidongdiancitieyanshishifang,zaochengzhidongshiling。zaochengdiancitieyanshishifangdeyuanyinshijiechuqidezhuhuiludianyuansuibeiqieduan,dandiandongjiyouyushengcicunzai,dingziraozuchanshengganyingdiandongshijiazaijiaoliudiancitieshang,shidiancitiebuhuilijishifang。jiejuefangfahenjiandan,zhiyaozaijiaoliudiancitiexianquanshangchuanruyigejiaoliujiechuqichangkaichudian,shideduankaidiandongjidianyuandetongshiduankaidiancitieyudiandongjiraozuxianquan,jikeshidiancitielijishifang。xianlucanjiantu10。
線路中YA為製動電磁鐵,在通電後,製動解除;在斷電後,YA立即製動。

圖10:防止製動電磁鐵延時釋放線路
11他勵直流電動機失磁保護線路
他勵直流電動機勵磁電路如果斷開,會引起電動機超速,產生嚴重不良後果,因此需要進行失磁保護。
在勵磁電路內,串聯一個欠電流繼電器KI,其常開觸點接在控製電路中。當勵磁電流消失或減小到設定值時,KI釋放,KI常開觸點斷開,切斷電動機電樞電源,使電動機停轉,從而避免超速現象發生,見圖11。

圖11:他勵直流電動機失磁保護線路
12缺輔助觸點的交流接觸器應急接線
當交流接觸器的輔助觸點損壞無法修複而又急需使用時,采用圖12中所示的接線方法,可滿足應急使用要求。按下SB1,交流接觸器KM吸合。放鬆按鈕SB1後,KM的觸點兼作自鎖觸點,使接觸器自鎖,因此KM仍保持吸合。
圖中SB2為停止按鈕,在停止時,按動SB2deshijianyaochangyidian。fouze,shousongkaianniuhou,jiechuqiyouxihe,shidiandongjijixuyunxing。zheshiyinweidianyuandianyasuibeiqieduan,danyouyuguanxingdezuoyong,diandongjizhuanzirengranzhuandong,qidingziraozuhuichanshengganyingdiandongshi,yidantingzhianniuhenkuaifuwei,ganyingdiandongshizhijiejiazaijiechuqixianquanshang,shiqizaicixihe,diandongjijixuyunzhuan。
接觸器線圈電壓為380V時,可按圖12(a)所示接線;接觸器線圈電壓為220V時,可按圖12(b)接線。圖12(a)的(de)接(jie)線(xian)還(hai)有(you)缺(que)陷(xian),即(ji)在(zai)電(dian)動(dong)機(ji)停(ting)轉(zhuan)時(shi),其(qi)引(yin)出(chu)線(xian)及(ji)電(dian)動(dong)機(ji)帶(dai)電(dian),使(shi)維(wei)修(xiu)不(bu)大(da)安(an)全(quan)。因(yin)此(ci),這(zhe)種(zhong)線(xian)路(lu)隻(zhi)能(neng)在(zai)應(ying)急(ji)時(shi)采(cai)用(yong),並(bing)在(zai)維(wei)修(xiu)電(dian)動(dong)機(ji)時(shi),應(ying)斷(duan)開(kai)控(kong)製(zhi)電(dian)動(dong)機(ji)的(de)總(zong)電(dian)源(yuan)開(kai)關(guan)QS,這一點應特別注意。

圖12:缺輔助觸點的交流接觸器應急接線
13加密的電動機控製線路

圖13:加密的電動機控製線路
為防止誤操作電氣設備,並防止非操作人員啟動某些設備開關按鈕,可采用加密的電動機控製線路,如圖13所示。操作時,首先按下SB1按鈕,確認無誤後,再同時按下加密按鈕SB3,這樣控製回路才能接通,KM線圈才能吸合,電動機M才能轉動起來。而非操作人員不知其中加密按鈕(加密按鈕裝在隱蔽處),故不能操作此設備開關。
14交流接觸器低電壓啟動線路
當供電電壓在交流接觸器吸引線圈額定電壓的85%以(yi)下(xia)時(shi),啟(qi)動(dong)接(jie)觸(chu)器(qi)銜(xian)鐵(tie)將(jiang)跳(tiao)動(dong)不(bu)止(zhi),不(bu)能(neng)可(ke)靠(kao)吸(xi)合(he),在(zai)交(jiao)流(liu)接(jie)觸(chu)器(qi)的(de)控(kong)製(zhi)回(hui)路(lu)中(zhong)串(chuan)聯(lian)一(yi)隻(zhi)整(zheng)流(liu)管(guan),改(gai)為(wei)直(zhi)流(liu)啟(qi)動(dong)交(jiao)流(liu)運(yun)行(xing),就(jiu)可(ke)以(yi)避(bi)免(mian)上(shang)述(shu)問(wen)題(ti)。交(jiao)流(liu)接(jie)觸(chu)器(qi)低(di)電(dian)壓(ya)啟(qi)動(dong)線(xian)路(lu)如(ru)圖(tu)14所示。按下按鈕SB1,經二極管VD半波整流的直流電壓加在交流接觸器KM線圈上,KM吸合。其輔助觸點將二極管VD短接,交流接觸器投入交流運行。

圖14:交流接觸器低電壓啟動線路
因為啟動電流較大,所以這種線路隻適用於操作不頻繁的場合。線路中,VD應選用耐壓大於700V的二極管,電流要根據交流接觸器線圈電流而定。
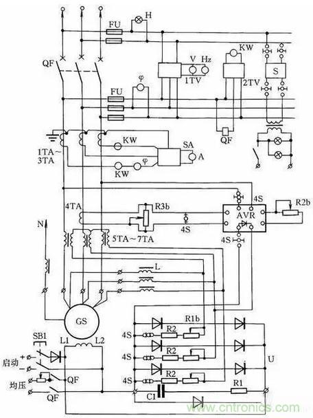
15 HF-4-81係列發電機控製線路

圖15:HF-4-81係列發電機控製線路
HF-4-81係列發電機控製線路如圖15所示,它與T2XV係列小型三相同步發電機配套。同步發電機的勵磁係統采用電複合相複勵調壓。發電機端電壓經線性電抗器L移相,然後與發電機負荷電路中的電流互感器5TA~7TA二次電壓合成,經三相橋式整流器整流後,供發電機GS勵磁自動調壓。
16單相電容電動機線路
單相電容電動機啟動轉矩大,啟動電流小,功率因數高,廣泛應用於家用電器中,如電風扇、洗衣機。為了便於維修安裝,現介紹這種電動機常用的接線方法。
圖16(a)為可逆控製線路,操縱開關S2,可改變電動機的轉向,該線路一般用於家用洗衣機上。
圖16(b)為帶輔助繞組的接線線路,撥動開關S,可改變輔助繞組的抽頭,即改變主繞組的實際承受電壓,從而改變電動機的轉速,此接線方法常用於電風扇上。
圖16(c)為帶電抗器調速的電容電動機接線線路。由於電抗器繞組(其在線路中起到降壓作用)的串入,調節電抗器繞組的串入量,即可改變轉速。這種方法目前廣泛應用在家用電風扇線路中。在啟動電動機時一般先撥到“1”擋上,即為高擋,這時電抗器不接入線路,使電動機在全壓下啟動,然後再撥“2”擋或任何擋來調節電動機轉速。

圖16:單相電容電動機線路
17混凝土攪拌機線路
錐型JZ350型攪拌機線路如圖17所示,工作原理是當把水泥、砂子、石子配好料後,操作人員按下按鈕2SBF後,2KMF接觸器線圈得電吸合,使上料卷揚電動機2M正轉,料鬥送料起升。當升到一定高度後,料鬥擋鐵碰撞行程開關1SQ和2SQ,使2KMF斷電釋放。
這時料鬥已升到預定位置,把料自動倒到攪拌機內,並自動停止上升。此時操作人員按下下降按鈕2SBR時,卷揚係統帶動料鬥下降,待下降到其料口與地麵平齊時,擋鐵碰撞行程開關3SQ,使2KMR接觸器斷電釋放,自動停止下降,為下次上料做好準備,這時攪拌機料已備好,操作人員再按下3SB1,3KM接觸器得電吸合,使供水抽水泵電動機3M運轉,向攪拌機內供水,與此同時,時間繼電器KT得電工作,待供水與原料成比例後(供水時間由KT時間繼電器調整確定,根據原料與水的配比確定),KT動作延時結束,從而使3KM自動釋放,供水停止。
加水完畢即可實施攪拌。按下1SBF正轉按鈕,1KMF得電吸合,1M正轉攪拌,攪拌完畢後按下1SB停止按鈕即可停止。出料時,按下1SBR按鈕,1M反轉即可把混凝土泥漿自動攪拌出來。然後按下1SB,接觸器1KMR斷電釋放,1M停轉,出料停止。

17
圖17:混凝土攪拌機線路
18自製實用的絕緣檢測器
圖18所示是自製的絕緣檢測器線路,它既可用作線路絕緣監視,又可代替兆歐表檢查電機、測電器的絕緣電阻。當合上隔離開關QS,在相電壓作用下,整個繞組和接地外殼之間的泄漏電流流過絕緣層和電阻R1、R2。
如果絕緣電阻合乎標準(即絕緣電阻值大於0.5MΩ),則泄漏電流很小時,在R2上的電壓降小於氖泡的點燃電壓,Ne不亮;當任意兩相或三相同時對機殼的絕緣電阻降低時,泄漏電流大增,使氖泡Ne點燃,從而可判定絕緣不合格。

圖18:自製實用的絕緣檢測器
19三相異步電動機改為單相運行線路
如果隻有單相電源和三相異步電動機供使用,可采用並聯電容的方法使三相異步電動機改為單相運行。
如圖19所示:圖(a)為Y形接法電動機連接方法,圖(b)為△形接法電動機連接方法。為了提高啟動轉矩,將啟動電容CQ在啟動時接入線路中,在啟動完畢後退出。
工作電容CG容量的計算公式
CG=1950I/Ucosφ(μF)
式中:I為電動機額定電流;U為單相電源電壓;cosφ為電動機的功率因數。當計算出工作電容後,啟動電容選用工作電容的1~4倍。

圖19:三相異步電動機改為單相運行線路
20熱繼電器校驗台
rejidianqizaichangqitongdianguochengzhongyichuxianrelaohuaxianxiang,shiqidongzuotexinggaibian。yaobaochitexingdeyizhixinghewendingxing,yigezuizhongyaodecuoshijiushiduirejidianqijinxingdingqixiaoyan。
熱繼電器校驗台如圖20所示,它主要由調壓器TV、降壓變壓器T、電位器RP、410型毫秒表等元件組成。
三相雙金屬片(熱繼電器FR)應串聯起來,接入試驗回路。校驗前,先檢查熱繼電器的刻度電流與電動機的額定電流是否相符。然後給熱繼電器通以1.05IN(額定電流,通過調整RP實現)電流,檢查其同步性,即三相雙金屬片是否同時接觸。如不同步,則用平口鉗鉗住雙金屬片與支架點焊處,來調整同步性。
同步性調好後,首先做啟動試驗,給熱繼電器FR通以6IN的電流,它在5s內不應動作;其次做運行試驗,給FR通以1.05IN電流,使熱繼電器加熱到穩定熱態,過30min後,慢慢地調節RP,使FR動作,再稍往回旋一點,使FR觸點斷開;再將試驗電流提高到1.2IN,此時FR應在20min內動作。這樣,熱繼電器的整定校驗方告結束。
調整校驗時應注意以下兩點:①不允許用鉗子鉗彎雙金屬片,以免影響保護的穩定;②校驗連接導線應有足夠的截麵積,以免影響動作時間。

圖20:熱繼電器校驗台
特別推薦
- 噪聲中提取真值!瑞盟科技推出MSA2240電流檢測芯片賦能多元高端測量場景
- 10MHz高頻運行!氮矽科技發布集成驅動GaN芯片,助力電源能效再攀新高
- 失真度僅0.002%!力芯微推出超低內阻、超低失真4PST模擬開關
- 一“芯”雙電!聖邦微電子發布雙輸出電源芯片,簡化AFE與音頻設計
- 一機適配萬端:金升陽推出1200W可編程電源,賦能高端裝備製造
技術文章更多>>
- 築基AI4S:摩爾線程全功能GPU加速中國生命科學自主生態
- 一秒檢測,成本降至萬分之一,光引科技把幾十萬的台式光譜儀“搬”到了手腕上
- AI服務器電源機櫃Power Rack HVDC MW級測試方案
- 突破工藝邊界,奎芯科技LPDDR5X IP矽驗證通過,速率達9600Mbps
- 通過直接、準確、自動測量超低範圍的氯殘留來推動反滲透膜保護
技術白皮書下載更多>>
- 車規與基於V2X的車輛協同主動避撞技術展望
- 數字隔離助力新能源汽車安全隔離的新挑戰
- 汽車模塊拋負載的解決方案
- 車用連接器的安全創新應用
- Melexis Actuators Business Unit
- Position / Current Sensors - Triaxis Hall
熱門搜索






