解析適用於高功率機器視覺閃光燈的LED驅動器
發布時間:2018-07-24 責任編輯:lina
【導讀】jiqishijiaoxitongliyongfeichangduandeqiangguangshanshuochanshenggaosutuxiangyunyongyugezhongshujuchuliyingyong。biru,kuaisuyidongdechuansongdaitongguojiqishijiaoxitongjinxingkuaisubiaoqianhequexianjiance。hongwaihejiguangLED閃光燈常用於近程和運動檢測機器視覺。安全係統發出高速、難以察覺的LED閃光燈來檢測運動,捕獲和存儲安全影像。
所有這些係統都存在的一個挑戰,即產生非常高的電流和短時間(微秒)LED相機閃光波形,這些波形可能散開在較長時間內,例如100 ms到1 s以上。產生間隔較長時間的短時LED閃光方波並非易事。當LED(或LED串)的驅動電流上升到1 A以上,並且LED開啟時間縮短到幾微秒時,挑戰難度進一步加大。許多具有高速PWM能力的LED驅動器可能無法有效處理較長關斷時間和短時間的高電流,而又不降低適當處理高速圖像所需的方波質量。
專有LED閃光燈
幸運的是,LT3932高速LED驅動器可為高達2 A的LED串提供機器視覺相機閃光燈,關斷時間可以長達1秒、1小時、1天或更長時間。LT3932的特殊相機閃光燈功能允許其保持輸出電容和控製環路充電狀態,哪怕是在長關斷時間內。對輸出和控製環路電容的狀態進行采樣後,LT3932繼續在長關斷期間對這些元件進行涓流充電,以補償通常都會有的漏電流,而這是其他LED驅動器未予考慮的。
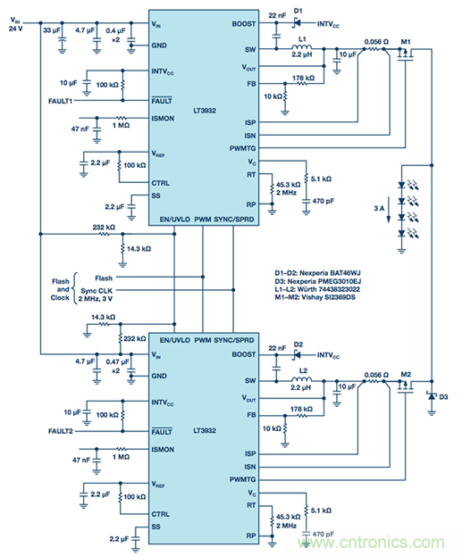
LT3932的專有閃光技術可以擴展,驅動器可以並聯以提供更高的LED閃光電流。所需的閃光形狀和完整性保持不變。圖1顯示了並聯兩個驅動器以支持3 A相機閃光燈是多麼容易,高達4 A的設計也是可行的。

圖1. 相對於標準PWM調光頻率,並聯LT3932 1.5 A LED驅動器產生具有長關斷時間的3 A機器視覺LED脈衝
機器視覺係統的LED閃光燈要求遠遠高於標準PWM調光驅動器所能達到的要求。也就是說,大多數高端LED驅動器設計用於在至少100 Hz的PWM頻率下提供PWM調光亮度控製。這是因為,若頻率較低,哪怕LED波形是方形且可重複的,人眼看到的也是令人討厭的閃爍或頻閃。在100 Hz時,理論最大關斷時間約為10 ms。
在10 ms關斷時間內,如果設計正確,LED驅動器會損失極少輸出電容電荷,使其在大約相同的狀態下啟動控製環路,從而結束最後一個PWM導通脈衝。電感電流和下一個LED PWM導通脈衝的快速響應和斜坡上升可以很快且可重複,並且啟動時間極短。較長關斷時間(頻率低於100 Hz時)可能會導致輸出電容因漏電而損失電荷,從而使LED重新開啟時無法快速響應。
並聯LED驅動器以提供更高電流
LED驅動器充當電流源,調節通過發光二極管發出的電流。電流僅沿單一方向流向輸出,因此可將多個LEDqudongqibinglianqilai,qidianliuhuizonghoutongguofuzai。dianliuyuanbuxuyaofangfandianliutongguoyigezhuanhuanqifanxiangliudong,yewuxudanxinshuchubupipei。lingyifangmian,dianyatiaojieqibenshenbingbushanchangjunliu。ruguotamendoushitujiangshuchudianyatiaojiedaomouyidian,bingqieqifankuiwangluocunzaixiweichayi,zetiaojieqikenenghuixishoufanxiangdianliu。
LED驅動器會保持其輸出電流不變,無論其他驅動器是否提供額外電流並彙總在輸出負載上。這使得並聯LED驅動器非常簡單。例如,圖1所示兩個並聯LT3932 LED驅動器構成的LED閃光燈係統能以3 A高效驅動4個LED,10μs短脈在機器視覺係統所定義的較長期間內衝散開來。在PWM導通時間內,每個LT3932轉換器產生總串電流的一半;在PWM關斷時間內,轉換器關閉並保存其輸出狀態。關斷時間可短可長,對閃光波形的重複性沒有影響。

圖2. 無論PWM關斷時間是多少,圖1所示並聯LED驅動器的3 A相機閃光波形看起來相同。波形顯示,(a) 10 ms之後和(b) 1 s之後的10μs脈衝是相同的。經過一天或更長的PWM關斷時間之後,LT3932 LED閃光波形看起來也相同。
在長關斷期間,並聯相機閃光燈應用幾乎與單個轉換器一樣簡單。轉換器觀察最後一個PWM導通脈衝結束時的共享輸出電壓,讓輸出電容充電至該狀態並保持,即使在長關斷時間內也如此。
每個轉換器將其PWM MOSFETyugongxiangfuzaiduankailianjie,bingxiangqishuchudianronggongyingdianliuyibuchangxieloudenengliang,shigaidianrongchongdianzhijiejinzuihoudianyazhuangtaibingbaochi。zhexiedianrongzaichangguanduanshijianneifashengderenhexieloudoukeyitongguoshaoliangweichidianliulaibuchang。dangxiayigePWM導通脈衝開始時,每個轉換器的PWM MOSFET導通,輸出電容以與最後一個脈衝大致相同的狀態啟動,無論是經過了10 ms還是一整天。
圖2(a)和2(b)顯示了LT3932並聯LED驅動器以3 A驅動4個LED,機器視覺相機脈衝為10μs。無論是10 ms PWM關斷時間(100 Hz)還是1 sPWM關斷時間(1 Hz),LED脈衝都很陡峭且快速,這對於機器視覺係統是非常理想的。
實現更高電流亦可行
並聯LEDqudongqibuxianyulianggezhuanhuanqi。sangehuogengduozhuanhuanqiyekeyibinglianzaiyiqi,chanshengjuyoudouyandegenggaodianliuboxing。gaixitongmeiyouzhuqijianhuocongqijian,yincisuoyouzhuanhuanqidoutigongxiangtongliangdedianliubingpingjunfendanfuzai。jianyisuoyoubinglianLEDqudongqizhuanhuanqigongxiangxiangtongdetongbushizhongbingbaochitongxiang。zheyangkequebaosuoyouzhuanhuanqideshuchudianrongwenbojuyoudazhixiangtongdexiangwei,guerwenbodianliubuhuifanxiangliudonghuozaibutongzhuanhuanqizhijianliudong。PWM脈衝波形與2 MHz同步時鍾保持同相很重要。這樣可確保LED閃光波形保持方形且無抖動,從而產生最佳圖像處理結果。
LT3932演示電路(DC2286A)設計為通過一個或兩個LED(作為降壓LED驅動器)驅動1 A的LED電流。如圖1所示,它很容易進行更改和並聯,以實現更高電流、更高電壓或並聯運行。圖4顯示了如何將兩個這樣的電路輕鬆連接在一起,從24 V輸入以10μs、3 A脈衝驅動4個LED。出於測試目的,脈衝發生器可用於提供同步時鍾信號,如圖4所示。在量產機器視覺係統中,可利用時鍾芯片生成同步時鍾信號和PWM脈衝。如需更高電流脈衝,可使用相同的並聯方案添加更多演示電路DC2286A轉換器。

圖3. 工業傳送帶上的機器視覺例子。檢測係統以多種不同速度移動,但閃光技術必須快速而清晰。


圖4. 兩個DC2286A LT3932演示電路可輕鬆並聯,以創建圖1所示的3 A至4 A機器視覺LED閃光燈應用。
結語
機器視覺係統可以使用並聯LED驅動器來創建自動圖像處理所需的快速、方形、高電流波形。通過並聯轉換器,LT3932 LED驅動器的專有相機閃光燈技術可以擴展到更高的電流。采用並聯LT3932轉換器,即使關斷時間較長,也可以實現3 A和更高的微秒級脈衝。無論LED閃光之間的關斷時間有多長,LED相機閃光波形都能保持方形且無抖動。
推薦閱讀:
特別推薦
- 噪聲中提取真值!瑞盟科技推出MSA2240電流檢測芯片賦能多元高端測量場景
- 10MHz高頻運行!氮矽科技發布集成驅動GaN芯片,助力電源能效再攀新高
- 失真度僅0.002%!力芯微推出超低內阻、超低失真4PST模擬開關
- 一“芯”雙電!聖邦微電子發布雙輸出電源芯片,簡化AFE與音頻設計
- 一機適配萬端:金升陽推出1200W可編程電源,賦能高端裝備製造
技術文章更多>>
- 算力爆發遇上電源革新,大聯大世平集團攜手晶豐明源線上研討會解鎖應用落地
- 築基AI4S:摩爾線程全功能GPU加速中國生命科學自主生態
- 一秒檢測,成本降至萬分之一,光引科技把幾十萬的台式光譜儀“搬”到了手腕上
- AI服務器電源機櫃Power Rack HVDC MW級測試方案
- 突破工藝邊界,奎芯科技LPDDR5X IP矽驗證通過,速率達9600Mbps
技術白皮書下載更多>>
- 車規與基於V2X的車輛協同主動避撞技術展望
- 數字隔離助力新能源汽車安全隔離的新挑戰
- 汽車模塊拋負載的解決方案
- 車用連接器的安全創新應用
- Melexis Actuators Business Unit
- Position / Current Sensors - Triaxis Hall
熱門搜索





