了解數字總線開關係列支持的電壓和頻率
發布時間:2018-05-17 責任編輯:lina
【導讀】當我第一次看到數字總線開關時,我實在想不出這些開關到底有啥用。幸運的是,現在我知道了這些開關的多種使用方法;woxiangzaizheliyunifenxiangqizhongyizhongfangfa。wojiangmiaoshudangekongzhiqishangfuyongduogeqijiandebuzhouhexiangguankaolv。nikeyijiangzhegejiqiaoyongyurenyileixingdetongxinzongxian,buguowohaishijiangyiUSB為例進行說明。
首先,我想稍微談一談“數字總線開關”的(de)定(ding)義(yi)。我(wo)們(men)先(xian)將(jiang)注(zhu)意(yi)力(li)放(fang)在(zai)這(zhe)個(ge)名(ming)稱(cheng)的(de)最(zui)後(hou)部(bu)分(fen)。說(shuo)到(dao)底(di),它(ta)隻(zhi)是(shi)一(yi)個(ge)開(kai)關(guan)。它(ta)使(shi)你(ni)能(neng)夠(gou)用(yong)數(shu)字(zi)的(de)方(fang)法(fa),將(jiang)電(dian)路(lu)中(zhong)的(de)一(yi)個(ge)連(lian)接(jie)打(da)開(kai)和(he)關(guan)閉(bi)。圖(tu)1顯示的是與一個開關等效的電路。

圖1:單通道數字總線開關的簡化示意圖
通過輸出使能引腳 (OE),用電壓來控製這個開關;隻需在高電平關閉開關,在低電平時打開開關。(對於低電平有效OE引腳來說,恰恰相反;這些引腳上通常會有標簽進行標注。)RON 是開關的內部電阻。A和B到開關的兩個連接點。
未在圖1中顯示的是傳播延遲,它是輸入信號到達輸出所需的時間,通常在開關的數據表中用tpd 表示。
通常說來,數字總線開關內部有很多的開關,這些開關使它們能夠控製(你猜到了)數字總線。

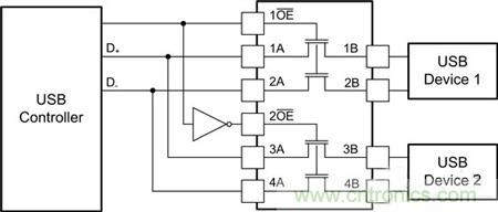
圖2:將2個USB器件複用至單個USB控製器
圖2顯示的是使用一個數字總線開關來將2個USB器件複用至單個USB控製器(USB2.0標準)的基本布局布線。在使用這個拓撲時,你每次隻能與一個器件通信。
在任何的邏輯係統設計中,需要考慮很多重要的值。歸根結底,這些值就是對電壓、電流和定時的要求。表1中列出了針對這一特定係統的要求。
Requirement
Value
Voltage
0V to 3.3V
Continuous current
18mA
Maximum frequency
240MHz (480Mbps)
表1:示例係統要求
如果你想進一步了解數字總線開關的話,請參見使用說明書數字總線開關選型指南。在這份選型指南中,你可以使用圖3來為這個用例輕鬆選擇一個開關。

圖3:數字總線開關係列支持的電壓和頻率
3個係列支持3.3V運行,但隻有其中一款器件能夠處理200MHz以上的頻率:那就是CB3Q。在TI.com內快速搜索可以得到這一係列中可以提供的18款產品的列表,針對你的應用,推薦使用SN74CB3Q3125,這是因為這款器件能夠切換4條數據線路。
圖2的初始電路原理圖和SN74CB3Q3125的(de)唯(wei)一(yi)區(qu)別(bie)就(jiu)是(shi)它(ta)為(wei)每(mei)條(tiao)通(tong)道(dao)單(dan)獨(du)啟(qi)用(yong)一(yi)個(ge)輸(shu)出(chu),而(er)不(bu)是(shi)將(jiang)一(yi)對(dui)輸(shu)出(chu)接(jie)在(zai)一(yi)起(qi)。這(zhe)是(shi)一(yi)個(ge)簡(jian)單(dan)修(xiu)改(gai)考(kao)慮(lv),你(ni)隻(zhi)需(xu)將(jiang)所(suo)需(xu)的(de)使(shi)能(neng)線(xian)路(lu)接(jie)在(zai)一(yi)起(qi)。

圖4:將2個USB器件複用至一個控製器時的SN74CB3Q3125接線
圖4xianshideshisuoxuanxinpianshangnenggoushixiancigongnengdelianjie。zhelidexuanzexianluyouyigebianhuanqi,buguoqitaanpaiyekeshixianxiangsigongneng,zhiyaomeicizhiqiyongyitiaotongdaojike。
數字總線開關是多用途器件;這種器件能夠實現隔離,以及多線製通信通道的手工複用。通過擴展這個裝置,你可以將任意數量的外設連接至單個控製器。
推薦閱讀:
特別推薦
- 噪聲中提取真值!瑞盟科技推出MSA2240電流檢測芯片賦能多元高端測量場景
- 10MHz高頻運行!氮矽科技發布集成驅動GaN芯片,助力電源能效再攀新高
- 失真度僅0.002%!力芯微推出超低內阻、超低失真4PST模擬開關
- 一“芯”雙電!聖邦微電子發布雙輸出電源芯片,簡化AFE與音頻設計
- 一機適配萬端:金升陽推出1200W可編程電源,賦能高端裝備製造
技術文章更多>>
- 築基AI4S:摩爾線程全功能GPU加速中國生命科學自主生態
- 一秒檢測,成本降至萬分之一,光引科技把幾十萬的台式光譜儀“搬”到了手腕上
- AI服務器電源機櫃Power Rack HVDC MW級測試方案
- 突破工藝邊界,奎芯科技LPDDR5X IP矽驗證通過,速率達9600Mbps
- 通過直接、準確、自動測量超低範圍的氯殘留來推動反滲透膜保護
技術白皮書下載更多>>
- 車規與基於V2X的車輛協同主動避撞技術展望
- 數字隔離助力新能源汽車安全隔離的新挑戰
- 汽車模塊拋負載的解決方案
- 車用連接器的安全創新應用
- Melexis Actuators Business Unit
- Position / Current Sensors - Triaxis Hall
熱門搜索



