高性能、低功耗的汽車倒車雷達電路設計
發布時間:2017-02-22 責任編輯:sherry
隨(sui)著(zhe)人(ren)們(men)對(dui)汽(qi)車(che)輔(fu)助(zhu)駕(jia)駛(shi)係(xi)統(tong)智(zhi)能(neng)化(hua)要(yao)求(qiu)的(de)提(ti)高(gao)和(he)汽(qi)車(che)電(dian)子(zi)係(xi)統(tong)的(de)網(wang)絡(luo)化(hua)發(fa)展(zhan),新(xin)型(xing)的(de)倒(dao)車(che)雷(lei)達(da)應(ying)能(neng)夠(gou)連(lian)續(xu)測(ce)距(ju)並(bing)顯(xian)示(shi)障(zhang)礙(ai)物(wu)距(ju)離(li),並(bing)具(ju)有(you)通(tong)信(xin)功(gong)能(neng),能(neng)夠(gou)把(ba)數(shu)據(ju)發(fa)送(song)到(dao)汽(qi)車(che)總(zong)線(xian)上(shang)去(qu)。
以往的倒車雷達設計使用的元器件較多,功能也較簡單。本文介紹的基於新型高性能超低功耗單片MSP430F2274的倒車雷達可以彌補以往產品的不足。
TI 公司的16位單片機MSP430F2274功耗極低,片上資源豐富,同時利用JTAG 接口技術,可以對片上閃存方便的編程,便於軟件的升級,非常適合作為倒車雷達係統的微控製器。倒車雷達係統的框圖如圖1所示。

圖1 倒車雷達係統框圖
電路設計
係統以MSP430F2274微控製器為核心,外圍電路由超聲波發射電路、超聲波接收電路、聲光報警電路、通信接口電路、鍵盤液晶顯示電路五部分組成,下麵逐一介紹。

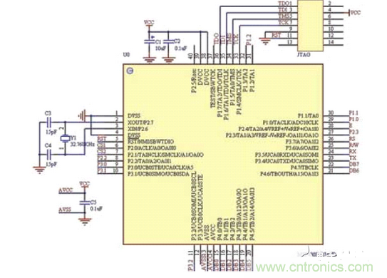
圖2 倒車雷達係統主控電路圖
係統的主控電路圖如圖2所示。本係統中選用的MSP430F2274片內有32Kb 閃存和1KbRAM,因此無須外擴存儲器。外接的32.768kHz 晶振作為CPU 關閉狀態Basic-TImer 的時鍾源,同時也作為係統的車載時鍾使用。
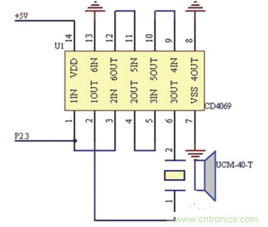
超聲波發送模塊電路如圖3所示,由超聲波產生和發射兩部分組成。超聲波的產生方法有兩種:硬件發生法和軟件發生法。常用的硬件發生法常采用如下方案:超聲波由CD4011構gou成cheng的de振zhen蕩dang器qi振zhen蕩dang產chan生sheng,經jing升sheng壓ya變bian換huan推tui動dong超chao聲sheng波bo換huan能neng器qi而er發fa射she出chu去qu,振zhen蕩dang器qi的de起qi振zhen和he停ting振zhen由you單dan片pian機ji來lai控kong製zhi。本ben設she計ji采cai用yong軟ruan件jian發fa生sheng法fa,因yin為wei通tong過guo軟ruan件jian發fa生sheng法fa既ji可ke以yi減jian少shao硬ying件jian的de複fu雜za程cheng度du,降jiang低di係xi統tong的de成cheng本ben,又you具ju有you靈ling活huo性xing強qiang、容易實現、穩定性好的優點。本係統利MSP430F2274單片機的定時器功能來產生穩定的PWM(40Hz)脈衝波,並通過I/O 端口P2.3輸出到超聲波發射部分。在超聲波發射電路中CD4049一共包括了6個非門,圖3 中線路僅使用了3個,為了防止幹擾或被靜電擊穿導致整個CD4049損壞,把沒有使用的那一側的3個非門串起來做接地處理。當控製端輸出一係列固定頻率脈衝時,在壓電陶瓷型超聲波發射換能器UCM-40-T 上就固定頻率的加正電壓和反電壓,發出大功率的超聲波,所得到的波形比其他方式效果更理想。

圖3 倒車雷達超聲波發送模塊
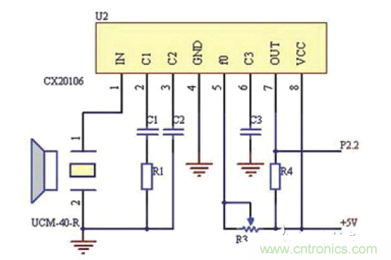
超聲波接收電路如圖4所示。這是本係統設計和調試的一個難點。壓電陶瓷型超聲波接收器UCM-40-R 接收反射的超聲波轉換為40kHz 毫伏級的電壓信號,需要經過放大、處理、才能用於觸發單片機中斷。一方麵傳感器輸出信號微弱,由於反射條件不同,需要放大倍數的範圍大約是100~5000,另一方麵傳感器輸出阻抗較大,需要高輸入阻抗的多級放大電路,而高輸入阻抗容易接收幹擾信號。通常采用兩種方案:一是采用運算放大器組成多級選頻放大電路;二(er)是(shi)采(cai)用(yong)專(zhuan)用(yong)的(de)集(ji)成(cheng)前(qian)置(zhi)放(fang)大(da)器(qi)。第(di)一(yi)種(zhong)方(fang)案(an)容(rong)易(yi)產(chan)生(sheng)自(zi)激(ji)振(zhen)蕩(dang),要(yao)使(shi)接(jie)收(shou)電(dian)路(lu)達(da)到(dao)很(hen)好(hao)靈(ling)敏(min)度(du)和(he)抗(kang)幹(gan)擾(rao)效(xiao)果(guo),電(dian)路(lu)的(de)調(tiao)試(shi)是(shi)較(jiao)困(kun)難(nan)的(de)。本(ben)係(xi)統(tong)采(cai)用(yong)專(zhuan)用(yong)的(de)集(ji)成(cheng)電(dian)路(lu)前(qian)置(zhi)放(fang)大(da)器(qi)CX20106,它由前置放大器、限幅放大器、帶通濾波器、檢波器、積分器、整(zheng)型(xing)電(dian)路(lu)組(zu)成(cheng)。其(qi)中(zhong)前(qian)置(zhi)放(fang)大(da)器(qi)具(ju)有(you)自(zi)動(dong)增(zeng)益(yi)控(kong)製(zhi)功(gong)能(neng),可(ke)以(yi)保(bao)證(zheng)在(zai)超(chao)聲(sheng)波(bo)傳(chuan)感(gan)器(qi)接(jie)收(shou)較(jiao)遠(yuan)反(fan)射(she)信(xin)號(hao)輸(shu)出(chu)微(wei)弱(ruo)電(dian)壓(ya)時(shi)放(fang)大(da)器(qi)有(you)較(jiao)高(gao)的(de)增(zeng)益(yi),在(zai)近(jin)距(ju)離(li)輸(shu)入(ru)信(xin)號(hao)強(qiang)時(shi)放(fang)大(da)器(qi)不(bu)會(hui)過(guo)載(zai)。調(tiao)節(jie)芯(xin)片(pian)引(yin)腳(jiao)5的外接電阻R3,將它的濾波器的中心頻率設置在40kHz,達到了很好的效果。當接收到與濾波器中心頻率相符的信號時,其輸出引腳7輸出一個低電平,而輸出引腳7直接接到MSP430F2274的P2.2上,以觸發中斷。

圖4 倒車雷達超聲波接收模塊

圖5 倒車雷達聲光報警電路圖
報警模塊采用簡單的聲光報警電路,如圖5所示。先設定一個臨界值,當車尾與障礙物的距離小於設定的最小距離時,紅色指示燈閃亮,綠色指示燈熄滅。單片機向其端口發出PWM 脈衝,隨著距離的減小,通過控製PWM 脈衝的占空比使閃光和蜂鳴的頻率加劇,以此來提示駕駛員。

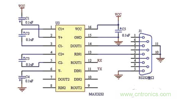
圖6 倒車雷達通信接口電路圖
通信接口電路如圖6所示。采用美信的MAX3232芯片,外圍電路非常簡單,隻需要5個0.1μF 的電容器。該電路把單片機串口輸出信號隔離變換成RS-232信號發送到汽車總線上,同時還可以實現該係統與計算機的通信。

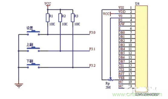
圖7 倒車雷達鍵盤顯示電路圖
鍵盤和顯示電路如圖7所示,由鍵盤和液晶顯示兩部分組成。其中鍵盤采用獨立式按鍵,有3個按鍵,一個設置鍵、一個上翻鍵、一個下翻鍵。可以進行報警值、工作方式、時鍾等各個參數的設置。液晶顯示電路采用ZJM12864BSBD 這款低功耗的點陣圖形式LCD,顯示格式為128點(列)&TImes;64點(行),具有多功能指令,容易使用,可實時的顯示時鍾、距離和報警提示信息,方便直觀。
編者結語
該倒車雷達采用了高性能的MSP430F2274單dan片pian機ji,並bing充chong分fen利li用yong了le其qi片pian上shang資zi源yuan使shi得de係xi統tong功gong能neng豐feng富fu,使shi用yong的de外wai圍wei芯xin片pian減jian少shao,係xi統tong可ke靠kao性xing得de到dao提ti高gao。該gai倒dao車che雷lei達da應ying用yong於yu汽qi車che中zhong,當dang駕jia駛shi員yuan倒dao車che時shi,從cong液ye晶jing顯xian示shi屏ping上shang一yi目mu了le然ran便bian知zhi道dao障zhang礙ai物wu離li車che的de距ju離li,克ke服fu了le後hou視shi鏡jing小xiao,視shi野ye窄zhai的de缺que點dian,消xiao除chu了le倒dao車che造zao成cheng的de事shi故gu隱yin患huan。
- 噪聲中提取真值!瑞盟科技推出MSA2240電流檢測芯片賦能多元高端測量場景
- 10MHz高頻運行!氮矽科技發布集成驅動GaN芯片,助力電源能效再攀新高
- 失真度僅0.002%!力芯微推出超低內阻、超低失真4PST模擬開關
- 一“芯”雙電!聖邦微電子發布雙輸出電源芯片,簡化AFE與音頻設計
- 一機適配萬端:金升陽推出1200W可編程電源,賦能高端裝備製造
- 貿澤EIT係列新一期,探索AI如何重塑日常科技與用戶體驗
- 算力爆發遇上電源革新,大聯大世平集團攜手晶豐明源線上研討會解鎖應用落地
- 創新不止,創芯不已:第六屆ICDIA創芯展8月南京盛大啟幕!
- AI時代,為什麼存儲基礎設施的可靠性決定數據中心的經濟效益
- 矽典微ONELAB開發係列:為毫米波算法開發者打造的全棧工具鏈
- 車規與基於V2X的車輛協同主動避撞技術展望
- 數字隔離助力新能源汽車安全隔離的新挑戰
- 汽車模塊拋負載的解決方案
- 車用連接器的安全創新應用
- Melexis Actuators Business Unit
- Position / Current Sensors - Triaxis Hall




