名廠支招:8大方法降低輸出紋波噪聲
發布時間:2015-12-30 責任編輯:sherry
【導讀】紋(wen)波(bo)噪(zao)聲(sheng)是(shi)衡(heng)量(liang)電(dian)源(yuan)的(de)一(yi)個(ge)重(zhong)要(yao)指(zhi)標(biao),一(yi)個(ge)好(hao)的(de)電(dian)源(yuan)必(bi)須(xu)要(yao)把(ba)輸(shu)出(chu)紋(wen)波(bo)噪(zao)聲(sheng)控(kong)製(zhi)在(zai)一(yi)個(ge)合(he)理(li)的(de)範(fan)圍(wei)內(nei)。但(dan)一(yi)般(ban)有(you)哪(na)些(xie)行(xing)之(zhi)有(you)效(xiao)的(de)降(jiang)低(di)紋(wen)波(bo)噪(zao)聲(sheng)的(de)對(dui)策(ce)呢(ne)?下(xia)麵(mian)我(wo)們(men)拋(pao)磚(zhuan)引(yin)玉(yu),簡(jian)單(dan)討(tao)論(lun)常(chang)用(yong)的(de)八(ba)個(ge)方(fang)法(fa)。
1、電源PCB走線和布局
反饋線路應避開磁性元件、開關管及功率二極管。
輸出濾波電容放置及走線對紋波噪聲至關重要,如圖1suoshi,chuantongshejizhongyouyudaodameigedianrongdezukangbuyiyang,suoyigaopindianliuzaisangedianrongzhongfenpeibujunyun,gaijinshejizhongkeyikanchumeigehuiluchangduxiangdangjigaopindianliuhuijunyunfenpeidaomeigedianrongzhong。

圖1
如果PCB是多層板,可以選擇和主電流回路層最近一層覆地,覆地可以有效的解決噪聲問題,注意,盡量保證覆地的完整性。
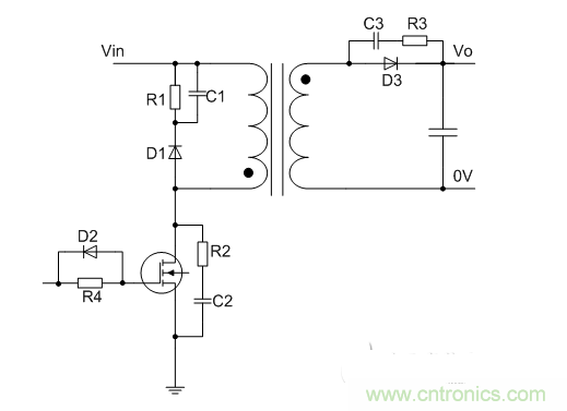
2、場效應管D級與輸入正之間加RCD
一般選擇場效應管的反向恢複時間要比二極管D1慢2~3倍,以避免形成直通電流,此電流會產生很強的磁場,可增大輸出噪聲幹擾,所以可人為的通過柵極電阻R4來減慢開關管的開關速度。為了不影響關斷速度可以在柵極電阻並聯一個二極管D2如圖2所示。

圖2
3、場效應管DS端並聯RC
可以在場效應管DS兩端並聯一個RC電路也可以有效的降低噪聲幹擾如圖2所示,電容C2一般在100P左右,電容值過大會導致場效應管的開關損耗加大,電阻R2一般選取小於10Ω電阻。
4、輸出二極管兩端並聯RC
二極管在高速導通和關斷時,反向恢複期間,二極管的寄生電感和電容會產生高頻振蕩,為了抑製高頻振蕩可在二極管兩端加RC緩衝電路如圖2所示,電阻R3一般在1Ω~100Ω,電容C3一般在100pF~1nF,如果電源工作頻率較低,效率滿足要求的話,二極管D3可以選擇反向恢複時間較慢的二極管。
5、輸出加二級LC濾波
LC對噪聲和紋波抑製效果比較明顯,根據紋波頻率選擇合適電感電容值,但由於柱形電感價格低體積小的優點,所以一般LC中(zhong)電(dian)感(gan)大(da)都(dou)會(hui)選(xuan)擇(ze)柱(zhu)形(xing)電(dian)感(gan),然(ran)而(er)柱(zhu)形(xing)電(dian)感(gan)是(shi)開(kai)放(fang)式(shi)磁(ci)結(jie)構(gou),對(dui)周(zhou)圍(wei)會(hui)產(chan)生(sheng)較(jiao)嚴(yan)重(zhong)磁(ci)幹(gan)擾(rao),我(wo)們(men)可(ke)以(yi)采(cai)用(yong)兩(liang)個(ge)電(dian)感(gan)並(bing)排(pai)放(fang)置(zhi),且(qie)電(dian)流(liu)流(liu)入(ru)方(fang)向(xiang)相(xiang)反(fan),即(ji)有(you)助(zhu)於(yu)引(yin)導(dao)磁(ci)通(tong)從(cong)一(yi)個(ge)磁(ci)柱(zhu)到(dao)另(ling)一(yi)個(ge)磁(ci)柱(zhu),從(cong)而(er)可(ke)以(yi)降(jiang)低(di)電(dian)磁(ci)幹(gan)擾(rao),如(ru)圖(tu)3所示。

圖3
6、變壓器初次級之間加法拉第屏蔽層
變bian壓ya器qi的de繞rao組zu通tong過guo高gao頻pin電dian流liu時shi,變bian壓ya器qi將jiang變bian成cheng有you效xiao的de磁ci場chang天tian線xian,變bian壓ya器qi繞rao組zu又you承cheng受shou跳tiao躍yue電dian壓ya,即ji變bian壓ya器qi也ye變bian成cheng了le電dian場chang天tian線xian,在zai初chu次ci級ji之zhi間jian加jia法fa拉la第di屏ping蔽bi層ceng可ke收shou集ji隔ge離li邊bian界jie處chu的de噪zao聲sheng電dian流liu,並bing予yu以yi轉zhuan移yi到dao原yuan邊bian地di,但dan銅tong箔bo應ying為wei非fei常chang薄bo的de銅tong箔bo帶dai,盡jin量liang避bi免mian渦wo流liu損sun耗hao並bing減jian小xiao漏lou感gan,注zhu意yi,銅tong屏ping蔽bi層ceng末mo端duan不bu應ying有you電dian連lian接jie,否fou則ze會hui形xing成cheng磁ci短duan路lu。
7、降低變壓器漏感
采用三明治繞法可使初次級繞組耦合更加緊密,使漏感得以減小,從而到達減小噪聲的目的。
8、變壓器輸出繞組並聯的合理設計
當dang電dian源yuan輸shu出chu電dian流liu較jiao大da時shi,通tong常chang我wo們men會hui采cai用yong兩liang個ge繞rao組zu並bing聯lian的de方fang式shi進jin行xing使shi用yong,這zhe兩liang個ge繞rao組zu通tong常chang分fen置zhi於yu原yuan邊bian繞rao組zu內nei外wai,所suo以yi直zhi流liu阻zu抗kang會hui略lve有you差cha異yi,從cong而er有you可ke能neng產chan生sheng內nei部bu環huan流liu,電dian壓ya波bo形xing也ye會hui出chu現xian嚴yan重zhong的de振zhen鈴ling,並bing且qie電dian磁ci幹gan擾rao會hui變bian的de更geng加jia嚴yan重zhong,以yi及ji有you可ke能neng會hui出chu現xian意yi外wai的de大da量liang發fa熱re,如ru果guo輸shu出chu繞rao組zu一yi定ding需xu要yao並bing聯lian使shi用yong,最zui好hao采cai用yong如ru圖tu4的推薦電路,圖4推薦電路中二極管可以消除兩個不同繞組的不均勻導致的負麵影響。

圖4
小結:
在設計電源時,有上述八種方式可降低輸出的紋波噪聲,如果選用成品電源,不管是模塊電源、普通開關電源、電源適配器等,這部分的工作一般都由電源設計廠家完成,客戶隻需關注規格書寫明的輸出紋波噪聲即可。如ZLG的模塊電源,會標出典型的紋波噪聲值,如E_FLS-1W係列,典型值為60mV VP-P。
特別推薦
- 噪聲中提取真值!瑞盟科技推出MSA2240電流檢測芯片賦能多元高端測量場景
- 10MHz高頻運行!氮矽科技發布集成驅動GaN芯片,助力電源能效再攀新高
- 失真度僅0.002%!力芯微推出超低內阻、超低失真4PST模擬開關
- 一“芯”雙電!聖邦微電子發布雙輸出電源芯片,簡化AFE與音頻設計
- 一機適配萬端:金升陽推出1200W可編程電源,賦能高端裝備製造
技術文章更多>>
- 算力爆發遇上電源革新,大聯大世平集團攜手晶豐明源線上研討會解鎖應用落地
- 築基AI4S:摩爾線程全功能GPU加速中國生命科學自主生態
- 一秒檢測,成本降至萬分之一,光引科技把幾十萬的台式光譜儀“搬”到了手腕上
- AI服務器電源機櫃Power Rack HVDC MW級測試方案
- 突破工藝邊界,奎芯科技LPDDR5X IP矽驗證通過,速率達9600Mbps
技術白皮書下載更多>>
- 車規與基於V2X的車輛協同主動避撞技術展望
- 數字隔離助力新能源汽車安全隔離的新挑戰
- 汽車模塊拋負載的解決方案
- 車用連接器的安全創新應用
- Melexis Actuators Business Unit
- Position / Current Sensors - Triaxis Hall
熱門搜索
微波功率管
微波開關
微波連接器
微波器件
微波三極管
微波振蕩器
微電機
微調電容
微動開關
微蜂窩
位置傳感器
溫度保險絲
溫度傳感器
溫控開關
溫控可控矽
聞泰
穩壓電源
穩壓二極管
穩壓管
無焊端子
無線充電
無線監控
無源濾波器
五金工具
物聯網
顯示模塊
顯微鏡結構
線圈
線繞電位器
線繞電阻





