具有電壓指示的蓄點知保護電路設計
發布時間:2014-07-21 責任編輯:sherryyu
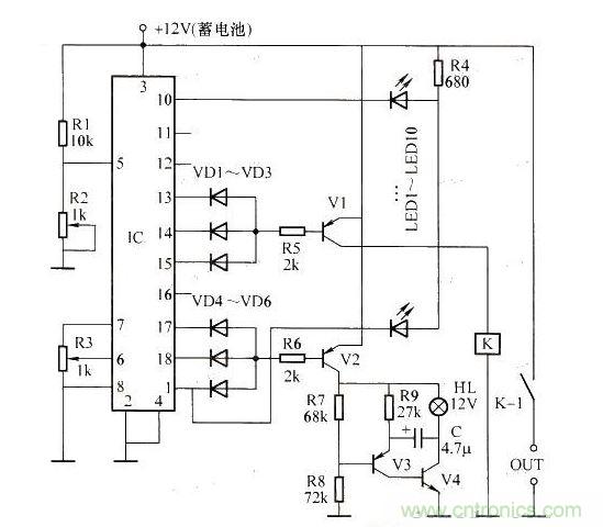
【導讀】本(ben)文(wen)為(wei)大(da)家(jia)介(jie)紹(shao)的(de)是(shi)一(yi)款(kuan)具(ju)有(you)電(dian)壓(ya)指(zhi)示(shi)功(gong)能(neng)的(de)蓄(xu)電(dian)池(chi)保(bao)護(hu)電(dian)路(lu),當(dang)蓄(xu)電(dian)池(chi)電(dian)壓(ya)處(chu)於(yu)正(zheng)常(chang)範(fan)圍(wei)的(de)電(dian)壓(ya)值(zhi)時(shi)電(dian)路(lu)正(zheng)常(chang)供(gong)電(dian),一(yi)旦(dan)其(qi)電(dian)壓(ya)低(di)於(yu)某(mou)一(yi)電(dian)壓(ya)值(zhi)即(ji)停(ting)止(zhi)對(dui)外(wai)放(fang)電(dian),同(tong)時(shi)伴(ban)有(you)指(zhi)示(shi)燈(deng)閃(shan)爍(shuo)顯(xian)示(shi)。
這zhe是shi一yi款kuan具ju有you電dian壓ya指zhi示shi功gong能neng的de蓄xu電dian池chi保bao護hu電dian路lu,當dang蓄xu電dian池chi電dian壓ya處chu於yu正zheng常chang範fan圍wei的de電dian壓ya值zhi時shi電dian路lu正zheng常chang供gong電dian,一yi旦dan其qi電dian壓ya低di於yu某mou一yi電dian壓ya值zhi即ji停ting止zhi對dui外wai放fang電dian,同tong時shi伴ban有you指zhi示shi燈deng閃shan爍shuo顯xian示shi。路lu如ru圖tu所suo示shi。

具有電壓指示的蓄點知保護電路
電電路工作原理:由圖可知,IC及外圍元件組成蓄電池電壓檢測電路,IC為10點LED電平指示集成電路,當IC指示輸出電壓時其對應的某個輸出端為低電平,並使對應的一隻LED點亮,以指示此時蓄電池的電壓大小。R1、R2組成分壓器,從R2兩端取出檢測電壓送至IC的輸入端(第5腳)。當蓄電池電壓處於正常電壓範圍時,則IC第13~15腳中的某腳為低電平,因此V1導通使繼電器吸合,其動合觸點K-1接通,電路“OUT”端輸出電壓。由於該電路中IC的工作方式設置為點狀方式,當電池電壓變化時其對應的指示輸出端被選通,且與之相對應的LED管被點亮,並根據電池電壓的正常與否,將繼電器觸點K1斷開或接通。
該電路中,當蓄電池電壓低於其放電電壓的最低值時,將使IC第17、18、1腳中的某腳選通,由晶體管V3、V4構成的簡易振蕩電路獲得工作電壓而起振,使閃爍指示燈HL不斷閃爍,以提醒人們此時需要對蓄電池進行充電。該指示燈HL的閃爍頻率可由電阻R8、電容C來確定,電子愛好者可自行選擇。當V2導通時,V1處於截止狀態,在指示燈HL閃爍顯示時電器觸點K-1斷開,使蓄電池停止向負載電路供電,從而保護了蓄電池。用來顯示蓄電池電壓大小的顯示裝置由LED1~LED10組成,在每隻LED下方應標出與蓄電池相對應的電壓大小。當某隻LED點亮時便可直觀地了解到此時電池電壓的變化情況。
元器件選擇:IC為10點LED電平指示驅動集成電路LM3914,LED1~LED10選用2×5mm綠色發光二極管,組成顯示陣列。二極管VD1~VD6選用lN4148,晶體管V1~V3選用C9O12,V4選用D882*率管。HL為12V燈泡外加紅色罩。繼電器K可根據需要選用合適的12V直流繼電器,電阻均為具有1/8W功率的碳膜電阻,R2為可調電阻。
特別推薦
- 噪聲中提取真值!瑞盟科技推出MSA2240電流檢測芯片賦能多元高端測量場景
- 10MHz高頻運行!氮矽科技發布集成驅動GaN芯片,助力電源能效再攀新高
- 失真度僅0.002%!力芯微推出超低內阻、超低失真4PST模擬開關
- 一“芯”雙電!聖邦微電子發布雙輸出電源芯片,簡化AFE與音頻設計
- 一機適配萬端:金升陽推出1200W可編程電源,賦能高端裝備製造
技術文章更多>>
- 貿澤EIT係列新一期,探索AI如何重塑日常科技與用戶體驗
- 算力爆發遇上電源革新,大聯大世平集團攜手晶豐明源線上研討會解鎖應用落地
- 創新不止,創芯不已:第六屆ICDIA創芯展8月南京盛大啟幕!
- AI時代,為什麼存儲基礎設施的可靠性決定數據中心的經濟效益
- 矽典微ONELAB開發係列:為毫米波算法開發者打造的全棧工具鏈
技術白皮書下載更多>>
- 車規與基於V2X的車輛協同主動避撞技術展望
- 數字隔離助力新能源汽車安全隔離的新挑戰
- 汽車模塊拋負載的解決方案
- 車用連接器的安全創新應用
- Melexis Actuators Business Unit
- Position / Current Sensors - Triaxis Hall
熱門搜索




