給你一雙“火眼金睛”:你能讓放大電路圖現出“原形”嗎?
發布時間:2014-04-03 責任編輯:xiongjianhua
放大電路的用途和組成
放大器有交流放大器和直流放大器。交流放大器又可按頻率分為低頻、中源和高頻;接輸出信號強弱分成電壓放大、功(gong)率(lv)放(fang)大(da)等(deng)。此(ci)外(wai)還(hai)有(you)用(yong)集(ji)成(cheng)運(yun)算(suan)放(fang)大(da)器(qi)和(he)特(te)殊(shu)晶(jing)體(ti)管(guan)作(zuo)器(qi)件(jian)的(de)放(fang)大(da)器(qi)。它(ta)是(shi)電(dian)子(zi)電(dian)路(lu)中(zhong)最(zui)複(fu)雜(za)多(duo)變(bian)的(de)電(dian)路(lu)。但(dan)初(chu)學(xue)者(zhe)經(jing)常(chang)遇(yu)到(dao)的(de)也(ye)隻(zhi)是(shi)少(shao)數(shu)幾(ji)種(zhong)較(jiao)為(wei)典(dian)型(xing)的(de)放(fang)大(da)電(dian)路(lu)。
讀放大電路圖時也還是按照“逐級分解、抓住關鍵、細致分析、全麵綜合”的原則和步驟進行。首先把整個放大電路按輸入、輸出逐級分開,然後逐級抓住關鍵進行分析弄通原理。放大電路有它本身的特點:一是有靜態和動態兩種工作狀態,所以有時往往要畫出它的直流通路和交流通路才能進行分析;二是電路往往加有負反饋,這種反饋有時在本級內,有時是從後級反饋到前級,所以在分析這一級時還要能“瞻前顧後”。在弄通每一級的原理之後就可以把整個電路串通起來進行全麵綜合。
下麵我們介紹幾種常見的放大電路:
低頻電壓放大器
低頻電壓放大器是指工作頻率在20 赫~ 20 千赫之間、輸出要求有一定電壓值而不要求很強的電流的放大器。
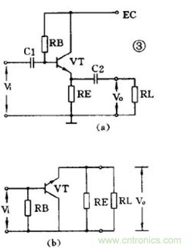
( 1 )共發射極放大電路
圖1 ( a )是共發射極放大電路。C1 是輸入電容, C2 是輸出電容,三極管VT 就是起放大作用的器件, RB 是基極偏置電阻,RC 是集電極負載電阻。1 、3 端是輸入, 2 、3端是輸出。3 端是公共點,通常是接地的,也稱“地”端。靜態時的直流通路見圖1 ( b ),動態時交流通路見圖1 ( c )。電路的特點是電壓放大倍數從十幾到一百多,輸出電壓的相位和輸入電壓是相反的,性能不夠穩定,可用於一般場合。

[page]


( 2 )分壓式偏置共發射極放大電路
圖2 比圖1 多用3 個元件。基極電壓是由RB1 和RB2 分壓取得的,所以稱為分壓偏置。發射極中增加電阻RE 和電容CE , CE 稱交流旁路電容,對交流是短路的; RE zeyouzhiliufufankuizuoyong。suoweifankuishizhibashuchudebianhuatongguomouzhongfangshisongdaoshuruduan,zuoweishurudeyibufen。ruguosonghuibufenheyuanlaideshurubufenshixiangjiande,jiushifufankui。tuzhongjijizhenzhengdeshurudianyashiRB2 上電壓和RE 上電壓的差值,所以是負反饋。由於采取了上麵兩個措施,使電路工作穩定性能提高,是應用最廣的放大電路。

( 3 )射極輸出器
圖3 ( a )是一個射極輸出器。它的輸出電壓是從射極輸出的。圖3 ( b )是它的交流通路圖,可以看到它是共集電極放大電路。

這個圖中,晶體管真正的輸入是V i 和V o 的差值,所以這是一個交流負反饋很深的電路。由於很深的負反饋,這個電路的特點是:電壓放大倍數小於1 而接近1 ,輸出電壓和輸入電壓同相,輸入阻抗高輸出阻抗低,失真小,頻帶寬,工作穩定。它經常被用作放大器的輸入級、輸出級或作阻抗匹配之用。
[page]
( 4 )低頻放大器的耦合
一個放大器通常有好幾級,級與級之間的聯係就稱為耦合。放大器的級間耦合方式有三種:①RC 耦合,見圖4 ( a )。優點是簡單、成本低。但性能不是最佳。② 變壓器耦合,見圖4 ( b )。優點是阻抗匹配好、輸出功率和效率高,但變壓器製作比較麻煩。③ 直接耦合,見圖4 ( c )。優點是頻帶寬,可作直流放大器使用,但前後級工作有牽製,穩定性差,設計製作較麻煩。



( 1 )甲類單管功率放大器

圖5 是單管功率放大器, C1 是輸入電容, T 是輸出變壓器。它的集電極負載電阻Ri′ 是將負載電阻R L 通過變壓器匝數比折算過來的:
RC′= ( N1 N2 ) 2 RL=N 2 RL
負fu載zai電dian阻zu是shi低di阻zu抗kang的de揚yang聲sheng器qi,用yong變bian壓ya器qi可ke以yi起qi阻zu抗kang變bian換huan作zuo用yong,使shi負fu載zai得de到dao較jiao大da的de功gong率lv。這zhe個ge電dian路lu不bu管guan有you沒mei有you輸shu入ru信xin號hao,晶jing體ti管guan始shi終zhong處chu於yu導dao通tong狀zhuang,靜jing態tai電dian流liu比bi較jiao大da,困kun此ci集ji電dian極ji損sun耗hao較jiao大da,效xiao率lv不bu高gao,大da約yue隻zhi有you35 %。這種工作狀態被稱為甲類工作狀態。這種電路一般用在功率不太大的場合,它的輸入方式可以是變壓器耦合也可以是RC 耦合。
( 2 )乙類推挽功率放大器

圖6 是shi常chang用yong的de乙yi類lei推tui挽wan功gong率lv放fang大da電dian路lu。它ta由you兩liang個ge特te性xing相xiang同tong的de晶jing體ti管guan組zu成cheng對dui稱cheng電dian路lu,在zai沒mei有you輸shu入ru信xin號hao時shi,每mei個ge管guan子zi都dou處chu於yu截jie止zhi狀zhuang態tai,靜jing態tai電dian流liu幾ji乎hu是shi零ling,隻zhi有you在zai有you信xin號hao輸shu入ru時shi管guan子zi才cai導dao通tong,這zhe種zhong狀zhuang態tai稱cheng為wei乙yi類lei工gong作zuo狀zhuang態tai。當dang輸shu入ru信xin號hao是shi正zheng弦xian波bo時shi,正zheng半ban周zhou時shiVT1 導通VT2 截止,負半周時VT2 導通VT1 截jie止zhi。兩liang個ge管guan子zi交jiao替ti出chu現xian的de電dian流liu在zai輸shu出chu變bian壓ya器qi中zhong合he成cheng,使shi負fu載zai上shang得de到dao純chun正zheng的de正zheng弦xian波bo。這zhe種zhong兩liang管guan交jiao替ti工gong作zuo的de形xing式shi叫jiao做zuo推tui挽wan電dian路lu。乙yi類lei推tui挽wan放fang大da器qi的de輸shu出chu功gong率lv較jiao大da,失shi真zhen也ye小xiao,效xiao率lv也ye較jiao高gao,一yi般ban可ke達da60 %。
[page]
( 3 ) OTL 功率放大器

目前廣泛應用的無變壓器乙類推挽放大器,簡稱OTL 電路,是一種性能很好的功率放大器。為了易於說明,先介紹一個有輸入變壓器沒有輸出變壓器的OTL 電路,如圖7 。
這個電路使用兩個特性相同的晶體管,兩組偏置電阻和發射極電阻的阻值也相同。在靜態時,VT1 、VT2 流過的電流很小,電容C 上充有對地為1 2 E c 的直流電壓。在有輸入信號時,正半周時VT1 導通, VT2 截止,集電極電流i c1 方向如圖所示,負載RL 上得到放大了的正半周輸出信號。負半周時VT1 截止, VT2 導通,集電極電流i c2 的方向如圖所示, RL 上得到放大了的負半周輸出信號。這個電路的關鍵元件是電容器C ,它上麵的電壓就相當於VT2 的供電電壓。
以這個電路為基礎,還有用三極管倒相的不用輸入變壓器的真正OTL 電路,用PNP 管和NPN 管組成的互補對稱式OTL 電路,以及最新的橋接推挽功率放大器,簡稱BTL 電路等等。
直流放大器
能夠放大直流信號或變化很緩慢的信號的電路稱為直流放大電路或直流放大器。測量和控製方麵常用到這種放大器。
( 1 )雙管直耦放大器
直流放大器不能用RC 耦合或變壓器耦合,隻能用直接耦合方式。圖8 是一個兩級直耦放大器。直耦方式會帶來前後級工作點的相互牽製,電路中在VT2 的發射極加電阻R E 以(yi)提(ti)高(gao)後(hou)級(ji)發(fa)射(she)極(ji)電(dian)位(wei)來(lai)解(jie)決(jue)前(qian)後(hou)級(ji)的(de)牽(qian)製(zhi)。直(zhi)流(liu)放(fang)大(da)器(qi)的(de)另(ling)一(yi)個(ge)更(geng)重(zhong)要(yao)的(de)問(wen)題(ti)是(shi)零(ling)點(dian)漂(piao)移(yi)。所(suo)謂(wei)零(ling)點(dian)漂(piao)移(yi)是(shi)指(zhi)放(fang)大(da)器(qi)在(zai)沒(mei)有(you)輸(shu)入(ru)信(xin)號(hao)時(shi),由(you)於(yu)工(gong)作(zuo)點(dian)不(bu)穩(wen)定(ding)引(yin)起(qi)靜(jing)態(tai)電(dian)位(wei)緩(huan)慢(man)地(di)變(bian)化(hua),這(zhe)種(zhong)變(bian)化(hua)被(bei)逐(zhu)級(ji)放(fang)大(da),使(shi)輸(shu)出(chu)端(duan)產(chan)生(sheng)虛(xu)假(jia)信(xin)號(hao)。放(fang)大(da)器(qi)級(ji)數(shu)越(yue)多(duo),零(ling)點(dian)漂(piao)移(yi)越(yue)嚴(yan)重(zhong)。所(suo)以(yi)這(zhe)種(zhong)雙(shuang)管(guan)直(zhi)耦(ou)放(fang)大(da)器(qi)隻(zhi)能(neng)用(yong)於(yu)要(yao)求(qiu)不(bu)高(gao)的(de)場(chang)合(he)。

( 2 )差分放大器
解決零點漂移的辦法是采用差分放大器,圖9 是應用較廣的射極耦合差分放大器。它使用雙電源,其中VT1 和VT2 的特性相同,兩組電阻數值也相同, R E 有負反饋作用。實際上這是一個橋形電路,兩個R C 和兩個管子是四個橋臂,輸出電壓V 0 從電橋的對角線上取出。沒有輸入信號時,因為RC1=RC2 和he兩liang管guan特te性xing相xiang同tong,所suo以yi電dian橋qiao是shi平ping衡heng的de,輸shu出chu是shi零ling。由you於yu是shi接jie成cheng橋qiao形xing,零ling點dian漂piao移yi也ye很hen小xiao。差cha分fen放fang大da器qi有you良liang好hao的de穩wen定ding性xing,因yin此ci得de到dao廣guang泛fan的de應ying用yong。

[page]
集成運算放大器
集ji成cheng運yun算suan放fang大da器qi是shi一yi種zhong把ba多duo級ji直zhi流liu放fang大da器qi做zuo在zai一yi個ge集ji成cheng片pian上shang,隻zhi要yao在zai外wai部bu接jie少shao量liang元yuan件jian就jiu能neng完wan成cheng各ge種zhong功gong能neng的de器qi件jian。因yin為wei它ta早zao期qi是shi用yong在zai模mo擬ni計ji算suan機ji中zhong做zuo加jia法fa器qi、乘法器用的,所以叫做運算放大器。它有十多個引腳,一般都用有3 個端子的三角形符號表示,如圖10 。它有兩個輸入端、1 個輸出端,上麵那個輸入端叫做反相輸入端,用“ — ”作標記;下麵的叫同相輸入端,用“+”作標記。

集成運算放大器可以完成加、減、乘、除、微分、積分等多種模擬運算,也可以接成交流或直流放大器應用。在作放大器應用時有:
( 1 )帶調零的同相輸出放大電路

圖11 是帶調零端的同相輸出運放電路。引腳1 、11 、12 是調零端,調整RP 可使輸出端( 8 )在靜態時輸出電壓為零。9 、6 兩腳分別接正、負電源。輸入信號接到同相輸入端( 5 ),因此輸出信號和輸入信號同相。放大器負反饋經反饋電阻R2 接到反相輸入端( 4 )。同相輸入接法的電壓放大倍數總是大於1 的。
( 2 )反相輸出運放電路

也可以使輸入信號從反相輸入端接入,如圖12 。如對電路要求不高,可以不用調零,這時可以把3 個調零端短路。輸入信號從耦合電容C1 經R1 接入反相輸入端,而同相輸入端通過電阻R3 接地。反相輸入接法的電壓放大倍數可以大於1 、等於1 或小於1 。
[page]
( 3 )同相輸出高輸入阻抗運放電路
圖13 中沒有接入R1 ,相當於R1 阻值無窮大,這時電路的電壓放大倍數等於1 ,輸入阻抗可達幾百千歐。

放fang大da電dian路lu是shi電dian子zi電dian路lu中zhong變bian化hua較jiao多duo和he較jiao複fu雜za的de電dian路lu。在zai拿na到dao一yi張zhang放fang大da電dian路lu圖tu時shi,首shou先xian要yao把ba它ta逐zhu級ji分fen解jie開kai,然ran後hou一yi級ji一yi級ji分fen析xi弄nong懂dong它ta的de原yuan理li,最zui後hou再zai全quan麵mian綜zong合he。讀du圖tu時shi要yao注zhu意yi: ① 在zai逐zhu級ji分fen析xi時shi要yao區qu分fen開kai主zhu要yao元yuan器qi件jian和he輔fu助zhu元yuan器qi件jian。放fang大da器qi中zhong使shi用yong的de輔fu助zhu元yuan器qi件jian很hen多duo,如ru偏pian置zhi電dian路lu中zhong的de溫wen度du補bu償chang元yuan件jian,穩wen壓ya穩wen流liu元yuan器qi件jian,防fang止zhi自zi激ji振zhen蕩dang的de防fang振zhen元yuan件jian、去耦元件,保護電路中的保護元件等。② 在zai分fen析xi中zhong最zui主zhu要yao和he困kun難nan的de是shi反fan饋kui的de分fen析xi,要yao能neng找zhao出chu反fan饋kui通tong路lu,判pan斷duan反fan饋kui的de極ji性xing和he類lei型xing,特te別bie是shi多duo級ji放fang大da器qi,往wang往wang以yi後hou級ji將jiang負fu反fan饋kui加jia到dao前qian級ji,因yin此ci更geng要yao細xi致zhi分fen析xi。③一般低頻放大器常用RC 耦合方式;高頻放大器則常常是和LC 調諧電路有關的,或是用單調諧或是用雙調諧電路,而且電路裏使用的電容器容量一般也比較小。④ 注意晶體管和電源的極性,放大器中常常使用雙電源,這是放大電路的特殊性。
例1 助聽器電路

圖14 是一個助聽器電路,實際上是一個4 級低頻放大器。VT1 、VT2 之間和VT3 、VT4 之間采用直接耦合方式, VT2 和VT3 之間則用RC 耦合。為了改善音質, VT1 和VT3 的本級有並聯電壓負反饋( R2 和R7 )。由於使用高阻抗的耳機,所以可以把耳機直接接在VT4 的集電極回路內。R6 、C2 是去耦電路, C6 是電源濾波電容。
例2 收音機低放電路

圖15 是普及型收音機的低放電路。電路共3 級,第1 級( VT1 )前置電壓放大,第2 級( VT2 )是推動級,第3 級( VT3 、VT4 )是推挽功放。VT1 和VT2 之間采用直接耦合,VT2 和VT3 、VT4 之間用輸入變壓器( T1 )耦合並完成倒相,最後用輸出變壓器( T2 )輸出,使用低阻揚聲器。此外, VT1 本級有並聯電壓負反饋( R1 ), T2 次級經R3 送回到VT2 有串聯電壓負反饋。電路中C2 的作用是增強高音區的負反饋,減弱高音以增強低音。R4 、C4 為去耦電路, C3 為電源的濾波電容。整個電路簡單明了。
相關閱讀:
【設計指南】如何控製運算放大器增益誤差
http://m.0-fzl.cn/power-art/80020654
工程師眾議:運算放大器的偏置零漂等應用技巧
http://m.0-fzl.cn/admin/articlesedit/atrid/80021353
工程師分享:幾類常見運算放大器及設計要點解析
http://m.0-fzl.cn/sensor-art/80021670
- 噪聲中提取真值!瑞盟科技推出MSA2240電流檢測芯片賦能多元高端測量場景
- 10MHz高頻運行!氮矽科技發布集成驅動GaN芯片,助力電源能效再攀新高
- 失真度僅0.002%!力芯微推出超低內阻、超低失真4PST模擬開關
- 一“芯”雙電!聖邦微電子發布雙輸出電源芯片,簡化AFE與音頻設計
- 一機適配萬端:金升陽推出1200W可編程電源,賦能高端裝備製造
- 算力爆發遇上電源革新,大聯大世平集團攜手晶豐明源線上研討會解鎖應用落地
- 築基AI4S:摩爾線程全功能GPU加速中國生命科學自主生態
- 一秒檢測,成本降至萬分之一,光引科技把幾十萬的台式光譜儀“搬”到了手腕上
- AI服務器電源機櫃Power Rack HVDC MW級測試方案
- 突破工藝邊界,奎芯科技LPDDR5X IP矽驗證通過,速率達9600Mbps
- 車規與基於V2X的車輛協同主動避撞技術展望
- 數字隔離助力新能源汽車安全隔離的新挑戰
- 汽車模塊拋負載的解決方案
- 車用連接器的安全創新應用
- Melexis Actuators Business Unit
- Position / Current Sensors - Triaxis Hall


