適用於儀器儀表、國防和航空航天係統的D / A轉換器
發布時間:2013-01-05 責任編輯:easonxu
【導讀】雙16位,1.6 GSPS D / A轉換器支持高數據速率和複雜的調製方案需要在通信,測試和儀器儀表,國防和航空航天係統。
ADI公司,公司是一家領先的高性能信號處理技術,介紹了AD9142雙通道,16位,1.6 GSPS e/ A轉換器,它支持高數據速率和複雜的調製方案需要在通信,測試和儀器儀表,國防和航空航天係統。

圖1:1.6 GSPS D / A轉換器的運用
可編程插值率,高采樣率,以及精細NCO調製能力相結合,使係統設計人員能夠靈活選擇D / A轉換器的輸出頻率時。在滿足4到6載波GSM傳輸技術規格和其它通信標準,這是特別有用的。工作的片上PLL(鎖相環),一個D / A轉換器的輸出頻率為200 MHz,AD9142提供了一個79 dB的鄰道泄漏比(ACLR)為6載波GSM應用。
AD9142包括集成的內插濾波器,可選內插因子為2,4,8。雙D / A轉換器的數據接口支持字和字節的負載,使客戶減少輸入引腳上的數據傳輸速率較低,節省電路板空間,功耗和成本。AD9142是在節省空間的72引腳LFCSP(引腳架構芯片級封裝)。
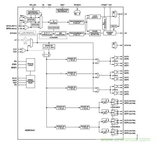
互補的的ADI元件包括ADL537x係列和ADRF670x的係列正交調製器,和AD9516 14輸出時鍾發生器IC。
- 噪聲中提取真值!瑞盟科技推出MSA2240電流檢測芯片賦能多元高端測量場景
- 10MHz高頻運行!氮矽科技發布集成驅動GaN芯片,助力電源能效再攀新高
- 失真度僅0.002%!力芯微推出超低內阻、超低失真4PST模擬開關
- 一“芯”雙電!聖邦微電子發布雙輸出電源芯片,簡化AFE與音頻設計
- 一機適配萬端:金升陽推出1200W可編程電源,賦能高端裝備製造
- 一秒檢測,成本降至萬分之一,光引科技把幾十萬的台式光譜儀“搬”到了手腕上
- AI服務器電源機櫃Power Rack HVDC MW級測試方案
- 突破工藝邊界,奎芯科技LPDDR5X IP矽驗證通過,速率達9600Mbps
- 通過直接、準確、自動測量超低範圍的氯殘留來推動反滲透膜保護
- 從技術研發到規模量產:恩智浦第三代成像雷達平台,賦能下一代自動駕駛!
- 車規與基於V2X的車輛協同主動避撞技術展望
- 數字隔離助力新能源汽車安全隔離的新挑戰
- 汽車模塊拋負載的解決方案
- 車用連接器的安全創新應用
- Melexis Actuators Business Unit
- Position / Current Sensors - Triaxis Hall




