三種HDMI端口ESD保護方案對比
發布時間:2012-05-22
中心議題:
- 三種HDMI端口ESD保護方案對比
HDMI在單條線纜上結合音頻與視頻協定的高速數字數據接口,在手機、計算機等眾多設備之間互連廣泛,有哪些方案可以保證HDMI端口ESD保護的有效性,同時又不影響信號的完整性呢?本文集合了三種安森美最新的HDMI端口ESD防護方案。
高清多媒體接口 (HDMI)是一種在單條線纜上結合音頻與視頻協定的高速數字數據接口,能在手機、計算機、藍光播放機、機頂盒(STB)、汽車、液晶電視等眾多設備之間互連。

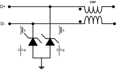
下圖為三種HDMI端口ESD保護方案:
低電容ESD保護、低電容ESD + 共模濾波器、匹配內部阻抗ESD保護PicoGuard XS®

低電容ESD保護

特性/優勢
0.4 pF ESD保護
流經高速線路上的布線
業界領先的低鉗位電壓

ESD7004: 低電容ESD保護二極管 MG2040
MG2040:MediaGuard全集成方案、含以太網保護(HDMI1.4)、回驅電流保護
下頁內容:低電容ESD + 共模濾波器
[page]

HDMI 1.3 & 1.4 = 3.4 Gbps 不帶ESD HDMI 1.3 & 1.4 = 3.4 Gbps 帶ESD
低電容ESD + 共模濾波器

特性/優勢
0.4 pF
差模(DM)插入損耗 – 1.0 dB @ 500 MHz
共模(CM)抑製 – 15 dB @ 500 MHz
流經高速線路上的布線
業界領先的低鉗位電壓
EMI4182: 集成ESD保護的共模濾波器

HDMI 1.3 & 1.4 = 3.4 Gbps

下頁內容:匹配內部阻抗ESD保護PicoGuard XS®
[page]
匹配內部阻抗ESD保護PicoGuard XS®

特性/優勢
100 Ω內部阻抗匹配
零並行電感 = 沒有線纜導致的ESD電壓尖峰
業界領先的低鉗位電壓
CM1234: PicoGuard XS® ESD 鉗位陣列



- 噪聲中提取真值!瑞盟科技推出MSA2240電流檢測芯片賦能多元高端測量場景
- 10MHz高頻運行!氮矽科技發布集成驅動GaN芯片,助力電源能效再攀新高
- 失真度僅0.002%!力芯微推出超低內阻、超低失真4PST模擬開關
- 一“芯”雙電!聖邦微電子發布雙輸出電源芯片,簡化AFE與音頻設計
- 一機適配萬端:金升陽推出1200W可編程電源,賦能高端裝備製造
- 貿澤EIT係列新一期,探索AI如何重塑日常科技與用戶體驗
- 算力爆發遇上電源革新,大聯大世平集團攜手晶豐明源線上研討會解鎖應用落地
- 創新不止,創芯不已:第六屆ICDIA創芯展8月南京盛大啟幕!
- AI時代,為什麼存儲基礎設施的可靠性決定數據中心的經濟效益
- 矽典微ONELAB開發係列:為毫米波算法開發者打造的全棧工具鏈
- 車規與基於V2X的車輛協同主動避撞技術展望
- 數字隔離助力新能源汽車安全隔離的新挑戰
- 汽車模塊拋負載的解決方案
- 車用連接器的安全創新應用
- Melexis Actuators Business Unit
- Position / Current Sensors - Triaxis Hall



