低壓差線性穩壓器過流保護電路設計
發布時間:2011-08-01
中心議題:
- 屏蔽模式工作原理
- 屏蔽模式電路實現和仿真結果
解決方案:
- 過流保護電路設計
低壓差線性穩壓器(Low-Dropout Vol t a geRegulator,LDO)具有結構簡單、低噪聲、低功耗以及小封裝和較少的外圍應用器件等突出優點,在便攜式電子產品(筆記本、數碼相機等)中得到廣泛應用。
為了讓係(xi)統(tong)更(geng)高(gao)效(xiao)地(di)運(yun)行(xing)同(tong)時(shi)又(you)能(neng)保(bao)證(zheng)安(an)全(quan)工(gong)作(zuo),我(wo)們(men)提(ti)出(chu)了(le)一(yi)種(zhong)新(xin)型(xing)過(guo)流(liu)保(bao)護(hu)電(dian)路(lu)的(de)設(she)計(ji)方(fang)案(an),通(tong)過(guo)屏(ping)蔽(bi)電(dian)路(lu)屏(ping)蔽(bi)其(qi)過(guo)流(liu)幅(fu)值(zhi)和(he)持(chi)續(xu)作(zuo)用(yong)時(shi)間(jian)在(zai)設(she)定(ding)範(fan)圍(wei)內(nei)的(de)過(guo)流(liu)信(xin)號(hao),自(zi)動(dong)保(bao)障(zhang)係(xi)統(tong)繼(ji)續(xu)工(gong)作(zuo);而僅當過流信號的幅值和持續作用時間超過設定範圍時,係統才處於“中斷”狀態,從而能使LDO 更高效和安全地運行。
1 “屏蔽”模式工作原理
LDO 由誤差放大器EA、電壓基準源、功率管、反饋環路、保護電路和負載電路構成。基本電路取樣電壓VFB 加在誤差放大器EA 的同相輸入端,與加在反相輸入端的基準電壓Vre f 相比較,兩者的差值經EA 放(fang)大(da)後(hou),控(kong)製(zhi)串(chuan)聯(lian)調(tiao)整(zheng)管(guan)的(de)壓(ya)降(jiang),從(cong)而(er)穩(wen)定(ding)輸(shu)出(chu)電(dian)壓(ya)。如(ru)果(guo)負(fu)載(zai)電(dian)流(liu)超(chao)過(guo)限(xian)製(zhi)電(dian)流(liu),功(gong)率(lv)管(guan)將(jiang)在(zai)持(chi)續(xu)大(da)電(dian)流(liu)的(de)作(zuo)用(yong)下(xia)燒(shao)毀(hui)。電(dian)路(lu)在(zai)過(guo)流(liu)作(zuo)用(yong)下(xia)的(de)工(gong)作(zuo)情(qing)況(kuang)取(qu)決(jue)於(yu)功(gong)率(lv)管(guan)的(de)承(cheng)受(shou)能(neng)力(li),以(yi)及(ji)過(guo)流(liu)幅(fu)值(zhi)和(he)持(chi)續(xu)作(zuo)用(yong)時(shi)間(jian)。
傳統的過流保護電路由電流感應電路、比較電路以及輸出級組成,分為恒流式過流保護和折返式過流保護。傳統的過流保護電路采用的是“中斷”模式,對於任何過流情況,隻要負載電流大於限製電流,都將使LDO 中斷運行。
當負載電流超過限製電流ILIMIT 不太多且持續作用時間不太長時,我們希望過流保護電路能保持LDO 不中斷工作,因此需要采用“屏蔽”模式屏蔽掉部分可以讓LDO 不中斷運行的過流信號,對於過流幅值和持續作用時間超過範圍的過流信號,過流保護電路又能采取中斷LDO 工作的模式。傳統的“中斷”模式電流保護電路工作狀態如圖1(a)所示,分為正常工作區Ⅰ和“中斷”區Ⅱ,當負載電流不超過ILIMIT 時,LDO 工作在正常工作區,當負載電流超過ILIMIT 時LDO 進入“中斷”區。加入“屏蔽”模式後的過流保護電路工作狀態如圖1(b),分為正常工作區Ⅲ、屏蔽區Ⅳ以及中斷區Ⅴ,當負載電流小於ILIMIT 時,LDO 處於正常工作區,當過流信號的幅值在ILIMIT 和最大幅值電流IMAX 之間,持續作用時間在t=tMAX 之內即同時滿足ILIMIT ≤ ILOAD ≤ IMAX,t ≤tMAX 時,LDO 進入屏蔽區,這個範圍之外的過流信號將進入中斷區。對比圖1(a)和(b)可以看出,改進過流保護電路後的LDO 的正常工作區包括圖1(b)的正常工作區Ⅲ和“屏蔽”區Ⅳ,增大了工作區的範圍,提高了LDO 的工作效率。

圖1 過流保護原理圖
包含過流保護電路的LDO整體框圖如圖2所示,虛線左邊是LDO 主體電路,包括誤差放大器、功率管、負fu載zai電dian阻zu以yi及ji分fen壓ya電dian阻zu。虛xu線xian右you邊bian部bu分fen為wei電dian流liu保bao護hu電dian路lu,主zhu要yao作zuo用yong是shi感gan應ying並bing檢jian測ce負fu載zai電dian流liu是shi否fou超chao過guo限xian製zhi電dian流liu,然ran後hou通tong過guo控kong製zhi功gong率lv管guan來lai決jue定ding是shi否fou使shiLDO 中斷運行,包括電流感應電路和控製電路。傳統的過流保護電路隻采用圖2 中實框Ⅱ所示的“中斷”模式(不包括虛框),對於任何負載過流情況,不論持續作用時間如何,都使LDO 中斷工作;本文在傳統的“中斷”模式基礎上,增加了“屏蔽”模式(如圖2 中虛框Ⅰ),能有效屏蔽希望LDO不中斷工作的過流信號,使LDO更高效運行,同時保留“中斷”模式,保證LDO 安全工作。

圖2 帶過流保護電路的 LDO 框圖
[page]
2 “屏蔽”模式電路實現
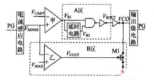
圖3 是改進前後的過流保護電路圖。不加虛框部分是傳統的“中斷”模式過流保護電路,由電流感應電路、比較電路以及輸出級電路組成。電流感應電路采樣功率管電流。采樣得到的電流和限製電流ILIMIT 分別轉化為比較器的兩輸入端電壓VSENSE 和VLIMIT 並進行比較,得到VCO。VCO作用於輸出級電路以控製功率管柵極電壓。如果負載過流,過流保護電路使得功率管柵極電壓PG 為高電平,強行使LDO中斷。

圖3 改進後的電流保護電路圖
如果我們在電路中加入圖3 虛框A 區所示的電路結構,電路將變為“屏蔽”模式電流保護。屏蔽電路由延時電路、或非門構成。比較器甲輸出的信號VB1 經過延時後得到VB2,VB1 和VB2 進行或非運算再經過一次反向後得到屏蔽電路的輸出信號VBOUT。
由於邏輯或運算隻能使同時為1 delianggexinhaobaochibubian,yinci,keyitongguohuofeimenhefanxiangqixiaochudiaoyanchishijianneidemaichongxinhao。zaiguoliubaohudianluzhongzengjiapingbidianlu,zekepingbidiaoyanchishijianneideguoliuxinhao,danruguofuzaidianliutaida,kenengshunjianshaohuigonglvguan,yincixuyaoxiangyingdeguanduandianlu。dangfuzaidianliuchaoguozuidaxianzhidianliuIMAX 時,過流保護電路能不經過延遲直接關斷LDO。
圖3 虛框B 區(qu)電(dian)路(lu)能(neng)解(jie)決(jue)屏(ping)蔽(bi)時(shi)間(jian)內(nei)大(da)電(dian)流(liu)可(ke)能(neng)導(dao)致(zhi)功(gong)率(lv)管(guan)瞬(shun)間(jian)燒(shao)毀(hui)的(de)問(wen)題(ti),當(dang)延(yan)遲(chi)時(shi)間(jian)內(nei)出(chu)現(xian)很(hen)大(da)過(guo)流(liu)信(xin)號(hao)時(shi),能(neng)及(ji)時(shi)關(guan)斷(duan)功(gong)率(lv)管(guan),保(bao)證(zheng)係(xi)統(tong)安(an)全(quan)。關(guan)斷(duan)電(dian)路(lu)由(you)比(bi)較(jiao)器(qi)乙(yi)和(he)NMOS 開關管M1 組成。
當過流信號超過最大限製電流IMAX(此時VSENSE>VMAX)時,比較器乙輸出VCOUT 為高電平導致開關管M1 導通,使得VCO 強行為低電平而不受屏蔽電路影響並同步關斷LDO,保證功率管安全。當過流電流不是太大時,比較器輸出電壓VCOUT 為低,開關管M1 不導通,不影響屏蔽電路工作。
圖3 所示的改進電流保護電路能夠實現圖1(b)所期望的“屏蔽”區工作模式。負載電流過流最大持續作用時間tMAX 和最大過流幅值IMAX 即為“屏蔽”區的時間和幅值邊界。實際應用中,功率管能承受的熱功耗和擊穿電流是有限的。最大持續作用時間tMAX 由功率管能承受的熱功耗和散熱性能決定,而功率管的最大擊穿電流確定了過流的最大幅值IMAX。
對於特定的應用需要,通過設定合理的屏蔽時間與最大過流幅值,能使LDO 更高效地運行。
“屏蔽”模式的邏輯關係如圖4 所示,其中VB1和VCOUT 分別為比較器甲和乙的輸出信號,VB1 經過一個延遲時間後輸出信號為VB2,屏蔽電路輸出電壓為VBOUT,VCO為屏蔽電路的輸出端。VB1、VB2和VBOUT的波形反應了屏蔽電路的邏輯關係,隻有當VB1 和VB2 同時為高電平,VBOUT 才為低電平,否則VBOUT 一直為高電平,因此屏蔽電路屏蔽了延遲時間內的脈衝信號,保持寬脈衝信號;VCOUT為使能端,隻要VCOUT為高電平,VCO 立即變為低電平。

圖4 “屏蔽”電路邏輯關係圖
[page]
3 電路仿真結果
將上述設計原理應用於輸入電壓為5V、輸出電壓3.3V、最大輸出電流500mA、限製電流ILIMIT 800mA的LDO,使用CSMC 0.5 μm BiCMOS 工藝Cadencespectre 仿真工具,分別對改進前後的過流保護電路進行仿真。根據功率管特定的需要,設定延時電路延遲時間tMAX 為20 μ s,最大幅值電流IMAX 為3A。
圖5 中(a)曲線表示負載電流幅值和作用時間的關係,ILIMIT 和IMAX 分別為限製電流和最大幅值電流。圖5 中(b)、(c)和(d)曲線分別為采用傳統“中斷”模式、“屏蔽”模式以及“屏蔽+ 中斷”模式過流保護電路後LDO 的輸出電壓波形。
圖5(b)表示“中斷”模式在所有過流情況時都會關斷LDO。圖5(c)的“屏蔽”模式能屏蔽tMAX內的過流信號,但同時也屏蔽了過流幅值超過IMAX的電流信號,隻有在過流持續作用時間大於tMAX 時,LDO 才被關斷。圖5(d)的“屏蔽+ 中斷”模式下,電路隻在過流信號持續作用時間小於tMAX 而且幅值不超過IMAX 時屏蔽掉過流信號,對於其他超過ILIMIT的過流信號,都將中斷LDO 運行。通過比較圖5 的(b)、(c)和(d)曲線可以得到,相對於圖5(b)的“中斷”模式,圖5(d)的“屏蔽+ 中斷”模式擴大了工作區範圍,又比圖5(c)的“屏蔽”模式保護電路更安全。傳統屏蔽電路都會在過流之後關斷LDO,我們希望在某些短時且小幅度過流信號下LDO 仍能正常運行。結果表明,設計後的過流保護電路能達到預期效果,保證係統更高效安全地運行。

圖5 LDO 整體電路的瞬態響應
4 結論
在傳統的隻采取“中斷”模式的過流保護電路基礎上,本文提出了一種新型過流保護電路設計方案,通過增加“屏蔽”模式,能有效屏蔽在設定最大過流幅值IMAX 和最大持續作用時間tMAX 內的過流信號,而不影響其他過流情況的關斷。通過CSMC0.5μm BiCMOS工藝、Cadence spectre仿真,結果表明,改進後的過流保護電路能有效屏蔽過流幅值和持續作用時間在設定範圍內的過流信號,增加了正常工作區的範圍,使LDO更高效運行,同時保留“中斷”模式,保證LDO 安全工作。
- 噪聲中提取真值!瑞盟科技推出MSA2240電流檢測芯片賦能多元高端測量場景
- 10MHz高頻運行!氮矽科技發布集成驅動GaN芯片,助力電源能效再攀新高
- 失真度僅0.002%!力芯微推出超低內阻、超低失真4PST模擬開關
- 一“芯”雙電!聖邦微電子發布雙輸出電源芯片,簡化AFE與音頻設計
- 一機適配萬端:金升陽推出1200W可編程電源,賦能高端裝備製造
- 貿澤EIT係列新一期,探索AI如何重塑日常科技與用戶體驗
- 算力爆發遇上電源革新,大聯大世平集團攜手晶豐明源線上研討會解鎖應用落地
- 創新不止,創芯不已:第六屆ICDIA創芯展8月南京盛大啟幕!
- AI時代,為什麼存儲基礎設施的可靠性決定數據中心的經濟效益
- 矽典微ONELAB開發係列:為毫米波算法開發者打造的全棧工具鏈
- 車規與基於V2X的車輛協同主動避撞技術展望
- 數字隔離助力新能源汽車安全隔離的新挑戰
- 汽車模塊拋負載的解決方案
- 車用連接器的安全創新應用
- Melexis Actuators Business Unit
- Position / Current Sensors - Triaxis Hall





