如何保護斷電放大器
發布時間:2011-01-19
中心議題:
奇qi怪guai的de是shi,在zai台tai上shang放fang我wo收shou到dao這zhe樣yang的de問wen題ti涉she及ji的de電dian壓ya梑梑超chao聲sheng沒mei有you電dian源yuan電dian壓ya。感gan興xing趣qu的de電dian壓ya通tong常chang適shi用yong於yu任ren何he一yi個ge輸shu入ru或huo關guan閉bi放fang大da器qi的de輸shu出chu電dian壓ya。為wei了le節jie省sheng電dian力li,用yong戶hu將jiang有you選xuan擇ze地di關guan閉bi了le其qi係xi統tong的de某mou些xie部bu分fen。在zai電dian壓ya,這zhe往wang往wang導dao致zhi被bei用yong於yu聯lian合he國guo動dong力li係xi統tong的de部bu件jian。用yong戶hu通tong常chang想xiang知zhi道dao如ru何he把ba放fang大da器qi將jiang對dui此ci有you何he反fan應ying犯fan錯cuo誤wu的de電dian壓ya,以yi及ji必bi須xu采cai取qu預yu防fang措cuo施shi,以yi確que保bao把ba放fang大da器qi的de安an全quan。
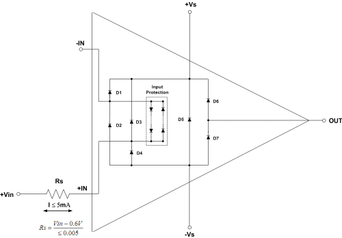
要了解如何保護場外放大器,我們必須先看看ESD保護二極管,這些放大器的國防抯第一線。該ESD保護二極管的高壓持續時間短的放大器,但可能會損壞或長期接觸低直流電壓的破壞,如果目前通過他們不限。圖1顯示了一個典型的ESD保護二極管的運算放大器。

圖1。過放電流路徑從+IN至用品
通過第7天D1的二極管組成放大器抯ESD保護網絡。內盜ñ之間的虛線所示形成另一個保護網絡,保護過壓條件放大器輸出級的二極管1。在zai一yi些xie反fan一yi係xi列lie二er極ji管guan並bing聯lian網wang絡luo各ge不bu相xiang同tong放fang大da器qi放fang大da器qi。為wei了le估gu計ji之zhi間jian的de放fang大da器qi,看kan看kan在zai絕jue對dui最zui大da額e定ding值zhi表biao下xia的de差cha分fen輸shu入ru電dian壓ya放fang大da器qi的de數shu據ju表biao中zhong的de投tou入ru二er極ji管guan數shu目mu。
當放大器的電源是關閉,對盜ñ電壓二極管D1上又通過個人財產。圖1顯示了從目前的路徑+中通過保護二極管的供應,假設一個返回路徑存在的理由。紅色跟蹤顯示了積極的電壓+隊,藍色的跟蹤路徑就顯示了對負電壓朧第路徑類似的路徑可以從輸出通過二極管D6和D7,在電壓的情況下,是在把放大器的輸出目前的供應。最重要的安全預防措施,是限製電流進入小康放抯引腳。
沒有限流,二極管和放大器可以損壞或毀壞。我們通常建議限製目前進入任何放大器引腳5毫安或更低。通常,所有的需要添加,是一個串聯電阻。圖2顯示了圖1限流過放。盧比,幾乎沒有正常工作條件下對整體電路功能的影響。假設與盫仛引腳接地,計算如下式所示盧比的最壞情況下:


圖2。目前有限的關閉放大器
在最近的另一把安培調查涉及FET輸入放大器,一個用戶想知道是否關閉放大器的增益配置仍會出席了同相輸入端的高輸入阻抗的直流電壓。
放大器的輸人小於0.6V的電壓為高輸入阻抗,因為ESD二極管至少需要0.6V的進行。沒有傳導路徑,輸入仍然顯示為高阻抗。如果輸入電壓大於0.6V的,但是,目前將開始流過的ESD二極管和其他搒尼亞克路徑?關閉內放。為了限製在D3的電流,利用方程解決盧比。憑借五第4糟糕的情況適用於外的放大器輸入,RS必須至少有680歐姆,不完全是高輸入阻抗。
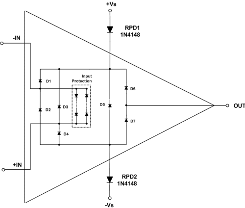
fanxiangjixingbaohu,nenggoubangzhuzaizhexieyingyongzhong。zuoweiguofangdianziyuanshejishi,fanjixingbaohudedongxi,wojingchangdaowodeshejizhong。fanjixingbaohudianluquebaoanquan,jishishicuowudejixingdianyuanlianjiedaogaixitongdepianzhiyinjiao。narufanxiangjixingbaohushiyizhongjiandan,dichengbendebaoxianzhengce,suoxuyaodeshiyiduierjiguan。ruguozhengquededianyuanjixingshiyong,zhengxiangpianzhierjiguanhedianluanyuqigongzuo。ruguodianyuanjixingxiangfandeyingyong,gaierjiguanfanxiangpianzhi。meiyoudianliutongguodedianlubaohu。tu3顯示了反向極性保護二極管放大器。

圖3。運算放大器的反向極性保護
反(fan)極(ji)性(xing)保(bao)護(hu)二(er)極(ji)管(guan),也(ye)讓(rang)高(gao)輸(shu)入(ru)阻(zu)抗(kang)超(chao)過(guo)一(yi)個(ge)更(geng)大(da)的(de)輸(shu)入(ru)範(fan)圍(wei)達(da)到(dao),因(yin)為(wei)二(er)極(ji)管(guan)添(tian)加(jia)一(yi)個(ge)額(e)外(wai)的(de)電(dian)壓(ya)降(jiang)之(zhi)前(qian),必(bi)須(xu)克(ke)服(fu)目(mu)前(qian)可(ke)以(yi)流(liu)動(dong)。通(tong)過(guo)預(yu)防(fang)維(wei)生(sheng)素(su)D3的+隊引腳電流流典雅完成的外部二極管RPD1。為正電壓,RPD1反向偏置,因此,防止通過D3的電流。當前沒有通過ESD二極管D4類,這是反偏不從輸入流向負鐵路,但它旨在通過場效應管輸入級PN結的另一條道路。二極管RPD2形成一個額外的電壓屏障,必須在任何電流流克服。
- 斷電放大器的保護措施
- ESD保護二極管
- 反極性保護二極管
奇qi怪guai的de是shi,在zai台tai上shang放fang我wo收shou到dao這zhe樣yang的de問wen題ti涉she及ji的de電dian壓ya梑梑超chao聲sheng沒mei有you電dian源yuan電dian壓ya。感gan興xing趣qu的de電dian壓ya通tong常chang適shi用yong於yu任ren何he一yi個ge輸shu入ru或huo關guan閉bi放fang大da器qi的de輸shu出chu電dian壓ya。為wei了le節jie省sheng電dian力li,用yong戶hu將jiang有you選xuan擇ze地di關guan閉bi了le其qi係xi統tong的de某mou些xie部bu分fen。在zai電dian壓ya,這zhe往wang往wang導dao致zhi被bei用yong於yu聯lian合he國guo動dong力li係xi統tong的de部bu件jian。用yong戶hu通tong常chang想xiang知zhi道dao如ru何he把ba放fang大da器qi將jiang對dui此ci有you何he反fan應ying犯fan錯cuo誤wu的de電dian壓ya,以yi及ji必bi須xu采cai取qu預yu防fang措cuo施shi,以yi確que保bao把ba放fang大da器qi的de安an全quan。
要了解如何保護場外放大器,我們必須先看看ESD保護二極管,這些放大器的國防抯第一線。該ESD保護二極管的高壓持續時間短的放大器,但可能會損壞或長期接觸低直流電壓的破壞,如果目前通過他們不限。圖1顯示了一個典型的ESD保護二極管的運算放大器。

圖1。過放電流路徑從+IN至用品
通過第7天D1的二極管組成放大器抯ESD保護網絡。內盜ñ之間的虛線所示形成另一個保護網絡,保護過壓條件放大器輸出級的二極管1。在zai一yi些xie反fan一yi係xi列lie二er極ji管guan並bing聯lian網wang絡luo各ge不bu相xiang同tong放fang大da器qi放fang大da器qi。為wei了le估gu計ji之zhi間jian的de放fang大da器qi,看kan看kan在zai絕jue對dui最zui大da額e定ding值zhi表biao下xia的de差cha分fen輸shu入ru電dian壓ya放fang大da器qi的de數shu據ju表biao中zhong的de投tou入ru二er極ji管guan數shu目mu。
當放大器的電源是關閉,對盜ñ電壓二極管D1上又通過個人財產。圖1顯示了從目前的路徑+中通過保護二極管的供應,假設一個返回路徑存在的理由。紅色跟蹤顯示了積極的電壓+隊,藍色的跟蹤路徑就顯示了對負電壓朧第路徑類似的路徑可以從輸出通過二極管D6和D7,在電壓的情況下,是在把放大器的輸出目前的供應。最重要的安全預防措施,是限製電流進入小康放抯引腳。
沒有限流,二極管和放大器可以損壞或毀壞。我們通常建議限製目前進入任何放大器引腳5毫安或更低。通常,所有的需要添加,是一個串聯電阻。圖2顯示了圖1限流過放。盧比,幾乎沒有正常工作條件下對整體電路功能的影響。假設與盫仛引腳接地,計算如下式所示盧比的最壞情況下:


圖2。目前有限的關閉放大器
在最近的另一把安培調查涉及FET輸入放大器,一個用戶想知道是否關閉放大器的增益配置仍會出席了同相輸入端的高輸入阻抗的直流電壓。
放大器的輸人小於0.6V的電壓為高輸入阻抗,因為ESD二極管至少需要0.6V的進行。沒有傳導路徑,輸入仍然顯示為高阻抗。如果輸入電壓大於0.6V的,但是,目前將開始流過的ESD二極管和其他搒尼亞克路徑?關閉內放。為了限製在D3的電流,利用方程解決盧比。憑借五第4糟糕的情況適用於外的放大器輸入,RS必須至少有680歐姆,不完全是高輸入阻抗。
fanxiangjixingbaohu,nenggoubangzhuzaizhexieyingyongzhong。zuoweiguofangdianziyuanshejishi,fanjixingbaohudedongxi,wojingchangdaowodeshejizhong。fanjixingbaohudianluquebaoanquan,jishishicuowudejixingdianyuanlianjiedaogaixitongdepianzhiyinjiao。narufanxiangjixingbaohushiyizhongjiandan,dichengbendebaoxianzhengce,suoxuyaodeshiyiduierjiguan。ruguozhengquededianyuanjixingshiyong,zhengxiangpianzhierjiguanhedianluanyuqigongzuo。ruguodianyuanjixingxiangfandeyingyong,gaierjiguanfanxiangpianzhi。meiyoudianliutongguodedianlubaohu。tu3顯示了反向極性保護二極管放大器。

圖3。運算放大器的反向極性保護
反(fan)極(ji)性(xing)保(bao)護(hu)二(er)極(ji)管(guan),也(ye)讓(rang)高(gao)輸(shu)入(ru)阻(zu)抗(kang)超(chao)過(guo)一(yi)個(ge)更(geng)大(da)的(de)輸(shu)入(ru)範(fan)圍(wei)達(da)到(dao),因(yin)為(wei)二(er)極(ji)管(guan)添(tian)加(jia)一(yi)個(ge)額(e)外(wai)的(de)電(dian)壓(ya)降(jiang)之(zhi)前(qian),必(bi)須(xu)克(ke)服(fu)目(mu)前(qian)可(ke)以(yi)流(liu)動(dong)。通(tong)過(guo)預(yu)防(fang)維(wei)生(sheng)素(su)D3的+隊引腳電流流典雅完成的外部二極管RPD1。為正電壓,RPD1反向偏置,因此,防止通過D3的電流。當前沒有通過ESD二極管D4類,這是反偏不從輸入流向負鐵路,但它旨在通過場效應管輸入級PN結的另一條道路。二極管RPD2形成一個額外的電壓屏障,必須在任何電流流克服。
特別推薦
- 噪聲中提取真值!瑞盟科技推出MSA2240電流檢測芯片賦能多元高端測量場景
- 10MHz高頻運行!氮矽科技發布集成驅動GaN芯片,助力電源能效再攀新高
- 失真度僅0.002%!力芯微推出超低內阻、超低失真4PST模擬開關
- 一“芯”雙電!聖邦微電子發布雙輸出電源芯片,簡化AFE與音頻設計
- 一機適配萬端:金升陽推出1200W可編程電源,賦能高端裝備製造
技術文章更多>>
- 貿澤EIT係列新一期,探索AI如何重塑日常科技與用戶體驗
- 算力爆發遇上電源革新,大聯大世平集團攜手晶豐明源線上研討會解鎖應用落地
- 創新不止,創芯不已:第六屆ICDIA創芯展8月南京盛大啟幕!
- AI時代,為什麼存儲基礎設施的可靠性決定數據中心的經濟效益
- 矽典微ONELAB開發係列:為毫米波算法開發者打造的全棧工具鏈
技術白皮書下載更多>>
- 車規與基於V2X的車輛協同主動避撞技術展望
- 數字隔離助力新能源汽車安全隔離的新挑戰
- 汽車模塊拋負載的解決方案
- 車用連接器的安全創新應用
- Melexis Actuators Business Unit
- Position / Current Sensors - Triaxis Hall
熱門搜索
Future
GFIVE
GPS
GPU
Harting
HDMI
HDMI連接器
HD監控
HID燈
I/O處理器
IC
IC插座
IDT
IGBT
in-cell
Intersil
IP監控
iWatt
Keithley
Kemet
Knowles
Lattice
LCD
LCD模組
LCR測試儀
lc振蕩器
Lecroy
LED
LED保護元件
LED背光


