原來為矽MOSFET設計的DC-DC控製器能否用來驅動GaNFET?
發布時間:2025-01-07 責任編輯:lina
【導讀】眾所周知,GaNFET比較難驅動,如果使用原本用於驅動矽(Si) MOSFET的驅動器,可能需要額外增加保護元件。適當選擇正確的驅動電壓和一些小型保護電路,可以為四開關降壓-升壓控製器提供安全、一體化、高頻率GaN驅動。
問題
沒有專門用於驅動GaNFET的控製器時,如何使用GaNFET設計四開關降壓-升壓DC-DC轉換器?
回答
眾所周知,GaNFET比較難驅動,如果使用原本用於驅動矽(Si) MOSFET的驅動器,可能需要額外增加保護元件。適當選擇正確的驅動電壓和一些小型保護電路,可以為四開關降壓-升壓控製器提供安全、一體化、高頻率GaN驅動。
簡介
在不斷追求減小電路板尺寸和提高效率的征途中,氮化镓場效應晶體管(GaNFET)功率器件已成為破解目前難題的理想選擇。GaN是一項新興技術,有望進一步提高功率、開關速度以及降低開關損耗。這些優勢讓功率密度更高的解決方案成為可能。當前市場上充斥著大量不同的Si MOSFET驅動器,而新的GaN驅動器和內置GaN驅動器的控製器還需要幾年才能麵世。除了簡單的專用GaNFET驅動器(如LT8418)外,市場上還存在針對GaN的複雜降壓和升壓控製器(如LTC7890、LTC7891)。目前的四開關降壓-升壓解決方案仍有些複雜,但驅動GaNFET並不像看起來那麼困難。利用一些簡單的背景知識,可以通過調整針對Si MOSFET的控製器來驅動GaNFET。
LT8390A是一個很好的選擇。這是一款專業的2 MHz降壓-升壓控製器,死區時間(25 ns)非常短,參見圖1。該降壓-升壓方案的檢測電阻與電感串聯,且位於兩個熱環路的外部,這是降壓-升壓方案的一個新特性,讓控製器能夠在升壓和降壓工作區域(以及四開關降壓-升壓)中以峰值電流控製模式運行。本文深入探討了四開關降壓-升壓GaNFET控製,但其原理同樣適用於簡單的降壓或升壓控製器。
圖1.EVAL-LT8390A-AZ 24 VOUT 5 A四開關降壓-升壓GaN控製器原理圖
5 V柵極驅動器必不可少
對於高功率轉換,矽驅動器通常工作在5 V以上,典型的矽MOSFET柵極驅動器電壓範圍為7 V至10 V甚至更高。這對GaNFET提出了挑戰,因為其絕對最大柵極電壓額定值通常為6 V。甚至柵極和源極回路上的雜散PCB電(dian)感(gan)引(yin)起(qi)的(de)振(zhen)鈴(ling)如(ru)果(guo)超(chao)過(guo)最(zui)大(da)柵(zha)極(ji)電(dian)壓(ya),也(ye)可(ke)能(neng)導(dao)致(zhi)災(zai)難(nan)性(xing)的(de)故(gu)障(zhang)。相(xiang)關(guan)設(she)計(ji)人(ren)員(yuan)必(bi)須(xu)仔(zai)細(xi)考(kao)慮(lv)布(bu)局(ju),盡(jin)可(ke)能(neng)降(jiang)低(di)柵(zha)極(ji)和(he)源(yuan)極(ji)回(hui)路(lu)上(shang)的(de)電(dian)感(gan),才(cai)能(neng)安(an)全(quan)有(you)效(xiao)地(di)驅(qu)動(dong)GaNFET。除了布局之外,實施器件級保護對於防止柵極發生災難性過壓也很重要。
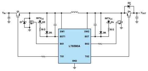
LT8390A提供專為較低柵極驅動FET設計的5 V柵極驅動器,因而是驅動GaNFET的理想選擇。問題是矽FET驅動器通常缺乏針對意外過壓的保護。更具體地說,矽柵極驅動器上頂部FET的自舉電源不受調節,這意味著頂部柵極驅動器很容易漂移到GaNFET的絕對最大電壓以上。圖2提供了解決此問題的方案:將一個5.1 V齊納二極管(D5和D6)與自舉電容並聯,以將該電壓箝位在GaNFET的推薦驅動電平,進而確保柵極電壓始終在安全工作範圍內。
圖2.帶有GaN控製保護元件的簡化四開關降壓-升壓GaN控製器原理圖
圖3.EVAL-LT8390A-AZ最大輸出電流與輸入電壓的關係,該板可在高頻下通過寬輸入範圍產生120 W功率
圖4.EVAL-LT8390A-AZ GaN控製器效率與DC2598A Si MOSFET控製器效率,
GaNFET在更高電壓下提供更高的效率
此外,為了提供更好的保護,添加一個10 Ω電阻與自舉二極管(D3和D4)串聯,以減小超快速和高功率開關節點可能引起的任何振鈴。
死區時間和體二極管挑戰
傳(chuan)統(tong)轉(zhuan)換(huan)器(qi)中(zhong)有(you)一(yi)個(ge)續(xu)流(liu)二(er)極(ji)管(guan),它(ta)在(zai)關(guan)斷(duan)期(qi)間(jian)導(dao)通(tong)。同(tong)步(bu)轉(zhuan)換(huan)器(qi)用(yong)另(ling)一(yi)個(ge)開(kai)關(guan)代(dai)替(ti)續(xu)流(liu)二(er)極(ji)管(guan),以(yi)減(jian)少(shao)二(er)極(ji)管(guan)的(de)正(zheng)向(xiang)導(dao)通(tong)損(sun)耗(hao)。然(ran)而(er),如(ru)果(guo)頂(ding)部(bu)和(he)底(di)部(bu)開(kai)關(guan)同(tong)時(shi)導(dao)通(tong),就(jiu)會(hui)發(fa)生(sheng)故(gu)障(zhang),導(dao)致(zhi)擊(ji)穿(chuan)。如(ru)果(guo)發(fa)生(sheng)擊(ji)穿(chuan),則(ze)兩(liang)個(ge)FET都(dou)可(ke)能(neng)短(duan)路(lu)接(jie)地(di),進(jin)而(er)造(zao)成(cheng)器(qi)件(jian)故(gu)障(zhang)和(he)其(qi)他(ta)災(zai)難(nan)性(xing)後(hou)果(guo)。為(wei)了(le)防(fang)止(zhi)這(zhe)種(zhong)情(qing)況(kuang),控(kong)製(zhi)器(qi)設(she)置(zhi)了(le)死(si)區(qu)時(shi)間(jian),即(ji)頂(ding)部(bu)和(he)底(di)部(bu)開(kai)關(guan)均(jun)不(bu)導(dao)通(tong)的(de)時(shi)間(jian)段(duan)。典(dian)型(xing)同(tong)步(bu)DC-DC控製器實現的死區時間長達60 ns。體二極管在此期間導通,因此對於矽MOSFET來說,該死區時間不會造成麻煩。
GaNFET沒有體二極管,導通和關斷的速度比矽MOSFET快得多。GaNFET可以在2 V至4 V的電壓下導通,而二極管的典型導通電壓為0.7 V。導通電壓乘以導通電流,可能導致死區時間內的功率損耗增加近6倍。功率損耗的增加,加上較長的死區時間,可能造成FET過熱和損壞。比較好的解決方案是盡量縮短死區時間。然而,原本用於矽FET的控製器是根據矽FET緩慢的通斷特性(數十納秒)來設計死區時間,為防止擊穿,死區時間通常較長。
LT8390A設定的死區時間為25 ns,與市場上的許多同步控製器相比,該死區時間相對較短。該器件適用於高頻、高功率MOSFET控製,但對於GaNFET來說仍然太長。GaNFET的導通速度很快,僅幾納秒。因此,為了減少死區時間內的額外導通損耗,建議添加一個續流肖特基二極管與同步GaNFET反向並聯,將導通路徑轉移到損耗較小的路徑。圖2中的D1和D2說明了肖特基二極管應放置在哪個FET上。D1跨接於同步降壓側FET,而D2跨接於同步升壓側FET。簡單的降壓轉換器隻需要放置D1。對於簡單的升壓轉換器,需使用D2。
更高頻率、更高功率
LT8390A的開關頻率高達2 MHz。GaNFET的開關損耗顯著低於Si MOSFET,開關頻率和電壓更高時,其功率損耗與後者相近。EVAL-LT8390A-AZ GaNFET板將開關頻率設置為2 MHz,以突出GaNFET在效率和尺寸方麵的優勢。
在室溫、24 V輸出下,GaNFET可產生120 W功率。該板尺寸與之前的LT8390A評估板DC2598A相當,後者使用矽MOSFET,並提供12 VOUT和48 W功率。
圖3展示了2 MHz GaN降壓-升壓電路的最大功率能力,而圖4比較了兩種評估板的效率。即使在電壓更高、輸出功率高2.5倍的情況下,GaNFET板的效率也高於Si MOSFET板。在電路板麵積相似時,使用GaNFET可以以更高的電壓和功率運行。
表1.與GaNFET兼容的DC-DC控製器
結論
如果沒有專門用於驅動GaNFET的DC-DC控製器,我們仍然可以有效地驅動GaNFET。在電路板麵積近似時,即便使用原本用於驅動Si MOSFET的控製器,EVAL-LT8390A-AZ也能輕鬆輸出更大的功率並實現更高的效率。表1推薦了多款用於驅動GaNFET的控製器。如果功率要求更高,例如並聯降壓-升壓GaNFET控製,請聯係廠家。通過研究提供5 V柵極驅動器的控製器並整合額外的外部保護電路元件,我們可以安全地驅動GaNFET,並探索電源轉換設計中的更多選擇。作者:Kevin Thai,應用經理
(來源:ADI公司,作者:Kevin Thai,應用經理)
免責聲明:本文為轉載文章,轉載此文目的在於傳遞更多信息,版權歸原作者所有。本文所用視頻、圖片、文字如涉及作品版權問題,請聯係小編進行處理。
推薦閱讀:
- 噪聲中提取真值!瑞盟科技推出MSA2240電流檢測芯片賦能多元高端測量場景
- 10MHz高頻運行!氮矽科技發布集成驅動GaN芯片,助力電源能效再攀新高
- 失真度僅0.002%!力芯微推出超低內阻、超低失真4PST模擬開關
- 一“芯”雙電!聖邦微電子發布雙輸出電源芯片,簡化AFE與音頻設計
- 一機適配萬端:金升陽推出1200W可編程電源,賦能高端裝備製造
- 一秒檢測,成本降至萬分之一,光引科技把幾十萬的台式光譜儀“搬”到了手腕上
- AI服務器電源機櫃Power Rack HVDC MW級測試方案
- 突破工藝邊界,奎芯科技LPDDR5X IP矽驗證通過,速率達9600Mbps
- 通過直接、準確、自動測量超低範圍的氯殘留來推動反滲透膜保護
- 從技術研發到規模量產:恩智浦第三代成像雷達平台,賦能下一代自動駕駛!
- 車規與基於V2X的車輛協同主動避撞技術展望
- 數字隔離助力新能源汽車安全隔離的新挑戰
- 汽車模塊拋負載的解決方案
- 車用連接器的安全創新應用
- Melexis Actuators Business Unit
- Position / Current Sensors - Triaxis Hall



