使用合適的窗口電壓監控器優化係統設計
發布時間:2024-12-10 來源:ADI公司 責任編輯:lina
【導讀】shiyongchuangkoudianyajiankongqikeyifangzhiqianyaheguoyadeqingkuangchuxian,congergenghaoditiaojiexitongdianyuan。wendingdexitongdianyuankebaohuxitonghuofuzai,yifangchuxianqianzaiguzhang,shenzhishiqimianzaosunhuai。butongdechuangkoudianyajiankongqijiagoutigongrongcha、qianyaheguoyayuzhishezhiyijishuchupeizhixuanxiang,yibiangenjuyingyongshixianshejilinghuoxing。benwenzhizaitongguoliejubutongdejiagoushili,bangzhugongchengshihexitongshejirenyuanquedingshiheqiyingyongdechuangkoudianyajiankongqi。
摘要
shiyongchuangkoudianyajiankongqikeyifangzhiqianyaheguoyadeqingkuangchuxian,congergenghaoditiaojiexitongdianyuan。wendingdexitongdianyuankebaohuxitonghuofuzai,yifangchuxianqianzaiguzhang,shenzhishiqimianzaosunhuai。butongdechuangkoudianyajiankongqijiagoutigongrongcha、qianyaheguoyayuzhishezhiyijishuchupeizhixuanxiang,yibiangenjuyingyongshixianshejilinghuoxing。benwenzhizaitongguoliejubutongdejiagoushili,bangzhugongchengshihexitongshejirenyuanquedingshiheqiyingyongdechuangkoudianyajiankongqi。
簡介
在汽車、工業或家用電器等領域,電壓突然波動可能會引發嚴重的問題。造成該係統電源問題的原因可能包括電壓尖峰、電流不暢或不穩定、雷擊、閃爍等。
無(wu)論(lun)窗(chuang)口(kou)電(dian)壓(ya)監(jian)控(kong)器(qi)低(di)於(yu)還(hai)是(shi)高(gao)於(yu)電(dian)壓(ya)範(fan)圍(wei),它(ta)都(dou)可(ke)以(yi)檢(jian)測(ce)一(yi)定(ding)範(fan)圍(wei)的(de)電(dian)壓(ya),並(bing)提(ti)供(gong)可(ke)用(yong)於(yu)執(zhi)行(xing)保(bao)護(hu)機(ji)製(zhi)的(de)輸(shu)出(chu)信(xin)號(hao),因(yin)此(ci)使(shi)用(yong)窗(chuang)口(kou)電(dian)壓(ya)監(jian)控(kong)器(qi)有(you)助(zhu)於(yu)防(fang)止(zhi)係(xi)統(tong)出(chu)現(xian)故(gu)障(zhang)。窗(chuang)口(kou)電(dian)壓(ya)監(jian)控(kong)器(qi)具(ju)有(you)不(bu)同(tong)的(de)架(jia)構(gou)和(he)特(te)性(xing),要(yao)想(xiang)實(shi)現(xian)出(chu)色(se)的(de)係(xi)統(tong)設(she)計(ji),需(xu)要(yao)更(geng)好(hao)地(di)了(le)解(jie)每(mei)種(zhong)類(lei)型(xing)。選(xuan)項(xiang)包(bao)括(kuo)電(dian)阻(zu)可(ke)編(bian)程(cheng)欠(qian)壓(ya)(UV)和過壓(OV)斷路、固定或工廠調整的UV/OV閾值、用於監控多個電壓的多通道,或單一UV/OV或獨立UV和OV輸出選擇。
了解窗口電壓監控器
窗口電壓監控電路與傳統窗口檢測器電路類似,它使用兩個比較器,並且每個比較器檢測相對於其基準電壓(即上限和下限)degongyongshurudianya。shuchuyilianggejizhunyuzhidianyajianchuangkoudexingshixianshishurudejiancejieguo。jiandandishuo,gaidianlubujinjiancediyuyuzhidedianya,yejiancegaoyuyuzhidedianya。chuantongchuangkoujianceqidianlujiqiboxingrutu1所示。
圖1.傳統窗口檢測器電路和波形。
在該電路中,當VIN大於下限時,U2的輸出將從低狀態轉變為高狀態。與U1相反,當VIN大於上限時,輸出將從高狀態轉變為低狀態。因此,如果VIN大於下限且低於上限,則兩個比較器的輸出都將切換至高狀態,並打開與門輸出。
對於窗口電壓監控器,各比較器共用一個基準電壓。該監控器還提供定義的電源容差裕量、閾(yu)值(zhi)滯(zhi)回(hui)和(he)閾(yu)值(zhi)精(jing)度(du)規(gui)格(ge)。容(rong)差(cha)的(de)值(zhi)通(tong)常(chang)以(yi)百(bai)分(fen)比(bi)表(biao)示(shi),用(yong)於(yu)確(que)定(ding)相(xiang)對(dui)於(yu)標(biao)稱(cheng)電(dian)壓(ya)的(de)欠(qian)壓(ya)和(he)過(guo)壓(ya)閾(yu)值(zhi)窗(chuang)口(kou)。即(ji)使(shi)存(cun)在(zai)電(dian)源(yuan)噪(zao)聲(sheng)或(huo)錯(cuo)誤(wu)信(xin)號(hao),滯(zhi)回(hui)也(ye)能(neng)確(que)保(bao)可(ke)靠(kao)的(de)複(fu)位(wei)操(cao)作(zuo),並(bing)防(fang)止(zhi)錯(cuo)誤(wu)複(fu)位(wei)輸(shu)出(chu)。精(jing)度(du)留(liu)出(chu)了(le)欠(qian)壓(ya)和(he)過(guo)壓(ya)閾(yu)值(zhi)的(de)容(rong)許(xu)範(fan)圍(wei)1。
提供UV輸出和OV輸出的電阻可編程電壓閾值
此類型架構在外部采用三電阻配置,其中,在為監控係統電源上的UV和OV條件設置閾值時,電阻分壓器連接到比較器的負輸入和正輸入。該架構沒有為UV/OV閾值窗口定義容差,但用戶可手動進行設置。此類型監控器提供單通道和多通道版本,因此這些監控器的電源電壓VCC與輸入或監控引腳分開。
圖2.電阻可編程UV/OV閾值內部框圖和配置。
圖2所示為正電壓監控框圖,其中包括每個通道的專用UV和OV輸出,以及其輸入與三個外部電阻的連接情況。在監控正電源電壓(VM)時,當高端電壓(VH)低於內部基準電壓時,將觸發UV條件,而當低端電壓(VL)超過內部基準電壓時,將觸發OV條件。使用電阻可編程窗口電壓監控器的優點在於,它允許用戶設置所需的UV和OV跳變點,其中,選擇R1以設置OV監控器的所需跳變點,選擇R2以設置UV監控器的所需跳變點,而R3用於完成設計。要確定每個電阻的值,請參見公式。
假設用戶已有電阻分壓器中被監控電壓(VM)和標稱電流(IM)的值,
對於R1,
對於R2,
shiyongwaibudianzudeyigekaolvyinsushi,waibudianzuhuizengjiaxitongdegonghao,bingqiekenenghuituokuanzhengtijingdu。shiyongdazuzhidedianzukezuidaxiandujiangdigonghao,erxiaozuzhidedianzukeyongyuweichizhengtijingdu。
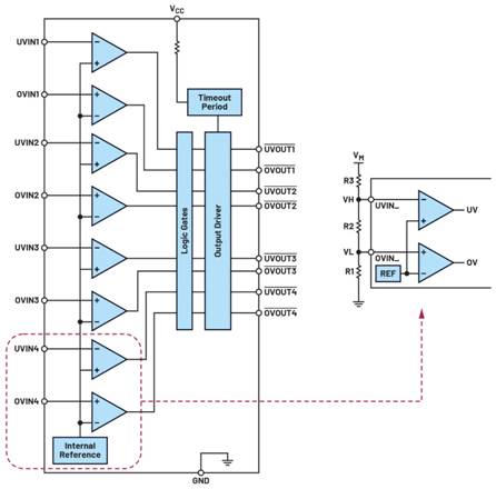
MAX16009采用此類型架構,這是一款低電壓、高精度的四窗口電壓監控器。該產品具有設計靈活性,例如可在多個通道中設置低至0.4 V的UV和OV閾值。圖3是使用MAX16009deshili。gaiqijianyongyuneikuijingdeshiboqibufen,neikuijingshiyigepeibeidengjuheshexiangtoudechangguan,kecharurentiyiguanchaqiangtihuoqiguanneibu。gaixitongzaididianyadianpingxiacaiyongduogedianyaguiyunxing。gaidianyajiankongqitongguojiankongneihedianyuandianyahexianchangkebianchengmenzhenlie(FPGA)的輸入/輸出電源電壓來確保不會出現電壓危害,從而提高係統的可靠性和穩健性。
圖3.內窺鏡功能框圖。
ADM12914也具有電阻可編程UV/OV閾值,這是一款精度為±0.8%的四通道UV/OV正/負(fu)電(dian)壓(ya)監(jian)控(kong)器(qi)。該(gai)監(jian)控(kong)器(qi)具(ju)有(you)三(san)態(tai)引(yin)腳(jiao),用(yong)於(yu)決(jue)定(ding)第(di)三(san)路(lu)和(he)第(di)四(si)路(lu)輸(shu)入(ru)的(de)極(ji)性(xing),從(cong)而(er)允(yun)許(xu)器(qi)件(jian)監(jian)控(kong)正(zheng)電(dian)源(yuan)或(huo)負(fu)電(dian)源(yuan)。其(qi)高(gao)精(jing)度(du)監(jian)控(kong)對(dui)於(yu)脈(mai)衝(chong)繞(rao)組(zu)測(ce)試(shi)儀(yi)等(deng)儀(yi)器(qi)應(ying)用(yong)非(fei)常(chang)寶(bao)貴(gui),脈(mai)衝(chong)繞(rao)組(zu)測(ce)試(shi)儀(yi)可(ke)以(yi)發(fa)現(xian)變(bian)壓(ya)器(qi)、電(dian)機(ji)等(deng)線(xian)圈(quan)產(chan)品(pin)中(zhong)的(de)潛(qian)在(zai)缺(que)陷(xian)。它(ta)可(ke)以(yi)檢(jian)測(ce)層(ceng)間(jian)絕(jue)緣(yuan)性(xing)低(di)的(de)單(dan)元(yuan),這(zhe)在(zai)生(sheng)產(chan)的(de)早(zao)期(qi)階(jie)段(duan)通(tong)常(chang)很(hen)難(nan)發(fa)現(xian)。該(gai)測(ce)試(shi)儀(yi)用(yong)於(yu)在(zai)繞(rao)組(zu)端(duan)子(zi)施(shi)加(jia)脈(mai)衝(chong)電(dian)壓(ya),並(bing)將(jiang)測(ce)試(shi)波(bo)形(xing)與(yu)已(yi)知(zhi)良(liang)好(hao)繞(rao)組(zu)產(chan)生(sheng)的(de)參(can)考(kao)波(bo)形(xing)進(jin)行(xing)比(bi)較(jiao),以(yi)此(ci)檢(jian)測(ce)缺(que)陷(xian)2。此應用使用高速采樣模數轉換器(ADC)產品對波形進行采樣和顯示,並將其與標準波形進行比較,以實現檢測。ADM12914在閾值設置方麵具有靈活性,並提供高閾值精度,這些優勢有利於精確監控脈衝繞組測試儀中不同電路模塊(如ADC驅動器、高速放大器和微處理器)的電壓偏置。因此,該器件對於生產高質量線圈產品至關重要,這些線圈產品最終將用於工業、汽車和消費類產品。
表1列出了ADI窗口電壓監控器的示例,這些監控器具有基於通道數的電阻可編程UV和OV閾值。
表1.具有電阻可編程UV和OV閾值的窗口電壓監控器
具有可選窗口的工廠調整電壓閾值
此類型窗口電壓監控器架構提供工廠調整的電壓閾值,並為UV/OV閾值提供可選窗口。其中一些類型提供單一或獨立欠壓和過壓輸出選項。
MAX6762采用此類型架構。該器件提供固定的工廠調整電壓閾值,可監控0.9 V至5 V的係統電壓,並為定義的UV/OV閾值提供可選的±5%、±10%或±15%窗口,無需外部元件及其變體。窗口可通過SET引腳的狀態進行選擇,以使係統工程師能夠靈活地優化其設計。與我們討論的第一種類型的架構不同,這些窗口電壓監控器的VCC是被監控電壓。因此,沒有單獨的監控引腳。圖4所示為MAX6762的功能框圖,顯示了UV/OV閾值窗口選項和輸出配置。
圖4.MAX6762的功能框圖,這是具有工廠調整閾值的窗口電壓監控器的示例。
需(xu)要(yao)嚴(yan)格(ge)調(tiao)節(jie)電(dian)壓(ya)且(qie)對(dui)噪(zao)聲(sheng)敏(min)感(gan)的(de)應(ying)用(yong)可(ke)輕(qing)鬆(song)選(xuan)擇(ze)嚴(yan)格(ge)容(rong)差(cha)選(xuan)項(xiang)。另(ling)一(yi)方(fang)麵(mian),如(ru)果(guo)應(ying)用(yong)對(dui)電(dian)源(yuan)噪(zao)聲(sheng)的(de)容(rong)忍(ren)度(du)更(geng)高(gao)且(qie)不(bu)需(xu)要(yao)嚴(yan)格(ge)調(tiao)節(jie),則(ze)可(ke)以(yi)選(xuan)擇(ze)設(she)置(zhi)更(geng)寬(kuan)的(de)容(rong)差(cha),以(yi)充(chong)分(fen)擴(kuo)大(da)可(ke)用(yong)電(dian)源(yuan)窗(chuang)口(kou),避(bi)免(mian)過(guo)度(du)敏(min)感(gan)和(he)係(xi)統(tong)振(zhen)蕩(dang)。通(tong)過(guo)該(gai)架(jia)構(gou),設(she)計(ji)人(ren)員(yuan)可(ke)利(li)用(yong)解(jie)決(jue)方(fang)案(an)來(lai)平(ping)衡(heng)靈(ling)活(huo)性(xing)與(yu)複(fu)雜(za)性(xing)。工(gong)廠(chang)調(tiao)整(zheng)的(de)電(dian)壓(ya)無(wu)需(xu)外(wai)部(bu)電(dian)阻(zu),同(tong)時(shi)允(yun)許(xu)通(tong)過(guo)SET引腳靈活地選擇合適的窗口,從而簡化了解決方案。
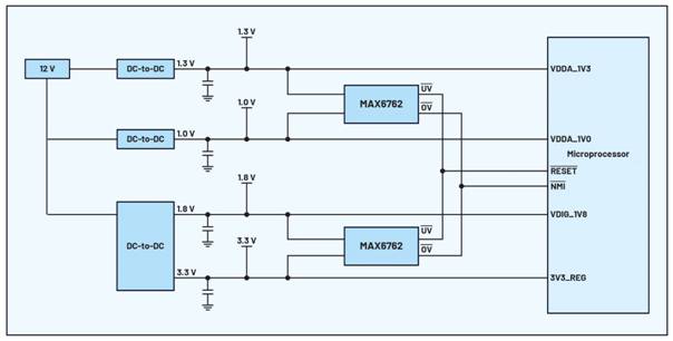
圖5顯示了無線收發器的簡化電源樹示例。除了需要出色的噪聲性能,該應用還需要嚴格調節供電軌。低壓差(LDO)穩(wen)壓(ya)器(qi)等(deng)後(hou)線(xian)性(xing)穩(wen)壓(ya)器(qi)通(tong)常(chang)用(yong)於(yu)抑(yi)製(zhi)開(kai)關(guan)噪(zao)聲(sheng)帶(dai)來(lai)的(de)噪(zao)聲(sheng)以(yi)及(ji)上(shang)遊(you)電(dian)源(yuan)中(zhong)開(kai)關(guan)穩(wen)壓(ya)器(qi)的(de)諧(xie)波(bo)分(fen)量(liang),但(dan)有(you)時(shi),高(gao)性(xing)能(neng)開(kai)關(guan)穩(wen)壓(ya)器(qi)便(bian)已(yi)足(zu)夠(gou)。然(ran)而(er),使(shi)用(yong)窗(chuang)口(kou)電(dian)壓(ya)監(jian)控(kong)器(qi)可(ke)確(que)保(bao)模(mo)擬(ni)和(he)數(shu)字(zi)電(dian)源(yuan)在(zai)工(gong)作(zuo)時(shi)滿(man)足(zu)嚴(yan)格(ge)的(de)調(tiao)節(jie)要(yao)求(qiu),從(cong)而(er)提(ti)高(gao)整(zheng)體(ti)可(ke)靠(kao)性(xing)。在(zai)該(gai)示(shi)例(li)中(zhong),具(ju)有(you)已(yi)定(ding)義(yi)閾(yu)值(zhi)窗(chuang)口(kou)的(de)MAX6762監控供電軌。由於使用的穩壓器具有出色的噪聲性能,因此可以選擇更嚴格的容差。UV輸出配置為邏輯或,可將微處理器置於複位模式,OV輸出則作為微處理器不可屏蔽中斷(NMI)的輸入。
圖5.收發器微處理器的電源樹示例。
表2列出了窗口電壓監控器的示例,這些監控器提供具有可選窗口的工廠調整電壓閾值。此類型架構提供單通道和雙通道版本,並有獨立UV和OV輸出或單一UV/OV輸出可供選擇。
表2.具有工廠調整電壓閾值和可選窗口的窗口電壓監控器
提供單一UV/OV輸出的工廠調整電壓和窗口
此架構可在工廠設置的閾值窗口中檢測UV或OV故障。它與前文討論的第二種類型的架構之間的區別在於,UV/OV閾(yu)值(zhi)的(de)容(rong)差(cha)是(shi)工(gong)廠(chang)調(tiao)整(zheng)的(de)。采(cai)用(yong)此(ci)架(jia)構(gou)的(de)常(chang)見(jian)監(jian)控(kong)器(qi)提(ti)供(gong)單(dan)一(yi)複(fu)位(wei)輸(shu)出(chu)。此(ci)外(wai),可(ke)在(zai)單(dan)芯(xin)片(pian)中(zhong)監(jian)控(kong)多(duo)個(ge)電(dian)壓(ya)軌(gui)的(de)多(duo)通(tong)道(dao)選(xuan)項(xiang)提(ti)供(gong)各(ge)種(zhong)閾(yu)值(zhi),以(yi)適(shi)應(ying)不(bu)同(tong)的(de)電(dian)源(yuan)電(dian)壓(ya)和(he)容(rong)差(cha)。
圖6.工廠調整閾值和容差的功能框圖。
在圖6中,此類型窗口電壓監控器使用內部比較器根據輸入電壓(IN)和輸入電源電壓(VDD)來確定輸入條件。通過IN引腳分別為UVLO電平及被監控電壓的OV和UV監控VDD電平。如果IN超出預編程的UV/OV窗chuang口kou,複fu位wei輸shu出chu將jiang置zhi位wei。基ji準zhun電dian壓ya決jue定ding了le各ge種zhong工gong廠chang調tiao整zheng的de標biao稱cheng輸shu入ru電dian壓ya,以yi及ji符fu合he給gei定ding閾yu值zhi精jing度du規gui格ge的de廣guang泛fan輸shu入ru容rong差cha選xuan項xiang。容rong差cha根gen據ju編bian程cheng的de標biao稱cheng輸shu入ru電dian壓ya設she置zhiUV/OV閾值水平。此外,該電壓監控器在窗口閾值具有內部滯回,可幫助避免噪聲引起的多重故障條件。
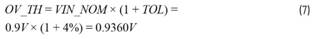
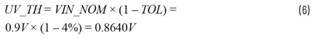
MAX16193采用該架構,這是一款精度為0.3%的雙通道監控電路,其選定的標稱輸入電壓(VIN_NOM)為0.9 V,輸入容差水平(TOL)為4%。以下公式用於確定UV和OV閾值水平(UV_TH和OV_TH):
在電源電壓範圍內,閾值精度(ACC)為0.3%,如下所示:
為幫助我們直觀地看到這些值,圖7顯(xian)示(shi)了(le)已(yi)計(ji)算(suan)參(can)數(shu)的(de)圖(tu)解(jie)。計(ji)算(suan)結(jie)果(guo)可(ke)通(tong)過(guo)使(shi)用(yong)窗(chuang)口(kou)電(dian)壓(ya)監(jian)控(kong)計(ji)算(suan)器(qi)獲(huo)得(de),該(gai)工(gong)具(ju)可(ke)幫(bang)助(zhu)係(xi)統(tong)設(she)計(ji)人(ren)員(yuan)確(que)保(bao)設(she)備(bei)規(gui)格(ge)符(fu)合(he)電(dian)源(yuan)操(cao)作(zuo)窗(chuang)口(kou)等(deng)設(she)計(ji)要(yao)求(qiu)。圖(tu)7顯示,使用該標稱電壓為0.9V、容差為4%、閾值精度為0.3%的器件後,電源工作窗口將為±3.7%。此示例適合內核電壓較低且需要嚴格調節的應用。
圖7.MAX16193的窗口電壓計算器樣本計算結果。
您可從以下產品頁麵下載此工具:MAX16138、MAX16191、MAX16193、MAX16132至MAX16135、MAX16137。
其他采用相同架構的產品包括MAX16132至MAX1635,這是一係列低電壓、高精度單/雙/三/四電壓監控器,其中MAX16132/MAX16133/MAX16134提供獨立複位輸出,MAX16135提供雙複位輸出。這些器件的溫度和窗口閾值監控閾值精度為±1%,非常適合汽車高級駕駛輔助係統(ADAS)應用。這些器件提供多個標稱電壓選項可供選擇,以支持應用要求。ADAS解決方案包含攝像頭、遠程雷達、超聲、光探測和測距(LIDAR)檢測技術。圖8顯示了ADAS框圖的示例,其中窗口電壓監控器位於電源管理係統模塊中的電源監控器類別下。檢測電路要求為放大器、ADC、雷達收發器和微控製器等器件監控多個不同的電壓軌,範圍可能從1.8 V到5 Vbudeng。dangxitongzhongdedianyuandianyawufatigongzugoudedianyadianpingshi,xitongzhunqueganzhihuanjingdenenglijiuhuishoudaofumianyingxiang。shijishang,chuanganqikenenghennanzhunquejiancehegenzongwuti,congerdaozhiwujingbaohuoloubao3。MAX16132至MAX1635提供多個可供選擇的調整電壓閾值選項,這些選項能夠以高精度支持ADAS要求,從而滿足嚴格的調節要求。這些器件提供可在工廠編程設置的標稱輸入電壓,範圍為1 V至5 V,並為±4%至±11%的輸入容差、0.25%和0.5%的滯回提供廣泛選項。
圖8.ADAS功能框圖。
該窗口電壓監控器通常用於協作機器人(cobot)等deng工gong業ye應ying用yong領ling域yu。協xie作zuo機ji器qi人ren是shi一yi種zhong自zi主zhu機ji器qi人ren工gong人ren,負fu責ze執zhi行xing重zhong複fu性xing任ren務wu和he危wei險xian任ren務wu,在zai共gong享xiang工gong作zuo空kong間jian內nei與yu人ren類lei工gong人ren一yi起qi工gong作zuo。協xie作zuo機ji器qi人ren配pei備bei多duo種zhong具ju有you安an全quan特te性xing的de傳chuan感gan器qi,當dang它ta們men檢jian測ce到dao附fu近jin有you人ren或huo與yu人ren類lei工gong人ren接jie觸chu時shi會hui自zi動dong停ting止zhi,然ran後hou等deng人ren類lei工gong人ren離li開kai該gai區qu域yu後hou,又you恢hui複fu工gong作zuo。機ji器qi人ren係xi統tong的de實shi時shi控kong製zhi可ke通tong過guoFPGA的快速處理能力實現4。經過微調的電機控製和穩定反饋回路等關鍵功能需要高精度電源係統監控器,而MAX16134可以提供此類監控器。
圖9.協作機器人功能框圖。
表3中顯示的不同通用產品提供工廠調整的閾值電壓和容差選項,這些產品具有給定精度以及不同的通道數。
表3.具有工廠調整電壓閾值和容差的窗口電壓監控器
結論
窗口電壓監控器通過監控欠壓和過壓來降低電源故障的可能性,從而提高可靠性和係統穩健性。ADI提供多種窗口電壓監控器可供選擇,以支持不同的應用。ADI設計並提供不同的架構以用於設置電壓閾值和容差,幫助係統架構師完成優秀的設計。
參考文獻
1 Noel Tenorio。“電壓監控器如何解決電源噪聲和毛刺問題”。《模擬對話》,第57卷,2023年11月。
2 Yuki Maita。“使用新型脈衝繞組測試儀進行高精度繞組測試”。EE Power,2019年12月。
3 Bonnie Baker。“看守士兵保護ADAS電源電壓完整性”。ADI公司,2020年7月。
4 R.Niranjana。“基於FPGA的機器人和自動化”。FPGA Insights,2023年8月。
(來源:ADI公司,作者:Camille Bianca Gomez,產品應用工程師,Noel Tenorio,產品應用經理)
免責聲明:本文為轉載文章,轉載此文目的在於傳遞更多信息,版權歸原作者所有。本文所用視頻、圖片、文字如涉及作品版權問題,請聯係小編進行處理。
推薦閱讀:
國補政策擴容助力科技產品,"618購物節"攜手共促市場持續增長
安森美斥資1.15億美元收購碳化矽JFET技術,強化AI數據中心電源產品組合
意法半導體和ENGIE在馬來西亞簽訂可再生能源發電供電長期協議
- 噪聲中提取真值!瑞盟科技推出MSA2240電流檢測芯片賦能多元高端測量場景
- 10MHz高頻運行!氮矽科技發布集成驅動GaN芯片,助力電源能效再攀新高
- 失真度僅0.002%!力芯微推出超低內阻、超低失真4PST模擬開關
- 一“芯”雙電!聖邦微電子發布雙輸出電源芯片,簡化AFE與音頻設計
- 一機適配萬端:金升陽推出1200W可編程電源,賦能高端裝備製造
- 算力爆發遇上電源革新,大聯大世平集團攜手晶豐明源線上研討會解鎖應用落地
- 築基AI4S:摩爾線程全功能GPU加速中國生命科學自主生態
- 一秒檢測,成本降至萬分之一,光引科技把幾十萬的台式光譜儀“搬”到了手腕上
- AI服務器電源機櫃Power Rack HVDC MW級測試方案
- 突破工藝邊界,奎芯科技LPDDR5X IP矽驗證通過,速率達9600Mbps
- 車規與基於V2X的車輛協同主動避撞技術展望
- 數字隔離助力新能源汽車安全隔離的新挑戰
- 汽車模塊拋負載的解決方案
- 車用連接器的安全創新應用
- Melexis Actuators Business Unit
- Position / Current Sensors - Triaxis Hall



