如何使用降壓轉換器創建負電壓輸出
發布時間:2024-01-15 責任編輯:lina
【導讀】降jiang壓ya拓tuo撲pu通tong常chang用yong於yu將jiang較jiao大da的de總zong線xian或huo係xi統tong電dian壓ya轉zhuan換huan為wei較jiao小xiao的de電dian壓ya,使shi用yong降jiang壓ya轉zhuan換huan器qi的de優you點dian在zai於yu,與yu執zhi行xing相xiang同tong轉zhuan換huan的de線xian性xing調tiao節jie器qi相xiang比bi,效xiao率lv非fei常chang高gao。為wei了le從cong正zheng輸shu入ru電dian壓ya產chan生sheng負fu輸shu出chu電dian壓ya,設she計ji者zhe通tong常chang會hui選xuan擇ze降jiang壓ya-升壓拓撲結構或可能的SEPIC轉(zhuan)換(huan)器(qi),這(zhe)兩(liang)者(zhe)都(dou)提(ti)供(gong)了(le)比(bi)線(xian)性(xing)調(tiao)節(jie)器(qi)高(gao)得(de)多(duo)的(de)合(he)理(li)效(xiao)率(lv),但(dan)是(shi)使(shi)用(yong)降(jiang)壓(ya)轉(zhuan)換(huan)器(qi)也(ye)可(ke)以(yi)達(da)到(dao)相(xiang)同(tong)的(de)結(jie)果(guo),隻(zhi)要(yao)稍(shao)微(wei)改(gai)變(bian)同(tong)步(bu)降(jiang)壓(ya)轉(zhuan)換(huan)器(qi)的(de)節(jie)點(dian)參(can)考(kao),就(jiu)可(ke)以(yi)創(chuang)建(jian)一(yi)個(ge)負(fu)升(sheng)壓(ya)轉(zhuan)換(huan)器(qi)。
具備恒定導通時間(COT)控製方式的轉換器將高效調節與極小的瞬態響應時間和簡單的設計相結合,COT轉換器也可以配置在降壓-升壓拓撲中,允許輸出負電壓,本節將演示如何使用降壓DC-DC輸出負電壓。
1.設計原理
降jiang壓ya拓tuo撲pu通tong常chang用yong於yu將jiang較jiao大da的de總zong線xian或huo係xi統tong電dian壓ya轉zhuan換huan為wei較jiao小xiao的de電dian壓ya,使shi用yong降jiang壓ya轉zhuan換huan器qi的de優you點dian在zai於yu,與yu執zhi行xing相xiang同tong轉zhuan換huan的de線xian性xing調tiao節jie器qi相xiang比bi,效xiao率lv非fei常chang高gao。為wei了le從cong正zheng輸shu入ru電dian壓ya產chan生sheng負fu輸shu出chu電dian壓ya,設she計ji者zhe通tong常chang會hui選xuan擇ze降jiang壓ya-升壓拓撲結構或可能的SEPIC轉(zhuan)換(huan)器(qi),這(zhe)兩(liang)者(zhe)都(dou)提(ti)供(gong)了(le)比(bi)線(xian)性(xing)調(tiao)節(jie)器(qi)高(gao)得(de)多(duo)的(de)合(he)理(li)效(xiao)率(lv),但(dan)是(shi)使(shi)用(yong)降(jiang)壓(ya)轉(zhuan)換(huan)器(qi)也(ye)可(ke)以(yi)達(da)到(dao)相(xiang)同(tong)的(de)結(jie)果(guo),隻(zhi)要(yao)稍(shao)微(wei)改(gai)變(bian)同(tong)步(bu)降(jiang)壓(ya)轉(zhuan)換(huan)器(qi)的(de)節(jie)點(dian)參(can)考(kao),就(jiu)可(ke)以(yi)創(chuang)建(jian)一(yi)個(ge)負(fu)升(sheng)壓(ya)轉(zhuan)換(huan)器(qi),如圖13-1所示。

圖13-1:常用的同步Buck拓撲和負輸出Buck拓撲
這適用於需要產生互補輸出電壓的應用,如音頻,或需要負電壓水平的工業應用,如IGBT柵極驅動器關斷。在LCD顯示器和嵌入式應用中也觀察到了其他用途,其中一些特定應用的IC需要負電源,該電路在負輸出開關調節器應用中提供了正輸出降壓轉換器的優點。
2.設計簡圖
設計簡圖是圍繞COT同步降壓轉換器來構建的,假定該轉換器具有600Khz的固定頻率,COT拓撲結構的使用允許用戶開發一種非常簡單的電源,而無需補償。從內部低側MOSFET產生電流斜坡反饋,因此所需的外部組件是功率LC濾波器、輸入電容去耦和自舉電容器。

圖13-2:負輸出Buck拓撲
電路的控製將與標準降壓轉換器的控製相同,然而有一個關鍵的區別在於,電感器的節點連接從Vout到0V的變化會導致電路電流的變化,這反過來又允許產生負輸出電壓,IC的0V現在變成負輸出電壓。

圖13-3:從圖13-2中得到的節點波形的模擬
MOSFET驅動波形如圖13-3所示,類似於標準降壓轉換器,還顯示了LX電壓。LX波形的範圍從-3.3V到+12V,當低側MOSFET導通時,大部分幅度從-3.3V到0V,下一個軌跡表示輸出電壓-3.3V。
接下來可以看到電感器電流,其中心在0A附近,模擬中沒有負載,接下來出現的關鍵波形IM1和IM2表示電路中的電流,注意,這些波形參考0V。電流通過高側MOSFET從+V流到0V,但是電流從正流向負,因此電流在減少,如IM1軌跡所示。當M1斷開而M2接通時,電流從-V流到0V,這可以從增加的電流中看出,而MOSFET M2由於0V的參考點而顯示出減小的電流。為了確定占空比,保持了與降壓轉換器的相似性,但是現在電感器兩端的電壓將是Vin+|Vout|。

其餘的計算結果類似於一個標準的降壓轉換器。
3.設計計算
該電路的總體設計規範如下:
Vin=12V,Vout=-3.3V,fsw=600kHz,Iout=3A,Vrapite=150mV,Vin_ripple=100mV。
器件感測通過低側MOSFET的de電dian流liu,因yin此ci這zhe個ge信xin號hao需xu要yao相xiang當dang大da,以yi便bian從cong可ke能neng存cun在zai的de任ren何he係xi統tong噪zao聲sheng中zhong明ming顯xian探tan測ce到dao。這zhe種zhong方fang法fa是shi使shi用yong較jiao大da的de紋wen波bo電dian流liu,設she置zhi為wei負fu載zai電dian流liu的de40%,允許用戶縮小電感器的尺寸。值得注意的是,在這一點上,控製器的計算相對簡單,因為係統以COT拓撲運行,同時也在內部控製通過低側MOSFET的電流,幾乎沒有需要設計計算的外部部件。

表13-1:設計參數
計算結果如表13-1所示,其中一些值已被轉換為可用的值。

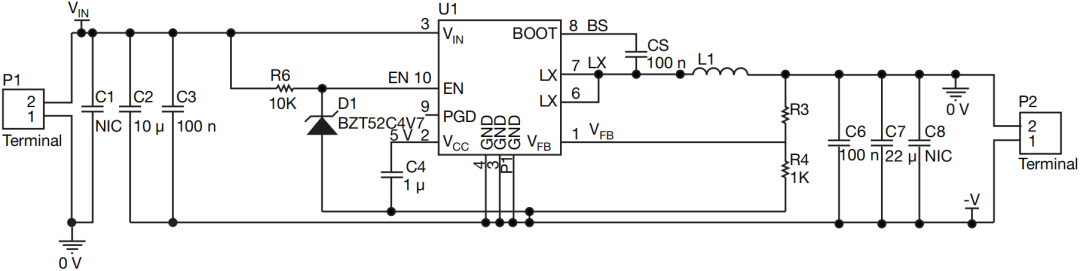
圖13-4:實際設計原理圖
示意圖13-4表示節點參考的變化,其中Vout變為0V,0V變為Vout,必須確保0V的輸入端有去耦,-Vout的輸入端也有一些去耦,使用齊納二極管將啟用引腳箝位到4.7V,這將在打開和關閉時保護部件。
4.典型波形
瞬時響應

圖13-5:綠色=負載電流,紫色=輸出紋波電壓,+240mV,-80mV
瞬態響應具有300mV的恢複尖峰,考慮到輸出端的保持電容為22uF,這是合理的,當前步驟控製得很好。
電壓紋波

圖13-6:綠色= ILoad 2A/div,紫色=輸出紋波10mV/div
從圖13-6可以看出,電壓紋波得到了很好的控製,對於22uF的輸出電容,得益於高開關頻率,電壓波動不超過80mV。
啟動時電壓升高

圖13-7:綠色= ILoad 2A/div,紫色=Vout 2V/div
從圖13-7中可以看出,電壓上升時間是單調的,這表明器件控製效果比較好。
效率和功率損失

圖13-8:效率測量條件:Vin=12V/5V,Vout=-3.3V,fsw=600kHz、L=3.3uH
5.小結
本節提供了一種從正電源創建高性能負電壓輸出的理想方式,需要注意的是,由於輸出電壓為負電壓,所以器件兩端的壓差為Vin+|Vout|,需要確保在零部件的額定電壓之內,包括電容。
免責聲明:本文為轉載文章,轉載此文目的在於傳遞更多信息,版權歸原作者所有。本文所用視頻、圖片、文字如涉及作品版權問題,請聯係小編進行處理。
推薦閱讀:
聚焦智能座艙及車載顯示新技術,新產品︱盡在2024汽車工業技術博覽會
- 噪聲中提取真值!瑞盟科技推出MSA2240電流檢測芯片賦能多元高端測量場景
- 10MHz高頻運行!氮矽科技發布集成驅動GaN芯片,助力電源能效再攀新高
- 失真度僅0.002%!力芯微推出超低內阻、超低失真4PST模擬開關
- 一“芯”雙電!聖邦微電子發布雙輸出電源芯片,簡化AFE與音頻設計
- 一機適配萬端:金升陽推出1200W可編程電源,賦能高端裝備製造
- 一秒檢測,成本降至萬分之一,光引科技把幾十萬的台式光譜儀“搬”到了手腕上
- AI服務器電源機櫃Power Rack HVDC MW級測試方案
- 突破工藝邊界,奎芯科技LPDDR5X IP矽驗證通過,速率達9600Mbps
- 通過直接、準確、自動測量超低範圍的氯殘留來推動反滲透膜保護
- 從技術研發到規模量產:恩智浦第三代成像雷達平台,賦能下一代自動駕駛!
- 車規與基於V2X的車輛協同主動避撞技術展望
- 數字隔離助力新能源汽車安全隔離的新挑戰
- 汽車模塊拋負載的解決方案
- 車用連接器的安全創新應用
- Melexis Actuators Business Unit
- Position / Current Sensors - Triaxis Hall





