學子專區——ADALM2000活動:電感自諧振
發布時間:2024-01-09 責任編輯:lina
【導讀】與所有非理想電氣元器件一樣,部件套件中提供的電感並不完美。圖1為常見的實際電感簡化模型電路圖。除了所需的電感L之外,實際元件還會有損耗(建模為串聯電阻,在圖中以R表示)和並聯寄生電容(以C表示)。電阻越小(接近0 Ω),電容越小(接近0 F),電感就越理想。
目標
本實驗室活動的目標是測量電感的自諧振頻率(SRF),並根據測量數據確定寄生電容。
背景知識
與所有非理想電氣元器件一樣,部件套件中提供的電感並不完美。圖1為常見的實際電感簡化模型電路圖。除了所需的電感L之外,實際元件還會有損耗(建模為串聯電阻,在圖中以R表示)和並聯寄生電容(以C表示)。電阻越小(接近0 Ω),電容越小(接近0 F),電感就越理想。
圖1.3元件LRC電感模型。
繞組間電容與自諧振頻率
C通常表示電感的匝間分布電容(以及匝間與磁芯之間的電容等)。在特定頻率(SRF)下,該匝間電容將與電感L形成並聯諧振,使電感變為調諧電路。
3元件LRC模型阻抗與頻率
在低於SRF的頻率下,模型呈電感性。在高於SRF的頻率下,模型呈電容性,在SRF頻率下,模型呈電阻性,因為感抗和容抗的大小相等,相位相反,因此相互抵消。
在電感的SRF下,滿足以下所有條件:
輸入阻抗處於峰值。
輸入阻抗的相位角為零,從正值(感性)轉變為負值(容性)。
由於相位角為零,因此Q也為零。
有效電感為零,因為負容抗(XC = 1/jωC)剛好抵消了正感抗(XL = jωL)。
2端口插入損耗(S21 dB)達到最大值,對應於頻率與S21 dB圖中的最小值。
2端口相位(S21角)為零,從較低頻率下的負值轉變為較高頻率下的正值。
公式1表示電感模型電路中SRF與電感和電容的關係。
其中:
L為電感,單位為H
Cp為寄生電容,單位為F
公式1清楚地表明,提高電感或電容會降低測量的SRF值,而降低電感或電容則會提高SRF值。
3元件LRC電感模型的實驗室前仿真
圖2為3元件LRC電感模型的仿真測試電路。L、R和CP用於對電感進行建模。V1是理想的交流測試電壓源,電阻RS表示V1的源電阻。CL和RL是負載元件,其中CL設置為ADALM2000示波器輸入通道的典型輸入電容。RL可以設置為RS,也可以設置為更高的值,例如示波器通道的1 MΩ輸入電阻。
圖2.仿真原理圖。
在實際構建電感測試電路之前,您應使用圖2所示電路進行仿真。
如圖3所示,以1 mH電感L為例,我們進行了兩次頻率掃描仿真,頻率範圍為10 kHz至10 MHz,其中CP設置為15 pF,R設置為100 mΩ。紅色曲線表示RL設置為與RS相同的200 Ω。當電感阻抗達到最大值時,RL處測得的幅度在SRF時急劇下降。藍色曲線表示RL設置為示波器輸入的1 MΩ。同樣,當阻抗達到最大值時,我們觀察到急劇下降的零點。我們還看到RL的幅度出現明顯的尖峰,大約在陷波下方一個倍頻程處。當源電阻和負載電阻不匹配時,就會出現這種峰值。
圖3.仿真結果:紅色曲線RL = 200 Ω,藍色曲線RL = 1 MΩ。
材料
ADALM2000主動學習模塊
無焊試驗板和跳線套件
一個1 mH電感
其他不同數值的電感
兩個200 Ω電阻(可由兩個100 Ω電阻串聯而成)
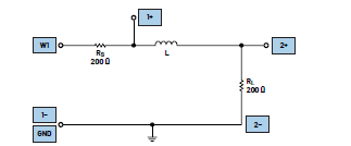
說明
在無焊試驗板上構建如圖4所示的電感測試電路。藍色方塊表示連接ADALM2000 AWG和示波器通道的位置。
圖4.電感測試電路。
硬件設置
ADALM2000 AWG輸出和示波器通道輸入的連接方式如圖4藍色框所示。部件套件中應包含多個不同數值的電感。將電感逐個插入測試電路。
程序步驟
在Scopy窗口打開網絡分析儀軟件工具。配置掃描範圍,起始頻率為100 kHz,停止頻率為30 MHz。將幅度設置為1 V,偏移設置為0 V,將伯德圖的幅度範圍設置為–60 dB至+40 dB。將最大相位設置為+180°,最小相位設置為–180。在通道選項中,點擊通道1,將其設為參考通道。將步驟數設為100。
對部件套件中的每個電感運行單次掃描。您應該會看到,幅度和相位與頻率的關係曲線和仿真結果非常相似。將數據導出到.csv文件,以便采用Excel或MATLAB®進行深入分析。
圖5.電感測試電路試驗板連接
圖6.Scopy截圖,L = 100 μH,RL = 200 Ω。
圖7.Scopy截圖,L = 100 μH,RL = 1 MΩ。
問題:
使用SRF公式計算實驗裝置中使用的電感的匝間寄生電容值。
您可以在學子專區論壇上找到問題答案。
附加實驗
若要進一步探索這種諧振現象,請將外部39 pF和/或100 pF電容與電感並聯,然後重新測量頻率響應。這樣就能獲得更多的諧振頻率數據,同樣可以使用諧振公式來計算和確認簡化模型中的電感L和CP。
(來源:ADI公司,作者:Antoniu Miclaus,係統應用工程師;Doug Mercer,RPI ECSE係的駐校工程師)
免責聲明:本文為轉載文章,轉載此文目的在於傳遞更多信息,版權歸原作者所有。本文所用視頻、圖片、文字如涉及作品版權問題,請聯係小編進行處理。
推薦閱讀:
- 噪聲中提取真值!瑞盟科技推出MSA2240電流檢測芯片賦能多元高端測量場景
- 10MHz高頻運行!氮矽科技發布集成驅動GaN芯片,助力電源能效再攀新高
- 失真度僅0.002%!力芯微推出超低內阻、超低失真4PST模擬開關
- 一“芯”雙電!聖邦微電子發布雙輸出電源芯片,簡化AFE與音頻設計
- 一機適配萬端:金升陽推出1200W可編程電源,賦能高端裝備製造
- 築基AI4S:摩爾線程全功能GPU加速中國生命科學自主生態
- 一秒檢測,成本降至萬分之一,光引科技把幾十萬的台式光譜儀“搬”到了手腕上
- AI服務器電源機櫃Power Rack HVDC MW級測試方案
- 突破工藝邊界,奎芯科技LPDDR5X IP矽驗證通過,速率達9600Mbps
- 通過直接、準確、自動測量超低範圍的氯殘留來推動反滲透膜保護
- 車規與基於V2X的車輛協同主動避撞技術展望
- 數字隔離助力新能源汽車安全隔離的新挑戰
- 汽車模塊拋負載的解決方案
- 車用連接器的安全創新應用
- Melexis Actuators Business Unit
- Position / Current Sensors - Triaxis Hall


