使用帶有嵌入式 ADC 的 CDBCAPTURE 係統
發布時間:2023-09-27 責任編輯:lina
【導讀】本應用筆記介紹了帶有嵌入式 A/D 轉換器的 CDBCAPTURE 係統的使用。本文將介紹 CDBCAPTURE 係統並提供一些示例。
本應用筆記介紹了帶有嵌入式 A/D 轉換器的 CDBCAPTURE 係統的使用。本文將介紹 CDBCAPTURE 係統並提供一些示例。
CDBCAPTURE 係統可用於從嵌入式模數轉換器 (ADC) 收集數據。因此,可以測量、分析和量化模擬前端的係統性能。通過分析測量的性能,可以識別、隔離噪聲源並采取糾正措施。這裏使用 CDBCAPTURE 作為工程工具,減少係統測試和集成期間的開發時間。另一個應用程序可以在生產中使用 CDBCAPTURE 來測試成品並驗證係統性能。
CDB捕獲
CAPTURE 接口板是一種開發工具,可將 Crystal Semiconductor ADC 連接到 PC 兼容計算機。來自 ADC 的數字數據被收集在高速數字 FIFO 中,然後通過串行 COM 端口傳輸到 PC。隨附評估軟件可分析數據並演示 ADC 的性能。整個係統由CAPTURE接口板、串行電纜、RS232電纜和軟件組成。
帶有嵌入式 ADC 的 CDBCAPTURE
CDBCAPTURE 電路板設計用於直接與大多數 Crystal Semiconductor ADC 評估板連接。這允許一種快速、簡單的方法來量化和驗證 ADC 的性能。然而,通常需要測量實際係統中 ADC 的性能或測量整體係統性能。為了從嵌入式 ADC 收集數據,需要設計特殊的串行電纜。該電纜包含評估板上存在的數字接口電路。該電纜連接到 ADC 上的相應信號。
為了從嵌入式 ADC 收集數據,需要將評估板上的數字接口電路集成到經過修改的串行電纜上。圖 1 是說明該過程的框圖。在圖 1 的頂部,評估板 CDBXXXX 包含數字接口電路,該電路將來自 ADC 的信號轉換為名為 FRAME、SCLK 和 SDATA 的三個標準串行信號。這些信號的時序和格式因設備類型而異。

CDBCAPTURE接口
在嵌入式 ADC 應用中,ADC 和 CDBCPATURE 電路卡之間的數字接口電路應在連接到串行電纜的小卡上實現,如圖 1 底(di)部(bu)所(suo)示(shi)。需(xu)要(yao)識(shi)別(bie)適(shi)當(dang)的(de)數(shu)字(zi)輸(shu)入(ru)信(xin)號(hao)。然(ran)後(hou)實(shi)施(shi)一(yi)種(zhong)將(jiang)這(zhe)些(xie)信(xin)號(hao)從(cong)嵌(qian)入(ru)式(shi)係(xi)統(tong)連(lian)接(jie)到(dao)電(dian)纜(lan)的(de)方(fang)法(fa)。連(lian)接(jie)方(fang)案(an)因(yin)每(mei)個(ge)應(ying)用(yong)而(er)異(yi),並(bing)且(qie)易(yi)於(yu)實(shi)施(shi)。
評估板數據表中提供了數字接口電路原理圖。在原理圖上找到包含信號的串行接口連接器:+5 V、GND、FRAME、SCLK 和 SDATA。從該連接器返回 ADC,確定創建串行信號所需的電路。該電路在單獨的電路板上實現,連接到帶有用於其 CDBCAPTURE 接口的 IDC 插座的 10 導體帶狀電纜。ADC接口可以是任何易於實現的連接器方案。可能的替代方案包括樁頭、測試夾、圓形連接器或“D”型連接器。
CS5508 示例
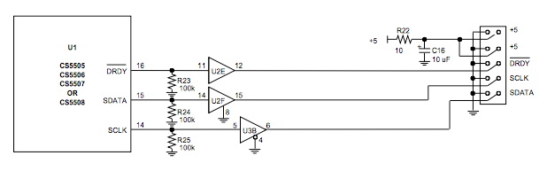
以下示例使用 CS5508 來說明設計修改後的串行電纜的過程。通過檢查 CDB5508 評估板的原理圖,可以識別數字接口電路。CDB5505/6/7/8 數據表的圖 1 提供了 CDB5508 評估板的原理圖。數字接口部分如下圖2所示。如果 CS 始終處於活動狀態,則不需要電阻器 R23、R24 和 R25。另外,使用 CAPTURE 板時,U3B 始終處於活動狀態,因此可以將其更改為通用緩衝區,例如 U2。
使用帶有嵌入式 ADC_2.png 的 CDBCAPTURE 係統

圖 3 顯示了源自圖 2 的修改後電纜的原理圖。DRDY、SCLK 和 SDATA 信號經過緩衝,為 CAPTURE 板創建串行電纜信號。5 伏電源從嵌入式係統獲得,並經過 R1 和 C1 濾波,然後提供給 CAPTURE 板。C2 是 U1 的旁路電容器。

數字接口的改進串行電纜實現
CDBCAPTURE 係統旨在輕鬆連接到大多數 Crystal Semiconductor ADC 評估板。評估板上包含數字電路以實現標準串行數據總線。CAPTURE 板可通過軟件重新配置,以適應不同的 ADC 和未來產品。CDBCAPTURE 係統可以輕鬆地將數字數據傳輸到 PC 進行分析。
很多時候,當 ADC 在完整的采集係統內運行時,需要從 ADC 收集數據。在這種情況下,CAPTURE 板的數字接口電路是在係統外部經過修改的電纜上實現的。電氣係統必須提供適當的互連方案,使用連接器或夾住的測試點。
修改後的串行電纜允許用戶在 ADC 嵌入電氣係統時測量其性能。可以測量和量化 ADC 以及係統性能。此信息用於隔離問題並調查某些子係統如何相互交互。
免責聲明:本文為轉載文章,轉載此文目的在於傳遞更多信息,版權歸原作者所有。本文所用視頻、圖片、文字如涉及作品版權問題,請聯係小編進行處理。
推薦閱讀:
- 噪聲中提取真值!瑞盟科技推出MSA2240電流檢測芯片賦能多元高端測量場景
- 10MHz高頻運行!氮矽科技發布集成驅動GaN芯片,助力電源能效再攀新高
- 失真度僅0.002%!力芯微推出超低內阻、超低失真4PST模擬開關
- 一“芯”雙電!聖邦微電子發布雙輸出電源芯片,簡化AFE與音頻設計
- 一機適配萬端:金升陽推出1200W可編程電源,賦能高端裝備製造
- 貿澤EIT係列新一期,探索AI如何重塑日常科技與用戶體驗
- 算力爆發遇上電源革新,大聯大世平集團攜手晶豐明源線上研討會解鎖應用落地
- 創新不止,創芯不已:第六屆ICDIA創芯展8月南京盛大啟幕!
- AI時代,為什麼存儲基礎設施的可靠性決定數據中心的經濟效益
- 矽典微ONELAB開發係列:為毫米波算法開發者打造的全棧工具鏈
- 車規與基於V2X的車輛協同主動避撞技術展望
- 數字隔離助力新能源汽車安全隔離的新挑戰
- 汽車模塊拋負載的解決方案
- 車用連接器的安全創新應用
- Melexis Actuators Business Unit
- Position / Current Sensors - Triaxis Hall



