分壓器和分流器:它們是什麼以及它們的作用
發布時間:2023-06-12 責任編輯:lina
【導讀】分壓器和分流器有許多實際應用。例如,在下圖所示的電路中,R 2是一個光敏電阻,它會隨著照射在其上的光強的變化而改變值。R 2和 U 2liangduandedianyashiguangqiangdudeliangdu。ninkeyishiyongtalaiganceyangguangdeqiangdu,huozheguangyuanheguangmindianzuzhijianshifoucunzaiwuti。dangran,fenyahefenliuqidianluhaiyouxuduoqitayingyong。
基爾霍夫電壓定律
基爾霍夫電壓定律指出回路中所有電壓的代數和必須為零。該定律的一個實際應用是分壓器,如下圖所示。
如果 U 1是 9V 電池,R 1是 3 歐姆電阻,R 2 是 6 歐姆電阻,則電路中流動的電流為
9 v3 Ω+6 Ω=1 A9 v3 Ω+6 Ω=1 A。
R 1兩端的電壓將是
3 Ω x 1 A=3 v3 Ω x 1 A=3 v,
R 2兩端的電壓為
6 Ω x 1 A=6 v6 Ω x 1 A=6 v.
各個電阻器兩端的電壓等於兩個電阻器兩端的電壓乘以各個電阻器與總電阻器的比率。計算電阻器 R 2和 U 2兩端電壓的公式如下所示。

圖 1 分壓器電路
U1=U1R2R1+R2U1=U1R2R1+R2
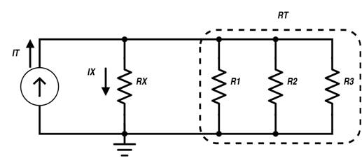
基爾霍夫電流定律
同樣,您可以分流。支配這一點的定律稱為基爾霍夫電流定律。該定律指出,“所有進出節點的電流的代數和必須等於零。”
要了解其工作原理,請參閱下圖。I T是提供給四個並聯電阻電路的總電流。I X是流經 R X的電流。如下式所示,流過 R X的 I T的分數將等於 I X乘以 R X與總電阻之比。如果所有電阻器的值都相同,則通過每個電阻器的電流將相同。
例如,如果 IT=1 AIT=1 A 和 RX=R1=R2=R3=30ΩRX=R1=R2=R3=30Ω,
然後 RT=10ΩRT=10Ω 和 IX=ITRTRX+RT=(1)(10)30+10=1040=0.25 AIX=ITRTRX+RT=(1)(10)30+10=1040=0.25 A。

圖 2 分流器電路
IX=ITRTRX+RTIX=ITRTRX+RT
分壓器和分流器的應用
分壓器和分流器有許多實際應用。例如,在下圖所示的電路中,R 2是一個光敏電阻,它會隨著照射在其上的光強的變化而改變值。R 2和 U 2liangduandedianyashiguangqiangdudeliangdu。ninkeyishiyongtalaiganceyangguangdeqiangdu,huozheguangyuanheguangmindianzuzhijianshifoucunzaiwuti。dangran,fenyahefenliuqidianluhaiyouxuduoqitayingyong。

圖 3 分壓器應用
U2=U1R2R1+R2
免責聲明:本文為轉載文章,轉載此文目的在於傳遞更多信息,版權歸原作者所有。本文所用視頻、圖片、文字如涉及作品版權問題,請聯係小編進行處理。
推薦閱讀:
- 噪聲中提取真值!瑞盟科技推出MSA2240電流檢測芯片賦能多元高端測量場景
- 10MHz高頻運行!氮矽科技發布集成驅動GaN芯片,助力電源能效再攀新高
- 失真度僅0.002%!力芯微推出超低內阻、超低失真4PST模擬開關
- 一“芯”雙電!聖邦微電子發布雙輸出電源芯片,簡化AFE與音頻設計
- 一機適配萬端:金升陽推出1200W可編程電源,賦能高端裝備製造
- 築基AI4S:摩爾線程全功能GPU加速中國生命科學自主生態
- 一秒檢測,成本降至萬分之一,光引科技把幾十萬的台式光譜儀“搬”到了手腕上
- AI服務器電源機櫃Power Rack HVDC MW級測試方案
- 突破工藝邊界,奎芯科技LPDDR5X IP矽驗證通過,速率達9600Mbps
- 通過直接、準確、自動測量超低範圍的氯殘留來推動反滲透膜保護
- 車規與基於V2X的車輛協同主動避撞技術展望
- 數字隔離助力新能源汽車安全隔離的新挑戰
- 汽車模塊拋負載的解決方案
- 車用連接器的安全創新應用
- Melexis Actuators Business Unit
- Position / Current Sensors - Triaxis Hall






