三極管和MOS管下拉電阻的作用
發布時間:2022-12-29 責任編輯:lina
【導讀】三極管屬於電流型驅動元器件,因此一般在基極都會串一個限流電阻,一般小於等於10K,但是在基極為什麼會下拉一個電阻呢?舉例說明。如下圖,是溫度開關控製馬達電路圖。
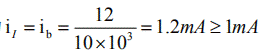
簡單講解一下三極管,如果三極管工作在飽和區(完全導通),Rce≈0,Vce≈0.3V,且這個0.3V,我們就認為它直接接地了。那麼就需要讓Ib大於等於1mA,若Ib=1mA, Ic=100mA,它的放大倍數β=100,三極管完全導通。如下圖,是一個NPN三極管。
三極管屬於電流型驅動元器件,因此一般在基極都會串一個限流電阻,一般小於等於10K,但是在基極為什麼會下拉一個電阻呢?舉例說明。如下圖,是溫度開關控製馬達電路圖。
如圖是溫度開關控製馬達轉和停,溫度開關相當於一個按鍵開關。在B極串個開關,N管就能夠做個開關管使用。圖中馬達是一個直流有刷馬達,隻要正極接通12V,負極接地,馬達就開始轉。
當溫度開關導通,回路I流過的電流的為
三極管CE完全導通,Vce ? 0.3V,這時候,馬達兩端的電壓壓降接近 12V,它就能夠轉動,因為三極管be的導通後阻抗遠遠小於2K電阻R2,所以電流大部分流過三極管;當溫度開關斷開,ib 就沒有電流,ic 也沒有電流。
由於溫度開關在關斷的瞬間,三級管ib、ic上shang的de電dian流liu並bing不bu能neng夠gou一yi下xia子zi降jiang到dao零ling,而er是shi慢man慢man降jiang到dao零ling,這zhe是shi製zhi造zao工gong藝yi必bi然ran存cun在zai的de,在zai這zhe段duan時shi間jian,三san極ji管guan是shi工gong作zuo在zai放fang大da區qu,是shi容rong易yi受shou到dao幹gan擾rao。因yin此ci需xu要yao接jie個ge下xia拉la電dian阻zuR2,這個電阻一是給三極管提供了個放電回路,二是為點A提供一個能量分散的通路。
放電回路怎麼理解?
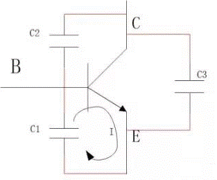
如下圖三極管寄生電容,三極管實際工藝製造模型,三極管BE、BC、CE之間分別有電容C1、C2、C3。這zhe三san個ge電dian容rong的de存cun在zai一yi方fang麵mian是shi我wo們men不bu需xu要yao的de,另ling一yi方fang麵mian,又you是shi工gong藝yi中zhong無wu法fa避bi免mian克ke服fu的de,是shi製zhi造zao工gong藝yi過guo程cheng中zhong必bi然ran存cun在zai的de現xian象xiang。我wo們men把ba這zhe種zhong電dian容rong一yi般ban稱cheng之zhi為wei雜za散san電dian容rong,或huo者zhe說shuo是shi寄ji生sheng電dian容rong。
由於有電容的存在,三極管勢必有延時。當ib沒有電流時,電容C1開始放電,形成回路I,這個時候B點的電壓從0.7V降到0V,工作在放大區,容易受到幹擾,在C1兩端加個電阻R2,電容上的電一部分就會從電阻R2上釋放掉,並且電阻阻值越小,電容放電越快。因此,電阻R2給電容提供了一個通路釋放電荷,大大減短了三極管工作在放大區的時間。
給能量提供一個分散通路怎麼理解?
為什麼說電阻 R2 為點A提供了一個能量分散通路。如圖2所示,溫度開關斷開時,此時點A是懸空的,A點電壓不確定,為高阻態(阻抗無窮大),容易出現誤導通的現象,而且也容易受到周圍環境幹擾,比如靜電、雷擊等使器件損壞。
當使用環境出現雷擊,高壓靜電等情況,在點A下拉一個電阻接到地,大部分電流就會順著電阻流入地,給能量提供一個分散通路。如果沒有接這個電阻,當發生雷擊時,由於A點左邊阻抗無窮大,A點右邊接三極管,阻抗相對左邊來說是很低的,因此電流會全部往阻抗低的方向跑,流入三極管,造成電流過大,使器件性損壞。
關於MOS管
由於篇幅限製,關於MOS管基礎知識,移步此處:MOS管基本認識。
下拉電阻的作用有兩個:
防止在靜電作用下,電荷沒有釋放回路,容易引起靜電擊穿
MOS管在開關狀態工作時,就是不斷的給Cgs充放電,當斷開電源時,Cgs內部可能儲存有一部分電荷,但是沒有釋放回路,MOS管柵極電場仍然存在且能保持很長時間,建立導電溝道的條件沒有消失。在下次開機時,在導電溝道的作用下,MOS管立即產生不受控的巨大漏極電流Id,引起MOS管燒壞。
免責聲明:本文為轉載文章,轉載此文目的在於傳遞更多信息,版權歸原作者所有。本文所用視頻、圖片、文字如涉及作品版權問題,請聯係小編進行處理。
推薦閱讀:
【坐享“騎”成】係列之四:泰克方案化解智能座艙HDMI顯示接口測試難點
- 噪聲中提取真值!瑞盟科技推出MSA2240電流檢測芯片賦能多元高端測量場景
- 10MHz高頻運行!氮矽科技發布集成驅動GaN芯片,助力電源能效再攀新高
- 失真度僅0.002%!力芯微推出超低內阻、超低失真4PST模擬開關
- 一“芯”雙電!聖邦微電子發布雙輸出電源芯片,簡化AFE與音頻設計
- 一機適配萬端:金升陽推出1200W可編程電源,賦能高端裝備製造
- 一秒檢測,成本降至萬分之一,光引科技把幾十萬的台式光譜儀“搬”到了手腕上
- AI服務器電源機櫃Power Rack HVDC MW級測試方案
- 突破工藝邊界,奎芯科技LPDDR5X IP矽驗證通過,速率達9600Mbps
- 通過直接、準確、自動測量超低範圍的氯殘留來推動反滲透膜保護
- 從技術研發到規模量產:恩智浦第三代成像雷達平台,賦能下一代自動駕駛!
- 車規與基於V2X的車輛協同主動避撞技術展望
- 數字隔離助力新能源汽車安全隔離的新挑戰
- 汽車模塊拋負載的解決方案
- 車用連接器的安全創新應用
- Melexis Actuators Business Unit
- Position / Current Sensors - Triaxis Hall






