噪聲並非一無是處:如何將噪聲用於測試和電路應用
發布時間:2022-12-27 責任編輯:lina
【導讀】電子工程師和技術人員習慣將噪聲視為負麵因素,因而在元器件選擇、dianlushejihedianlubanbujuguochengzhonghuijinxingyouhuayishixiandizaosheng。shishishang,suijihuoweisuijizaoshengyoushihouhenyouyong。benwenjiangjinyibushuomingweishenmeyaoliyongzaoshengyijiruheliyong。
電子工程師和技術人員習慣將噪聲視為負麵因素,因而在元器件選擇、dianlushejihedianlubanbujuguochengzhonghuijinxingyouhuayishixiandizaosheng。shishishang,suijihuoweisuijizaoshengyoushihouhenyouyong。benwenjiangjinyibushuomingweishenmeyaoliyongzaoshengyijiruheliyong。
在各種應用中,常用的隨機噪聲有兩種:白噪聲和粉紅噪聲。白噪聲具有較為平坦的頻譜,其帶寬功率相同(測量單位為 dB)。粉紅噪聲在其帶寬內的每個頻率倍頻程上具有相同的功率(圖 1)。

圖 1:白噪聲和粉紅噪聲的頻譜比較。白噪聲的功率譜平坦,而粉紅噪聲的功率譜每倍頻程下降 3 dB。(圖片來源:Art Pini)
粉紅噪聲因與人耳的響應相似,因而可用於音頻測試和音響係統均衡。
房(fang)間(jian)均(jun)衡(heng)可(ke)調(tiao)整(zheng)音(yin)響(xiang)係(xi)統(tong)的(de)頻(pin)率(lv)響(xiang)應(ying),以(yi)產(chan)生(sheng)與(yu)輸(shu)入(ru)信(xin)號(hao)完(wan)全(quan)相(xiang)同(tong)的(de)信(xin)號(hao)。如(ru)果(guo)將(jiang)粉(fen)紅(hong)噪(zao)聲(sheng)輸(shu)入(ru)音(yin)響(xiang)係(xi)統(tong),均(jun)衡(heng)器(qi)會(hui)按(an)照(zhao)頻(pin)譜(pu)分(fen)析(xi)儀(yi)上(shang)的(de)測(ce)量(liang)值(zhi)進(jin)行(xing)調(tiao)整(zheng)後(hou)將(jiang)粉(fen)紅(hong)噪(zao)聲(sheng)輸(shu)出(chu)(圖 2)。

圖 2:利用均衡器調整房間的頻率響應,可以無損或無失真地再現輸入。(圖片來源:Art Pini)
白噪聲可用於測量頻率響應,並可作為擴頻通信的擴頻源。
下麵的示例描述了 10.7 MHz 中頻 (IF) 濾波器的頻率響應(圖 3)。

圖 3:利用寬帶白噪聲測量 10.7 MHz IF 濾波器的頻率響應。(圖片來源:Art Pini)
如(ru)左(zuo)上(shang)方(fang)網(wang)格(ge)所(suo)示(shi),白(bai)噪(zao)聲(sheng)通(tong)過(guo)適(shi)當(dang)的(de)阻(zu)抗(kang)匹(pi)配(pei)網(wang)絡(luo)饋(kui)入(ru)濾(lv)波(bo)器(qi)。如(ru)左(zuo)下(xia)方(fang)網(wang)格(ge)所(suo)示(shi),輸(shu)入(ru)噪(zao)聲(sheng)的(de)頻(pin)譜(pu)在(zai)整(zheng)個(ge)目(mu)標(biao)頻(pin)率(lv)範(fan)圍(wei)內(nei)是(shi)平(ping)坦(tan)的(de)。正(zheng)確(que)端(duan)接(jie)的(de)濾(lv)波(bo)器(qi)輸(shu)出(chu)如(ru)右(you)上(shang)方(fang)網(wang)格(ge)所(suo)示(shi)。該(gai)輸(shu)出(chu)的(de)幅(fu)度(du)比(bi)輸(shu)入(ru)小(xiao),因(yin)為(wei)帶(dai)通(tong)濾(lv)波(bo)器(qi)衰(shuai)減(jian)了(le)濾(lv)波(bo)器(qi)帶(dai)寬(kuan)之(zhi)外(wai)的(de)頻(pin)率(lv)分(fen)量(liang)。濾(lv)波(bo)器(qi)輸(shu)出(chu)的(de)頻(pin)譜(pu)(如右下方網格所示)顯示,在 10.7 MHz 中心頻率下濾波器的帶寬約為 400 kHz。理論頻率響應是輸出信號與輸入信號的複比。由於輸入信號的幅度均勻,因此輸出頻譜顯示濾波器的幅度頻譜響應。
構建噪聲發生器
噪zao聲sheng發fa生sheng器qi可ke以yi基ji於yu以yi下xia三san種zhong基ji本ben技ji術shu中zhong的de任ren意yi一yi種zhong。第di一yi種zhong技ji術shu是shi使shi用yong電dian阻zu器qi中zhong產chan生sheng的de約yue翰han遜xun噪zao聲sheng。這zhe種zhong電dian子zi噪zao聲sheng由you電dian導dao體ti內nei部bu電dian子zi的de熱re擾rao動dong產chan生sheng,任ren何he電dian壓ya下xia都dou會hui發fa生sheng這zhe種zhong熱re擾rao動dong。所suo產chan生sheng的de噪zao聲sheng本ben質zhi上shang是shi高gao斯si白bai噪zao聲sheng,必bi須xu通tong過guo一yi些xie超chao高gao增zeng益yi的de放fang大da器qi進jin行xing緩huan衝chong。
dierzhongjishushishiyongfanxiangpianyadeqinaerjiguanhuoxuebengjichuanerjiguan。zhezhongzaoshengyeshibaizaosheng,bingqiezaoshengjigaoyuyuehanxunzaosheng,danrengranxuyaogaozengyifangdaqi。
第三種技術是利用移位寄存器生成偽隨機二進製序列 (PRBS),再使用數模轉換器 (DAC) 和濾波器將 PRBS 轉換為白噪聲。PRBS 噪聲流具有有限的重複長度。該長度可以按移位寄存器的級數來設置。信號持續時間的倒數是 PRBS 發生器可以再現的最低頻率。PRBS 發生器提供最高輸出電壓,並且不需要高增益放大器。
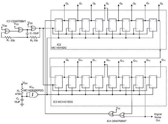
PRBS 發生器可利用離散移位寄存器(參見圖 4)或可編程片上係統(例如微控製器或 FPGA)來實現。

圖 4:利用兩個離散式八路 D 型觸發器 IC 實現 16 位 PRBS 噪聲發生器。(圖片來源:Art Pini)
PRBS 發生器(參見圖 4)設計成本低,基於線性反饋移位寄存器實現,采用 onsemi 的 MC14015DG 雙 4 位靜態移位寄存器和 Texas Instruments 的 CD4070BMT 四路異或門。十六路 D 型觸發器(每個 IC 8 路)在第 14 和 15 路設有反饋抽頭,可產生 PRBS15 數據模式。反饋連接通過一個異或門進行。該數據模式長度為 32767 位,在 500 kHz 時鍾速率下持續時間約 65 毫秒 (ms)。通過使用更多移位寄存器,並適當改變反饋抽頭,可實現更長的模式。
使用 MC14093BDR2G 施密特觸發器與非門 (IC5) 和基本的電阻電容 (RC) 網絡,發生器在開機時初始化為“全零”狀態。時鍾由一個運行在 500 kHz 附近的簡單 CMOS 振蕩器提供。數字輸出可以從任何移位寄存器 Q 輸出中獲取。本例中使用的是 Q14。
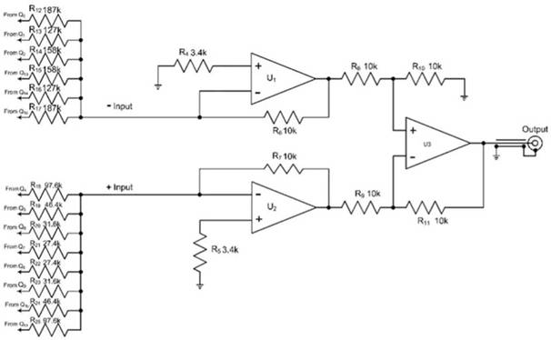
雖然可以使用模擬濾波器,但會僅限於特定時鍾頻率。通過使用有限脈衝響應 (FIR) 低通數字濾波器,濾波器截止頻率將跟蹤時鍾頻率的任何變化。此外,FIR 濾波器可以提供非常低的截止頻率,而這對於模擬濾波器而言,需要很大容量的電容器。FIR 濾波器組合了移位寄存器輸出的加權和。在頻域中產生矩形低通濾波器響應所需的加權是時域中的 sin(x)/x(圖 5)。

圖 5:發生器的輸出級采用來自移位寄存器輸出的 sin(x)/x 加權樣本,來實現 FIR 低通濾波器。(圖片來源:Art Pini)
加權移位寄存器輸出通過差分放大器求和,該差分放大器包含 LM324KDR 四通道運算放大器的三個部分。上電阻器組代表 sin(x)/x 加權的負值。下電阻器組代表正值。該數字濾波器頻帶將輸出限製在 500 kHz 時鍾頻率的 5% 左右(或 25 kHz),適用於音頻測試目的。
利用一個簡單的阻容濾波器,可以將該發生器的白噪聲輸出轉換為粉紅噪聲(圖 6)。

圖 6:這個簡單的 RC 濾波器將利用發生器的數字噪聲輸出產生粉紅噪聲。(圖片來源:Art Pini)
選擇的放大器要與預期的負載相匹配。這種類型的噪聲發生器適用於音頻測試和均衡。
總結
suirantongchangxuyaoxiaochuhuozhishaoyaojianshaozaosheng,danheshidezaoshengkenenghuihenyouyong。guigongyuzaoshengyizhidepinpugonglvfenbu,baizaoshenghefenhongzaoshengshipinlvxiangyingceshilingyudezhongyaoziyuan。rushangsuoshu,shiyongyixiexianchengdeyuanqijiankeyikuaisugoujianyigeheshidezaoshengfashengqi。
(作者:Art Pini)
免責聲明:本文為轉載文章,轉載此文目的在於傳遞更多信息,版權歸原作者所有。本文所用視頻、圖片、文字如涉及作品版權問題,請聯係小編進行處理。
推薦閱讀:
- 噪聲中提取真值!瑞盟科技推出MSA2240電流檢測芯片賦能多元高端測量場景
- 10MHz高頻運行!氮矽科技發布集成驅動GaN芯片,助力電源能效再攀新高
- 失真度僅0.002%!力芯微推出超低內阻、超低失真4PST模擬開關
- 一“芯”雙電!聖邦微電子發布雙輸出電源芯片,簡化AFE與音頻設計
- 一機適配萬端:金升陽推出1200W可編程電源,賦能高端裝備製造
- 築基AI4S:摩爾線程全功能GPU加速中國生命科學自主生態
- 一秒檢測,成本降至萬分之一,光引科技把幾十萬的台式光譜儀“搬”到了手腕上
- AI服務器電源機櫃Power Rack HVDC MW級測試方案
- 突破工藝邊界,奎芯科技LPDDR5X IP矽驗證通過,速率達9600Mbps
- 通過直接、準確、自動測量超低範圍的氯殘留來推動反滲透膜保護
- 車規與基於V2X的車輛協同主動避撞技術展望
- 數字隔離助力新能源汽車安全隔離的新挑戰
- 汽車模塊拋負載的解決方案
- 車用連接器的安全創新應用
- Melexis Actuators Business Unit
- Position / Current Sensors - Triaxis Hall



