如何從單電源供電回路中獲得正負電源
發布時間:2022-02-18 責任編輯:lina
【導讀】由於輸入端與輸出端被短接在一起,故非門的輸出電壓與輸入電壓相等(Vi=VO);這(zhe)樣(yang),非(fei)門(men)被(bei)強(qiang)製(zhi)工(gong)作(zuo)在(zai)轉(zhuan)移(yi)特(te)性(xing)曲(qu)線(xian)的(de)中(zhong)心(xin)點(dian)處(chu),因(yin)此(ci)輸(shu)出(chu)電(dian)壓(ya)被(bei)限(xian)定(ding)為(wei)門(men)電(dian)路(lu)的(de)閾(yu)值(zhi)電(dian)平(ping),其(qi)大(da)小(xiao)等(deng)於(yu)電(dian)源(yuan)電(dian)壓(ya)的(de)一(yi)半(ban),如(ru)果(guo)我(wo)們(men)將(jiang)非(fei)門(men)的(de)輸(shu)出(chu)端(duan)作(zuo)為(wei)直(zhi)流(liu)接(jie)地(di)端(duan),就(jiu)可(ke)以(yi)把(ba)電(dian)源(yuan)電(dian)壓(ya) VCC轉換為?VCC/2的雙電源電壓;此時的非門起到了一個存儲電流的穩壓器的作用,電路的輸出阻抗較低、因而輸出電壓也比較穩定。
單電源供電回路中獲得正負電源的特殊方法
圖1所示極性變換電路的重心器件為普通的非門。由於輸入端與輸出端被短接在一起,故非門的輸出電壓與輸入電壓相等(Vi=VO);這(zhe)樣(yang),非(fei)門(men)被(bei)強(qiang)製(zhi)工(gong)作(zuo)在(zai)轉(zhuan)移(yi)特(te)性(xing)曲(qu)線(xian)的(de)中(zhong)心(xin)點(dian)處(chu),因(yin)此(ci)輸(shu)出(chu)電(dian)壓(ya)被(bei)限(xian)定(ding)為(wei)門(men)電(dian)路(lu)的(de)閾(yu)值(zhi)電(dian)平(ping),其(qi)大(da)小(xiao)等(deng)於(yu)電(dian)源(yuan)電(dian)壓(ya)的(de)一(yi)半(ban),如(ru)果(guo)我(wo)們(men)將(jiang)非(fei)門(men)的(de)輸(shu)出(chu)端(duan)作(zuo)為(wei)直(zhi)流(liu)接(jie)地(di)端(duan),就(jiu)可(ke)以(yi)把(ba)電(dian)源(yuan)電(dian)壓(ya) VCC轉換為?VCC/2的雙電源電壓;此時的非門起到了一個存儲電流的穩壓器的作用,電路的輸出阻抗較低、因而輸出電壓也比較穩定。
圖中的非門可以選用74HC00或CD4069等普通門電路,考慮到CMOS非門驅動負載的能力有限,因此很好將幾個非門並聯使用以提高其有效輸出電流,圖中的電容C1、C2起退耦作用,容量可適當地取大一些。

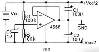
圖2所示電路中的運放同相輸入端接有對稱的串聯電阻分壓器,而運放本身接為電壓跟隨器的形式;根據運放線性工作的特點不難看出:運放輸出端與分壓點間的電位嚴格相等。由於運放的輸出端作接地處理,因此運放的供電電源VCC就被相應地分隔成了兩組對稱的正、負電源VCC/2。

當運放的輸出電流無法滿足實際需求時,不能象門電路那樣簡單地並聯使用;這時可以將通用型小功率運放換為輸出電流較大的功放類運放器件,例如常見的TDA2030A。與圖1類似,C1、C2同為退耦電容、加載運放同相輸出端的電容C3起到了抑製幹擾及濾波的作用對於大多數的OTL功放類器件而言,其內部一般都設置了對稱的偏置電路結構,這就使其輸出端的直流電位近似為電源電壓的一半;根據上述原理,我們完全可以利用集成功放將單電源轉換成為大小相等的雙極性正、負電源,具體電路如圖3所示。

事實上,由於內容參數的離散性以及自舉電路結構的影響,集成功放輸出端的電壓並不是jue對的VCC/2,從而造成正、負輸出電壓不平衡的現象。對此我們需要將一隻10-100kΩ的電位器串聯在正負電源之間,並把LM386第③腳輸入端接到電位器的中間抽頭,而第②腳保持懸空。對電路進行上述改進後,通過調節功放的直流輸入電平,就可以在芯片的輸出端得到大小非常緊接的正負電壓值了。
免責聲明:本文為轉載文章,轉載此文目的在於傳遞更多信息,版權歸原作者所有。本文所用視頻、圖片、文字如涉及作品版權問題,請電話或者郵箱聯係小編進行侵刪。
推薦閱讀:
- 噪聲中提取真值!瑞盟科技推出MSA2240電流檢測芯片賦能多元高端測量場景
- 10MHz高頻運行!氮矽科技發布集成驅動GaN芯片,助力電源能效再攀新高
- 失真度僅0.002%!力芯微推出超低內阻、超低失真4PST模擬開關
- 一“芯”雙電!聖邦微電子發布雙輸出電源芯片,簡化AFE與音頻設計
- 一機適配萬端:金升陽推出1200W可編程電源,賦能高端裝備製造
- 築基AI4S:摩爾線程全功能GPU加速中國生命科學自主生態
- 一秒檢測,成本降至萬分之一,光引科技把幾十萬的台式光譜儀“搬”到了手腕上
- AI服務器電源機櫃Power Rack HVDC MW級測試方案
- 突破工藝邊界,奎芯科技LPDDR5X IP矽驗證通過,速率達9600Mbps
- 通過直接、準確、自動測量超低範圍的氯殘留來推動反滲透膜保護
- 車規與基於V2X的車輛協同主動避撞技術展望
- 數字隔離助力新能源汽車安全隔離的新挑戰
- 汽車模塊拋負載的解決方案
- 車用連接器的安全創新應用
- Melexis Actuators Business Unit
- Position / Current Sensors - Triaxis Hall




