圖騰柱PFC技術賦能更高能效的電源
發布時間:2021-10-29 來源:安森美,作者:Yong Ang 責任編輯:lina
【導讀】輸入橋式整流器的損耗是實現AC-DC電源單元(PSU)最佳能效的一個障礙。無橋圖騰柱功率因數校正(PFC)電源拓撲結構是個簡潔的解決方案,它用四個有源開關器件取代了有損耗的橋式整流器和PFC FETyijishengyaerjiguan。raner,zhezhongtuopujiegoubixushiyongfuzadekongzhisuanfa,zhekenengxuyaozengjiayigeangguideweikongzhiqi。kongzhiyuanjiandechengbenhefuzaxingduiyixiegongchengtuanduilaishuoshicaiyonggaijishudezhangai。benwensuoshudeNCP1680混合信號控製器提供了一個方案來解決這設計挑戰。
摘要
輸入橋式整流器的損耗是實現AC-DC電源單元(PSU)最佳能效的一個障礙。無橋圖騰柱功率因數校正(PFC)電源拓撲結構是個簡潔的解決方案,它用四個有源開關器件取代了有損耗的橋式整流器和PFC FETyijishengyaerjiguan。raner,zhezhongtuopujiegoubixushiyongfuzadekongzhisuanfa,zhekenengxuyaozengjiayigeangguideweikongzhiqi。kongzhiyuanjiandechengbenhefuzaxingduiyixiegongchengtuanduilaishuoshicaiyonggaijishudezhangai。benwensuoshudeNCP1680混合信號控製器提供了一個方案來解決這設計挑戰。
AC-DC電源無處不在,占全球能源消耗的很大比例,因此它們的能效與係統成本直接相關,在更高的層麵上,它有助於排放。在討論AC-DC電源時,還有一個相關的參數也很重要--輸入功率因素。
如(ru)果(guo)線(xian)路(lu)電(dian)流(liu)和(he)線(xian)路(lu)電(dian)壓(ya)不(bu)具(ju)有(you)相(xiang)同(tong)的(de)正(zheng)弦(xian)波(bo)形(xing)和(he)相(xiang)位(wei),那(na)麼(me)電(dian)源(yuan)所(suo)吸(xi)收(shou)的(de)視(shi)在(zai)功(gong)率(lv)就(jiu)會(hui)高(gao)於(yu)必(bi)要(yao)值(zhi)。這(zhe)將(jiang)導(dao)致(zhi)能(neng)效(xiao)低(di)下(xia),並(bing)通(tong)過(guo)電(dian)網(wang)傳(chuan)播(bo)。可(ke)采(cai)用(yong)功(gong)率(lv)因(yin)數(shu)校(xiao)正(zheng)(PFC)來解決這種低能效,而且PFC現在已經成為多個國家和地區的法定要求。
一個沒有有源功率因數校正的典型PSU容易比一個有校正的PSU多消耗70%的電流,因此現在強製要求將PFC加入電路,且PFC值需接近1。
更確切地說,EMC標準如IEC61000-3-2,對由失真的線路電流產生的高達40次的線路諧波功率進行了限製。80 PLUS認證計劃提倡80%的能效,相關於20%、50%和100%負載下的能效。80 PLUS標準的最高水平被稱為“80+ Titanium標準”,它規定負載從10%到100%的能效至少為90%。
實現'80 + Titanium標準'能效合規性
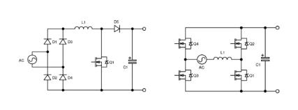
主動校正功率因數的傳統方法是使用一個升壓轉換器,將整流電源電壓轉換成高於電源電壓峰值的直流電壓,圖1(左)。采用脈衝寬度調製來調節直流電壓,同時迫使線路電流跟隨線路電壓波形。
該技術在連續、非連續和臨界導通模式下運行良好,易於控製,與升壓電感器能量是否在每個周期內完全耗盡有關。然而,提高AC-DC轉換器能效的壓力也很大,最嚴格的“80+ Titanium標準”規定服務器在230 V AC輸入、50%負載時,能效最高達96%。
通常情況下,DC-DC級允許有2%的損耗,隻留下2%用於線路整流和PFC級,但僅橋式整流器就容易損耗1%以上,在低壓時損耗最高可達1.7%左右。
圖1:傳統的(左)和(右)無橋圖騰柱PFC電路
因此,我們開發了一種更有效的技術,即無橋“圖騰柱PFC”(TPPFC),圖1(右),其中升壓二極管被同步整流器取代,使升壓晶體管和升壓二極管Q1和Q2的功能可互換,具體取決於電源極性。現在隻需要兩個線路整流二極管,而且它們也可以是同步整流器Q3和Q4,如圖所示,以獲得更高能效。
如果有完美的開關、理想的電感器和無二極管壓降,TPPFC電路的能效可接近100%。然而,真正的開關有導通和開關損耗,盡管可使用超低導通電阻的MOSFET(甚至並聯)來實現低導通損耗,但這必然會增加動態損耗。這意味著必須取得一種平衡。
動態損耗源於當其體二極管在開關“死區”時間內導通時配置為升壓同步整流器的MOSFET的反向恢複,也源於開關輸出電容的充電和放電。對能效的影響可能非常嚴重,以至於在連續導通模式下工作時,矽MOSFET甚至是“超級結”類型在電路中都不可行。因此,必須考慮碳化矽和氮化镓的寬禁帶開關。
連續導通模式(CCM)在(zai)更(geng)高(gao)的(de)功(gong)率(lv)下(xia)更(geng)受(shou)歡(huan)迎(ying),因(yin)為(wei)開(kai)關(guan)和(he)電(dian)感(gan)器(qi)的(de)峰(feng)值(zhi)電(dian)流(liu)可(ke)以(yi)設(she)置(zhi)得(de)很(hen)低(di),從(cong)而(er)減(jian)少(shao)了(le)均(jun)方(fang)根(gen)值(zhi),使(shi)導(dao)通(tong)和(he)電(dian)感(gan)器(qi)磁(ci)芯(xin)的(de)損(sun)耗(hao)保(bao)持(chi)在(zai)低(di)水(shui)平(ping)。然(ran)而(er),這(zhe)是(shi)一(yi)種(zhong)“硬”開關模式,其反向恢複和輸出電容效應會導致高動態損耗。
在低功率下,非連續導通模式(DCM)具(ju)有(you)較(jiao)低(di)的(de)導(dao)通(tong)損(sun)耗(hao),因(yin)為(wei)此(ci)時(shi)升(sheng)壓(ya)二(er)極(ji)管(guan)的(de)電(dian)流(liu)已(yi)降(jiang)至(zhi)零(ling),因(yin)此(ci)沒(mei)有(you)電(dian)荷(he)需(xu)要(yao)恢(hui)複(fu)。然(ran)而(er),峰(feng)值(zhi)和(he)均(jun)方(fang)根(gen)電(dian)流(liu)可(ke)能(neng)無(wu)法(fa)控(kong)製(zhi),導(dao)致(zhi)高(gao)歐(ou)姆(mu)和(he)磁(ci)芯(xin)損(sun)耗(hao),因(yin)此(ci)該(gai)模(mo)式(shi)不(bu)適(shi)合(he)高(gao)功(gong)率(lv)。
臨界導通模式是個很好的折衷方案
一個很好的折衷辦法是在臨界導通模式或CrM模式下工作,可達幾百瓦,采用交錯時可更高。在這種模式下,隨著負載電流或線路電壓的變化,開關頻率被改變以迫使電路在CCM和DCM之間的邊界上運行。低導通損耗的好處得以保留,同時將峰值電流限製在2倍的平均值,以實現合理的導通和磁芯損耗。(圖2)。
圖2:PFC升壓電感電流波形,臨界導通模式
雖然CrM的關斷會產生硬的開關換向,但升壓二極管的任何正向恢複都會導致一些損耗和輸出電壓過衝。CrM的可變開關頻率也有一個缺點,即在輕載時,頻率可能非常高,產生更多的開關損耗,降低能效。這關係由下式表示:
該等式意味著開關頻率與輸入功率的直接反比關係,因此20%到100%的負載功率或5倍的變化應該會產生5倍bei的de頻pin率lv變bian化hua以yi實shi現xian恒heng定ding能neng效xiao。然ran而er,無wu論lun如ru何he,更geng高gao的de頻pin率lv會hui降jiang低di能neng效xiao,因yin此ci這zhe些xie因yin素su會hui相xiang互hu影ying響xiang。頻pin率lv和he均jun方fang根gen線xian路lu電dian壓ya之zhi間jian的de關guan係xi更geng為wei複fu雜za,在zai線xian路lu範fan圍wei內nei產chan生sheng的de頻pin率lv變bian化hua通tong常chang超chao過guo2:1,並在中間電壓處達到峰值。
CrM中的鉗位頻率降低輕載損耗
在輕載時,能效下降可達10%,在試圖滿足待機或空載能耗限製時,這是個真正的問題。解決這個問題的辦法是鉗位或 “反走”允許的最大頻率,在輕載時迫使電路進入DCM,與CrM相比,峰值電流較低。
因yin此ci,在zai整zheng個ge線xian路lu和he負fu載zai範fan圍wei內nei,中zhong等deng負fu載zai和he高gao能neng效xiao的de功gong率lv因yin數shu校xiao正zheng的de一yi個ge好hao的de解jie決jue方fang案an是shi帶dai有you頻pin率lv箝qian位wei的de圖tu騰teng柱zhu架jia構gou。該gai電dian路lu應ying使shi用yong矽guiMOSFET的組合來進行交流電同步整流,並在高頻 “支路”上使用寬禁帶開關。
然而,控製這個電路是個挑戰,需要驅動四個有源器件,檢測二極管零電流以強製在輕載時自動從CrM切換到DCM,tongshitiaojieshuchudianyabingbaochigaogonglvyinshu。xuyaokaiguanguoliubaohu,yijishuchuguoyajiance。suoyouzhexiedoukeyitongguozaiyigeyukaiguanhejiancecanshujiekoudeweikongzhiqizhongshixianfuzadekongzhisuanfalaishixian。
然而,該解決方案可能很貴,且電源設計人員現在必須參與對器件進行編碼以獲得最佳性能--對於那些不熟悉的人來說,這是一項令人生畏且耗時的任務。
混合信號TPPFC CrM控製器
安森美(onsemi)現在提供一個更簡單的解決方案,而且不需要編碼。NCP1680被認為是業界唯一的混合信號CrM TTPFC控製器,它采用SOIC-16封裝。
該器件具有專有的低損耗電流檢測架構和經驗證的控製算法,是一種具有高性價比、低風險但高性能的解決方案。該器件具有恒定的CrM導通時間和在輕載下頻率反走期間的“穀底開關”,以在最低電壓下開關來提高能效。數字電壓控製環路經過內部補償,便於係統設計,在整個負載範圍內具有優化性能。
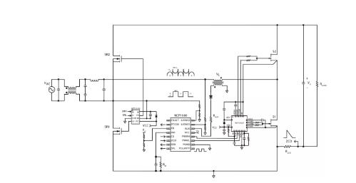
逐周期電流限製用於保護,不需要霍爾效應傳感器。圖3給出了一個簡化的原理圖,顯示了使用NCP1680的圖騰柱PFC級。
圖3:使用NCP1680的簡化的TPPFC典型應用框圖
現有NCP1680的評估板(圖4),使用GaN HEMT單元作為快速開關,Si-MOSFET作為交流電同步整流器。
圖4:安森美的NCP1680評估板
該評估板在從90-265 V AC的395 V DC下提供300 W,且滿載能效峰值接近99%,在低至20%的負載下的整個電壓範圍內達到98%(圖5)。
圖5:安森美NCP1680評估板的能效曲線圖
隨著安森美推出寬禁帶半導體和高性價比的混合信號、臨界導通模式控製器,圖騰柱PFC級成為功率達幾百瓦的高能效功率因數校正的理想解決方案,同時能夠符合80+ Titanium能效標準和待機及空載損耗的環保設計要求。
隨著每個垂直領域對更高能效的需求,使用CrM減少所有負載水平的損耗而實現的有源PFC的改進,將受到製造商、消費者和公用事業服務提供商的歡迎。工程師們現在就可以開始評估NCP1680,為所有應用領域的新產品開發帶來更高的能效水平。
(來源:安森美,作者:Yong Ang)
免責聲明:本文為轉載文章,轉載此文目的在於傳遞更多信息,版權歸原作者所有。本文所用視頻、圖片、文字如涉及作品版權問題,請電話或者郵箱聯係小編進行侵刪。
推薦閱讀:
- 噪聲中提取真值!瑞盟科技推出MSA2240電流檢測芯片賦能多元高端測量場景
- 10MHz高頻運行!氮矽科技發布集成驅動GaN芯片,助力電源能效再攀新高
- 失真度僅0.002%!力芯微推出超低內阻、超低失真4PST模擬開關
- 一“芯”雙電!聖邦微電子發布雙輸出電源芯片,簡化AFE與音頻設計
- 一機適配萬端:金升陽推出1200W可編程電源,賦能高端裝備製造
- 算力爆發遇上電源革新,大聯大世平集團攜手晶豐明源線上研討會解鎖應用落地
- 築基AI4S:摩爾線程全功能GPU加速中國生命科學自主生態
- 一秒檢測,成本降至萬分之一,光引科技把幾十萬的台式光譜儀“搬”到了手腕上
- AI服務器電源機櫃Power Rack HVDC MW級測試方案
- 突破工藝邊界,奎芯科技LPDDR5X IP矽驗證通過,速率達9600Mbps
- 車規與基於V2X的車輛協同主動避撞技術展望
- 數字隔離助力新能源汽車安全隔離的新挑戰
- 汽車模塊拋負載的解決方案
- 車用連接器的安全創新應用
- Melexis Actuators Business Unit
- Position / Current Sensors - Triaxis Hall





